Study of gas coolers of heat pumps on R744
- Authors: Kalnin I.M., Derevich I.V., Pustovalov S.B.
- Issue: Vol 93, No 11 (2004)
- Pages: 10-15
- Section: Articles
- URL: https://freezetech.ru/0023-124X/article/view/103968
- DOI: https://doi.org/10.17816/RF103968
- ID: 103968
Cite item
Full Text
Abstract
A technique and results of computational, theoretical, experimental and numerical investigation of gas coolers of new design, intended for heating of the network water, when working in heat pumps using R744 as a working substance THCO2 are presented. It is demonstrated that when the recommended operational parameters are fulfilled, an essential increase in technical and economical indices of gas coolers and the whole THCO2 is ensured.
Full Text
В настоящее время в России в соответствии с Федеральной целевой программой “Исследования и разработки по приоритетным направлениям развития науки и техники на 2002-2006 годы” по теме № 24 “Создание технологий и оборудования для использования низкопотенциальных тепловых ресурсов для целей теплоснабжения” с участием НПФ “ЭКИП”, МГУИЭ, ОАО “НПО Гелиймаш” и др. создаются тепловые насосы, работающие на диоксиде углерода (ТНСО2) [3]. Это принципиально новые машины, практически все элементы которых разрабатываются впервые.
Теплообменный аппарат - газоохладитель ГО ТНСО2, в котором происходит охлаждение газообразного диоксида углерода (R744) без фазового перехода и нагрев сетевой воды, относится к основным элементам ТНСО2 и во многом определяет техникоэкономические показатели теплового насоса.
Как показал проведенный анализ, для крупных ТНСО2 наиболее приемлема кожухотрубная конструкция газоохладителя с витым пучком трубок, а для малых - кожухозмеевиковая с потоком газообразного R744 в трубках.
Для создания ГО ТНСО2 необходимы надежные данные о закономерностях теплопередачи между рабочим веществом (R744) и теплоносителем (сетевая вода). Однако экспериментальные данные по теплоотдаче от охлаждаемого R744 в условиях работы реальных ГО ТНСО2 в настоящее время отсутствуют.
В ТНСО2 осуществляется газожидкостный термодинамический цикл (в отличие от парожидкостного во фреоновых TH). В ГО ТНСО2 R744 всегда находится при сверхкритическом давлении (СКД) в около-критической области, где теплофизические свойства, прежде всего плотность и теплоемкость, при постоянном давлении в большой степени зависят от температуры.
Методикой расчета аппарата должны учитываться существенное нелинейное изменение температуры газообразного R744 вдоль канала, а также градиент температуры по сечению канала в пристеночном слое трубки.
Для расчета теплоотдачи от рабочего вещества при постоянных (слабопеременных) его свойствах использована зависимость на основе корреляции Петухова-Кириллова [5]:
.(1)
Коэффициент гидравлического сопротивления рабочего вещества при постоянных свойствах рассчитывают по формуле Филоненко [5]:
(2)
Критерий Нуссельта Nu° (1) определяют по среднемассовой температуре рабочего вещества в сечении. Для учета градиента температуры в пристеночном слое используют поправку Краснощекова-Протопопова к числу Нуссельта [4]:
(3)
где - среднемассовая теплоемкость;
i - энтальпия;
Т - температура;
с -теплоемкость;
р
р - плотность;
d,b - показатели степени;
нижние индексы: с, п - на стенке и в ядре потока соответственно.
Поправка Петрова-Попова [4] для коэффициентов гидравлического сопротивления:
(4)
где ц - коэффициент динамической вязкости;
m и s - показатели степени.
Для решения поставленной задачи обычно применяют дискретный метод (разбиение на участки) [1], который в рассматриваемом случае приводит к существенным отклонениям от реальных интегральных характеристик аппарата.
В данной работе предложен дифференциальный (непрерывный) метод расчета [2, 6], основанный на решении системы уравнений
где G - расход;
Т- среднемассовая температура;
х - длина канала;
к- коэффициент теплопередачи;
нижние индексы: a, w - рабочее вещество и теплоноситель соответственно.
где а - коэффициент теплоотдачи;
D} - внутренний диаметр трубки;
П2 - периметр теплового контакта между рабочим веществом и теплоносителем;
X - коэффициент теплопроводности;
D\ - наружный диаметр трубки;
нижний индекс: V - трубка.
Рис. 1. Расчет, схема ГО ТНС кожухозмеевикого типа (рабочее вещее СО., теплоноситель Н2О
Геометрические параметры кожухозмеевикового газоохлодителя приведены на рис. 1.
Система уравнений (5) описывает изменение температур рабочего вещества и теплоносителя в каждом сечении канала и позволяет находить распределение температур охлаждаемого R744 и воды по длине канала в режиме противотока, а также интегральные характеристики ГО ТНСО2.
Интегральные значения перепадов давлений рабочего вещества Ара и теплоносителя Apw в аппарате рассчитывают по классическим формулам.
Для численной реализации дифференциального метода расчета ГО ТНСО2 разработаны алгоритмы проектного и поверочного расчетов.
Рис. 2. Блок-схема алгоритма
При проектном расчете (рис.2) задают расходы, входные и выходные температуры, давление рабочего вещества и теплоносителя. Определяют температурный напор и интегральный коэффициент теплопередачи при осредненных теплофизических свойствах, с учетом которого затем рассчитывают промежуточное значение требуемой длины канала x(/)(^nv). Затем из системы уравнений (5) получают промежуточные значения температур входа теплоносителя и выхода рабочего вещества . Если эти температуры не совпадают с заданными, проводят итерационную процедуру, находят х(/+1) и возвращаются к решению системы (5). Расчет прекращают, когда полученные значения температур совпадут с исходными с заданной точностью.
Рис. 3. Блок-схема алгоритма поверочное расчета
При поверочном расчете (рис. 3) задают входные температуры, давление и расходы рабочего вещества и теплоносителя, тепловую нагрузку и параметры теплообменной поверхности. Искомой величиной являются выходные температуры.
Численное решение системы уравнений (5) осложняется тем, что входные температуры рабочего вещества и теплоносителя заданы на противоположных концах участка интегрирования. Для этого случая предложен исходным (с заданной точностью) расчет прекращается и полученное значение температуры выхода рабочего вещества будет окончательным.
В начале расчета ГО ТНСО2 по уравнениям состояния Пенга-Робинсона с помощью процедуры “кубический сплайн” в среде MathCAD рассчитывают массив теплофизических свойств рабочего вещества и теплоносителя, к которому обращаются при последующем расчете. Это позволяет существенно ускорить расчет и сократить время работы на ЭВМ.
Описанная методика расчета ГО ТНСО2 позволила получить ожидаемые характеристики теплообменных аппаратов предложенных конструкций.
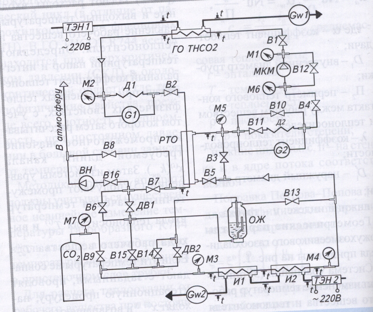
Для исследования особенностей процессов теплообмена в элементах ТНСО2 специалистами кафедры “Холодильная и криогенная техника” МГУИЭ был создан специальный теплотехнический стенд (рис.4), который воспроизводит работу реального ТНСО2 при тепловых нагрузках в диапазоне 1.. .6 кВт, что дает возможность отрабатывать схемные решения и исследовать теплообменные аппараты с различными конструкциями и характеристиками. Использование мембранного компрессора 1,6МК-8/200 для компримирования рабочего вещества (R744) позволяет избежать попадания в его поток масла.
Рис. 4. Принципиальная схема теплотехнического стенда: МКМ — мембранный компрессор; ГО ТНСО2 — кожухозмеевиковый/соосн теплообменный аппарат; И1, И2 — испарители; РТО — регенеративный
С целью апробации созданного расчетного метода на стенде, приводящий исходную систему уравнений к задаче Коши, когда граничные условия для температур теплоносителя задаются на одном конце участка интегрирования, т.е. предполагаемая выходная температура теплоносителя задается на выше входной. В результате решения системы уравнений (5) получают распределение температур теплоносителя и рабочего вещества по длине х, а также промежуточные значения температур рабочего вещества на выходе Га(р и теплоносителя на входе . Если полученное значение отличается от исходного на некоторую величину 8(7//), то происходит обращение к итерационной процедуре и решение системы (5) повторяется. При совпадении значения 7"// с было проведено экспериментальное исследование газоохладителей двух видов: соосного (типа “труба в трубе”) и кожухозмеевикового. Соосный аппарат (рис.5) позволяет получать промежуточные значения температур рабочего вещества и теплоносителя вдоль канала, что необходимо для тестирования разработанных алгоритмов, построенных на расчете изменения условий теплопередачи по длине канала; кожухозмеевиковый аппарат (рис.6) является прототипом реального газоохладителя для ТНСО2 малой мощности.
Рис. 5. Соосный ГО ТНСО2
Рис. 6.Кожухозмеевиковый ГО ТНСО2
Рис. 7. Тарировочный стенд:ГО ТНСО2 -газоохладитель; ЛАТР — регулятор напряжения;ТЭН — электрический водонагреватель; V — вольтметр; G — расходомеры; t — термопары
Экспериментальное исследование проводили в следующем диапазоне параметров: давление нагнетания р2 = 9... 13 МПа; температуры: кипения /0 = 5.. .20 °C, газообразного R744 на входе в ГО taX = 70... НО °C, на выходе из ГО t = 25...45 °C, теплоносителя на входе в ГО twi =15...40 °C, теплоносителя на выходе из ГО tw2 = 40...80 °C; расход R744 G = 0,01.. .0,025 кг/с; массовая скорость R744 Ма = = 200...2000 кг/(м2,с).
В соответствии с разработанной методикой исследования по результатам проведенных измерений определяют интегральный коэффициент теплопередачи аппарата, из которого затем получают интегральный коэффициент теплоотдачи со стороны газообразного R744, используя расчетный коэффициент теплоотдачи со стороны теплоносителя. Для расчета последнего существует достаточно надежная методика. Тем не менее для ее проверки и уточнения была проведена тарировка аппаратов на тарировочном стенде (рис. 7), где они работали по схеме вода-вода с подачей горячей воды в трубку, а холодной - в межтрубное пространство. Была получена экспериментальная зависимость коэффициента теплоотдачи со стороны теплоносителя от его расхода (скорости) при рабочих температурах.
Экспериментальные данные практически полностью совпали с расчетными, что указывает на отсутствие искажения проходного сечения и продольной перетечки тепла в ГО.
Достоверность принятого дифференциального метода расчета аппаратов подтверждена сопоставлением расчетного и полученного из эксперимента на соосном аппарате распределения температур газообразного R744 и теплоносителя вдоль канала (рис.8). Расхождение не превышает ±10 %.
Для интегрального коэффициента теплопередачи аппарата несовпадение расчетных и экспериментальных значений находи
лось в пределах 4-17 %, а для интегрального коэффициента теплоотдачи со стороны R744 - 3-18%.
Поскольку во всех случаях расчетные значения несколько выше полученных из эксперимента, в разработанную методику расчета ГО ТНСО2 были внесены необходимые коррективы.
На коэффициент теплоотдачи со стороны R744 сильнее всего влияет массовая скорость газа в трубке. Ее максимальные значения лимитируются относительной потерей давления в трубке /8р Jpa, которая не должна превышать 1,5 %, чтобы избежать искажения термодинамического цикла ТНСО2. Рекомендованная массовая скорость R744 в 5-15 раз превышает допустимую для фреонов (при равной относительной потере давления), что определяется фактором (р • р)0,5 Это обусловливает высокие значения коэффициента теплоотдачи со стороны R744.Подтвержденная экспериментальными данными методика расчета позволила провести численное исследование характеристик газоохладителей с целью определения оптимальных рабочих параметров реальных крупных и малых ТНСО2 в широком диапазоне давлений R744 (9... 13 МПа) и температур теплоносителя (20...80 °C).
Заданная массовая скорость в ГО ТНСО2, при которой достигается максимальное значение коэффициента теплоотдачи со стороны R744, обеспечивается изменением числа трубок. Удельная масса трубок на единицу площади внутренней теплообменной поверхности у (кг/м2) при равной прочности снижается с уменьшением диаметра. Для крупных ГО ТНСО2 с учетом ограничений по числу трубок оптимально использовать медные трубки 012x1,5, для малых ГО ТНСО2 - медные трубки 08x1. Данные трубки поставляются в бухтах длиной до 100 м.
Скорость теплоносителя (сетевая вода) также лимитируется потерей давления в канале (межтрубном пространстве), что обусловлено ограничением доли аппарата в общем гидросопротивлении сети.
На основе проведенных исследований был спроектирован реальный ГО ТНСО2 тепловой мощностью 20 МВт, исходные параметры которого приведены ниже.
Рис. 8. Распределение температуры R744 и воды вдоль канала в соосном газоохладителе (точки — эксперимент, линии — расчет по предложенной методике):
В таблице дано сопоставление технико-экономических показателей спроектированного ГО и теплообменных аппаратов (конденсатор КД и переохладитель ПО), работающих в составе теплового насоса на R142b, при одинаковых температурах теплоносителя (температура конденсации фреона tK = 85 °C) и тепловой нагрузке.
Полученные результаты позволяют разрабатывать реальные ГО ТНСО2, массогабаритные показатели которых в среднем на 30 % ниже, чем у аппаратов аналогичного назначения в традиционных тепловых насосах.
Результаты работы использованы НПФ “ЭКИП” при создании пилотного образца ТНСО2 тепловой мощностью 20 кВт по заказу Министерства образования и науки РФ.
About the authors
I. M. Kalnin
							Author for correspondence.
							Email: info@eco-vector.com
				                					                																			                												                	Russian Federation													
I. V. Derevich
														Email: info@eco-vector.com
				                					                																			                												                	Russian Federation													
S. B. Pustovalov
														Email: info@eco-vector.com
				                					                																			                												                	Russian Federation													
References
Supplementary files
 
				
			 
					 
						 
						 
									










