Pore space of carbonate tidalites — paleoclimatic aspect
- Authors: Kuznetsov V.G.1, Zhuravleva L.M.1
-
Affiliations:
- Gubkin Russian State University of Oil and Gas
- Issue: No 4 (2019)
- Pages: 351-363
- Section: Articles
- URL: https://journals.eco-vector.com/0024-497X/article/view/15276
- DOI: https://doi.org/10.31857/S0024-497X20194351-363
- ID: 15276
Cite item
Full Text
Abstract
Carbonate deposits of tidal zones are characterized by micritic structures, considerable content of clay material, wide development of cyanobacterial formations. Under arid climate conditions, dolomite tidalites are formed in association with evaporites, which contain numerous interlayers of stromatolites. Dolomitic tidalites make up the lower and upper elements of three-membered transgressive-regressive cyclites, and talidites deposited in a humid climate lie at the base of two-membered cyclites composed of limestone. The pore space is very specific in both cases, due to the wide development of bacterial formations, and this determines the sharp permeability anisotropy.
Full Text
ЗАДАЧИ И ОБЪЕКТЫ ИССЛЕДОВАНИЯ
Развитие методов генетического и фациального анализов позволило выделить приливно-отливные литоральные отложения в древних осадочных толщах и охарактеризовать их признаки [Tidal …, 1975]. Оказалось, что такие отложения очень широко, в чем-то даже аномально широко представлены в палеозойских карбонатных отложениях древних платформ по сравнению с кайнозойскими образованиями [Ginsburg, 1984; Кузнецов, 1997]. Одной из причин этого явления, возможно, было более близкое положение Луны к планете Земля, что вызывало более высокоамплитудные приливы и отливы. Во многих случаях карбонатные тайдалиты образуют резервуары нефти и газа или составляют их существенную часть. По этой причине изучение строения и литологического состава толщ, сложенных карбонатными тайдалитами, типов и особенностей пустотного пространства в подобных отложениях разного возраста и формировавшихся при различных климатических условиях, представляют большой научный и практический интерес, касающийся, в частности, решения крупных проблем геологии нефти и газа.
В настоящем сообщении изложены результаты исследования карбонатных тайдалитов, которые обсуждаются как с палеогеографической точки зрения, так и для оценки этих пород в качестве потенциальных резервуаров вследствие специфических особенностей их пустотного пространства. При этом рассмотрено влияние палеоклимата на образование карбонатных приливно-отливных отложений. Как было показано Н. М. Страховым [1963], климат является одним из ведущих факторов при формировании состава, и, как выяснилось, структурных особенностей карбонатных пород, строения образованных ими осадочных комплексов. Основными объектами исследования были вендско-нижнекембрийские отложения Восточной Сибири и нижнедевонские породы Варандей-Адзьвинской структурной зоны Тимано-Печорской провинции, привлекался материал по другим регионам.
Вендско-нижнекембрийские отложения Восточной Сибири являются частью карбонатно-соленосной формации и накапливались в обстановке аридного климата. Первоначальные раннедевонские осадки, образовавшие второй объект, отлагались в условиях гумидного климата.
ТАЙДАЛИТЫ ВЕНДА‒КЕМБРИЯ СИБИРСКОЙ ПЛАТФОРМЫ
Литоральные образования, присутствующие в составе карбонатно-соленосной формации венда–нижнего кембрия, были изучены в пределах Непско-Ботуобинской антеклизы, смежных районов Игыатинской и Березовской впадин. Они слагают нижнюю и самую верхнюю части в трансгрессивно-регрессивных циклитах (рис. 1). Нижние элементы циклитов, отлагавшиеся на начальном этапе трансгрессии, представлены глинистыми доломитами, доломитовыми мергелями, доломитовыми и доломитистыми известняками. Текстуры пород массивные, чаще — тонкои неправильно слоистые. Структуры карбонатных пород преимущественно микрозернистые, реже тонкозернистые, нередко микросгустковые (пеллетовые). Следы перерывов в виде плоскогалечных конгломератов, трещин усыхания, микробиальных пленок или микробиальных доломитов, образующих волнистую слоистость, а в ряде случаев — слоистость строматолитового типа, позволяют диагностировать исследованные карбонатные породы как отложения приливно-отливных равнин, а присутствие сульфатов свидетельствует об аридном климате эпохи их образования. Отсутствие в отложениях остатков метазойной фауны и образованного ими пустотного пространства можно было бы объяснить древним возрастом, однако остатки трилобитов и археоциат присутствуют в одновозрастных морских отложениях. Это обстоятельство также свидетельствует в пользу интерпретации исследованных вендско-нижнекембрийских карбонатных отложений как тайдалитов аридной климатической зоны [Кузнецов, Сухы, 1990; Kuznetsov, Suchy, 1992].
Рис. 1. Строение типичного циклита юряхского продуктивного горизонта Верхневилючанского нефтегазового месторождения Непско-Ботуобинской антеклизы.
а — литологический разрез и каротажная характеристика; б–ж — гистограммы распределения значений пористости, % (б–г: б — по ртути, в — открытой, г — полезной), значений проницаемости, 10-15 м2 (д–ж: д — по ртути, е — вертикальной, ж — горизонтальной в тайдалитах начала трансгрессии (А), морских отложениях (Б) и тайдалитах конца регрессии (В)).
1 — известняки микрозернистые, 2 — доломиты микрозернистые, 3 — известняки комковато-сгустковые, 4 — доломиты комковато-сгустковые, 5 — известняки водорослевые, 6 — доломиты водорослевые, 7 — известняки глинистые, 8 — доломиты глинистые, 9 — мергели, 10 — аргиллиты, 11 — сульфатизированные доломиты.
Верхние элементы циклитов, соответствующие завершающим этапам регрессии, также представлены доломитами, которые по текстурным и структурным признакам аналогичны доломитам нижних частей циклитов, но отличаются от них низким содержанием глинистой примеси, вплоть до полного ее отсутствия. Так же, как в нижних элементах циклитов, в доломитах, слагающих верхние части циклитов, широко развиты микробиальные пленки. В этих доломитах также встречаются игольчатые кристаллы и гнезда кристаллического ангидрита, содержание которого заметно возрастает при движении вверх по разрезу циклитов; часто присутствуют прослои столбчатых строматолитов с характерной слоистостью и связанными с нею пустотами.
Микробиальные пленки, сложенные микросгустками пелитоморфного карбоната, формировали строматолиты в результате последовательного нарастания. Эти пленки часто не были параллельными, и последовательно нарастающие слойки обычно неплотно (вследствие выступов) прилегали к волнисто-изогнутым нижележащим тонким слойкам. В результате формировались изометричные или удлиненные пустоты, ориентированные по наслоению. В настоящее время такие пустоты остаются открытыми (рис. 2а) или бывают полностью или частично или заполнены диагенетическими новообразованиями кальцита, доломита или ангидрита (см. рис. 2б).
Рис. 2. Щелевидные пустоты в строматолитовом доломите.
а — открытые пустоты (образец керна); б — удлиненные пустоты между микробиальными слойками в строматолитах (микрофотография); стенки пустот инкрустируются кристалликами доломита (1), оставшееся пространство заполнено более поздним ангидритом (2). Нижний кембрий. Средне-Ботуобинское нефтяное месторождение.
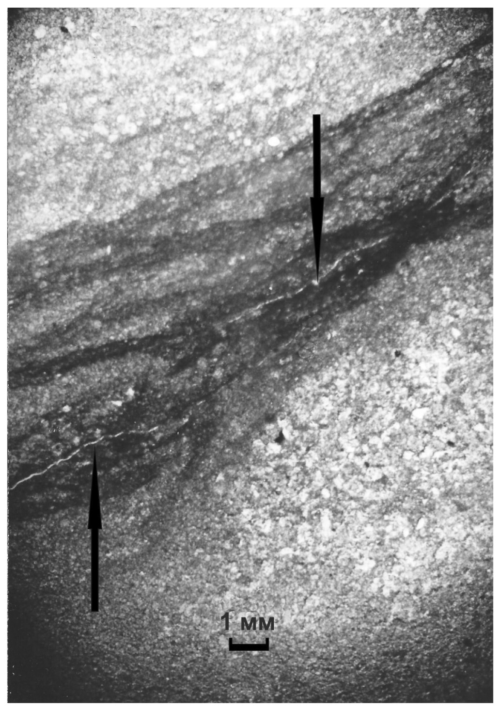
Кроме послойно ориентированных пустот, в карбонатно-глинистых и глинистых прослойках, присутствующих внутри строматолитовых образований и представляющих собой следы микробиальных пленок, имеются тонкие протяженные литогенетические трещины (рис. 3). Пустоты подобной морфологии при их субпараллельном расположении приводят к резкой анизотропии проницаемости. Так, проницаемость, перпендикулярная наслоению не превышает 0.1∙10-15 м 2, в то время как по наслоению таких случаев уже более трети определений, причем, имеются значения и более 10∙10-15 м 2. Различная проницаемость карбонатных пород в направлениях параллельном и перпендикулярном напластованию — явление довольно распространенное, но эти различия, как правило, невелики. Так, в морских карбонатных породах, перекрывающих исследуемые литоральные фации на одной из площадей, среднее значение проницаемости в направлении, параллельном наслоению составляет 3.97∙10-15 м 2 (разброс 0.001∙10-15 м 2 до 27.1∙10-15 м 2), тогда как в направлении, перпендикулярном наслоению — 2.887∙10-15 м 2 (разброс 0.001∙10-15 м 2 до 13.7∙10-15 м 2), то есть разница не существенная.
Рис. 3. Субпараллельные литогенетические трещины в глинистых и карбонатно-глинистых слойках — минерализованных биопленках. Юряхский горизонт. Венд–кембрий. Верхневилючанское нефтегазовое месторождение.
Сходные признаки установлены в верхневендских отложениях кудулахской и успунской свит Березовской впадины юго-востока Сибирской платформы. Эта область в венде располагалась вблизи низменной суши, и в ее пределах существовали мелководные морские обстановки, причем литоральные обстановки существенно преобладали [Кузнецов и др., 1993]. Литоральные и надлиторальные отложения слагают до 60–65% мощности обеих верхневендских свит. Эти отложения представлены аргиллитами, глинистыми доломитами и доломитами микрозернистыми, последние образованы слоистыми агрегатами стелющихся строматолитов с характерными пустотами, ориентированными по наслоению — такими же, как в охарактеризованных выше нижнекембрийских строматолитовых образованиях. Среднее значение коэффициента пористости, определенное по данным ГИС для этих отложений — 7.65%, при вариациях от 3.6 до 13.3%.
Высокая пористость рассматриваемых верхневендских отложений обусловлена специфическими условиями осадконакопления и раннего диагенеза. Осадки приливно-отливных и надприливных равнин покрывались водой лишь периодически, во время приливов, а в надприливных обстановках — еще реже, т. е. накапливались, в основном, в вадозной зоне. Дефицит иловых вод привел к тому, что в точках соприкосновения форменных элементов карбонатного осадка образовались менисковый и/или гравитационный типы цементов [Carbonate cements, 1985; Longman, 1980]. Неполное заполнение пустот диагенетическим карбонатным цементом сохранило высокую первичную межзерновую пористость.
Субаэральные обстановки, в которых формировались отложения и аридные климатические условия с дефицитом воды способствовали низкой концентрации поровых вод в карбонатных осадках, что, по-видимому, является главной причиной низкой остаточной водонасыщенности исследуемых вендских карбонатных пород. По результатам изучения образцов методом ДТА, коэффициент водонасыщенности в них составляет 0.1–0.7%. В связи с подобной низкой водонасыщенностью, даже при очень незначительных размерах пустот и фильтрующих каналов, породы имеют вполне кондиционные значения газопроницаемости.
ТАЙДАЛИТЫ НИЖНЕГО ДЕВОНА ТИМАНО-ПЕЧОРСКОЙ ПРОВИНЦИИ
Палеогеографическая обстановка палеозоя Печорской синеклизы реконструирована в работах А. И. Антошкиной и др. [Антошкина и др., 2012], В. А. Жемчуговой [Жемчугова, 2002; Жемчугова и др., 2001], Н. В. Танинской [Танинская, 2010] и др. Обширная отмель, существовавшая в пределах Варандей-Адзьвинской структурной зоны на этом этапе, была реконструирована нами ранее [Кузнецов, Журавлева, 2014]. Литоральные отложения овинпармского горизонта лохковского яруса были изучены в северной части этой структурной зоны (рис. 4).
Рис. 4. Строение типичного циклита овинпармского горизонта нижнего девона Тимано-Печорской провинции: А — литологическая колонка и каротажная характеристика, Б–Д — гистограммы распределения: Б — типов пород, В — значений пористости, %, Г — значений горизонтальной проницаемости, 10-15 м2, Д — вертикальной проницаемости, 10-15 м2 в нижних (а, в, д, ж) и верхних (б, г, е, з) элементах циклитов.
I — известняки граноморфные; II — известняки комковато-сгустковые; III — известняки узловато-слоистые; IV — известняки глинистые узловато-слоистые; V — карбонатные породы, содержащие алевритово-глинистую примесь; VI — аргиллиты.
Породы на гистограммах Б: 1 — известняки граноморфные; 2 — известняки комковато-сгустковые; 3 — известняки комковато-сгустковые слоистые; 4 — известняки тонкозернистые; 5 — известняки узловато-слоистые; 6 — известняки узловато-слоистые глинистые; 7 — известняки глинистые; 8 — алевро-глинисто-карбонатные породы; 9 — карбонатно-алевро-глинистые породы; 10 — аргиллиты серые; 11 — аргиллиты зеленовато-серые; 12 — алевролиты.
n — количество проанализированных образцов; Кп ср — средний коэффициент пористости, %; Кпр min, max — минимальные и максимальные значения проницаемости (10-15 м2); М — модальный интервал (в скобках — процент значений в этом интервале).
К тайдалитам относится довольно широкий спектр пород разнообразного состава, с различными текстурными признаками, но довольно однородных по структуре: с одной стороны, это аргиллиты и глинистые известняки, а с другой — относительно “чистые” известняки, с незначительным содержанием глинистой примеси. Структура известняков, как правило, микрозернистая или пелитоморфная, иногда комковато-сгустковая в результате биотурбации. При этом соотношение относительно “чистых” карбонатных пород и их разновидностей, обогащенных глинистым материалом (вплоть до образования аргиллитов и алевролитов) примерно 60:40%. Остатки фауны в этих породах довольно разнообразны и включают в основном стеногалинные формы, важно также отметить многочисленные остатки водорослей и микробиальных пленок, формирующих специфическую тонкослоистую текстуру отложений. Доломит и сульфаты, вероятно, отлагались в результате диагенетических процессов, протекающих в микробиальных матах [Журавлева, 2013], присутствие этих новообразованных минералов не противоречит существующим представлениям о нормальной океанической солености вод палебассейна, предопределившей соответствующий комплекс обитающих в нем организмов.
О мелководных обстановках осадконакопления с периодическим осушением свидетельствуют знаки промоин и проливных каналов, а также клиновидные трещины усыхания глубиной до нескольких миллиметров и шириной 0.2–0.5 мм). Промоины и трещины усыхания, как правило, локализованы в микрозернистой массе относительно “чистых” известняков, не содержащих глинистого материала, и расширяются в направлении уровней, соответствующих поверхностям экспозиции, которые были перекрыты тонкими строматолитоподобными битуминозно-глинисто-карбонатными образованиями. В тонких прослойках подобного состава присутствуют многочисленные остатки бактериальных форм и следы их жизнедеятельности, что позволяет считать их минеральными слепками биопленок и цианобактериальных матов. В периоды осушения и развития трещин усыхания в микрозернистой карбонатной массе, неровная поверхность осадка заселялась, в первую очередь, колониями цианофитов, генерировавших органическое вещество и улавливавших глинистые частицы. В одних случаях биопленки облекали неровности микрорельефа — следы промоин, мелкие впадинки, в других — деформировались над трещинами усыхания и, обрываясь, проваливались в них (рис. 5а, б).
Рис. 5. Трещины усыхания в микрозернистой массе известняка, фиксирующие кратковременные осушения осадков сублиторальной зоны. Трещины перекрываются битуминозно-глинисто-карбонатными слойками — минерализованными биопленками. Слойки деформируются и “зависают” над трещинами (а) или, обрываясь, “проваливаются” в них (б). Нижний девон. Тимано-Печорская нефтегазоносная провинция.
В целом, тайдалиты представлены переслаиванием карбонатных отложений со значительным содержанием глинистого материала и практически “чистых” известняков, не содержащих глинистой примеси, с характерными микрозернистыми и пелитоморфными структурами.
Важно подчеркнуть, что присутствие остатков разнообразной, в том числе достаточно высокоорганизованной фауны практически “исключает” развитие строматолитообразующих цианофитов, и в этом случае микробиальные сообщества в основном образуют тонкие биопленки, нередко в значительной степени глинистые. Для целей настоящей статьи важно отметить, что внутри биопленок, а также вдоль границ этих образований с вмещающими отложениями образуются относительно прямолинейные литогенетические трещины.
Тайдалиты, в частности присутствующие в них минерализованные биопленки, исследовались методами компьютерной томографии, что позволило выявить морфологию пустот и особенности их распределения в объеме породы. Были подробно изучены две зоны в тайдалитах (рис. 6).
Рис. 6. Зоны битуминозно-глинисто-карбонатных слойков — минерализованных биопленок, в которых проводились исследования методами компьютерной томографии. Нижний девон. Тимано-Печорская нефтегазоносная провинция.
Трехмерная томографическая диаграмма показывает, что зоны концентрации пустот совпадают с положением биопленки и морфологически повторяют изгибы и неровности слойков, что хорошо заметно на срезе, перпендикулярном слоистости (рис. 7).
Рис. 7. Область концентрации пустот в образце известняка, совпадающая с контуром биопленки в исследованной зоне 1 (см. рис. 6), границы области повторяют изгибы слойков биопленки (срез перпендикулярный напластованию). Нижний девон. Тимано-Печорская нефтегазоносная провинция.
>
Коэффициент пористости для первой зоны составляет 6.79% при колебании размеров пустот от 4.93 до 250.1 µm и общей плотности 166 шт/мм 2. Для второй зоны коэффициент пористости составил 5.69% при колебании размеров пустот от 4.93 до 183.65 µm и общей плотности пустот 158 шт/мм 2. При этом пустоты размером более 100 µm для первой зоны и более 80 µm для второй единичны.
Наиболее широко распространены пустоты размером 5–10 µm в обеих зонах — 29272 и 27018 шт. из общего количества, соответственно 75140 и 71568 шт. Других пустот, с более крупными размерами — не более 10000 шт., на их долю приходится около 0.2% пористости в обеих зонах. Основной объем пустотного пространства составляют пустоты размерностью от 20 до 45 µm, их суммарный вклад в общую емкость составляет 3.99% в зоне 1 и 2.93% в зоне 2 (рис. 8).
Рис. 8. Гистограммы распределения пустот по размеру и емкости в исследованных зонах 1 (а) и 2 (б) образца известняка (см. рис. 6). Нижний девон. Тимано-Печорская нефтегазоносная провинция.
Применение методов компьютерной томографии позволяет охарактеризовать форму пустот с точки зрения ее правильности, для этого используется понятие фактора формы, количественное выражение которого — коэффициент формы для правильных, круглых пустот близок к единице. Наиболее значимую пористость в зоне исследования — от 0.96 до 1.22% составляют именно правильные пустоты, с коэффициентом формы от 0.6 до 0.9.
В исследованных зонах правильная форма характерна для пор наиболее мелких размеров, что, по-видимому, естественно, так как их ориентация по отношению к слоистости, в основном, одинаковая — около 100–110° в зоне 1 и около 70° в зоне 2. Наиболее крупные поры отличаются сложными формами и характеризуются коэффициентом, близким к 0.2 и, что важно, довольно резко выделяются на фоне всех остальных пор по своей ориентации. Угол наклона пустот с размерами 105–10 µm по отношению поверхности наслоения в зоне 1 составляет 176°, в зоне 2 с наиболее крупными пустотами размерностью 80–85 µm, этот угол — 10°, что в целом указывает на совпадение их ориентации с направлением напластования в обеих исследованных зонах (рис. 9). Согласованность областей концентрации пустотного пространства с внутренней слоистостью биопленок, характерная для тайдалитов, определяет анизотропию проницаемости.
Рис. 9. Гистограммы распределения пустот по форме и ориентации исследованных зонах 1 (а) и 2 (б) образца известняка (см. рис. 6). Нижний девон. Тимано-Печорская нефтегазоносная провинция.
СРАВНИТЕЛЬНЫЙ АНАЛИЗ ТАЙДАЛИТОВ РАЗНЫХ КЛИМАТИЧЕСКИХ ЗОН
Литоральные отложения гумидной и аридной климатических зон близки по характеристикам, однако имеют и принципиальные отличия.
Для карбонатных тайдалитов обеих зон характерны пелитоморфные и микрозернистые структуры, повышенное содержание глинистого вещества, прослойки минерализованных микробиальных пленок с тонкослоистой внутренней текстурой. В них присутствуют тонкие субгоризонтальные литогенетические трещины, связанные с биопленками, проявлены следы осушений в виде многочисленных микропромоин, трещин усыхания и т. п.
Наиболее существенные различия климатически разных тайдалитов проявляются в минеральном составе этих отложений. Так, в гумидных зонах в пределах литорали формировались известковые тайдалиты, тогда как для тайдалитов, отлагавшихся в аридных зонах характерно повышенное содержание (вплоть до полного доминирования) магнезиальных карбонатов, прежде всего доломитов, а также присутствие первичных сульфатов кальция, что отражает более высокую минерализацию морских вод. С этим обстоятельством связано отсутствие остатков фауны, по крайней мере, скелетной, и развитие, нередко значительное, цианофитов, образующих строматолитовые структуры со своеобразным типом пустот, концентрирующихся вдоль слоистости в виде цепочек, состоящих из округлых, овальных, линзовидных пустот, образующихся между минерализованными микробиальными пленками. Эти пустоты бывают открытыми, а также полностью или частично выполненными диагенетическими карбонатами и/или сульфатами. Таким образом, пустотное пространство аридных тайдалитов характеризуется разнообразной морфологией: наряду с субгоризонтальными литогенетическими трещинами имеются многочисленные пустоты внутри строматолитовых образований.
Тайдалиты занимают разное структурное положение в карбонатных последовательностях гумидной и аридной климатических зон. Поскольку развитие морских бассейнов характеризуется цикличностью, уровень водного зеркала периодически поднимается и опускается в результате морских трансгрессий и регрессии моря.
Во всех случаях на начальных этапах морских трансгрессий в обеих климатических зонах отлагаются тайдалиты, пачки которых образуют нижние элементы трансгрессивно-регрессивных циклитов. Мощность пачек зависит от скорости и амплитуды прогибания дна бассейна, а минеральный состав карбонатных тайдалитов — от климата. Стабильное прогибание в сочетании с подъемом уровня моря приводят к смене приливно-отливных отложений осадками открытого моря, состав последних практически не зависит от климата. При регрессии и отступании моря в зоне прибрежного мелководья следовало бы также ожидать формирования тайдалитов. Однако на этом этапе в аридной и гумидной зонах условия осадконакопления заметно различаются, что отражается в разной структуре формирующихся карбонатных последовательностей. Объясняется это тем, что регрессия нередко завершается полным осушением, в условиях аридного климата накопившиеся на этом этапе литоральные карбонатные отложения образуют верхние элементы трансгрессивно-регрессивных циклитов, нередко эти отложения бывают заметно обогащены сульфатами, и их коллекторский потенциал в целом такой же, как у тайдалитов, слагающих нижние элементы циклитов (см. рис. 1). При обмелении в условиях гумидного климата в зоне литорали не происходит накопления эвапоритов. Карбонатные отложения, накопившиеся на этом этапе, нередко размываются, а поверхности экспозиции закарстовываются. В связи с этим в разрезах, как правило, бывают представлены неполные циклиты, в строении которых отражена “незавершенность” трансгрессивно-регрессивных циклов (см. рис. 4).
По изложенным выше причинам, трансгрессивно-регрессивные осадочные циклиты, сформировавшиеся в литоральной зоне аридного климата имеют трехчленное строение, и в них тайдалиты слагают нижние и самые верхние элементы; подобные циклиты в условиях гумидного климата, как правило, двучленные, и тайдалиты в них залегают вблизи основания [Кузнецов, 2006].
ПУСТОТНОЕ ПРОСТРАНСТВО ТАЙДАЛИТОВ VS МЕЛКОВОДНО-МОРСКИХ ОТЛОЖЕНИЙ
Приведенные выше данные свидетельствуют о специфических особенностях пустотного пространства приливно-отливных карбонатных отложений. Проведено сравнение этих параметров в тайдалитах и вмещающих мелководно-морских карбонатах.
В наиболее общем случае тайдалиты переслаиваются с морскими отложениями, накопившимися в обстановке волновой деятельности. Морские карбонатные породы характеризуются зернистыми граноморфными, в том числе биокластовыми, структурами, относящимися к “грейнстоунам”, согласно современным классификациям. В связи с этим их коллекторские свойства выше, часто существенно выше, чем у тайдалитов. В качестве примера можно привести рассмотренные выше кембрийские отложения Восточной Сибири, близкое соотношение коллекторских свойств характерно и для многих других осадочных комплексов.
Нижнекембрийские тайдалиты переслаиваются с мелководными морскими карбонатными отложениями принципиально иной структуры, с другим типом пустотного пространства и значениями коллекторских параметров.
Для этих пород, вследствие древнего возраста, характерны полное отсутствие или бедность остатками организмов. Первоначальные фитогенные карбонатные осадки характеризовались сгустковой структурой с межгранулярным типом пустотного пространства. Однако благодаря разнообразным вторичным процессам — выщелачиванию (рис. 10), перекристаллизации, доломитизации, трещинообразованию изменились первичные структуры, и типы пустот были существенно модифицированы. При этом принципиально важно, что изначальные типы пустот, во-первых, иные и, прежде всего, межформенные, а во-вторых, — более разнообразные, что, в свою очередь, определяет более высокие в целом значения коллекторских параметров. Это наглядно демонстрирует таблица и материалы рис. 1.
Рис. 10. Межгранулярные пустоты, возникшие при выщелачивании доломита (а); вторичный доломит на стенках крупных каверн (б). Нижний кембрий. Сибирская платформа.
Таблица. Коллекторские свойства тайдалитов и вмещающих морских отложений разного типа
Регион исследования, возраст | Верхневилючанское нефтегазовое месторождение. Нижний кембрий, юряхский горизонт | Бысахтахское газоконденсатное месторождение. Венд, успунская и кудулахская свиты | Варандей-Адзьвинская структурная зона (Тимано-Печорская НГП). Нижний девон, овинпармский горизонт | |||||
Тип отложений | Тайдалиты начального этапа трансгрессии | Тайдалиты завершающего этапа регрессии | Морские отложения | Тайдалиты | Отложения крайнего мелководья | Тайдалиты | Отложения крайнего мелководья | |
Коэффициент порис- тости Кп, % | откр. | n = 7 1–7.6 (2.2) 0–2 (66.7) | n = 11 0.1–4.2 (2.0) 0–2 (66.7) | n = 49 2.3–21.3 (11.5) 8–10 (21.21) | 3.6–13.3 (7.6) | 2–9.9 (5.6) | n = 398 0.1–13.2 (1.4) 0.5–1 (29.15) | n = 718 0.1–13.9 (1.1) 05–1 (35.7) |
Коэфициент прони- цаемости Кпр, 10-15 м2 | по на- слоению | n = 3 0.007–1.58 (0.529) 0.001–0.01 (33.3) | n = 6 0.003–7.3 (2.103) 0.001–0.01 (33.3) | n = 33 0.001–27.1 (3.97) 1–10 (51) | n = 389 0.012–1594 1–10 (35.5) | n = 723 0.012–1026 0.1–1 (31.3) | ||
вкрест наслое-ния | n = 2 0.003–0.08 (0.0415) – | n = 6 0–0.1 (0.0215) – | n = 32 0.001–13.7 (2.887) 1–10 (37.5) | n = 377 0.001–32.5 0.01–0.1 (53.8) | n = 700 0.001–44.7 0.01–0.1 (42.7) | |||
Примечание. Для значений пористости в числителе приведены минимальные, максимальные и в скобках средние арифметические значения, %; в знаменателе — модальный интервал и в скобках встречаемость, %; для значений проницаемости в числителе — минимальные, максимальные и в скобках средние значения, в знаменателе — модальный интервал, в скобках — встречаемость, %. n — количество проанализированных образцов; прочерк — модальный интервал не выделен.
Одновременно отмечается одна характерная особенность. Для осадочных пород в целом, и для карбонатных в частности характерна несколько более высокая проницаемость вдоль плоскостей наслоения по сравнению с проницаемостью в направлении, перпендикулярном слоистости. В мелководно-морских отложениях минимальные значения проницаемости по наслоению примерно в два раза выше значений, установленных в нормальном направлении. В тайдалитах это превышение заметно увеличивается и достигает одного порядка величины, установленной по нормали к слоистости.
Это обстоятельство в значительной мере обусловлено присутствием в тайдалитах горизонтальных литогенетических трещин и послойной концентрацией пор в близко ассоциирующих с ними строматолитовых образованиях.
При переслаивании тайдалитов с морскими отложениями крайнего мелководья наблюдается иная картина. В качестве примера рассмотрим вендские отложения Березовской впадины.
Березовская впадина представляла собой прибрежную, крайне мелководную, краевую область моря, поэтому литоральные условия с периодическим осушением существовали здесь длительное время. Отложения, накопившиеся в пределах литорали, слагают более половины вендской последовательности. При повышении уровня моря здесь устанавливались мелководные морские условия, что способствовало накоплению пелитоморфных и микрозернистых карбонатных осадков. Пористость этих мелководно-морских отложений варьирует от 2.0 до 9.9% и в среднем составляет 5.6%, в то время как для осадков литоральной, периодически осушающейся зоны, эти значения 3.6–13.3%, и в среднем составляют 7.6%, т. е. заметно выше.
Еще более резкие различия пористости проявлены в породах овинпармского горизонта Печорской синеклизы. В составе этого горизонта глинисто-карбонатные отложения литорали перекрываются практически “чистыми” известняками крайне мелководной зоны моря, с пелитоморфными и микрозернистыми структурами [Кузнецов, Журавлева, 2014].
Условия, благоприятные для накопления микрозернистого карбонатного материала исключают возможность образования в осадке первичного конседиментационного порового пространства, что подтверждается микроскопическими исследованиями: в подавляющем большинстве образцов известняка первичные пустоты встречаются редко. В связи с этим параметры коллекторских свойств в них низкие: пористость менее 2% наблюдается в 90–91% образцов исследованных пород, в то время как в биопленках тайдалитов значения пористости заметно увеличиваются — 5.69 и 6.79%. Значения проницаемости вдоль плоскостей напластования в этих генетически различных породах также существенно различаются: модальный интервал в известняках снижается до (0.1–1.0)∙10-15 м 2, т. е. до 56.5% образцов имеют проницаемость ниже 1∙10-15 м 2(против 44% — в тайдалитах) и только 12.7% образцов — более 10∙10-15 м 2. (против 19.20% — в тайдалитах). Модальный интервал распределения проницаемости по наслоению известняков — (0.01–0.1)∙10-15 м 2, т. е. на порядок выше, чем такой же интервал, установленный для проницаемости известняков в направлении, перпендикулярном наслоению (0.001–0.01)∙10-15 м 2. Для тайдалитов с характерными субгоризонтальными щелевидными пустотами эта разница на два порядка выше: по наслоению (1–10)∙10-15 м 2, в направлении, перпендикулярном наслоению — (0.01–0.1)∙10-15 м 2 (см. таблицу, рис. 4).
Выявленные различия подтверждаются результатами испытания скважин. Так, в скважинах Варандей-Адзьвинской зоны, в ряде случаев, хорошие притоки были получены при опробовании интервалов, сложенных глинисто-карбонатными тайдалитами, или тайдалитами вместе с перекрывающими их мелководно-морскими отложениями, в то время как из интервалов “чистых” карбонатных мелководно-морских отложений в одних случаях притоков не было получено, в других — они были незначительные.
Таким образом, повышенная проницаемость литоральных отложений вдоль наслоения обусловлена присутствием субгоризонтальных щелевидных пустот, генетически связанных с микробиальными пленками.
ЗАКЛЮЧЕНИЕ
Карбонатные отложения литорали широко развиты в палеозойских образованиях эпиконтинентальных морей. Они представлены пелитоморфными и микрозернистыми, часто глинистыми, известняками в зонах гумидного климата и доломитами, с такими же структурами, в зонах аридного климата. Важной особенностью тайдалитов является присутствие в них микробиальных образований, в том числе строматолитов, формировавшихся в зонах аридного климата. Влияние климата на образование тайдалитов было опосредованным: аридизация обусловила повышение солености вод бассейна.
В морских карбонатных последовательностях, формировавшихся в гумидной климатической зоне, тайдалиты залегают в основании трансгрессивных серий, в карбонатных последовательностях аридной зоны тайдалиты слагают нижние элементы трансгрессивных серий и завершают регрессивные серии.
Коллекторский потенциал карбонатных тайдалитов, в связи с преобладанием в них микрозернистых структур, в целом невысокий, но характеризуется определенным своеобразием. При низкой, в целом, пористости, в них нередко устанавливаются довольно высокие значения проницаемости; различия проницаемости вдоль наслоения и в направлении, перпендикулярном слоистости, в них аномально высокие, что связано с развитием субгоризонтальных литогенетических трещин в микробиальных пленках и послойной концентрацией пустот в строматолитах. В ряде случаев коллекторские свойства, и значения проницаемости, параллельной наслоению, в тайдалитах значительно выше, чем в перекрывающих собственно морских, но крайне мелководных отложениях.
БЛАГОДАРНОСТИ
Авторы считают своей приятной обязанностью выразить искреннюю признательность А. А. Абросимову за выполнение анализов керна методами компьютерной томографии, результаты которых использованы в настоящей статье.
About the authors
V. G. Kuznetsov
Gubkin Russian State University of Oil and Gas
Author for correspondence.
Email: vgkuz@yandex.ru
Russian Federation, Leninskii pr. 65/1, Moscow, 119991
L. M. Zhuravleva
Gubkin Russian State University of Oil and Gas
Email: zhuravleva.lilia@yandex.ru
Russian Federation, Leninskii pr. 65/1, Moscow, 119991
References
- Антошкина А. И., Салдин В. А., Никулова Н. Ю. и др. Особенности палеозойской истории Североуральского осадочного бассейна // Вестник УРО РАН. 2012. № 3. С. 15–23.
- Жемчугова В. А. Природные резервуары в карбонатных формациях Печорского нефтегазоносного бассейна. М.: Изд-во МГУ, 2002. 244 с.
- Жемчугова В. А., Мельников С. В., Данилов В. Н. Нижний палеозой Печорского нефтегазоносного бассейна (строение, условия образования, нефтегазоносность). М.: Изд-во Академии горных наук, 2001. 110 с.
- Журавлева Л. М. Доломит и ангидрит в карбонатных отложениях овинпармского горизонта лохковского яруса в Тимано-Печорской нефтегазоносной провинции // Известия вузов. Геология и разведка. 2013. № 5. С. 26–29.
- Кузнецов В. Г. Парадокс древних тайдалитов // Докл. РАН. 1997. Т. 357. № 3. С. 223–225.
- Кузнецов В. Г. Цикличность мелководных карбонатных отложений различных климатических зон // Литология и полез. ископаемые. 2006. № 6. С. 563–577.
- Кузнецов В. Г., Бакина В. В., Биткова Т. В. Коллекторские свойства и модель строения венд-кембрийской продуктивной толщи Бысахтахского месторождения (Восточная Сибирь) // Геология нефти и газа. 1993. № 1. С. 20–24.
- Кузнецов В. Г., Журавлева Л. М. Фации отмели среди отложений овинпармского горизонта лохковского яруса. Нижний девон, Тимано-Печорская синеклиза // Литосфера. 2014. № 4. С. 22–35.
- Кузнецов В. Г., Сухы В. Приливно-отливные и себховые отложения в венде-кембрии юга Сибирской платформы // Литология и полез. ископаемые. 1990. № 6. С. 82–93.
- Страхов Н. М. Типы литогенеза и их эволюция в истории Земли. М.: Госгеолтехиздат, 1963. 535 с.
- Танинская Н. В. Седиментологические критерии прогноза коллекторов в среднеордовикско-нижнедевонских отложениях Тимано-Печорской провинции [Электронный ресурс] // Нефтегазовая геология. Теория и практика. 2010. Т. 5. № 4. С. 1–29. http: // www.ngtp.ru/rub/2/ 52_2010.pdf — (access 12.02.2019).
- Carbonate cements / Eds N. Schneiderman, M. Harris // SEPM. Sp. Publ. 1985. № 36. 379 p.
- Ginsburg R. N. The dilemma of epicontinental peri-tidal carbonates // 27 Международный геологический конгресс. Тезисы. Abstracts. Volume IX / Part 2 (Additional). М.: Наука, 1984. С. 88–89.
- Kuznetsov V. G., Suchy V. Vendian-Cambrian Tidal and Sabkha Facies of the Siberian platform // Facies. Erlangen. 1992. V. 27. P. 285–294.
- Longman M. W. Carbonate diagenetic textures from nearshorediagenetic environments // AAPG. Bull. 1980. V. 64. № 4. P. 461–487.
- Tidal Deposits / Ed. R. N. Ginsburg. Berlin: Springen Verlag, 1975. 428 p.
Supplementary files












