The use of bystal elements in bridge spans
- Authors: Petrushenko I.A.1, Averchenko G.A.1
-
Affiliations:
- Peter the Great St. Petersburg Polytechnic University
- Issue: Vol 8, No 1 (2022)
- Pages: 5-15
- Section: Reviews
- URL: https://transsyst.ru/transj/article/view/105516
- DOI: https://doi.org/10.17816/transsyst2022815-15
- ID: 105516
Cite item
Full Text
Abstract
The object of the research is the structures of spans made of two types of steel of different strengths. The article examines the effectiveness of the use of the bisteel beams of bridge structures based on a technical and economic analysis, which consists of determining the value of construction and structural coefficients for beams of the same spans in order to identify metal savings. In the course of the study, the effectiveness of using steels of various strengths in a set was confirmed. The material described in the article can be used as the basis for the practical application of bisteel spans.
Full Text
ВВЕДЕНИЕ
Научно-технический прогресс в области эффективного использования материалов стимулирует уменьшение стоимости мостовых сооружений посредством применения бистальных несущих элементов, эффект от использования которых достигается посредством рационального сочетания различных по прочности сталей, распределенных по высоте сечения в зависимости от напряженно-деформированного состояния пролетного строения [1].
В настоящее время на базе проведенных научных исследований СПбПУ ИСИ, а также накопленного практического опыта имеется возможность уменьшения расхода стали для металлических автодорожных пролетных строений средних и больших пролетов за счет применения бистальной компоновки сечений, эффективность использования которых исследуется в данной статье.
РЕЗУЛЬТАТ ИССЛЕДОВАНИЯ
В статье предлагается осуществить совершенствование автодорожных сталежелезобетонных и цельнометаллических пролетных строений параллельно с их унификацией, для чего требуется определить величину строительных и конструктивных коэффициентов в пересчете на бистальные сечения для балок таких же пролетов с целью выявления экономии металла и возможного снижения веса. Строительный коэффициент представляет собой отношение действительного веса элемента к конструктивному весу, полученному как произведение подобранной площади сечения элемента на его теоретическую длину и удельный вес , т. е.
(1)
где
В свою очередь, конструктивный коэффициент представляет собой отношение действительного веса элемента к теоретическому, полученному как произведение теоретически необходимой площади элемента на его теоретическую длину и . В целях более полного представления о величине строительных и конструктивных коэффициентов для пролетных строений различных статических схем на в программном комплексе MATLAB была реализована программа применительно как к разрезным, так и неразрезным системам пролетных строений. Причем произведен подсчет строительных и конструктивных коэффициентов для ряда реальных, ранее построенных мостов с бистальными балками для практического сопоставления их с коэффициентами в предлагаемых вариантах унифицированных бистальных пролетных строений.
Строительные и конструктивные коэффициенты подсчитывались для систем пролетных строений: 42+63+42 м (серии 3,503 – 59); 63+84+63 м (серии 3,503 – 50); 48+60+48 м (серии 5776КМ); =63 м (серии 42006КМ) с компоновками сечений, указанными на рис. 1, 2, и для сравнения вышеуказанные коэффициенты определялись для пролетных строений в моностальном исполнении. Бистальные балки компоновались из следующих марок сталей:
- Сталь стенки и верхнего пояса 15ХСНД; сталь нижнего пояса 12ГН2МФАЮ.
- Сталь стенки поясов 15ХСНД.
- Сталь стенки и верхнего пояса 16Д (М16С), для пролетного строения с пролетом 63 м для нижнего пояса использовалась сталь 10ХСНД.
- Сталь стенки и верхнего пояса 14Г2, а сталь нижнего пояса марки 12Г2СМФ и 14Х2РМР (48+60+48 м).
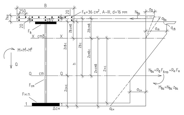
Рис. 1. Расчётная схема и эпюра предельных напряжений бисталежелезобетонного сечения
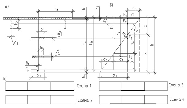
Рис. 2. Расчётная схема, эпюра предельных напряжений и схемы пролётных строений: а – расчетная схема; б – эпюра пред. напряжений; в – схемы пролётных строений
В первом приближении эффективность предполагаемых решений с различной компоновкой сечений оценивалась величиной экономии металла по отношению к качеству затраченной стали повышенной или высокой прочности. Такая оценка представлена в Таблице.
Таблица. Экономическая эффективность балок с различным набором сталей
Компоновка сечений из сталей | Тип балки | Общая затрата стали, % | Затраты стали повышенной и высокой прочности, % | Эконо-мия стали, % | Экономия стали, отнесенная к затраченной стали повышенной или высокой прочности, % |
(М16С), 15Д, 14Г2 | Моно-сталь | 100 | 0 | 0 | – |
15ХСНД | Моно-сталь | 81,6 | 81,6 | 18,4 | 22,6 |
16Д – высокопрочная сталь | Би-сталь | 91 | 28,7 | 9,0 | 31,8 |
16Д – повышенной прочности | Би-сталь | 81,6 | 46,0 | 18,4 | 28,3 |
14Г2, 15ХСНД – высокопрочная сталь | Би-сталь | 81,6 | 32 | 16 | 27,2 |
Для уточнения экономического эффекта с помощью строительных и конструктивных коэффициентов авторами составлен расчет с помощью программы MATLAB указанных схем и типов компоновок поперечных сечений.
Входными данными программы являются: значения моментов, марки используемой стали, варианты схем. В теле программы организовано несколько вложенных друг в друга циклов по моментам и по сечениям пролетного строения моста.
После того, как будут произведены расчеты деформаций и прочностных характеристик, они проверяются на соответствие заданным значениям, и в случае совпадения происходит запоминание размеров поперечного сечения балок.
В конце работы программа распечатывает накопленные значения, а также номера вариантных схем и моментов.
Согласно полученным на этом этапе работы данным построены графические зависимости, характеризующие многосторонность зависимости конструктивных и строительных коэффициентов для бистальных и бисталежелезобетонных пролетных строений, причем полученные в окончательном виде значения коэффициентов основывались на использовании при расчете «метода характеристик веса», согласно которому величина отношения веса бистальных балок к моностальной находится по формуле:
(2)
где - коэффициент учета влияния собственного веса балок; - коэффициент, учитывающий влияние отношения собственного веса бистальной балки к моностальной; - коэффициент, характеризующий соотношение фактических характеристик веса.
Как показали предварительные выводы, строительный коэффициент для бистальных пролетных строений находится в пределах 1,12…1,22, для бисталежелезобетонных - 1,12…1,28, то есть выше, чем для бистальных с ортотропной плитой проезжей части.
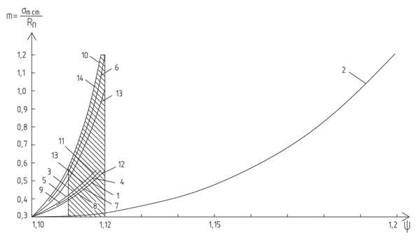
Конструктивный коэффициент для бистальных и бисталежелезобетонных балок в среднем одинаковый и находится в пределах 1,12…1,35, для схемы 1 пролета с значение 1,46. Это свидетельствует об эффективности применения в наборе сталей различной прочности, в том числе высокопрочных (Рис. 3). В среднем отличие от моностальных унифицированных пролетных строений по коэффициентам составило: строительному - 7…10 %, конструктивному - 7…12 % (15 %). Влияние конструктивной формы поперечных сечений на формирование величины строительных и конструктивных коэффициентов говорит о том, что в двутавровых сечениях влияние прочности сталей на изменение размеров элементов сечения сказывается в большей степени, нежели в коробчатых (Рис. 4).
Рис. 3. График зависимости строительного коэффициента от типа пролетного строения:
42+63+42 м | 63+84+63 м | 48+60+48 м | |
1 – схема № 1 | 5 – схема № 1 | 09 – схема № 1 | 13 – схема № 1 |
2 – схема № 2 | 6 – схема № 2 | 10 – схема № 2 | 14 – схема № 2 |
3 – схема № 3 | 7 – схема № 3 | 11 – схема № 3 |
|
4 – схема № 4 | 8 – схема № 4 | 12 – схема № 4 |
|
Рис. 4. График зависимости строительного коэффициента от отношения пределов прочности стали стенки к стали пояса для пролетных строений:
Доказательством тому может служить эффект работы коробчатого сечения за пределом упругости, в большей мере проявляющийся при пролетах 120…200 м и выше, тогда как в пролетных строениях с бистальными балками двутаврового сечения эффект упругопластической работы проявляется уже при пролетах 40 м и выше (Рис. 5).
Рис. 5. График зависимости строительного коэффициента от длины пролетного строения
ВЫВОД
Рассчитанные конструктивные и строительные коэффициенты для различных сочетаний металлов в пролетных строениях демонстрируют преимущества применения бистальных и бисталежелезобетонных балок в мостовых сооружениях. При этом анализ программы расчета и полученных результатов указал на необходимость расширения границ упругопластической работы стенки двутавровых и коробчатых бистальных балок с целью получения дополнительной экономии металла и совершенствования критерия предельных состояний.
Авторы заявляют, что:
- У них нет конфликта интересов.
- Настоящая статья не содержит каких-либо исследований с участием людей в качестве объектов исследований.
About the authors
Igor A. Petrushenko
Peter the Great St. Petersburg Polytechnic University
Author for correspondence.
Email: petrushenko.ia@edu.spbstu.ru
ORCID iD: 0000-0002-1236-0260
SPIN-code: 8891-7878
student
Russian Federation, 195251, St.Petersburg, Polytechnicheskaya, 29Gleb A. Averchenko
Peter the Great St. Petersburg Polytechnic University
Email: averchenko_ga@spbstu.ru
ORCID iD: 0000-0001-8813-545X
SPIN-code: 1707-9958
Scopus Author ID: 57216628688
ResearcherId: AAI-2145-2020
student
Russian Federation, 195251, St.Petersburg, Polytechnicheskaya, 29References
- Картопольцев В.М. Применение бистальных балок в пролетных строениях автодорожных мостов: специальность 05.23.15: автореферат диссертации на соискание ученой степени доктора технических наук / Картопольцев Владимир Михайлович. – Ленинград, 1991. − С. 5−11. [Kartopol'cev VM. Primenenie bistal'nyh balok v proletnyh stroenijah avtodorozhnyh mostov : special'nost' 05.23.15 : avtoreferat dissertacii na soiskanie uchenoj stepeni doktora tehnicheskih nauk. Kartopol'cev Vladimir Mihajlovich. 1991;5-11. (In Russ.)]. Ссылка активна на: 07.12.2021. Доступно по: https://dlib.rsl.ru/01000298430
- Ермошин Н.А., Лазарев Ю.Г., Егошин А.М., Змеев А.Т. Планирование развития дорожной сети с учетом принципов многокритериальной оптимизации // Путевой навигатор. − 2019. − №38(64). − С. 24–31. [Ermoshin NA, Lazarev YuG, Egoshin AM, Zmeev AT. Planirovanie razvitiya dorozhnoi seti s uchetom printsipov mnogokriterial'noi optimizatsii. Path navigator. 2019;(38(64)):24-31. (In Russ.)]. Ссылка активна на: 07.12.2021. Доступно по: https://elibrary.ru/item.asp?id=37285708
- Аверченко Г.А., Огурцов Г.Л. Перспективы использования композитного материала в мостостроении // IV Международная научно-практическая конференция: «Фундаментальная и прикладная наука: состояние и тенденции развития»; Апрель 3, 2019; Петрозаводск. [Averchenko GA, Ogurtsov GL. Composite material in bridge construction - the way to perfection. (Conference proceedigs) IV Mezhdunarodnaya nauchno-prakticheskaya konferentsiya: “Fundamental'naya i prikladnaya nauka: sostoyanie i tendentsii razvitiya”; 2019 Apr 3; Petrozavodsk (In Russ.)]. Ссылка активна на: 23.12.2020. Доступно по: https://elibrary.ru/item.asp?id=41475166
- Русаков М.Н., Исмаилов А.М. Стирол-бутадиен-стирольные полимеры для автодорожного строительства в Российской Федерации // Строительство уникальных зданий и сооружений. – 2020. – №2(87). – С. 23–40. [Rusakov MN, Ismailov AM. Styrene-butadiene-styrene polymers for road construction in the Russian Federation. Construction of Unique Buildings and Structures. 2020;(2(87)):23-40. (In Russ.)]. Ссылка активна на: 09.12.2021. Доступно по https://www.elibrary.ru/item.asp?id=44507829
- Урчева Ю.А., Холоднов В.А., Сыроежко А.М. и др. Компромиссная оценка предпочтительности полимеров типа стирол-бутадиен-стирол, используемых при производстве полимерно-битумного вяжущего, с использованием нечетких множеств // Известия Санкт-Петербургского государственного технологического института (технического университета). – 2020. – № 55. – С. 97–102. [Urcheva JA, Holodnov VA, Syroezhko AM, et al. Compromise assessment of the preference of styrene-butadiene-styrene copolymers, used in the production of polymer-modified bitumen, using fuzzy sets. Bulletin of the St. Petersburg State Institute of Technology (Technical University). 2020;(55):97-102. (In Russ.)]. doi: 10.36807/1998-9849-2020-55-81-97-102
- Аверченко Г.А., Борисов В.А., Гуга Н.А., и др. Феноменологический метод прогнозирования оценки механических свойств полимерных композиционных материалов / В сборнике: региональные аспекты развития науки и образования в области архитектуры, строительства, землеустройства и кадастров в начале III тысячелетия. Материалы Международной научно-практической конференции / Под ред. Сысоева О.Е. – 2020. – С. 158–160. [Averchenko GA, Borisov VA, Guga NA, et al. Phenomenological method for forecasting the estimation of the mechanical properties of polymeric composite materials. In: Regional'nye aspekty razvitija nauki i obrazovanija v oblasti arhitektury, stroitel'stva, zemleustrojstva i kadastrov v nachale III tysjacheletija. Materialy Mezhdunarodnoj nauchno-prakticheskoj konferencii. Editor Sysoev OE. 2020:158–160. (In Russ.)]. Ссылка активна на: 07.12.2021. Доступно по: https://www.elibrary.ru/item.asp?id=44864573
- Пискун А.С., Ганец Г.В., Аверченко Г.А. Методы натурного обследования железобетонного моста на примере моста через реку Косопаша // Вестник МГСУ. – 2020. – Т. 15. – № 7. – С. 957–967. [Piskun AS, Ganec GV, Averchenko GA. Methods of on-site inspection of a reinforced concrete bridge exemplified by the bridge over the river Kosopasha. Vestnik MGSU. 2020;15(7):957-967. (In Russ.)]. Ссылка активна на: 07.12.2021. Доступно по: https://www.elibrary.ru/item.asp?id=44349001
- Аверченко Г.А., Павленко А.Д., Зорина Е.А., Наборщикова Д.Н. Строительство водопропускных труб методом продавливания готовых звеньев в насыпь // Транспортные системы и технологии. – 2020. – Т. 6. – № 4. – С. 45–60. [Averchenko GA, Pavlenko AD, Zorina EA, Naborshhikova DN. Construction of culverts by pushing the finished links into the embankment. Transportation systems and technology. 2020;6(4):45-60. (In Russ.)]. doi: 10.17816/transsyst20206445-60
- Аверченко Г.А., Огурцов Г.Л. Перспективы использования композитного материала в мостостроении / В сборнике: Фундаментальная и прикладная наука: состояние и тенденции развития. Cборник статей II Международной научно-практической конференции. – 2019. – С. 229–231. [Averchenko GA, Ogurcov GL. Composite material in bridge construction – the way to perfection. V sbornike: Fundamental'naja i prikladnaja nauka: sostojanie i tendencii razvitija. sbornik statej II Mezhdunarodnoj nauchno-prakticheskoj konferencii. 2019:229-231. (In Russ.)]. Ссылка активна на 07.12.2021. Доступно по: https://www.elibrary.ru/item.asp?id=41475166
- Alekseytsev AV, Al Ali M. Optimization of hybrid I-beams using modified particle swarm method. Magazine of Civil Engineering. 2018;7(83):175-185. [cited 09 Dec 2021] Available from: https://www.elibrary.ru/item.asp?id=37319133
- Абаев А.С. Технико-экономическое сравнение вариантов моностальной и бистальной стропильных ферм // Молодой исследователь Дона. – 2018. – № 2(11). – С. 2–4. [Abaev AS. Techno-economic comparison of options of monosteel and bisteel roof trusses. Molodoj issledovatel' Dona. 2018;(2(11)):2-4. (In Russ.)]. Ссылка активна на: 07.12.2021. Доступно по: https://www.elibrary.ru/item.asp?id=34971629
- Картопольцев В.М., Картопольцев А.В. Разработка перспективных (гибридных) конструкций пролетных строений мостов из сталей различной прочности // Вестник ТГАСУ. – 2017. – № 3. – 67 с. [Kartopol'cev VM, Kartopol'cev AV. Hybrid design of bridge span structures made of different strength steel. Vestnik TGASU. 2017;(3):67. (In Russ.)]. Ссылка активна на: 07.12.2021. Доступно по https://www.elibrary.ru/item.asp?id=29345496
- Федотова Е.А., Акопьян К.А., Леонова А.Н. Специальные типы составных балок // Глобус: технические науки. – 2019. – № 6. – 30 с. [Fedotova EA, Akop'jan KA, Leonova AN. Special'nye tipy sostavnyh balok. Globus: tehnicheskie nauki. 2019;(6):30. (In Russ.)]. Ссылка активна на: 07.12.2021. Доступно по https://www.elibrary.ru/item.asp?id=44306230
- Зорина Е.А., Ким Д.У., Аверченко Г.А., Уколов С.А. Устойчивость конструкций автодорожных и железнодорожных мостов при вынужденных колебаниях стержневых систем // Путевой навигатор. – 2021. – № 47(73). – С. 39–47. [Zorina EA, Kim DU, Averchenko GA, Ukolov SA. Ustojchivost' konstrukcij avtodorozhnyh i zheleznodorozhnyh mostov pri vynuzhdennyh kolebanijah sterzhnevyh sistem. Path Navigator. 2021;(47(73)):39-47. (In Russ.)]. Ссылка активна на: 07.12.2021. Доступно по https://www.elibrary.ru/item.asp?id=46208591
- Аверченко Г.А., Баланин А.П., Борисов В.А., и др. Использование жесткой нити в качестве несущего элемента покрытий больших пролетов / В сборнике: Неделя науки ИСИ. Материалы всероссийской конференции в 3-х частях. Инженерно-строительный институт Санкт-Петербургского политехнического университета Петра Великого. – 2021. – С. 227–229. [Averchenko GA, Balanin AP, Borisov VA, et al. Ispol'zovanie zhestkoj niti v kachestve nesushhego jelementa pokrytij bol'shih proletov. V sbornike: Nedelja nauki ISI. Materialy vserossijskoj konferencii v 3-h chastjah. Inzhenerno-stroitel'nyj institut Sankt-Peterburgskogo politehnicheskogo universiteta Petra Velikogo. 2021:227-229. (In Russ.)]. Ссылка активна на: 07.12.2021. Доступно по https://www.elibrary.ru/item.asp?id=46294823
- Алексеев С.В., Шевченко С.М., Трифонова А.А. Выявление наиболее надежных конструкций деформационных швов // Путевой навигатор. – 2021. – № 46(72). – С. 36–43. [Alekseev SV, Shevchenko SM, Trifonova AA. Vyjavlenie naibolee nadezhnyh konstrukcij deformacionnyh shvov. Path Navigator. 2021;(46(72)):36-43. (In Russ.)]. Ссылка активна на: 07.12.2021. Доступно по https://www.elibrary.ru/item.asp?id=45154681
Supplementary files









