Computer simulation of long line with loss in steady harmonic mode at active load
- Authors: Krivorotova V.V.1
-
Affiliations:
- Irkutsk State University of Railways
- Issue: Vol 8, No 2 (2022)
- Pages: 55-69
- Section: Original studies
- URL: https://transsyst.ru/transj/article/view/109063
- DOI: https://doi.org/10.17816/transsyst20228255-69
- ID: 109063
Cite item
Full Text
Abstract
Background: The implementation of projects to create long-range power systems requires the greatest possible study of not only the technical feasibility of long lines, but also the features of energy transmission along these lines. Such studies can be carried out in the field, using a physical experiment or using computer simulation. The first is limited by the complexity of the experiment, the lack of access to real measurements. Unlike a physical experiment, computer simulation is devoid of these problems: it makes it quite easy not only to model a long line, but also to study it under various operating modes. The practical significance of this work is the applicability of the proposed method in the educational process when students of energy specialties of transport universities perform research on lines with distributed parameters to solve subsequent problems in the development or development of new energy systems of great extent.
Aim: Building a computer model of a long line and developing a method for studying various modes of its operation under various loads, including idling and short circuit.
Methods: Computer modelling.
Results: A computer model of a line with distributed parameters has been constructed, which allows one to study it under various modes.
Conclusion: As part of the development of energy systems, the relevance of developing and modeling new methods for studying various modes in such circuits increases many times over. At the same time, newly developed methods should be applicable in the educational process. The article describes computer simulation and study of a long line under various active loads of the distribution of the effective value of the voltage along the line during its transmission, equal to half the wavelength (half-wave line). Research in this direction has not only scientific significance, but also practical, since it is possible to reasonably develop new models of long lines, as well as solve problems in the field of studying non-stationary (transient) operating modes of long lines.
Keywords
Full Text
ВВЕДЕНИЕ
Задача анализа процессов в линии при передаче по ней сигналов относится к числу задач о распространении электромагнитной энергии в неоднородных средах. В большинстве случаев, идеализируя условие задачи, полагают, что электромагнитная энергия распространяется в пространстве, однородность которого нарушена лишь введением проводов. Свойства последних существенно отличаются от свойств их диэлектрической среды. При этом, также идеализируя условие задачи, в большинстве случаев полагают, что линия однородна, т.е. конструктивные данные линии (материал и диаметр проводов, из взаимное расположение и т.д.) сохраняются неизменными по всей длине линии [1–3]. Таким образом, линию рассматривают как направляющую систему, вдоль которой от передатчика к приемнику распространяется электромагнитная энергия. Подобный подход принципиально важен не только потому, что он позволяет строго сформулировать задачу анализа электромагнитного состояния рассматриваемой направляющей системы и найти правильный путь ее решения, но и дает общее физическое истолкование процессам передачи сигналов в этих системах.
Аналитическое решение соответствующей системы уравнений возможно при некоторых упрощающих предположениях. Кроме того, оконечные и промежуточные устройства линии представляют собой электрические цепи с заданными частотными (временными) характеристиками. Поэтому задача анализа процессов передачи сигналов в длинных линиях решается методами теории электрических цепей [4, 5].
Для цепи с распределенными параметрами характерны неодинаковые токи в различных ее точках вследствие наличия токов смещения между отдельными частями цепи и токов проводимости из-за несовершенной изоляции. При этом сами цепи характеризуют их параметрами, а процессы в них – напряжениями и токами, которые зависят от двух переменных: временной и пространственной координаты [6].
Известно, что для получения соотношений, определяющих процессы в длинных линиях, используют первичные параметры: сопротивление проводов R0 (Ом/км), их индуктивность L0 (Гн/км), проводимость изоляции G0 (1/Ом·км), емкость проводов С0 (Ф/км) [7]. Физически эти параметры представляют те же свойства цепи, что и в цепях с сосредоточенными параметрами.
На практике в отдельных случаях некоторые первичные параметры можно не принимать во внимание. Например, для короткого отрезка линии с высококачественной изоляцией между проводами практически выполняется допущение G0 = 0. Такие линии применяются для соединения радиоприемников и передатчиков с антенной, в качестве линии задержки сигнала.
ТЕЛЕГРАФНЫЕ УРАВНЕНИЯ
Рассмотрим участок с электрической тягой на переменном токе вдоль железнодорожного полотна, на которой расположены контактные провода и питающие их высоковольтные линии. К решению задачи применим теорию цепей, приняв некоторые допущения:
– неизменность по всей длине линии конструктивных и электрических характеристик (материала, поперечного сечения проводов, их взаимного расположения, диэлектрической проницаемости среды, температуры и т. д.);
– геометрические размеры линии в поперечном сечении малы по сравнению с длиной волны колебания, проходящего по ней;
– длина линии намного превышает расстояние между проводниками.
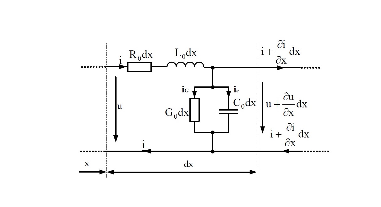
Известно, что напряжение и ток в любой точке линии являются функциями как времени t, так и расстояния x от одного из конца линии. Для решения задачи о распределении токов и напряжений в однородной линии, являющихся функциями этих двух независимых переменных, составим дифференциальные уравнения, связывающие в некоторый момент мгновенные значения токов и напряжений в элементе линии длиной dx, удаленном на расстояние x от начала линии.
Пусть известны параметры однородной цепи (линии), отнесенные к единице ее длины: R0, L0, G0, C0. Обозначим мгновенные значения напряжения и тока в начале рассматриваемого элемента линии dx соответственно через u и i, а вначале следующего элемента – через и , выбрав положительные направления тока и напряжения (Рис. 1).
Рис. 1. Г-образная схема замещения однородной длинной линии
На основании второго закона Кирхгофа для элемента линии длиной dx можно записать следующее уравнение:
(1)
Данное уравнение содержит частные производные по времени и по пространственной координате .
Преобразуем, разделим все выражение на dx, получим первое телеграфное уравнение
(2)
т.е. скорость изменения напряжения вдоль линии зависит как от тока, так и от скорости его изменения.
Теперь воспользуемся первым законом Кирхгофа для узла 1:
(3)
где – ток через проводимость изоляции между проводами, равный
(4)
так как – пренебрежимо мало.
Известно, что ток через конденсатор iC определяется выражением
В нашем случае
так как – пренебрежимо мало.
Подставляя последних два выражения в первый закон Кирхгофа для узла 1, получим
Разделим это выражение на dx и выразим частную производную по току и получим второе телеграфное уравнение:
т.е. скорость изменения тока зависит от величины падения напряжения и от скорости его изменения.
Уравнения (2) и (7) называются телеграфными, так как впервые были получены для линий телеграфной связи. Эти уравнения носят универсальный, всеобщий характер [8].
Несмотря на внешнюю простоту телеграфных уравнений, их аналитическое решение для произвольных сопротивлений генератора и нагрузки и сигнала произвольной формы отсутствует. Положение существенно упрощается, если решать телеграфные уравнения для установившегося режима гармонических колебаний в линии. Дело в том, что для этого режима заранее известен закон изменения напряжений и токов во времени в любом сечении линии. Из телеграфных уравнений остается найти лишь законы изменения с расстоянием x амплитуд и начальных фаз колебаний. Поскольку последние зависят лишь от одной переменной х, телеграфные уравнения переходят из уравнений в частных производных в обыкновенные дифференциальные уравнения, что ведет к существенному упрощению их решения.
ТЕЛЕГРАФНЫЕ УРАВНЕНИЯ ПРИ УСТАНОВИВШЕМСЯ РЕЖИМЕ ГАРМОНИЧЕСКОГО ПЕРЕМЕННОГО ТОКА
Основываясь на спектральном методе анализа процессов в линейных цепях, ограничимся случаем гармонического воздействия на входе линии. При этом использование символического метода расчета гармонических напряжений и токов в длинной линии позволяет ограничиться рассмотрением производных только по одной пространственной координате [9, 10]. Следовательно, данный метод анализа позволяет описывать волновые процессы в длинной линии с помощью обыкновенных дифференциальных уравнений [11, 12].
Воспользуемся символическим методом анализа гармонических колебаний, для чего обозначим комплексные напряжения и токи в начале и в конце отрезка , ,
Тогда телеграфные уравнения примут вид:
Здесь – продольное комплексное сопротивление. Тогда получим первое телеграфное уравнение при установившемся режиме гармонического переменного тока:
Для тока
В формуле (10) величина – поперечная комплексная проводимость.
Отсюда второе телеграфное уравнение в комплексном виде:
Распространение волны напряжения вдоль линии характеризуется двумя вторичными параметрам коэффициент распространения и волновое сопротивление :
где – коэффициент затухания,
– коэффициент фазы.
При этом фаза
Отсюда можно определить предельные значения этих параметров частных случаев (на постоянном токе и при бесконечно большой частоте):
- при и при фаза будет равна нулю: ;
- при волновое сопротивление равно :
- при волновое сопротивление:
КОМПЬЮТЕРНОЕ МОДЕЛИРОВАНИЕ В ПРОГРАММНОЙ СРЕДЕ MULTISIM
Компьютерное моделирование осуществлялось в программной среде Muttisim 11 [13]. Программа позволяет подключать к разработанной в ее среде схеме виртуальные инструменты, которые представляют собой программные модели контрольно-измерительных приборов, соответствующих реальным. Использование виртуальных приборов в Multisim - это простой и понятный метод взаимодействия со схемой, почти не отличающийся от традиционного при тестировании или создании радиоэлектронного устройства. Multisim предоставляет большое количество виртуальных инструментов, которые можно использовать для измерений и исследования поведения разрабатываемых электрических схем.
Схема (Рис. 2) содержит встроенную модель длинной линии с потерями (LOSSY_TRANSMITTION_LINE, группа Misc). Первичные параметры линии имеют следующие значения: R0=0,1 Ом/км; L0=1 мкГн/м; G0=0 См/м; C0= 1 пФ/м.
Рис. 2. Компьютерная модель длинной линии в 1 м
Гармонический сигнал генератора амплитудой 1 В подается в начало (вход) линии длиной 1 м. На конце линии (выходе) включена активная нагрузка RH. Высокочастотный вольтметр V1 измеряет действующее значение входного сигнала, а мгновенное значение отображается по каналу «А» осциллографа.
Выходной сигнал можно снимать через каждые 62,5 мм, т.е. линия разбита на 16 одинаковых участков, пронумерованных от конца. Подключение к исследуемой точке реализуется с помощью трех 6-позиционных переключателей А, В, С, соединенных последовательно. В крайне левом положении ключа А происходит его соединение с ключом В, а затем в крайне левом положении ключа В происходит его соединение с ключом С. Таким образом, высокочастотный вольтметр V2 измеряет действующее значение напряжения в точке линии, соответствующей положению ключей, а мгновенное значение отображается по каналу «В» осциллографа.
Вначале определим частоту генератора, при которой длина линии будет равна половине длине волны. Для этого, наблюдая сигнал на осциллографе (Рис. 3), изменяли частоту генератора: входное и выходное напряжения должны оказаться в противофазе. Данный способ достаточно точный, однако требует наличие высокочастотного осциллографа и при большой длине линии возникают затруднения, т.к. требуется одновременное подключение к началу и концу линии. Эта частота составляет 500 МГц.
Рис. 3. Осциллограмма входного и выходного напряжений при
Альтернативным способом определения частоты генератора, при которой длина линии будет равна половине длине волны, является следующий способ: при холостом ходе на конце линии подбирают такую частоту генератора, при которой показания V1 будут близкими к нулю. Данная частота будет соответствовать четвертьволновой линии. Следовательно, полученное значение частоты надо увеличить в два раза. Этот способ не так точен, но проще в реализации на практике, т.к. не требует доступа к концу линии [14].
Для исследования линии в согласованном режиме, используя исходные данные (L0=1 мкГн/м; C0= 1 пФ/м) и пренебрегая потерями, рассчитаем волновое сопротивление линии:
Задаем полученное значение резистору , с помощью переключателей меняем подключение вольтметра V2, проводим измерения напряжения во всех точках линии, начиная с конца.
Далее повторяем измерения при следующих режимах:
- значение RH в 2 раза меньше ;
- значение RH в 2 раза больше ;
- значение RH=1 ГОм (холостой ход).
Результаты измерений представлены в Табл.
Таблица. Результаты эксперимента
Расстояние от конца у, см
| Точка линии | V2, В при Rн равном: | |||
ZВ, Ом | ZВ/k, Ом | ZВ·k, Ом | ХХ | ||
100 | вход (V1) | 0,642 | 0,585 | 0,682 | 0,707 |
93,75 | 15 | 0,642 | 0,621 | 0,663 | 0,693 |
87,5 | 14 | 0,641 | 0,706 | 0,635 | 0,652 |
81,25 | 13 | 0,642 | 0,816 | 0,59 | 0,587 |
75 | 12 | 0,642 | 0,93 | 0,532 | 0,499 |
68,75 | 11 | 0,641 | 1,03 | 0,467 | 0,392 |
62,5 | 10 | 0,64 | 1,107 | 0,403 | 0,27 |
56,25 | 9 | 0,642 | 1,157 | 0,355 | 0,138 |
50 | 8 | 0,641 | 1,173 | 0,336 | 0,00068 |
43,75 | 7 | 0,641 | 1,157 | 0,355 | 0,138 |
37,5 | 6 | 0,64 | 1,107 | 0,403 | 0,27 |
31,25 | 5 | 0,641 | 1,03 | 0,467 | 0,392 |
25 | 4 | 0,642 | 0,929 | 0,532 | 0,499 |
18,75 | 3 | 0,642 | 0,816 | 0,59 | 0,586 |
12,5 | 2 | 0,642 | 0,706 | 0,634 | 0,652 |
6,25 | 1 | 0,642 | 0,621 | 0,663 | 0,692 |
0 | нагрузка | 0,642 | 0,589 | 0,673 | 0,706 |
Зависимости распределения действующих значений напряжений вдоль линии для всех исследованных режимов представлены на Рис. 4.
Рис. 4. Зависимость напряжения U2 от расстояния до конца линии
Проанализируем полученные результаты:
- График действующего значения напряжения U2 в режиме холостого хода наглядно иллюстрирует режим стоячих волн в линии без потерь. Как видно из рис. 3 узлы и пучности напряжения неподвижны.
Известно, что для линии без потерь вторичные параметры определяются следующим образом:
Коэффициент распространения в этом случае оказывается чисто мнимой величиной. Учитывая, что и , то выражения для сумм напряжений и токов падающей и отраженных волн примут вид
Характерным для линий без потерь является чисто активное их волновое сопротивление, а фазовая скорость не зависит от частоты тока.
Как известно, в режиме холостого хода на конце нет приемника. Поскольку в самой линии потерь нет, энергия падающей волны при отсутствии приемника на конце израсходована быть не может и полностью возвращается в виде отраженной волны.
В установившемся режиме в линии с разомкнутыми или замкнутыми концами одновременно существуют два равных по значению потока энергии, движущихся во встречных направлениях. Энергия, воспринятая линией от генератора, через время возвращается обратно в генератор. Распределение напряжения и тока вдоль линии при этом определяется соотношениями (с учетом ):
Из этих выражений следует, что каждой точке линии соответствуют свои значения и . При этом, при одних x они достигают максимума и , а при других – нуля. Эти выражения определяют режим стоячих волн в линии. В практике такой режим характерен для радиоантенн.
Со стороны входа линия ведет себя как реактивное сопротивление и значение его определяется как При холостом ходе
При , что соответствует (четвертьволновый отрезок линии), при этом входное сопротивление разомкнутого отрезка линии равно нулю: .
- В режиме согласованной нагрузки (режим бегущей волны) в линии существует только прямая волна. На Рис. 3 видим, что действующее значение напряжения U2 практически не меняется [15].
В этом режиме , коэффициент отражения В линии нет отраженных волн, поэтому в соотношениях, определяющих связи между напряжениям и токами, пропадают слагаемые, соответствующие этим волнам.
Тогда выражения (20) и (21) примут вид:
Входное сопротивление
- При произвольной нагрузке (ZВ/k, ZВ·k) действующее значение напряжения меняется
В этом случае, при , .
Тогда выражения (20) и (21) примут вид:
Отсюда входное сопротивление
Таким образом, четвертьволновая линия без потерь может быть использована как трансформатор для согласования сопротивлений.
ВЫВОДЫ
Исследование различных режимов работы линий с распределенными параметрами является одной из важнейших задач развития современных энергетических систем. Подобные исследования могут проводится в полевых условиях, с применением физического эксперимента или с помощью компьютерного моделирования. В рамках учебного процесса студентов энергетических специальностей транспортных ВУЗов необходимо учитывать применимость того или иного метода. Предлагаемый метод исследования длинной линии с помощью программного продукта Multisim в отличие от первого варианта, который достаточно сложен в реализации и во многих случаях – не выполним, позволяет исследовать длинную линию в разных режимах. В данной статье проведены исследования режимов согласованной и различной активной нагрузки, а также холостой ход; проведен анализ и корреляция с теоретическими выкладками полученных экспериментальных зависимостей действующего напряжения от расстояния до конца линии. Не ограничиваясь данными исследованиями, разработанная модель позволяет выполнить исследования и в других режимах, например, таких как короткое замыкание, реактивная нагрузка и т.д., а также предусмотреть различные влияющие факторы и исследовать переходные процессы. Результаты, изложенные в данной статье, могут быть использованы в учебном процессе студентов для создания на их основе виртуальных лабораторных работ по компьютерному моделированию различных режимов работы однородной длинной линии.
Автор заявляет, что настоящая статья не содержит каких-либо исследований с участием людей в качестве объектов исследований.
About the authors
Victoria V. Krivorotova
Irkutsk State University of Railways
Author for correspondence.
Email: vvk_xapga@mail.ru
ORCID iD: 0000-0003-0801-9112
SPIN-code: 6566-5620
Candidate of Physical and Mathematical Sciences, Associate Professor
Russian Federation, IrkutskReferences
- Волощенко П.Ю., Волошенко Ю.П., Мальков С.Б. Моделирование композиции сигналов в одномерной электронной цепи // Известия ЮФУ. Технические науки. – 2015. – №11 (172). – С. 10–18. [Voloshchenko PYu, Voloshenko YuP, Malkov SB. Modeling of Signal Composition in a One-Dimensional Electronic Circuit. Izvestiya SFedU. Engineering Sciences. 2015;11(172):10-18. (In Russ.)]. Ссылка активна на 16.06.2022. Доступна по: https://www.elibrary.ru/item.asp?id=25607279
- Баламетов А.Б., Халилов Э.Д. Моделирование режимов электрических сетей на основе уравнений установившегося режима и теплового баланса // Энергетика. Известия высших учебных заведений и энергетических объединений СНГ. – 2020. – №1. – С.66–80. [Balametov AB, Khalilov ED. Modeling of Electric Grid Modes Based on Steady-state Equations and Thermal Balance. Energetika. Proceedings of CIS Higher Education Institutions and Power Engineering Associations. 2020;1:66-80. (In Russ.)]. doi: 10.21122/1029-7448-2020-63-1-66-80
- Рахимов О.С., Мирзоев Д.Н. Определение потерь электроэнергии моделированием низковольтных сельских электрических сетей // Известия ТулГУ. Технические науки. – 2020. – №4. – С. 440–449. [Rakhimov OS, Mirzoev DN. Determination of Electricity Loss by Modeling Low Voltage Rural Electric Networks. Izvestiya TulGU. Tekhnicheskiye nauki. 2020;4:440-449. (In Russ.)]. Ссылка активна на 19.06.2022. Доступна по: https://www.elibrary.ru/item.asp?id=42926618
- Варганова А.В., Ирихов А.С. Оценка надежности внешнего электроснабжения сетей 6-10 кВ с источниками распределенной генерации // Электротехнические системы и комплексы. – 2021. – №3 (52) . – С.22–27. [Varganova AV, Irikhov AS. Assessment of Reliability of External Power Supply of 6-10 kV Networks with Distributed Generation Sources. Electrotechnical systems and complexes. 2021;3(52):22-27. (In Russ.)]. doi: 10.
- Илюшин П.В. Комплексное моделирование электрических режимов в сетях внешнего и внутреннего электроснабжения предприятий с собственной генерацией // Вестник ИрГТУ. – 2018. – №4 (135) . – С.122–135. [Ilyushin PV. Complex Modeling of Electrical Modes in External and Internal Power Supply Networks of Enterprises with Their Own Generation. Proceedings of Irkutsk State Technical University. 2018;4(135):122-135. (In Russ.)]. doi: 10.21285/1814-3520-2018-4-122-13518503/2311-8318-2021-3(52)-22-28
- Атабеков Г.И. Теоретические основы электротехники. Линейные электрические цепи: учебное пособие для вузов. Изд. 10-е, стер. – СПб.; Лань, 2021. – 592 с. [Atabekov GI. Teoreticheskiye osnovy elektrotekhniki. Lineynyye elektricheskiye tsepi: uchebnoe posobiye dlay vuzov. 10th ed., erase. St. Petersburg: Lan, 2021. 592 p. (In Russ.)]. Ссылка активна на 19.06.2022. Доступна по: https://e.lanbook.com/book/155669
- Атабеков Г.И. Основы теории цепей: учебник. Изд. 6-е, стер. – СПб: Лань, 2021. – 424 с. [Atabekov GI. Osnovy teorii tsepey: uchebnik. Ed. 6rd, erase. St. Petersburg: Lan, 2021; 424 p. (In Russ.)]. Ссылка активна на 19.06.2022. Доступна по: https://e.lanbook.com/book/155668
- Ласый П.Г., Мелешко И.Н. Приближенное решение смешанной задачи для телеграфного уравнения с однородными краевыми условиями первого рода с помощью специальных функций // Энергетика. Известия высших учебных заведений и энергетических объединений СНГ. – 2021. – №2. – С.152–163. [Lasy PG, Meleshko IN. Approximate Solution of a Mixed Problem for a telegraphic equation with homogeneous boundary conditions of the first kind using Special Functions. Energetika. Proceedings of CIS Higher Education Institutions and Power Engineering Associations. 2021;2:152-163. (In Russ.)]. doi: 10.21122/1029-7448-2021-64-2-152-163
- Шебес М.Р., Каблукова М.В. Задачник по теории линейных электрических цепей: учеб. пособ. для электротехн., радиотехн. специальностей вузов. 4-е изд., переб. и доп. – М.: Высш. шк., 1990. – 544 с. [Shebes MR, Kablukova MV. Zadachnik po teorii lineynykh elektricheskikh tsepey: ucheb. posob. dlya elektrotekhn.. radiotekhn. spetsialnostey vuzov. 4th ed., Pereb. and additional. Moscow: Vysh. shk., 1990. 544 p. (In Russ.)]. Ссылка активна на 19.06.2022. Доступна по: http://library.tuit.uz/knigiPDF/tex/1-743.pdf
- Белецкий А.Ф. Теория линейных электрических цепей: учебник. – 3-е изд., стер. СПб.: Лань, 2022. 544 с. [Beleczkij A.F.. Teoriya lineynykh elektricheskikh tsepey: uchebnik. 3th ed., St. Petersburg: Lan, 2022. 544 p. (In Russ.)]. Ссылка активна на 19.06.2022. Доступна по: https://e.lanbook.com/book/209825
- Козлова Е.А. Задача граничного управления для телеграфного уравнения // Вестник Самарского государственного технического университета. Сер: Физ.-мат. науки. – 2012. – №2 (27) . – С.174–177. [Kozlova EA. Boudary Control Problem for the Telegraph Equation. Journal of Samara State Technical University, Ser. Physical and Mathematical Sciences. 2012;2(27):174-177. (In Russ.)]. Ссылка активна на 19.06.2022. Доступна по: https://www.elibrary.ru/item.asp?id=17829832
- Кожанов А.И. Сафиуллова Р.Р. Определение параметров в телеграфном уравнении // Уфимский математический журнал. – 2017. – №1. – С.63–74. [Kozhanov AI, Safiullova RR. Determination of Parameters in Telegraph Equation. Ufa Mathematical Journal. 2017;1:63-74. (In Russ.)]. Ссылка активна на 19.06.2022. Доступна по: https://www.elibrary.ru/item.asp?id=29009896
- Профессиональная и образовательная среда схемотехнического проектирования [Professionalnaya i obrazovatelnaya sreda skhemotekhnicheskogo proyektirovaniya [Internet] (In Russ.)]. Ссылка активна на: 30.01.2022. Доступно по: http://russia.ni.com/multisim
- Криворотова В.В. Теория линейных электрических цепей: учеб. пособ. – Иркутск: ИрГУПС, 2017. – 180 с. [Krivorotova VV. Teoriya lineynykh elektricheskikh tsepey: ucheb.posob. Irkutsk: IrGUPS, 2017. 180 p. (In Russ.)]. Ссылка активна на 19.06.2022. Доступна по: https://e.lanbook.com/book/134693
- Воронина Е.В., Хлебникова М.В., Хлебникова Н.В. Особенности расчета потерь электроэнергии в кабельных электрических сетях // Молодой исследователь Дона. – 2018. – № 4 (13). – С. 40–45. [Voronina EV, Khlebnikova MV, Khlebnikova NV. Features of calculating electricity losses in cable electric networks. Young Don Researcher. 2018;4(13):40-45. (In Russ.)]. Ссылка активна на 19.06.2022. Доступна по: https://www.elibrary.ru/item.asp?id=35412234
Supplementary files








