The design of the magnetic suspension control system cargo platform
- Authors: Kireev A.V.1, Kozhemyaka N.М.1, Kononov G.N.1
-
Affiliations:
- Joint-stock company “Scientific and Technical Center “PRIVOD-N”
- Issue: Vol 8, No 3 (2022)
- Pages: 123-141
- Section: Original studies
- URL: https://transsyst.ru/transj/article/view/110391
- DOI: https://doi.org/10.17816/transsyst202283123-141
- ID: 110391
Cite item
Full Text
Abstract
Background: The paper discusses the features of building a control system for an electro-magnetic suspension of a cargo platform. The operating conditions of cargo systems are associated with a large range of changes in the mass of the cargo and an abrupt change in the voltage of the power source. The control structure of the electromagnetic suspension system contains a non-linear unstable object (electromagnet). This greatly complicates the management process.
Aim: The aim of the work is to study the properties of an unstable control object for its representation by an equivalent linear model, which makes it possible to automate the process of controller synthesis in the MATLAB software environment.
Methods. The main research methods are computer modeling, computational studies, analysis of research results.
Results: An approach to the construction of an adaptive control system for an electromagnetic suspension based on the synthesis of a linear controller based on an equivalent linear model of an unstable object is proposed.
Conclusion: The practical significance lies in the fact that the proposed approach can be used to design a control system for the electromagnetic suspension of a cargo platform.
Full Text
ВВЕДЕНИЕ
В отличие от пассажирских магнитолевитационных транспортных систем, где масса пассажиров вносит незначительный вклад в изменение общей массы транспортного средства, грузовая система должна функционировать при кратности изменения массы груза примерно равной km = 2,5 с заданными параметрами качества. Это порождает специфические требования к системе электромагнитного подвеса грузовой транспортной системы, связанные с большим диапазоном изменения и случайным характером массовой нагрузки. Кроме того, согласно концепции построения электротехнического комплекса грузовой магнитолевитационной транспортной системы, изложенной в [1], напряжение питания может скачкообразно изменяться при смене режимов энергоснабжения (при смене источника питания) с кратностью примерно равной kU = 2. К тому же следует учитывать, что система электромагнитного подвеса должна отслеживать изменения профиля пути и компенсировать возникающие динамические нагрузки. В структуре управления системой электромагнитного подвеса содержится нелинейный неустойчивый объект (электромагнит). Это существенно усложняет процесс управления. Перед системой управления на первый план выдвигается задача, состоящая в стабилизации устойчивого состояния объекта, а что касается вопроса о качестве переходных процессов, то он отодвигается на второй план.
Практика проектирования, как правило, прибегает к предварительному анализу и синтезу систем по линеаризованным моделям. Это позволяет воспользоваться весьма развитыми средствами в программе MATLAB/Control System Toolbox, позволяющими автоматизировать синтез и анализ линейных стационарных систем. Далее синтезированные линейные регуляторы проверяются на моделях нелинейных объектов. Если компьютерное моделирование системы с нелинейным объектом выявляет, что процессы не удовлетворяют требованиям, то выполняется подбор параметров линейного регулятора. Такой подход позволяет быстро подбирать алгоритмы управления и отлаживать их на точных моделях.
Применение такого подхода к синтезу системы управления с неустойчивым нелинейным объектом осложняется тем, что для синтеза линейного регулятора необходима линейная модель объекта управления, учитывающая физическую природу процессов. Неустойчивые объекты обладает специфическими свойствами, определяемые внутренней положительной обратной связью [2]. Различные аспекты управления неустойчивыми объектами рассматриваются в ряде работ, например [3, 4].
Качество работы системы магнитного подвеса является определяющим фактором безопасности движения. Повышение качества работы системы требует более глубокого исследования физической природу объекта управления, особенности его строения и функционирования.
В работе рассматриваются особенности построения линейного регулятора для системы с нелинейным неустойчивым объектом управления. В качестве примера использована компьютерная модель одноточечной системы магнитного подвеса. В расчетных экспериментах имитировались возмущающие воздействия, связанные со скачкообразным изменением напряжение питания и изменением массы груза.
ОБЪЕКТ УПРАВЛЕНИЯ
В данной работе в качестве примера рассматривается одноточечная модель электромагнитного подвеса (Рис. 1), состоящая из пассивного ферромагнитного элемента 1, закрепленного на неподвижной конструкции, и силового электромагнитного элемента с U-образным магнитопроводом 2 и обмотками 3, 4, расположенными на его полюсах. Силовой электромагнитный элемент механически соединен с грузом 6. Обмотки 3, 4 получают питание от регулируемого источника напряжения 5. Предполагается, что силовой электромагнитный элемент может перемещаться вдоль оси Z. Начало отсчета 0, совпадает с гранью полюса магнитопровода 2. Текущее значение воздушного зазора δ(t) определяется из следующего выражения:
(1)
где z0 – координата нижней грани ферромагнитного элемента 1;
z(t) – координата перемещения силового электромагнита.
Силовое взаимодействие между пассивным электромагнитным элементом 1 и силовым элементом 2 осуществляется через воздушный зазор при подаче тока в обмотки 3, 4. В модели не учитываются упругие вибрации и динамические деформации в системе.
Рис. 1. Одноточечная модель электромагнитного подвеса
Процессы в одноточечной модели подвеса описываются следующей системой дифференциальных уравнений:
(2)
–
где u(t) - напряжение, прикладываемое к обмотке;
i(t) - ток в обмотке;
z(t) - координата перемещения;
Ψ(i(t),z(t)) - потокосцепление обмотки;
R - активное сопротивление обмотки;
Fz(i(t),z(t)) - подъемная сила электромагнита подвеса;
m - масса груза;
M - масса силового электромагнита;
g - ускорение свободного падения;
t - время, текущее значение.
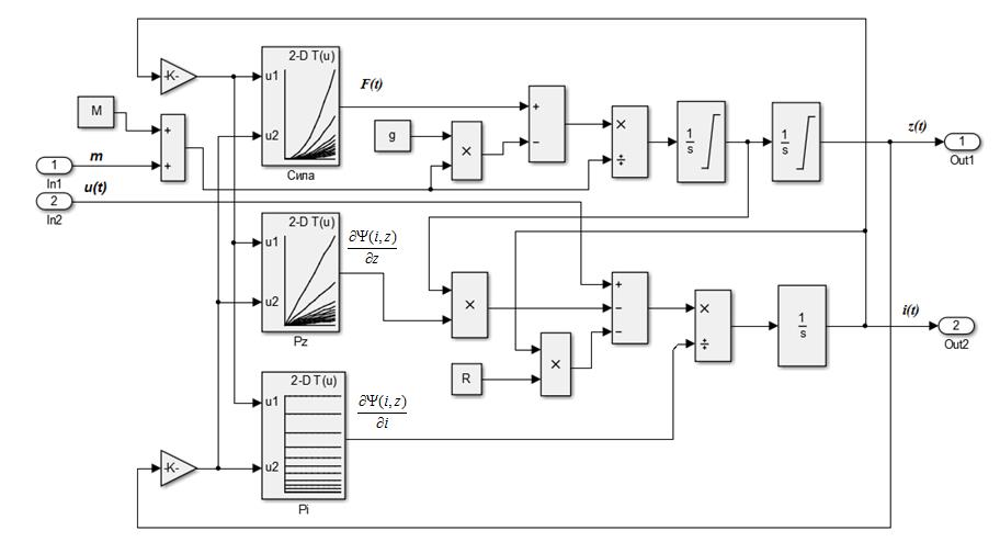
На Рис. 2 приведена Simulink-модель объекта управления. На входе In1 задается значение массы груза m, а на входе In2 сигнал напряжения u(t). На выходах Out1 и Out2 формируются сигналы перемещения z(t) и тока i(t). В модели зависимости Fz(i(t),z(t)), ∂Ψ(i(t),z(t))/∂i, ∂Ψ(i(t),z(t))/∂z, присутствующие в формуле (2), представлены в табличной форме.
Рис. 2. Simulink-модель объекта управления
Их значения получены при проведении 3D FEM анализа на твердотельной модели объекта управления, показанной на Рис. 3а.
Рис. 3. Твердотельная модель объекта управления
Исходные данные, принятые при моделировании:
– магнитопровод силового элемента U-образный ленточный (Рис. 1, позиция 2) типа ПЛ20 х 20 х 40, электротехническая сталь марки 3407, толщина ленты 0,35 мм;
– пассивный ферромагнитный элемент (Рис. 1, позиция 1) квадрат калиброванный 20 х 20, сталь марки Ст.20.
На рисунке 3b приведено семейство зависимостей потокосцепления обмотки от тока и зазора Ψ(i,δ), рассчитанное на твердотельной модели для двух катушечной обмотки, имеющей 539 числом витков, и сопротивлением R = 3,622 Ом при 20°С.
Адекватность модели реальному объекту подтверждена в работе [5].
ОСОБЕННОСТИ УПРАВЛЕНИЯ НЕУСТОЙЧИВЫМ ОБЪЕКТОМ
Для синтеза систем автоматической стабилизации в программной среде MATLAB необходимо представить объект управления в стандартной форме пространства состояний или передаточной функцией, предварительно выполнив линеаризацию исходной нелинейной системы (2). При этом процедура линеаризации неустойчивого объекта должна учитывать сущностные свойства объекта.
Особенность неустойчивого объекта управления состоит в том, что свободное движение происходит без внешнего воздействия при заданном начальном состоянии (т.е. система автономна). Начальное состояние автономной системы является следствием исчезнувших внешних воздействий. Свободное движение автономных систем являются результатом процессов, происходящих в них в силу накопленной ранее энергии.
Автономность объекта управления (отсутствие внешнего воздействия) не позволяет выполнить описание его свойств в стандартной форме как реакции выхода на входное воздействие. Для преодоления данного затруднения объект управления необходимо преобразовать к эквивалентной конфигурации «вход – выход».
Обратим внимание, что начальное заданное состояние электромагнита подвеса, определяется значением тока в обмотке I0, инициирующим переходной процесс. Воспользовавшись этим фактом, дополним модель объекта управления (Рис. 2) контуром задания начального значения тока, как показано на Рис. 4.
Рис. 4. Simulink-модель обобщенного объекта управления
Для задания и стабилизации начального значения тока I0 нелинейная модель объекта управления охвачена отрицательной обратной связью по току. Стабилизация тока осуществляется релейным регулятором, формирующим импульсный сигнал на входе In1 подсистемы модели объекта управления. Амплитуда импульсов определяется напряжением U источника питания. Введение дополнительного контура обратной связи в модель объекта управления позволяет ввести в рассмотрение обобщенный объект управления с двумя входами по току I0 и напряжению U источника питания.
Для исследования свойств обобщенного объекта управления проведен расчетный эксперимент на Simulink-модели обобщенного объекта управления (Рис. 4). Расчетный эксперимент заключался в регистрации переходного процесса перемещении силового элемента 2 с грузом 6 при минимальном значении начального тока I0, инициирующим переходной процесс при заданной массе груза m. Это обеспечивает протекание переходного процесса за счет энергии накопленной ранее в магнитной системе. При запуске расчетной модели параметры переходного процесса записываются в файл блоком To File, подключенного к выходу Out1 модели объекта управления.
В ходе проведения расчетных экспериментов установлено, что обобщенный объект управления, также как и исходный, является неустойчивым. Выявлено важное свойство объекта исследований: параметры переходного процесса практически не зависят от массы груза. Например, на Рис. 5 показаны графики переходных процессов.
Рис. 5. Графики переходных процессов
Эксперимент проведен при: m = 2 кг, I0 = 2,84 А и m = 10 кг, I0 = 5,24 А. Из Рис. 5 следует, что графики переходных процессов практически совпадают. Это позволяет предположить, что структура и параметры искомой эквивалентной линейной модели обобщенного объекта могут быть неизменными в широком диапазоне изменения массы груза при соответствующей коррекции начальных условий.
Основываясь на этом предположении, найдена эквивалентная линейная модель обобщенного объекта управления в форме передаточной функции (3). Для этого выполнена идентификация обобщенного объекта по переходной характеристике [6], полученной в ходе расчетного эксперимента.
(3)
Полученная модель обобщенного объекта позволяет синтезировать линейный регулятор контура стабилизации воздушного зазора, используя приложение Control System Toolbox пакета MATLAB [7].
На Рис. 6 представлен фрагмент программы синтеза регулятора с наблюдателем состояния.
Рис. 6. Фрагмент программы синтеза регулятора
В результате расчета получена передаточная функция Wnr регулятора. Далее синтезированный линейный регулятор проверяется на модели обобщенного объекта управления. Для этого регулятор включается в замкнутый контур стабилизации зазора с обобщенным объектом управления, как показано на Рис. 7. Для сравнения процессов на Рис. 7 так же показан замкнутый контур стабилизации зазора с линейной моделью объекта управления.
Рис. 7. Сравнение замкнутых контуров стабилизации зазора
Расчетный эксперимент, проведенный на модели (Рис. 7) показывает, что реакции замкнутых контуров на ступенчатое задание зазора практически идентичны.
Это позволяет утверждать, что подход к построению системы управления, основанный на синтезе линейного регулятора по эквивалентной линейной модели неустойчивого объекта, обеспечивает устойчивое положение равновесия нелинейного неустойчивого объекта управления с заданными показателями качества в окрестности опорной точки, задаваемой током I0.
ФОРМИРОВАНИЕ АДАПТИВНОГО РЕГУЛЯТОРА
Исследование системы управления в условиях изменяющейся массы груза показало, что заданное качество регулирования обеспечивается в окрестностях рабочей точки, задаваемой током I0. Изменение массы (при I0 = const.) переводит систему в новое состояние равновесия при новых значениях зазора и тока. Система при этом сохраняет устойчивость, а характер переходного процесса практически остается неизменным. Это демонстрируют осциллограммы, приведенные на Рис. 8.
С позиций теории автоматического управления это означает, что при параметрическом возмущении в системе магнитного подвеса возникает статическая ошибка по зазору. Так как масса груза может изменяться в широком диапазоне, то для компенсации возникающей ошибки целесообразно использовать методы адаптивного управления.
Формирование адаптивного регулятора начинается с выделения доступных для коррекции параметров и сигналов в основном контуре регулирования. Возможная стратегия управления состоит в подстройке параметров регулятора из условия минимизации ошибки управления (параметрическая самонастройка). Однако использование алгоритмов адаптации, корректирующих параметры регулятора основного контура, нежелательно, так как влечет за собой изменение динамических свойств системы.
В данной работе предлагается стратегия управления, связанная с введением сигнала коррекции начальных условий по току I0 (сигнальная самонастройка). В основе такого подхода лежит ранее выдвинутое предположении о том, что структура и параметры эквивалентной линейной модели неустойчивого объекта неизменны в широком диапазоне изменения массы груза при соответствующей коррекции задания начальных условий по току I0.
Рис. 8. Осциллограммы переходных процессов
Для реализации предлагаемой стратегии необходимо создание контура задания опорной точки (Setpoint weighting algorithm [8]). Под опорной точкой понимается точка равновесного состояния системы при равенстве подъемной силы и силы тяжести:
(4)
Как следует из (4), чтобы сохранить равновесное состояния при изменении массы груза mгруза и неизменном значении воздушного зазора δзад, необходимо изменить значение тока I0. Таким образом, в качестве сигнала для настройки состояние равновесия системы, может быть выбрать сигнал задания тока I0.
Проведен расчетный эксперимент, на Simulink-модели системы стабилизации воздушного зазора с контуром задания тока I0 (Рис. 9). В ходе эксперимента задавалось значение массы груза m в диапазоне от 2 кг до 16 кг, и находилось значение тока I0, при котором компенсировалась ошибка по зазору еz.
Рис. 9. Simulink-модель системы управления с контуром задания тока I0
На Рис. 10 показана зависимость I0 = f(m) при z = const, U = const, еz = 0.
Рис. 10. График зависимости I0 = f(m)
Таким образом, результаты эксперимента доказывают возможность компенсации ошибки по зазору путем коррекции значений тока I0. Выбор структуры адаптивного регулятора осуществлен в классе беспоисковых самонастраивающихся систем с эталонной моделью [9]. Достоинством данного класса систем является относительная простота реализации и формирование алгоритмов адаптации на основе измеряемых величин.
Как известно в системах с эталонной моделью цель управления задается с помощью эталонного значения регулируемой переменной. Для выработки эталонного значения регулируемой переменной используется специальный динамический блок – эталонная модель. Эталонная модель реализуется в виде линейной системы, формирующей желаемый отклик на задающее воздействие. Регулятор строится таким образом, чтобы замкнутая система основного контура вела себя точно так же, как эталонная модель.
В рассматриваемом примере в качестве эталонного процесса удобно принять процесс, формируемый замкнутой системой управления в номинальном режиме работы системы. В этом случае эталонной моделью может служить передаточная функция замкнутого контура системы.
На Рис. 11 представлен фрагмент программы расчета замкнутого контура (продолжение листинга программы Рис. 6).
Рис. 11. Фрагмент программы расчета замкнутого контура
Цель управления формируется следующим образом:
, (5)
где e – сигнал рассогласования между выходом объекта yo и выходом модели yM.
В рассматриваемом случае адаптивный регулятор должен вырабатывать сигнал uk, формируемый по интегральному закону для коррекции тока I0.
(6)
где k – коэффициент передачи.
На Рис. 12 приведена модель системы управления магнитным подвесом с адаптивным регулятором.
В состав модели введены:
– модель задания интенсивности изменения воздушного зазора, включающая блок задания ступенчатого сигнала Step и апериодическое звено Transfer Fcn3;
– модель регулятора основного контура LTI Systems;
– модель адаптивного регулятора Subsystem 1;
– эталонная модель Transfer F cn1;
– модель неустойчивого объекта управления Subsystem.
На Рис. 13 показана Simulink-модель подсистемы Адаптивный регулятор. Модель условно разделена на две части:
– схема коррекции задания тока I0;
– схема синхронизации запуска эталонной модели.
Рис. 12. Simulink-модель системы с адаптивным регулятором
Рис. 13. Simulink-модель подсистемы Адаптивный регулятор
Схема коррекции задания тока I0 находит новое равновесное состояние системы при изменении массы груза. Для этого сигнал рассогласования e(t) между выходами эталонной модели yM и объекта управления yo интегрируется и подается на сумматор, где алгебраически складывается с сигналом регулятора uрег основного контура системы. С выхода сумматора сигнал поступает в контур задания тока опорной точки I0 и корректирует его значение. Схема синхронизации синхронизирует процессы в эталонной модели и объекте управления.
На Рис. 14 приведены осциллограммы процессов при имитации скачкообразного изменения массы груза с m = 5 кг до m = 10 кг в момент времени t = 4 с.
Рис. 14. Осциллограммы процессов в адаптивном регуляторе
Из осциллограмм следует, что в момент времени t = 4 с величина вертикального перемещения магнита z(t) отклоняется от заданного значения. В результате чего появляется ошибка рассогласования e(t) между моделью и объектом (Рис. 14а). Это приводит к генерации сигнала управляющего воздействия uрег в основном контуре регулирования и сигнала uk коррекции тока опорной точки (Рис. 14b). Под действием сигналов управления ошибка по зазору компенсируется за счет увеличения тока i(t). При этом система переводится в новое состояние равновесия за время t = 0,3 с с момента изменения массы груза.
ОЦЕНКА КАЧЕСТВА ПРОЦЕССОВ РЕГУЛИРОВАНИЯ
В работе выполнена сравнительная оценка качества регулирования систем с регулятором основного контура (Рис.7) и системы с адаптивным регулятором (Рис. 12). На Рис. 15 приведены результаты расчетных экспериментов. В качестве возмущающего воздействия задавался синусоидальный сигнал задания перемещения (черная пунктирная линия).
Рис. 15. Отслеживание синусоидального сигнала задания
На осциллограммах показаны:
- (Рис. 15а) сигнал на выходе модели обобщенного объекта управления (синяя линия), сигнал на выходе линейной модели объекта управления (красная линия);
- (Рис. 15b) сигнал на выходе объекта управления (синяя линия), сигнал на выходе эталонной модели (красная линия).
Из осциллограмм следует, что в системе с линейным регулятором и нелинейным объектом управления при отслеживании синусоидального сигнала задания перемещения возникает ошибка, составляющая примерно ε = 30 % от задания (Рис. 15а), а в системе с адаптивным регулятором (Рис. 15b) ошибка ε = 3 %.
Таким образом, введение в систему адаптивного регулятора существенно повышает качество процессов регулирования.
Моделирование процессов в системе при ступенчатом изменении напряжения источника питания выявило отсутствие реакции на данный тип возмущения. Это объясняется тем, что для задания и стабилизации опорного значения тока нелинейная модель объекта управления охвачена отрицательной обратной связью по току (как показано на рисунке 4). Стабилизация тока осуществляется релейным регулятором, формирующим импульсный сигнал. Амплитуда импульсов определяется напряжением U источника питания. Это делает систему не чувствительной к изменению напряжения питания. Например, на Рис. 16 показаны осциллограммы, демонстрирующие данное утверждение.
Рис. 16. Осциллограммы процессов при ступенчатом изменении напряжения
Из приведенных осциллограмм следует, что при ступенчатом изменении напряжения источника питания c 50 B до 15 В изменяется амплитуда и скважность импульсов напряжения (Рис. 16а). Это приводит к изменению формы тока в обмотке электромагнита подвеса (Рис. 16b), однако его среднее значение остается прежним и не влияет на состояние системы.
Таким образом, предложенная структура контура регулирования обеспечивает системе инвариантность к скачкообразным изменениям питающего напряжения.
ЗАКЛЮЧЕНИЕ
В работе рассмотрены особенности построения системы управления электромагнитным подвесом грузового транспортного средства. Условия работы грузовых систем связаны с большим диапазон изменения массы груза и скачкообразным изменением напряжения источника питания. В структуре управления системой электромагнитного подвеса содержится нелинейный неустойчивый объект (электромагнит). Эти факторы существенно усложняют процесс управления.
Акцентировано внимание на исследовании свойств неустойчивого объекта управления. Выявлено, что свободное движение объекта происходит без внешнего воздействия при заданном начальном состоянии.
Введен в рассмотрение обобщенный объект с дополнительным контуром обратной связи по начальному значению тока, инициирующему переходной процесс неустойчивого объекта. Исследование свойств обобщенного объекта выявило, что параметры переходного процесса практически не зависят от массы груза. Основываясь на этом свойстве, найдена эквивалентная линейная модель обобщенного объекта управления. Такой подход позволил автоматизировать процесс синтеза регулятора в программной среде MATLAB.
Результаты моделирования показали, что синтезированный линейный регулятор обеспечивает устойчивое положение равновесия системы с неустойчивым объектом в окрестности рабочей точки, задающей начальное состояние объекта. Заданное качество регулирования при изменении массы груза обеспечивается адаптивным контуром регулирования с эталонной моделью. Структура обобщенного объекта управления, обеспечивает системе инвариантность к скачкообразным изменениям питающего напряжения.
Предложенный подход может быть использован в проектировании системы управления электромагнитным подвесом грузовой платформы.
Авторы заявляют что:
- У них нет конфликта интересов;
- Настоящая статья не содержит каких-либо исследований с участием людей в качестве объектов исследований.
About the authors
Alexander V. Kireev
Joint-stock company “Scientific and Technical Center “PRIVOD-N”
Email: akireev@privod-n.ru
ORCID iD: 0000-0003-1157-2402
SPIN-code: 9674-4388
Candidate of Technical Sciences, Associate Professor
Russian Federation, NovocherkasskNikolay М. Kozhemyaka
Joint-stock company “Scientific and Technical Center “PRIVOD-N”
Email: nkozhemyaka@privod-n.ru
ORCID iD: 0000-0002-3976-7546
SPIN-code: 7921-4510
Candidate of Technical Sciences
Russian Federation, NovocherkasskGennady N. Kononov
Joint-stock company “Scientific and Technical Center “PRIVOD-N”
Author for correspondence.
Email: gkononov@privod-n.ru
ORCID iD: 0000-0002-5511-9311
SPIN-code: 9565-6740
исследовательский сектор, специалист
Russian Federation, NovocherkasskReferences
- Киреев А.В., Кожемяка Н.М., Кононов Г.Н. Электротехнический комплекс магнитолевитационного подвижного состава // Инновационные транспортные системы и технологии. – 2021. – Т. 7. – № 3. – С. 67–105. [Kireev AV, Kozhemyaka NM, Kononov GN. Electrotechnical complex of maglev rolling stock. Modern Transportation Systems and Technologies. 2021;7(3):67-105. (In Russ.)]. doi: 10.17816/transsyst20217367-105
- Савин М.М., Пятина О.Н., Елсуков В.С. Уточнение некоторых понятий теории управления для систем с неустойчивыми звеньями // Известия высших учебных заведений. Северо-Кавказский регион. Технические науки. – 2001. – № 2. – С. 8. [Savin MM, Pyatina ON, Yelsukov VS. Utochneniye nekotorykh ponyatiy teorii upravleniya dlya sistem s neustoychivymi zven'yami. Bulletin of higher educational Institutions. North Caucasus Region. Technical Sciences. 2001;2:8. (In Russ.)]. Доступно по: https://elibrary.ru/contents.asp?id=33829495 Ссылка активна на: 10.08.2022.
- Елсуков В.С., Лачин В.И., Демидов О.Ю. Синтез систем управления по выходу неминимально-фазовых нелинейных объектов с неустойчивым состоянием равновесия // Известия высших учебных заведений. Северо-Кавказский регион. Технические науки. – 2017. – № 1(193). – С. 8–12. [Yelsukov VS, Lachin VI, Demidov OYu. Synthesis of control systems by output of non-minimally-phase nonlinear objects with unstable equilibrium state. Bulletin of higher educational Institutions. North Caucasus Region. Technical Sciences. 2017;1(193):8-12.(In Russ.)]. doi: 10.17213/0321-2653-2017-1-8-12
- Стариков А.В., Лисин С.Л. Структурно-параметрический синтез систем управления неустойчивыми объектами // Вестник Самарского государственного технического университета. Серия: Технические науки. – 2013. – № 4(40). – С. 53–58. [Starikov AV, Lisin SL. Structural and parametric synthesis of unstable-object Control Systems. Vestnik of Samara State Technical University. Technical Sciences Series. 2013;4(40):53-58. (In Russ., in Engl.)]. Ссылка активна на: 10.08.2022. Доступно по: https://www.elibrary.ru/item.asp?id=21289103
- Kireev AV, Kononov GN, Lebedev AV. Starting Operating Mode of the Combined Traction Levitation System of the Vehicle Equipped with Magnetic Suspension. International Journal of Power Electronics and Drive Systems (IJPEDS). 2017; 8:176-183. doi: http://doi.org/10.11591/ijpeds.v8.i1.pp176-183
- Сотникова М.В. Идентификация линейной модели магнитной левитации в среде MATLAB / Труды IV Всероссийской научной конференции «Проектирование инженерных и научных приложений в среде MATLAB». Астрахань, 04–08 мая 2009 года / сост. И.С. Пономарева. – Астрахань: Издательский дом «Астраханский университет», 2009. – С. 507–522. [Sotnikova MV. Identifikatsiya lineynoy modeli magnitnoy levitatsii v srede MATLAB In: Ponomareva IS, aditor. Proceedings of the IV Russian Scientific Conference “Proyektirovaniye inzhenernykh i nauchnykh prilozheniy v srede MATLAB”. 2009 04-08 may; Astrakhan. pp. 507-522. (In Russ.)]. Ссылка активна на: 10.08.2022. Доступно по: https://www.elibrary.ru/item.asp?id=39193691
- Ощепков А.Ю. Системы автоматического управления: теория, применение, моделирование в MATLAB: учебное пособие. 4-е изд., стер. – СПб: Лань, 2021. – 208 с. [Oshchepkov AY. Sistemy avtomaticheskogo upravleniya: teoriya, primeneniye, modelirovaniye v MATLAB (uchebnoye posobiye ). 4nd ed. St.Peterburg: Lan'; 2021. (In Russ)]. Ссылка активна на: 10.08.2022. Доступно по: https://e.lanbook.com/book/177027
- Rajinikanth V, Latha K. Setpoint weighted PID controller tuning for unstable system using heuristic algorithm. Archives of Control Sciences Volume 22(LVIII), 2012;4:481-505. doi: 10.2478/v10170-011-0037-8
- Бейнарович В.А. Самонастраивающиеся системы с эталонной моделью // Журнал Доклады Томского государственного университета систем управления и радиоэлектроники. – 2010. – № 1. – С. 67–69. [Beynarovich VA. Samonastraivayushchiyesya sistemy s etalonnoy model'yu. Doklady Tomskogo gosudarstvennogo universiteta sistem upravleniya i radioelektroniki. 2010;1(21):67-69. (In Russ.)]. Ссылка активна на: 20.08.2022. Доступно по: https://journal.tusur.ru/ru/arhiv/1-1-2010/samonastraivayuschiesya-sistemy-s-etalonnoy-modelyu
Supplementary files




















