Electrotechnical complex of maglev rolling stock
- Authors: Kireev A.V.1, Kozhemyaka N.М.1, Kononov G.N.1
-
Affiliations:
- JSC "Scientific and Technical Center" PRIVOD-N"
- Issue: Vol 7, No 3 (2021)
- Pages: 67-105
- Section: Original studies
- URL: https://transsyst.ru/transj/article/view/81427
- DOI: https://doi.org/10.17816/transsyst20217367-105
- ID: 81427
Cite item
Full Text
Abstract
Background: The development of work in the field of creating cargo maglev transport systems is associated with the development and study of the electro technical complex of the rolling stock for the operating range with long stretches in poorly developed territories.
Aim: The aim of the work is to substantiate the structure and parameters of the components of the electro technical complex of the rolling stock, to study the operating modes.
Methods: The main research methods are functional structural analysis and synthesis, computer modeling, computational studies, analysis of research results.
Results: As a result of the research, the factors that determine the appearance of the electrotechnical complex of the rolling stock have been identified. The basic requirements for the electrical complex are formulated. The structure was developed and the parameters of the components of the electrical complex for the transport platform with magnetic levitation were determined. A high-speed flat car model 13-6990 for the transportation of containers was chosen as the closest railway analogue. A computer model of a combined traction-levitation system based on a linear reluctance inductor motor has been developed. The results of computational studies, confirming the physical feasibility of the electrical complex of the rolling stock with linear reluctance inductor motors, are presented.
Conclusion: The practical significance lies in the fact that the proposed concept of constructing an electro technical complex of rolling stock provides for the creation of a maglev transport system with a low-cost infrastructure.
Full Text
ВВЕДЕНИЕ
Исследование возможности создания скоростной транспортной системы с магнитным подвесом для контейнерных перевозок по Евро-Азиатскому сухопутному мосту [1] показало, что основным препятствием реализации транзитного потенциала России является ограниченная пропускная способность существующих транспортных коридоров. Кардинальным решением проблемы может стать строительство новой высокоскоростной транспортной системы. Выявлены факторы, определяющие условия создание новой транспортной системы. Среди них: использования транспортных возможностей Азово-Черноморского бассейна, обеспечение доступности северных территорий, разработка технических решений обеспечивающих создание транспортной системы с низко затратной инфраструктурой.
Предложена концепция построения новой транспортной системы с учетом характеристик предполагаемого полигона эксплуатации на слабо освоенных территориях. Предполагаемый маршрут высокоскоростной трассы, связывающий Азово-Черноморского бассейн с побережьем Тихого океана, полностью проходит по территории России, включая северные регионы.
Развитие работ в области создания грузовых МЛТС связано с разработкой и исследованием электротехнического комплекса подвижного состава для полигона эксплуатации с протяженными перегонами на слабо освоенных территориях.
Целью работы является обоснование структуры и параметров компонентов электротехнического комплекса подвижного состава, подтверждение физической реализуемости систем.
СТРУКТУРА ЭЛЕКТРОТЕХНИЧЕСКИХ КОМПЛЕКСОВ МАГНИТОЛЕВИТАЦИОННЫХ ТРАНСПОРТНЫХ СИСТЕМ
Технология Maglev направлена на повышение производительности процесса транспортирования и снижение эксплуатационных расходов транспортной системы. Эти характеристики зависят от конструкции и эффективности электротехнического комплекса, который по существу определяет облик транспортной системы на магнитном подвесе. Основной функцией электротехнического комплекса является преобразование энергии источника энергоснабжения в механическую энергию бесконтактного движения подвижного состава вдоль направляющего путепровода.
Электротехнический комплекс МЛТС включает в себя пять функциональных компонентов: систему энергоснабжения; систему электромагнитного подвеса; систему линейного электропривода; систему боковой стабилизации; систему управления.
Система энергоснабжения преобразует параметры электроэнергии источника питания к параметрам, удобным для использования и передает ее на подвижную единицу транспортной системы. Система электромагнитного подвеса обеспечивает левитацию транспортного средства за счет создания вертикального подъемного усилия. Система линейного электропривода создает тяговое (тормозное) усилие, направленное вдоль путепровода. Система боковой стабилизации создает усилие, направленное перпендикулярно к направлению движения для компенсации бокового смещения подвижной единицы. Система управления обеспечивает бесконтактную пространственную стабилизацию подвижной единицы относительно пути и ее линейное перемещение вдоль направляющего путепровода.
Структура электротехнического комплекса может иметь много вариантов, число которых определяется количеством сочетаний источников магнитного поля, располагаемых на экипаже и в пути. Возможно совмещение различных функций в одних и тех же элементах на основе одновременного взаимодействия одного экипажного источника магнитного поля с двумя или более функционально различными элементами пути или, наоборот. Наиболее характерные варианты совмещения систем: левитации и линейного электропривода; левитации и боковой стабилизации.
Общей конструктивной особенностью электротехнического комплекса является компоновка силовых компонентов электротехнических систем (линейного двигателя, электромагнитов подвеса и боковой стабилизации) в тягово-левитационный модуль.
Анализ концепций построения электротехнических комплексов пассажирских МЛТС, доведенных до стадии коммерческой эксплуатации, выявил особенность, связанную с пространственной локализацией систем электротехнического комплекса. В низкоскоростных системах (проекты LINIMO, ROTEM) [2] компоненты электротехнического комплекса (привод, магнитный подвес, боковая стабилизация) локализованы на борту. Структура электротехнического комплекса по существу подобна структуре мотор-вагонного подвижного состава железных дорог, с тем отличием, что роль колесно-моторных блоков выполняют тягово-левитационные модули.
Электротехнический комплекс высокоскоростной системы Transrapid [3, 4] разделен на наземную и бортовую части (Рис. 1).
Рис. 1. Структурно-функциональная схема электротехнического комплекса
Наземный электротехнический комплекс обеспечивает функции привода транспортного средства; передачу энергии на борт; передачу и прием сигналов управления по радиоканалу. Энергоснабжение наземного электротехнического комплекса осуществляется от питающей сети.
Бортовой электротехнический комплекс обеспечивает левитацию транспортного средства; прием электроэнергии; передачу и прием сигналов управления по радиоканалу.
Данная концепция построения системы позволяет вынести тяговое оборудование за пределы подвижной единицы, что снимает ограничения на массогабаритные показатели и установленную мощность тягового электротехнического оборудования и позволяет существенно улучшить динамические и скоростные характеристики системы за счет уменьшения массы подвижного состава.
Разделение электротехнического комплекса на наземную и бортовую часть является принципиальным условием функционирования бесконтактной транспортной системы. Связь между этими частями локализована в воздушном зазоре, образованном, в общем случае, тремя парами компонентов: статором и ротором линейного двигателя; электромагнитом системы подвеса и ферромагнитным рельсом; электромагнитом направления и реактивной шиной. В пределе возможна реализация функциональной связи между наземной и бортовой частями электротехнического комплекса одной парой компонентов – статором и ротором линейного двигателя. Это может быть достигнуто за счет совмещения функций левитации, тяги и боковой стабилизации движения. Это свидетельствует о том, что ключевым компонентом, определяющим конструктивно-компоновочный облик электротехнического комплекса, являет линейный двигатель.
ОСОБЕННОСТИ ПОСТРОЕНИЯ ЭЛЕКТРОТЕХНИЧЕСКИХ КОМПЛЕКСОВ ГРУЗОВЫХ СИСТЕМ
Изначально работы по созданию МЛТС были ориентированы исключительно на рынок пассажирских перевозок. Это предопределяло характеристики предполагаемых полигонов эксплуатации, расположенных на хорошо освоенных, густонаселенных территориях с разветвленной сетью энергоснабжения. Применения МЛТС в сфере грузовых перевозок требует переосмысления концепции построения электротехнического комплекса с учетом характеристик предполагаемого полигона эксплуатации.
В сфере грузовых перевозок известна попытка адаптации магнитолевитационной технологии, разработанной фирмой General Atomics [5], к контейнерным перевозкам. Технология, принятая General Atomics, использует постоянные магниты на транспортном средстве, расположенные в массиве Хальбаха для "пассивной" электродинамической левитации. Постоянные магниты на транспортном средстве взаимодействуют с трехфазным линейным синхронным двигателем, обмотки которого уложены на путевой структуре. Технология динамического подвеса позволила осуществить левитацию транспортного средства, когда оно достигало скорости более 80 км/ч на колесах. Предложен проект Electric Cargo Conveyor System [6] для обработки контейнеров в морском терминале, предусматривающий операционную скорость 145 км/ч.
В сфере грузовых транспортных систем на основе магнитной левитации специалистами Петербургского университета путей сообщения выполнен цикл фундаментальных исследований по разработке отечественной магнитолевитационной транспортной технологии, с электродинамической левитацией, основанной на явлении высокотемпературной сверхпроводимости [7]. Разработан макет грузовой магнитолевитационной транспортной платформы [8, 9], которая позволяет транспортировать контейнеры серии 1ААА, 1АА или 1 А.
Предлагаемые системы – это системы конвейерного типа: груз перемещается на пассивных левитирующих транспортных тележках в автоматическом режиме. Электротехнический комплекс таких систем должен включать следующие компоненты: линейный двигатель, обмотки которого уложены вдоль пути; стационарные подстанции, расположенные вдоль трассы, для обеспечения общего электроснабжение и управления движением; пункты переключения для коммутации участков статорной обмотки линейного двигателя.
Высокие затраты на строительство путевой структуры и обслуживание компонентов электротехнического комплекса, распределенных вдоль пути исключают возможность применения МЛТС конвейерного типа на труднодоступных территориях с протяженными маршрутами. Системы конвейерного типа эффективны при обработке грузов в терминалах с небольшой протяженностью трассы.
Создание МЛТС с низко затратной инфраструктурой предполагает, что путевая структура, как наиболее затратный элемент, должна быть оснащена только пассивными элементами электротехнического комплекса. Активные компоненты должны быть размещены на борту транспортной платформы. Однако это ведет к увеличению массы транспортного средства и, как следствие, снижает транспортную эффективность системы. Возникает задача снижения массы электротехнического оборудования при его локализации на борту транспортного средства. Известна идея интеграции функций тяги, левитации и боковой стабилизации в одном силовом элементе [10]. Практическое воплощение принцип интеграции получил при создании натурного образца транспортной тележки массой 10 тонн, оснащенный десятью двигателями во Всероссийском научно-исследовательском и проектно-конструкторском институте электровозостроения (ВЭлНИИ г. Новочеркасск) [11]. Двигатель имел пассивный ротор, интегрированный в путевую структуру и три обмотки: трехфазную тяговую, возбуждения и боковой стабилизации. Обмотки получали питание от силового электрооборудования систем тяги, левитации и боковой стабилизации. Это не позволило существенно снизить массу электротехнического оборудования.
Развитием идеи интеграции является применение линейного реактивного индукторного двигателя в тягово-левитационной системе транспортного средства с магнитным подвесом.
В классе линейных реактивных индукторных машин существуют две разновидности [12, 13] различающиеся направлением замыкания потока, создаваемого фазой двигателя: с продольным замыканием потока (Рис. 2а), совпадающим с направлением движения, и с поперечным замыканием потока, перпендикулярным направлению движения (Рис. 2b).
а) b)
Рис. 2. Типы линейных реактивных индукторных двигателей
Эти машины просты, технологичны, механически устойчивы и имеют малые потери, а их системы питания имеют простую схему. Предпочтительным является двигатель с поперечным потоком, так как U-образная конфигурация магнитопровода обеспечивает боковую само стабилизацию транспортной платформы. Управление по двум координатам, как тягой, так и подвесом может осуществляться, используя всего один канал управления токами в обмотках двигателя. Эти свойства линейного реактивного индукторного двигателя с поперечным потоком позволяют создать предельно простую тягово-левитационную систему.
Рис. 3. Функциональная схема электротехнического комплекса
Функциональная схема электротехнического комплекса приведена на Рис. 3. Энергоснабжение силовых компонентов электротехнического комплекса при их расположении на транспортной платформе 15 осуществляется от автономной энергетической установки, которая может располагаться на одной из грузовых платформ подвижного состава, через силовые разъемы 10, 11.
Силовое напряжение подается на входной преобразователь 5, силовые преобразователи 1, 2 и зарядно-разрядный преобразователь 8 накопителя энергии 9. Входной преобразователь 5 регулирует ток тормозного резистора 6 в режиме торможения. Силовые преобразователи 1, 2 питают регулируемым током обмотки статоров линейных двигателей 3, 4. Статоры линейных двигателей 3, 4 создают тяговое и подъемное усилие при взаимодействии с путевыми элементами 12, 13, интегрированными в путевую структуру 14. При боковом смещении статоров 3, 4 относительно путевых элементов 12, 13 возникает сила боковой стабилизации платформы. Зарядно-разрядный преобразователь 8 согласует напряжение питания с напряжением накопителя энергии 9.
ВЫБОР ПАРАМЕТРОВ ЛИНЕЙНОГО РЕАКТИВНОГО ИНДУКТОРНОГО ДВИГАТЕЛЯ ДЛЯ КОМБИНИРОВАННОЙ СИСТЕМЫ ТЯГИ И МАГНИТНОГО ПОДВЕСА
В последнее десятилетие накоплен определенный опыт проектирования реактивных индукторных двигателей [14]. В литературе присутствуют различные рекомендации по выбору геометрии и параметров машин данного класса традиционного исполнения. Эти рекомендации не затрагивают линейных реактивных индукторных двигателей, совмещающих функции тяги и магнитного подвеса. Поэтому требуют разработки следующие вопросы:
- выбор параметров зубцового слоя двигателя, обеспечивающего заданное подъемное и тяговое усилие;
- исследование влияния конфигурации магнитной системы «статор – путевой элемент» на расход электротехнической стали в путепроводе;
- влияния дискретности путевой структуры на подъемное усилие. На Рис. 4 показан общий вид реактивного индукторного двигателя транспортной платформы.
Рис. 4. Общий вид двигателя
Предполагается, путевые элементы (ротор) 1–4 расположены на путевой структуре, а силовые элементы статора 1–6 установлены по бортам транспортной платформы и распределены по всей ее длине Lтп.
По аналогии с вращающимися электрическими машинами можно говорить о главных размерах двигателя. На Рис. 5 приведены обозначения размеров.
Рис. 5. Главные размеры двигателя
Параметры зубцового слоя двигателя определяются соотношением зубцов ротор/статор. Для двигателя с числом фаз 3 возможны следующие соотношения зубцов ротора (путевых элементов) и статора (силовых элементов) Z2/Z1:
Z2/Z1 → 2/3, 4/6, 6/9, 8/12, 10/15, 12/18,.... (1)
Силовые элементы статора, число которых определяется значением Z1, в совокупности образуют статор линейного двигателя. Длина статора линейного двигателя Lст, установленного на одном борту транспортной платформы, должна быть примерно равна длине рамы платформы Lст≤ Lmn. для равномерного распределения нагрузки на путь.
Задавшись значением Z1, можно определить длину силового элемента статора. Выберем в качестве ближайшего железнодорожного аналога скоростную вагон-платформу для перевозки контейнеров модели 13-6990 [15] – технические характеристики приведены в Табл. 1.
Таблица 1. Технические характеристики вагон-платформы модели 13-6990
Технические параметры, размерность | Значение |
Скорость конструкционная (эксплуатационная), км/ч | 160 (140) |
Максимальная расчетная статическая нагрузка от колесной пары на рельсы от платформы, не более, кН (т) | 166,7 (17,0) |
Масса тары платформы, не более, т | 28,0 |
Грузоподъемность, не менее, т | 40,0 |
Масса брутто, не более, т | 68,0 |
Количество перевозимых контейнеров в пределах грузоподъемности платформы, шт.: 45 / 40 / 20 футов 20+20 футов |
1 2 |
Длина рамы платформы по концевым балкам, мм | 13480 |
Длина по осям сцепления автосцепок при утопленной автосцепке, не более, мм | 14700 |
Ориентируясь на железнодорожный аналог, примем длину рамы магнитолевитационной платформы Lmn=14,4 метра и Z2/Z1=12/18, получим:
(2)
Длина путевого элемента LR определяется по формуле:
(3)
При массе брутто транспортной платформы mТ = 68 т (Табл. 1) расчетная статическая нагрузка на путевой элемент от платформы составит:
(4)
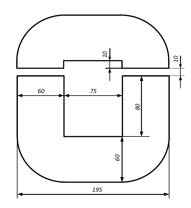
В таблице 2 приведены результаты расчетов основных размеров магнитопровода статора и ротора. Расчеты выполнены при индукции
Bδ = 1 Тл в воздушном зазоре δ = 10 мм.
Таблица 2. Размеры магнитопровода
Наименование параметра | Значение | Эскиз сечения |
Длина магнитопровода , мм | 600 |
|
Ширина магнитопровода, мм | 195 | |
Высота магнитопровода, мм | 140 | |
Ширина зубца статора, мм | 60 | |
Высота зубца статора, мм | 80 | |
Высота зубца ротора, мм | 10 | |
Ширина окна, мм | 75 | |
Сечение обмотки, мм | 75х75 | |
Воздушный зазор, мм | 10 | |
Магнитодвижущая сила, кА | 15,9 |
По полученным данным выполнено построение 3D-модели системы «статор – путевой элемент». В модели принята электротехническая сталь марки 10848. В результате проведенных магнитостатических расчетов получена силовая характеристика системы «статор – путевой элемент» при соосном положении (см. рис. 6а) и распределение индукции в сечении воздушного зазора (см. рис. 6b).
Из приведенных данных следует, что расчетная статическая нагрузка на путевой элемент от платформы Fz ≈ 27,8 кH, достигается при намагничивающей силе обмотки элемента статора Fн ≈ 15,4 кА. Среднее значение индукции в сечении зазора составляет Bδ = 0,985 Тл. Это практически совпадает с результатами инженерного расчета.
Исследование влияния конфигурации магнитной системы «статор – путевой элемент» на расход электротехнической стали в путепроводе показали, что выбор конфигурации зубцовой зоны двигателя по существу определяет его главные размеры. Это ограничивает возможные вариации геометрическими размерами. В рамках этих ограничений возможен только выбор формы и размеров поперечного сечения магнитопровода (U-образного и Ш-образного сечения), а также расположение обмоток на магнитопроводе.
а) b)
Рис. 6. Результаты магнитостатических расчетов: а) силовая характеристика; b) распределение индукции в сечении
Рис. 7. Варианты магнитных систем
На Рис. 7 показаны возможные варианты магнитных систем статора и ротора линейного двигателя.
В представленных вариантах магнитопроводы разрезные ленточные одинаковой длины и площади полюсов. Варианты a и b различаются расположением обмоток на магнитопроводе: в варианте а обмотка располагается на ярме, а в варианте b две обмотки располагаются на зубцах. В варианте c ширина магнитопровода увеличена, а высота зубцов пропорционально уменьшена. В варианте d магнитопровод Ш-образного сечения составной, он образован двумя U-образными элементами с уменьшенной шириной зубцов. Основные геометрические размеры элементов статора и ротора приведены в Табл. 3.
Таблица 3. Размеры элементов статора и ротора
Наименование параметров | Варианты | |||
a | b | c | D | |
Длина магнитопровода , мм | 600 | 600 | 600 | 600 |
Ширина магнитопровода, мм | 195 | 195 | 260 | 270 |
Ширина зубца, мм | 60 | 60 | 60 | 30 |
Высота зубца статора, мм | 80 | 80 | 45 | 80 |
Высота зубца ротора, мм | 10 | 10 | 10 | 10 |
Сечение обмотки, мм | 75х75 | 37х75 | 140х40 | 75х75 |
Площадь полюсов, м2 | 0,072 | 0,072 | 0,072 | 0,072 |
Воздушный зазор, мм | 10 | 10 | 10 | 10 |
Для сопоставления вариантов выполнены расчеты параметров системы «статор – путевой элемент» при соосном положении зубцов статора и ротора. Электротехническая сталь в расчетах принята марки 10848. Для всех вариантов задавалась величина намагничивающей силы, равная Fн = 16,8 кА. Результаты расчетов приведены в Табл. 4.
Таблица 4. Параметры системы «статор – путевой элемент»
Наименование параметров | Варианты | |||
a | b | c | d | |
Масса стали путевого элемента, кг | 52 | 52 | 71 | 39 |
Масса стали элемента статора, кг | 90 | 90 | 90 | 78 |
Масса меди обмотки статора, кг | 55 | 40 | 51 | 55 |
Полная масса статора, кг | 145 | 130 | 141 | 133 |
Подъёмная сила, кН | 31,4 | 31,1 | 31,8 | 33,2 |
Расход стали на 1км пути, т/км | 86,7 | 86,7 | 118 | 65 |
Анализ результатов показывает, что варианты a и b практически равнозначны. Вариации, связанные с увеличением ширины магнитопровода (вариант c), приводят к увеличению подъемного усилия (по сравнению с вариантами a и b) и расхода электротехнической стали. Вариант d с Ш-образным магнитопроводом и обмоткой как в варианте a, обладает наибольшей подъемной силой и обеспечивает минимальный расход стали в путепроводе. Этот вариант является предпочтительным при выборе конфигурации магнитной системы линейного двигателя.
Исследование влияния дискретности путевой структуры на подъемное усилие и показало, что при смещении зубцов статора относительно зубцов ротора (от соосного положения зубцов до меж зубцового промежутка) подъемная сила Fz, создаваемая силовым элементом статора, уменьшается.
Например, на Рис. 8 приведена зависимость подъемной силы Fz = f(Х) от величины линейного перемещения Х для варианта а (см. Рис. 7).
Рис. 8. График зависимость подъемной силы от линейного перемещения
Наблюдается практически двукратное снижение среднего значения подъемной силы FZ ср=16,7 кН по отношению максимальному значению при соосном положении зубцов FZ max= 31,4 кН.
Возникает задача выбора параметров двигателя с некоторым запасом для компенсации негативного влияния дискретности путевой структуры.
Силовое взаимодействие статора линейного двигателя с путевой структурой осуществляется через путевые элементы (ротор двигателя). При этом каждый путевой элемент взаимодействует с одним или двумя элементами статора (в зависимости от текущего положения зубцов статора и ротора). На Рис. 9 приведена схема силового взаимодействия путевого элемента 3 с двумя элементами статора 1 и 2.
Рис. 9. Схема силового взаимодействия
Сила, действующая на путевой элемент FZ, образуется силами FZ1 и FZ2 двух элементов статора. Эти силы уравновешиваются силами тяжести m1g и m2g. Результирующая сила FZ уравновешивается реакцией опоры FR.
При линейном перемещении полюс путевого элемента 3 может перекрываться одним или двумя элементами статора.
На Рис. 10 приведены результаты расчетов подъемных сил Fz1(θ), Fz2(θ), создаваемых элементами статора 1 и 2 и результирующей силы Fz(θ), действующей на путевой элемент 3, при смещении θ, выраженном в электрических градусах.
Рис. 10. Графики подъемны сил Fz1(θ), Fz2(θ), Fz(θ)
Из рисунка следует, что на интервалах смещения зубцов 0 ˂ θ ˂ 120 и 240 ˂ θ ˂ 360 электрических градусов FZ = Fz1 + Fz2, а на интервале 120 ˂ θ ˂ 240 электрических градусов FZ = Fz1. Максимальное подъемное усилие FZmax= 31,35 кН достигается при θ = 180 электрических градусов (при соосном положении элемента статора и путевого элемента) и намагничивающей силе Fн=16,8 кА. Среднее значение подъемного усилия составляет FZср =27,79 кН, что соответствует расчетной статической нагрузке на путевой элемент от платформы (формула 4).
Следует обратить внимание, что подъемного усилия FZ =27,79 кН достигается при соосном положении статора и путевого элемента при намагничивающей силе обмотки Fн =15,4 кА (см. рис. 6а), а FZср =27,79 кН при 16,8 кА. Это говорит о том, что для компенсации негативного влияния дискретности путевой структуры необходимо увеличению токовую нагрузку обмотки примерно на 8 %.
В динамических режимах работы анализ процессов инженерными методами практически не возможен из-за сложности протекания электромеханических процессов.
Простота конструкции двигателя в совокупности со сложностью процессов порождают скептицизм в отношении возможности использования реактивного индукторного двигателя. Это обстоятельство выдвигает на первый план задачу оценки физической реализуемости объекта, а также исследование объекта на управляемость.
На данном этапе исследований эти задачи целесообразно выполнить на модели объекта, адаптированной к численному решению с возможностью задания параметров управления. Математическая модель, ориентированная на исследование электромагнитных и электромеханических процессов в заданных режимах работы, включает:
Тогда, с учетом перечисленных условий, уравнение электромагнитного контура двигателя примет вид:
(5)
Дифференциальные уравнения электромагнитных контуров статора двигателя дополняются выражениями, определяющими значения электромагнитных сил.
Выражение, определяющее электромагнитную силу по координате х, имеет вид:
(6)
Выражение, определяющее электромагнитную силу по координате z, имеет вид:
(7)
где m – количество электромагнитных контуров статора;
z – координата вертикального перемещения статора относительно ротора.
Из уравнения (5) следует, что управляющим параметром двигателя является напряжение uk(t), подаваемое на обмотки статоров. При этом двигатель, совмещающий функции тяги и подвеса, имеет две степени свободы. Таким образом, число управляющих воздействий меньше числа степеней свободы. В этом случае про объект говорят, что у него «дефицит» числа управлений. Этот признак отличает его от известных объектов управления МЛТС.
Процесс управления двигателем заключается в периодическом подключении (отключении) обмотки статора к источнику питания для формирования однополярного импульса тока в обмотке статора, синхронизированного с изменением взаимного положения зубцов статора и путевого элемента. Параметры тока должны обеспечивать заданное подъемное усилие и силу тяги.
На Рис. 11 приведены осциллограммы процессов, поясняющие способ формирования тока.
Рис. 11. Осциллограммы процессов в обмотке статора
Показаны осциллограммы тока i(θ), напряжения u(θ), сигнал датчика положения ротора UДПР. Введены следующие обозначения: Ud – напряжение источника питания; α – угол опережения включения, β – угол проводимости, Iогр – порог ограничения тока, θ – перемещения статора относительно путевого элемента, выраженное в электрических градусах.
Процесс формирования тока заключается в следующем. Для организации управления фиксируется положение статора относительно путевого элемента с помощью датчика положения, вырабатывающего сигнал UДПР. На обмотку статора подается напряжение источника питания Ud с углом опережения включения α относительно сигнала датчика положения UДПР. При достижении током i(θ) порога ограничения Iогр напряжение u(θ), приложенное к обмотке модулируется, поддерживая амплитуду тока i(θ) на заданном уровне. При достижении током i(θ) заданного угла проводимости β напряжение u(θ) принимает отрицательное значение до тех пор, пока ток i(θ) не спадет до нуля.
Приведенный пример показывает, что параметры тока определяются значениями величин α, β, Ud, Iогр, которые могут рассматриваться как компоненты напряжения, прикладываемого к обмотке.
Основываясь на разложении управляющей величины на компоненты, мгновенное значение напряжения, прикладываемое к обмотке в уравнении (5) может быть описано выражением:
(8)
где K(t) – коммутационная функция, определяется выражением:
K(t)= (9)
Тогда уравнение электромагнитного контура (5), адаптированное к численному решению с возможностью задания параметров управления, примет следующий вид:
(10)
С целью упрощения модели рассматриваются процессы в сегменте линейного двигателя “три фазы статора – два путевых элемента”.
Решение уравнений (6, 7, 10) удобно выполнить в программном комплексе MATLAB/Simulink. Для упрощения Simulink модели предварительно на 3D-модели магнитной системы статора определяются зависимости потокосцепления обмотки статора Ψ1(i,x), подъемной силы FZ(i,х), силы тяги Fх(i,х), а также рассчитываются производные потокосцепления. Результаты расчетов вводятся в Simulink-модель в табличном виде.
На Рис. 12 показана подсистема Simulink-модели, позволяющая моделировать процессы в электромагнитном контуре статора линейного двигателя. Simulink-модель позволяет решать уравнение (10) относительно тока статора i(t), а также рассчитывать значения подъемной силы FZ(i,х), силы тяги Fх(i,х). В структуру модели введены блоки таблиц “Look-Up Table”, в которые записаны предварительно рассчитанные табличные данные функций двух переменных: FZ(i,х), Fх(i,х), частные производные функции Ψ1(i,x). На входы блоков таблиц подается текущая координата х и значения тока i.
Рис. 12. Подсистема Simulink-модели электромагнитного контура статора
В блоки таблиц записаны данные, рассчитанные на интервале полюсного деления двигателя. Для представления выходных данных таблиц в виде периодической последовательности в структуру модели введены развертывающие функции, записанные на языке программирования системы MATLAB, используя блоки задания функций “MATLAB Fcn”. В описание развертывающих функций введены компоненты управляющей величины α, β, значения которых задаются на входе In4. Блок «Коммутационная функция» моделирует функцию K(t), описываемую выражением (9). Элементы статора линейного двигателя имеют идентичные параметры. Это позволяет реализовать полную модель линейного двигателя в виде совокупности Simulink-моделей с учетом расположения элементов статора в структуре зубцового слоя двигателя. Для этого в описание функций блоков “MATLAB Fcn” каждой Simulink-модели необходимо дополнительно ввести члены, описывающие фазовый сдвиг между моделируемыми процессами.
Для демонстрации физической реализуемости объекта определены параметры питания и управления в номинальном режиме работы трехфазного модуля (при скорости V = 200 км/ч, массе брутто m = 68 т, зазоре δ = 10 мм). Для этого, используя Simulink-модель, проведен поиск параметров управления, обеспечивающих заданное подъемное усилие при ограничениях на величину питающего напряжения и амплитуду тока. Результаты расчетов приведены в Табл. 5.
Таблица 5. Параметры номинального режима
Наименование параметра | Значение |
Скорость линейного перемещения, V, м/с | 55,56 |
Подъемное усилие модуля, среднее значение, Fz, кН | 56 |
Сила тяги модуля, среднее значение, Fх, Н | 378 |
Ток среднеквадратическое значение, Iф, А | 168 |
Напряжение источника питания, Ud, В | 800 |
Порог ограничения амплитуды тока, Iогр, А | 250 |
Угол опережение включения, α, электрический градус | 15 |
Угол проводимости, β, электрический градус | 205 |
Рис. 13. Осциллограммы токов и подъемных сил в фазах модуля
На Рис. 13 приведены осциллограммы, демонстрирующие образование суммарного подъемного усилия FZ, определяемого выражением:
(11)
Из Рис. 13 следует, что под действием однополярных импульсов токов ia, ib, ic, следующих с фазовым сдвигом в 120 электрических градусов, образуются однополярные импульсы сил Fza, Fzb, Fzc, действующие по координате z. Результирующая подъемная сила FZ имеет незначительную пульсирующую составляющую.
Рис. 14. Осциллограммы токов и тяговых усилий в фазах модуля
На Рис. 14 приведены осциллограммы, демонстрирующие образование суммарной силы тяги модуля Fx, определяемой выражением:
(12)
Из Рис. 14 следует, что под действием однополярных импульсов токов ia, ib, ic, следующих с фазовым сдвигом в 120 электрических градусов, образуются двух полярные импульсы сил Fxa, Fxb, Fxc, действующие по координате x. Причем положительная полуволна превышает по амплитуде отрицательную полуволну, вследствие чего среднее за период значение импульса силы, создаваемого фазой, имеет положительное значение. Возникновение отрицательной полуволны импульса силы связано с увеличением длительности фазного тока для создания требуемого значения подъемной силы FZ. Фазный ток при этом затягивается и заходит в зону создания тормозной силы.
Сила тяги FХ, создаваемая модулем, имеет форму, близкую к синусоидальной со смещением в положительную область.
Анализ результатов расчетов и моделирования процессов позволяет предположить, что объект управления (тягово-левитационный модуль с числом фаз mф = 3) при выбранных параметрах питания и управления физически реализуем. Модуль обеспечивает заданное подъемное усилие FZ, соответствующее статической нагрузке на два путевых элемента при скорости линейного перемещения V = 200 км/ч:
(13)
Одновременно модуль реализует силу тяги FХ = 378 Н. Это значит, что привод транспортной платформы, оснащенный двумя двигателями с соотношением зубцов Z2/Z1=12/18 будет развивать мощность равную:
(14)
Среднеквадратическое значение тока в обмотках статора Iф = 168 А соответствует значению магнитодвижущей силе обмотки Iw = 16,8 кА (при w = 100 витков).
ПРИНЦИПЫ ПОСТРОЕНИЯ СИСТЕМЫ ЭНЕРГОСНАБЖЕНИЯ
Основным требованием, предъявляемым к автономной энергетической установке, устанавливаемой на магнитолевитационной транспортной платформе, является минимальные массогабаритные показатели. Анализ возможных вариантов исполнения автономной энергетической установки показал, что внимание специалистов привлекают установки на водородных элементах и газотурбинные двигатели. С развитием авиационных газотурбинных двигателей, появилась возможность их применения на транспорте. Известно применение силовой установки с газотурбинным двигателем ГТД-1250А мощностью 1250 л.с. на тягаче МАЗ-7907. ПАО «КАДВИ» производит силовые модули для маневровых многотопливных газотурбовозов. Модули разработаны на основе ГТД-1250 для нужд ОАО «РЖД» [16]. На Рис. 15 показан общий вид силового моноблока с газотурбинным двигателем типа ГТД-1250, предназначенного для использования в различных наземных и водных транспортных средствах в качестве маршевого двигателя.
Преимуществами применения моноблока с ГТД-1250 являются: экологичность, высокая удельная габаритная мощность, прекрасные пусковые качества, в том числе при низких температурах, отсутствие водяной системы охлаждения, практическое отсутствие расхода масла, многотопливность, самоочищающаяся воздухоочистка, простота обслуживания, возможность обеспечения кондиционирования, отопления, снабжения электроэнергией сопряжённых систем объектов, надёжная эксплуатация при температуре окружающей среды от минус 50 до +50 ºС, при высоте над уровнем моря до 3000 метров и при запылённости на входе двигателя до 75мг/м3. Моноблок имеет массу 1400 кг и габаритные размеры 1600х1930х930 мм.
Рис. 15 Моноблок ГТД-1250 с высокочастотным генератором
Для газотурбинной энергетической установки транспортного назначения требования к качеству генерируемой энергии не столь критичны как требования к обеспечению приемлемой динамики системы «генератор – привод газотурбинного двигателя». Улучшению динамики способствует снижение массы ротора синхронного генератора за счет применения постоянных магнитов. В то же время при нагрузке генератора на выпрямитель, генерируемый ток не синусоидален, что в итоге приводит к пульсациям момента на валу генератора, а значит и к появлению повышенного уровня вибраций. Это в свою очередь негативно влияет на ресурс газотурбинного двигателя.
Такая ситуация требует введение в структуру электротехнического комплекса устройства, компенсирующего пульсаций электромагнитного момента.
Установлено, что сглаживание пульсаций электромагнитного момента может быть достигнуто за счет активной коррекции коэффициента мощности в обмотке статора генератора [17]. В этом случае тяговый генератор должен иметь две фазы, сдвинутые на 90 градусов [18]. Основные параметры генератора приведены в таблице 6.
Таблица 6. Технические характеристики генератора
Наименование параметра | Значение |
Номинальная мощность, кВт | 920 |
Напряжение тяговой обмотки, амплитудное значение, В | 650 |
Номинальная частота выходного напряжения, Гц | 400 |
Номинальная частота вращения, мин-1 | 24000 |
| Количество фаз | 2 |
| Воздушный зазор, мм | 2 |
Удельная масса ротора, не более, кг/кВт | 0,133 |
Удельная мощность генератора, не более, кВт/кг | 0,98 |
Пульсации момента на валу, не более, % | 0,5 |
Как известно, сущность активной коррекции коэффициента мощности в электрической цепи состоит в том, что для обеспечения баланса энергии в цепь периодически подключают реактивный элемент. В результате чего несинусоидальная форма тока преобразуется к синусоидальному виду. Причем синусоидальное напряжение должно совпадать по фазе с током. При отсутствии фазового сдвига между током и напряжением мгновенная электрическая мощность генератора будет определяться выражением:
(15)
где P1(t), P2(t) – мгновенные значения мощностей, создаваемых фазами генератора;
U1, U2 – амплитудные значения напряжения фаз генератора;
I1, I2 – амплитудные значения фазных токов генератора;
w – круговая частота;
t – текущее значение времени.
Если U1=U2, I1=I2, то выражение для электромагнитного момента на валу генератора будет иметь вид:
(16)
где n – частота вращения генератора;
η – коэффициент полезного действия генератора.
Анализ выражения показывает, что электромагнитный момент генератора будет имееть постоянное значение, так как:
(17)
На Рис. 16 приведена схема силовых цепей генераторной установки для моноблока ГТД-1250.
Рис. 16. Схема силовых цепей генераторной установки
Вал двухфазного генератора М1 с возбуждением от постоянных магнитов механически сочленен с валом турбины газотурбинного двигателя ГТД-1250. Фазные обмотки подключены к повышающим преобразователям UZ1 и UZ2. На выходных зажимах преобразователей Х1–Х2, Х3–Х4 формируется постоянное напряжение, которое далее подается в бортовую сеть через устройства защиты и коммутации.
Система энергоснабжения должна обеспечить выполнение следующих специфических функций:
Очевидно, что для реализации двух первых функций в автономных режимах работы и аварийных ситуациях необходимо включение в состав электротехнического комплекса мощного источника бесперебойного питания. В качестве такого источника электрической энергии на электроподвижном составе нашли применение литий-ионные аккумуляторные батареи. Например, модули батареи СНЭ 88ТТИв для транспорта. Батарея из 4 модулей имеет напряжение 614 В, номинальную энергоемкость 88 кВт*ч, массу 880 кг [19].
Для утилизации тормозной энергии могут быть применены емкостные накопители энергии (супер конденсаторы). Емкостные накопители характеризуются высокими значениями удельной энергии, используются в качестве буферных накопителей энергии, предназначенных для реализации больших мощностей заряда-разряда.
На основе супер конденсаторов строится система накопления энергии, которая в определенное время является дополнительным источником энергии.
Оценим возможность использования емкостных накопителей энергии в электротехническом комплексе транспортной платформы, ориентируясь на отечественные разработки [20]. Наиболее подходящим по технико-экономическим характеристикам накопителем для транспорта являются отечественные электрохимические конденсаторы производства АО «ЭЛТОН» [21]. Технические характеристики накопителя энергии типа 60*10ЭК303 приведены в таблице 7.
Таблица 7. Технические характеристики накопителя энергии 60*10ЭК303
Наименование параметра | Значение |
Диапазон рабочих напряжений, В | 450 – 900 |
Запасаемая энергия, МДж | 22,7 |
Максимальная мощность, МВт | 1,7 |
Отдаваемая энергия, МДж | 22,7 |
Время заряда, с | 64 |
Масса, т | 2,0 |
Объем, м3 | 1,4 |
С учетом ограничений на массогабаритные показатели электротехнического оборудования, устанавливаемого на транспортной платформе, можно рассматривать возможность применение двух накопителей энергии типа 60*10ЭК303 с суммарной запасаемой энергией Еторм= 45,4 МДж. Время заряда tзаряда накопителей энергии при мощности рекуперации энергии РРТ = 250 кВт составит:
(18)
Изменение скорости движения за время, затрачиваемое на заряд накопителей энергии, определяется из уравнения движения на горизонтальном участке пути:
(19)
На рисунке 17 показана зависимость скорости движения от времени, рассчитанная для m = 68 т, при РРТ = 250 кВт.
Рис. 17. График зависимости скорости движения от времени
Из рисунка следует, что скорость движения снижается с 200 км/ч до 117 км/ч за время заряда накопителей энергии при рекуперативном торможении. В Табл. 8 приведены результаты расчета параметров торможения.
Таблица 8. Результаты расчета параметров рекуперативного торможения
Наименование параметра | Значение |
Скорость начала торможения, м/с | 55,56 |
Скорость окончания торможения, м/с | 32,46 |
Кинетическая энергия платформы, МДж | 104,69 |
Энергия, запасаемая в накопителе, МДж | 45,4 |
Энергия сопротивления движению, МДж | 23,73 |
Время торможения, с | 181 |
Энергетическая эффективность торможения, % | 43,37 |
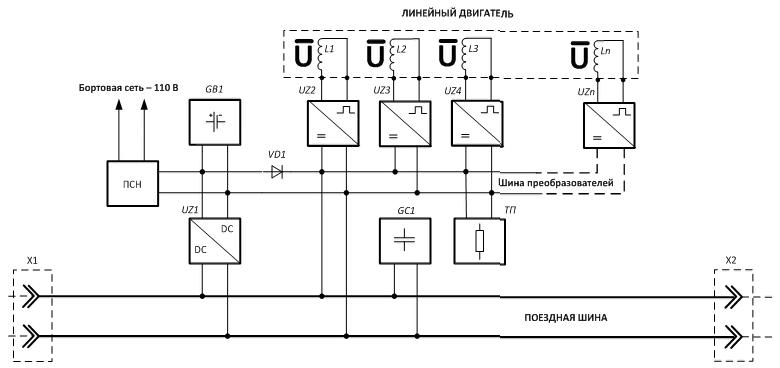
Анализ результатов приведенного примера показывает, что при использовании отечественных электрохимических конденсаторов удается утилизировать почти половину кинетической энергии. Оставшаяся часть энергии должна быть рассеяна при реостатном торможении. Предлагается следующая структура системы энергоснабжения транспортной платформы, приведенная на Рис. 18.
Рис. 18. Структура системы энергоснабжения транспортной платформы
Структура системы энергоснабжения позволяет функционировать транспортной платформе как в составе поезда по системе многих единиц, так и автономно. В первом случае электропитание подается на поездную шину от газотурбинной энергетической установки. Во втором случае электропитание подается от аккумуляторной батареи GB1, расположенной на платформе. В любом случае обмотки статора L1 – Ln линейного двигателя получают питание от преобразователей энергии UZ2 – UZn в двигательном режиме работы или генерируют электродвижущую силу, которая преобразуется преобразователями UZ2 – UZn в постоянное напряжение на шине преобразователей в генераторном режиме работы линейного двигателя. Энергия, генерируемая линейным двигателем, поступает на емкостный накопитель энергии GC1 и накапливается в нем. Избыток генерируемой энергии рассеивается в тормозном преобразователе ТП. К поездной шине подключен зарядный преобразователь для заряда аккумуляторной батареи GB1 и питания преобразователя собственных нужд ПСН.
В автономном режиме работы, когда напряжение на емкостном накопителе GC1 становится ниже напряжения аккумуляторной батареи GB1, на шину преобразователей подается напряжение от аккумуляторной батареи GB1 через отсекающий диод VD1. Преобразователь UZ1 отключается. При этом ПСН также получает питание от аккумуляторной батареи GB1.
В режиме рекуперативного торможения энергия, генерируемая линейным двигателем, запасается в емкостном накопителе энергии GC1. Это сопровождается повышением напряжения на поездной шине и при достижении значения большего, чем напряжение на аккумуляторной батарее GB1, запирается диод VD1 и производится запуск зарядного преобразователя UZ1.
Таким образом, структура системы энергоснабжения транспортной платформы характеризуется совместным использованием автономной энергетической установки, источника бесперебойного питания силовых цепей на основе аккумуляторной батареи и емкостного накопителя энергии [22]. Это позволяет уменьшить глубину разряда и цикличность перезаряда аккумуляторной батареи, что положительно отразится на сроке ее службы.
УПРАВЛЕНИЕ ЭЛЕКТРОТЕХНИЧЕСКИМ КОМПЛЕКСОМ
Задачей управления электротехническим комплексом является реализация обычных для электроподвижного состава режимов разгона, движения с постоянной скоростью, выбега и торможения в левитирующем состоянии, а также специфических режимов, к которым можно отнести:
- режим «всплытия/посадки», когда подвижная единица плавно переходят в левитирующее состояние и обратно, а линейные двигатели работают при нулевой тяге;
- режим «тихого хода», когда транспортная платформа автономно перемещаются вдоль путевой структуры в левитирующем состоянии с маневровой скоростью.
В каждом режиме работы структура энергоснабжения должна изменяться в зависимости от сложившейся энергетической ситуации. Электропитание на поездную шину может быть подано:
- от генератора газотурбинной энергетической установки;
- одновременно от генератора газотурбинной энергетической установки и емкостного накопителя энергии;
- от емкостного накопителя энергии;
- от аккумуляторного накопителя энергии.
Таким образом, рассматриваемый электротехнический комплекс является многорежимным динамическим объектом. Приоритетной задачей управления является стабилизация пространственного положения платформы относительно путевой структуры во всех режимах работы.
Стабилизация платформы достигается за счет координации управления между автономными взаимосвязанными контурами регулирования сил левитации и тяги, расположенных по бортам платформы. Между контурами регулирования возникают связи, обусловленные механическим взаимодействием через конструктивные элементы транспортной платформы.
На рисунке 19 схематически показана транспортная платформа, по бортам которой установлены статоры линейных двигателей Ma – Mf. Между точками a, b, c, d, e, f приложения сил, создаваемых статорами линейного двигателя, возникают продольные поперечные и диагональные связи.
Рис. 19. Механические связи между точками приложения сил
В случае если эти связи достаточно сильны, то задание одинаковых значений воздушных зазоров в каждом контуре регулирования может привести к возникновению условий «состязательности», когда регулятор одной из точек подвеса, пытаясь отработать задание, воздействует через связи на другие точки подвеса, которые создают ответную реакцию. Это может привести к автоколебаниям и вибрациям. Поэтому внутренние связи объекта должны компенсироваться внешними связями между отдельными контурами регулирования [23]. Такой подход позволяет организовать внешний контур адаптивного управления.
Наряду со стабилизацией пространственного положения платформы необходимо отслеживать изменения профиля путевой структуры, так как его особенности могут возбуждать собственные и вынужденные колебания платформы. Среди наиболее опасных для устойчивости движения являются сложные формы колебаний «виляния», «галопирования» и «боковой качки». Предсказание профиля пути позволяет реализовать алгоритм упреждающего управления электротехническим комплексом, а также вычислять необходимую для реализации режимов мощность энергетической установки.
Система управления энергоснабжением определяет структуру питания силовых цепей в зависимости от сложившейся энергетической ситуации и оценки требуемой мощности. Кроме того, производится оптимизация энергетических потоков с целью минимизации расхода топлива. На Рис. 20 показана структурная схема системы управления электротехническим комплексом.
Рис. 20. Структурная схема системы управления электротехническим комплексом
По функциональному признаку система разделена на четыре части:
Система обеспечения движения состоит из устройства определения координат пути, модели профиля пути и системы задания и контроля режима. Координаты движущегося объекта вычисляются в блоке обработки измерительной информации по дискретным отсчетам количества путевых элементов на пройденном участке пути. Модель профиля пути содержит информацию о трассе включающую:
- координаты начала и конца блок-участков;
- длину кривых;
- значения уклонов;
- места остановок;
- средние, максимальные и минимальные мощности, реализуемые на участках.
Эта информация используется для предсказания профиля пути.
Система задания и контроля режима реализует алгоритм упреждающего задания режимов работы компонентов электротехнического комплекса.
В состав системы управления энергоснабжением входят:
- блок измерения энергетических параметров;
- анализатор энергетической ситуации;
- система оценки требуемой мощности;
- система управления энергоустановкой.
Система управления энергоустановкой изменяет структуру энергоснабжения в зависимости от сложившейся энергетической ситуации и оценки требуемой мощности, а также оптимизирует энергетические потоки с целью минимизации расхода топлива.
Рис. 21. Структурная схема АСУ
Многоканальная система управления левитацией и тягой состоит из автономных систем управления (АСУ). На рисунке 21 приведена структурная схема АСУ. На схеме показаны следующие компоненты:
На схеме также показан статор линейного двигателя СЛД, который механически сочленен с датчиками воздушного зазора BR и положения BL.
АСУ обеспечивает управление подъемной силой и силой тяги, создаваемой одним элементом статора линейного двигателя. Формирование тока в обмотке статора происходит таким образом, чтобы поддерживать величину воздушного зазора в допустимых пределах, а также обеспечить заданную силу тяги.
Контур адаптации состоит следующих компонентов:
В блок обработки измерительной информации поступает вся доступная измерению информация о состоянии многоканальной системы управления левитацией и тягой. После предварительной обработки первичной информации данные передаются в блок оценки динамического состояния объекта, который идентифицирует динамическое состояние объекта и подстраивает параметры настраиваемой модели под параметры объекта управления. По результатам подстройки устройство адаптации формирует алгоритм коррекции задания для АСУ.
Представленная структура управления электротехническим комплексом обеспечивает реализацию режимов работы транспортной платформы.
ЗАКЛЮЧЕНИЕ
Развитие работ в области создания грузовых МЛТС связано с разработкой и исследованием электротехнического комплекса подвижного состава для полигона эксплуатации с протяженными перегонами на слабо освоенных территориях.
В работе предложена концепция построения электротехнического комплекса подвижного состава с путевой структурой, оснащенной только пассивными компонентами электротехнического комплекса. Такое техническое решение позволит снизить затраты на создание инфраструктуры транспортной системы.
В основе принятых технических решений лежит развитие идеи интеграции различных функций в одном объекте, способном одновременно обеспечить левитацию, тягу и боковую стабилизацию используя однотипные компоненты электротехнического комплекса.
Установлено, что свойства линейного реактивного индукторного двигателя с поперечным замыканием потока, позволяют обеспечить левитацию, тягу и боковую стабилизацию. Двигатель имеет пассивный ротор, а питание его обмоток осуществляется от однотипных силовых преобразователей. Это позволяет снизить массу электротехнического оборудования и расположить его на борту транспортного средства.
Результаты расчетных исследований, выполненные на компьютерной модели комбинированной тягово-левитационной системы с линейным реактивным индукторным двигателем, подтверждают физическую реализуемость системы. В качестве ближайшего железнодорожного аналога рассматривалась скоростная вагон-платформа модели 13-6990 для перевозки контейнеров.
В отличие от объектов-аналогов в состав электротехнического комплекса включена газотурбинная энергетическая установка, генерирующая электрическую энергию для питания силовых цепей. Топология системы энергоснабжения позволяет функционировать транспортной платформе как в составе поезда по системе многих единиц, так и автономно.
Предложенная структура электротехнического комплекса соответствует условиям предполагаемого полигона эксплуатации, расположенного на труднодоступных и слабо освоенных территориях. Путевая структура пассивна, а подвижной состав оснащен автономной энергетической установкой. Это обеспечивает создание МЛТС с низко затратной инфраструктурой.
Авторы заявляют что:
- У них нет конфликта интересов;
- Настоящая статья не содержит каких-либо исследований с участием людей в качестве объектов исследований.
About the authors
Alexander V. Kireev
JSC "Scientific and Technical Center" PRIVOD-N"
Author for correspondence.
Email: akireev@privod-n.ru
ORCID iD: 0000-0003-1157-2402
SPIN-code: 9674-4388
Candidate of Technical Sciences, Associate Professor
Russian Federation, NovocherkasskNikolay М. Kozhemyaka
JSC "Scientific and Technical Center" PRIVOD-N"
Email: nkozhemyaka@privod-n.ru
ORCID iD: 0000-0002-3976-7546
SPIN-code: 7921-4510
Candidate of Technical Sciences
Russian Federation, NovocherkasskGennady N. Kononov
JSC "Scientific and Technical Center" PRIVOD-N"
Email: gkononov@privod-n.ru
ORCID iD: 0000-0002-5511-9311
SPIN-code: 9565-6740
Russian Federation, Novocherkassk
References
- Киреев А.В., Кожемяка Н.М., Кононов Г.Н. Предпосылки создания высокоскоростной контейнерной транспортной системы // Транспортные системы и технологии. – 2017. – Т.ٔ 4. – № 10. – C. 4–41. [Kireev AV, Kozhemyaka NM, Kononov GN. Prerequisites for the creation of a high-speed container transport system. Transportation Systems and Technology. 2017;4(10):4-41. (In Russ., in Engl.)]. doi: 10.17816/transsyst2017345-41
- Антонов Ю.Ф., Никитин В.В., Хожаинов А.И. Технология HSST в проектах LINIMO и ROTEM / Труды I Международной научно-практической конференции «Магнитолевитационные транспортные системы и технологии» 29-31 октября 2013 года; СПб. Под общ. ред. Антонова Ю.Ф., СПб: ООО PUDRA, 2013 – С. 18–25. [Antonov JuF, Nikitin VV, Hozhainov AI. Tehnologija HSST v proektah LINIMO i ROTEM In: Antonov JuF, aditor. Proceedings of the International Scientific and Practical Conference “Maglev Transportation Systems and Technologies”. 2013 October 29-31; St. Petersburg: LLC PUDRA, 2013. p. 18-25 (In Russ.)].
- Siemens RH. Propulsion System and Power Supply for TRANSRAPID Commercial Lines. [Internet]. [cited 2021 June 20]. Available from: https://www.semanticscholar.org/paper/Propulsion-System-and-Power-Supply-for-TRANSRAPID-Siemens/abd1b963bb9b821915107b0efcae3dccd7974523#citing-papers.
- Hellinger R, Mazur T, Nothhaft J. STATIONARY COMPONENTS OF THE LONG-STATOR PROPULSION SYSTEM FOR HIGH-SPEED MAGLEV SYSTEMS. [Internet]. [cited 2021 June 20]. Available from: https://www.semanticscholar.org/paper/STATIONARY-COMPONENTS-OF-THE-LONG-STATOR-PROPULSION-Hellinger-Mazur/ce40db8a9076af57e575f0ae33b751d6f08f09dd
- General Atomics. Maglev Technologies. [Internet]. Website Company General
- Atomics (GA); [cited 2021 June 20]. Available at: http://www.ga.com/urban-maglev
- James K, Rodriguez L, Hinds S. and Thicksten E. Maglev Freight Conveyor Systems. [Internet]. [cited 2021 June 20]. Available from: https://www.semanticscholar.org/paper/Maglev-Freight-Conveyor-Systems-No-.-121-James-Rodriguez/be38c36d90a80a8312968b4e42b1535b663a4033
- Зайцев А.А. Технология «Магтрансити» в проекте «Санкт-Петербургский Маглев» // Известия ПГУПС. – 2013. – № 4. – С. 5–17. [Zaitsev AA. Technology “Magtranscity” in the project “St. Petersburg Maglev”. Izvestia PGUPS. 2013;(4):5-17. (In Russ.)]. Доступно по: https://cyberleninka.ru/article/n/tehnologiya-magtransiti-v-proekte-sankt-peterburgskiy-maglev Ссылка активна на: 20.06.2021.
- Зайцев А.А. Грузовая транспортная платформа на магнитолевитационной основе: опыт создания // Транспортные системы и технологии. – 2015. – Т. 2. – № 1. – C. 5–15. [Zaytsev AA. Gruzovaja transportnaja platforma na magnitolevitacionnoj osnove: opyt sozdanija . Transportation Systems and Technology. 2015;2(2):5-15. (In Russ.)]. Доступно по: https://transsyst.ru/transsyst/article/view/7592 Ссылка активна на: 20.06.2021.
- Зайцев А.А. Магнитолевитационный транспорт: ответ на вызовы времени // Транспортные системы и технологии. – 2017. – Т. 3. – №1. – C. 5–13. [Zaytsev AA. Magnetothevitational transport: response to time challenges. Transportation Systems and Technology. 2017;3(1):5-13. (In Russ.)]. 10.17816/transsyst2017315-13' target='_blank'>https://doi: 10.17816/transsyst2017315-13
- Реднов Ф.А. Трехфункциональный односторонний линейный индукторный двигатель: дис.…канд. техн. наук. – Новочеркасск, 1993. – 205 с. Доступно по: https://www.elibrary.ru/item.asp?id=30158921 Ссылка активна на: 20.06.2021. [Rednov FA. Trekhfunktsional'nyy odnostoronniy lineynyy induktornyy dvigatel' [dissertation]. Novocherkassk; 1993. 205 р. (In Russ.)]. [cited 2021 June 20]. Available from: https://www.elibrary.ru/item.asp?id=30158921
- Талья И.И., Серебряков В.И., Суслова К.Н. и др. Система линейного электропривода и магнитной подвески на базе линейного индукторного электродвигателя для вагона городского и пригородного сообщения // Электровозостроение. – 1990. – Т. 31. – С. 175–187. [Tal'ja II, Serebrjakov VI, Suslova KN, et al. Sistema linejnogo elektroprivoda i magnitnoj podveski na baze linejnogo induktornogo elektrodvigatelja dlja vagona gorodskogo i prigorodnogo soobshhenija. Elektrovozostroenie. 1990;(31):175-187. (In Russ.].
- ÜSTKOYUNCU, Nurettin & RAMU, Krishnan. (2015). A performance comparison of conventional and transverse flux linear switched reluctance motors. Turk J Elec Eng & Comp Sci. 2015;23: 974-986. 10.3906/elk-1305-214' target='_blank'>https://doi: 10.3906/elk-1305-214
- Prasad N, Jain S, Gupta S. Electrical Components of Maglev Systems: Emerging Trends. Urban Rail Transit. 2019;5:67-79. https://doi.org/10.1007/s40864-019-0104-1
- Коломейцев Л.Ф., Пахомин С.А. Развитие теории и создание новых конструкций индукторных машин // Известия вузов. Электромеханика. – 2005. – № 2. – С. 6–10. [Kolomejcev LF, Pahomin SA. Razvitie teorii i sozdanie novyh konstrukcij induktornyh mashin . Izvestija vuzov. Jelektromehanika. 2005;2:6-10. (In Russ.)]. Доступно по: https://www.elibrary.ru/item.asp?id=9144874. Ссылка активна на: 20.06.2021.
- Скоростная вагон-платформа для перевозки контейнеров модели 13-6990 [Skorostnaja vagon-platforma dlja perevozki kontejnerov modeli 13-6990. [Internet]. (In Russ.)]. Доступно по: http://www.vnikti-kolomna.ru/development/tech/skorostnaya-vagon-platforma-dlya-perevozki-konteynerov-modeli-13-6990.html. Ссылка активна на 20.06.2021.
- ПАО «Калужский двигатель» [PAO "Kaluzhskij dvigatel'" [Internet]. In Russ.)]. Доступно по: http://kadvi.ru/modul-dlya-gazoturbovozov/. Ссылка активна на: 20.06.2021.
- Литовченко В.В. 4q-S – четырехквадрантный преобразователь электровозов переменного тока // Известия вузов. Электромеханика. – 2000. – № 3. – С.64–73. [Litovchenko VV. 4q-S – chetyrehkvadrantnyj preobrazovatel' jelektrovozov peremennogo toka. Izvestija vuzov. Jelektromehanika. 2000;(3):64-73. (In Russ.)].
- Магин В.В., Панасюк М.Б. Особенности конструкции высокоскоростных синхронных генераторов с постоянными магнитами, предназначенных для работы в составе системы электродвижения. Вопросы электромеханики. – Т. 149. – 2015. – С. 18–22. [Magin VV, Panasjuk MB. Osobennosti konstrukcii vysokoskorostnyh sinhronnyh generatorov s postojannymi magnitami, prednaznachennyh dlja raboty v sostave sistemy jelektrodvizhenija. Voprosy jelektromehaniki. 2015;(149):18-23. (In Russ.)]. Доступно по: https://www.elibrary.ru/item.asp?id=28420546. Ссылка активна на: 20.06.2021.
- Каталог. Батареи для транспорта. ООО «Лиотех-Инновации». [Katalog. Batarei dlja transporta. LLC «Lioteh-Innovacii». [Internet]. (In Russ.)]. Доступно по: https://www.liotech.ru/products/batarei-i-nakopiteli/#. Ссылка активна на 20.06.2021.
- Евстафьев А.М. Оценка энергоемкости бортового накопителя энергии для тягового подвижного состава // Бюллетень результатов научных исследований. – 2018. – № 2. – С. 7–17. [Evstaf'ev AM. Ocenka jenergoemkosti bortovogo nakopitelja jenergii dlja tjagovogo podvizhnogo sostava. Bjulleten' rezul'tatov nauchnyh issledovanij. 2018;(2):7-17. (In Russ.)]. Доступно по: https://www.elibrary.ru/item.asp?id=35214018 Ссылка активна на 20.06.2021.
- Варакин И.Н., Менухов В.В., Самитин В.В. Применение электрохимических конденсаторов ЗАО «ЭЛТОН» в составе гибридных энергосиловых установок на карьерном автотранспорте // Горное оборудование и электромеханика. – 2007. – № 11. – С. 10–14. [Varakin IN, Menuhov VV, Samitin VV. Primenenie jelektrohimicheskih kondensatorov ZAO "ELTON" v sostave gibridnyh jenergosilovyh ustanovok na kar'ernom avtotransporte. Gornoe oborudovanie i elektromehanika. 2007;(11):10-14. (In Russ.)]. Доступно по: https://www.elibrary.ru/item.asp?id=9604529 Ссылка активна на 20.06.2021.
- Евстафьев А. М. Выбор топологии схем тягового привода электрического подвижного составав // Изв. Петерб. ун-та путей сообщения. – СПб.: ПГУПС, 2010. – Вып. 3 (24). – С. 89–98. [Evstaf'ev AM. Vybor topologii shem tjagovogo privoda jelektricheskogo podvizhnogo sostava. Izvestija Emperor Alexander I St. Petersburg State Transport University. 2010;3(24):89-98. (In Russ.)]. Доступно по: https://elibrary.ru/item.asp?id=15548707 Ссылка активна на 20.06.2021.
- Бабак С.Ф., Васильев В.И., Ильясов Б.Г. и др. Основы теории многосвязных систем автоматического управления летательными аппаратами: Учеб. пособие / Под ред. Красилыцикова М.Н. – М.: Изд-во МАИ, 1995. – 288 с. [Babak SF, Vasil'ev VI, Il'jasov BG, et al. Fundamentals of the theory of multiply connected systems for automatic control of aircraft: schoolbook. Krasilycikova MN, editors. Moscow: MAI; 1995. 228 p. (In Russ.)].
Supplementary files


























