Reduction of anthropogenic impact alumina production on water bodies
- Authors: Pilyaeva O.V.1
-
Affiliations:
- Achinsk branch of the Krasnoyarsk State Agrarian University
- Issue: 2024: Pogonyshev DA, editor. Culture, science, education: problems and prospects: proceedings of the XI International Scientific and Practical Conference (Nizhnevartovsk, 9-10 November 2023)
- Pages: 358-364
- Section: Секция 11. Экология и природопользование
- URL: https://journals.eco-vector.com/kultura_nvsu2023/article/view/630907
- DOI: https://doi.org/10.36906/KSP-2023/50
- ID: 630907
Cite item
Full Text
Abstract
Based on the monitoring of generalized technological cycles of water circulation in alumina production, model representations and identified patterns of water consumption and sanitation for the technical facilities of the plant, as well as the techno-ecological balance, which is necessary for the self-restoration of the water body, the design solution for the installation of a cooling tower subsystem and subsequent environmental measures for the transfer of power equipment to a closed subsystem of water supply with by serving a slurry card.
Full Text
В глиноземном производстве важны водоохранные мероприятия, которые способствуют рациональному использованию водных ресурсов [1-3]. Перспективы рационального использования водных ресурсов в промышленных районах обусловлены взаимозависимостью факторов, формирующих запасы пресных вод и определяющих их качество. В результате не эффективной неправильной очистки производственных сточных вод, недостаточного контроля за их сбросом и неустойчивого размещения промышленных предприятий возникают серьезные проблемы, которые в зависимости от ситуации с разной степенью тяжести отрицательно сказываются на качестве речной воды.
Водные объекты используются для целей водопотребления и водоотведения в глинозёмном производстве, а также для питьевого и хозяйственно-бытового водоснабжения технических и технологических объектов, сброса сточных вод передачи тепловой энергии от теплоэлектроцентрали (ТЭЦ) [1-3].
В следствии вода подсистемы градирен осуществлено экологическое мероприятие: ликвидирован выпуск сбросных вод ТЭЦ с пруда-охладителя, а сам пруд переоборудован под новую шламовую карту для размещения нефелинового шлама и золошлаковых отходов глиноземного комбината.
Цель исследования. Обосновать снижение выбросов загрязняющих веществ в водную экосистему реки Чулым до уровня нейтральности, обеспечивающего баланс природно- экологических и техногенных факторов глинозёмного производства.
Задачи исследования. Исследовать принцип работы и закономерности технологических циклов водопотребления и водоотведения в глинозёмном производстве г. Ачинска за 2021 год на примере ТЭЦ и других технических объектов, а также шламового хранилища.
Объект и методы исследований. Методологической основой исследований стал принцип нейтральности по выбросу загрязняющих веществ, который в авторской интерпретации для глинозёмного производства означает минимизацию до уровня 0,15 г/с. Использованы утверждённые схемы и процедуры мониторинга высокотехнологического развития при обеспечении экологической безопасности [7; 9].
Для имитации процессов водопотребления и водоотведения в глинозёмном производстве использована система компьютерной математики Maple.
Результаты исследования. Осуществлено экологическое мероприятие по минимизации отрицательного воздействия глинозёмного производства на окружающую среду посредством формирования оборотной подсистемы водоснабжения, снижению забора речной воды. Введена в эксплуатацию новая градирня, которая заместила пруд-охладитель, имеющий прежде щелочную реакцию до 9,5 ед. на новую шламовую карту [5; 6; 8].
Существенное влияние на систему водопотребления и водоотведения в глинозёмном производстве оказывает работа ТЭЦ. Принцип работы ТЭЦ заключается в следующем. Исходная вода из реки по двум напорным циркуляционным водоводам подается в турбинное отделение котлотурбинного цеха ТЭЦ. Циркуляционная вода отводит тепло от оборудования и после подогрева охлаждается в градирнях [4].
Аналитическая модель включает в себя модельное представление обобщённого показателя качества (степени загрязнения) воды, структурно-функциональную схему технологических циклов водооборота с заданными интенсивностями материальных потоков, адаптированную под аппарат дифференциальных уравнений Колмогорова А.Н. и систему дифференциальных уравнений состояний технических объектов (звеньев) системы водооборота, а также содержит обоснованный критерий нейтральности техногенного выброса, по обобщённой оценке, качества воды.
Оценка качества (степени загрязнения) речной воды по обобщённому показателю при воздействии технологических циклов водооборота (водопотребления и водоотведения) в глинозёмном производстве. Обобщённый показатель H представлен свёрткой квадратов показателей содержания загрязняющих веществ: металлов ... (железа, меди и др.), нерастворимых неорганических веществ ... (песок, глина и др.), органических веществ ... (химических соединений и примесей), содержание микроорганизмов ... (бактерий, вирусов) и учитывает радиоактивность воды температуру кислотность pH и щёлочность жёсткость воды ... (концентрация хлора, кальция и магния и др.), кислородное число воды (количество кислорода необходимое для окисления органических веществ в воде), а также органолептические свойства (запах, вкус, прозрачность):
(1)
Здесь , (k, r =1, 2, ...) – неотрицательные весовые коэффициенты частных показателей качества воды , определённые экспертным путём, которые удовлетворяют условию нормировки:
(2)
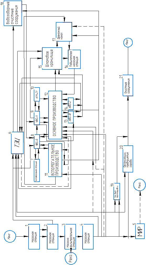
Информационно-логическая модель технологических циклов водопотребления и водоотведения отражает принцип формирования потоков и водного баланса для ТЭЦ, других технических объектов и шламового хранилища (рис. 1). В проектном решении для глинозёмного комбината циркуляционная вода используется на собственные нужды ТЭЦ и основного производства. В результате ввода построенных градирен был ликвидирован выпуск сбросных вод ТЭЦ с пруда-охладителя, а сам пруд переоборудован под новую шламовую карту для размещения нефелинового шлама и золошлаковых отходов комбината.
Рис. 1. Структурно-функциональная схема технологических циклов водооборота (водопотребления и водоотведения) в глинозёмном производстве с условными обозначениями технических объектов (звеньев) и потоков
Состояние каждого j -го объекта (звена) системы водооборота с вектором управления p задаётся посредством функции состояния – обобщённый показатель качества воды в j -м объекте в заданный момент времени t .
Взаимодействие звеньев и представляется интенсивность потока из i-го объекта в j-й объект
Согласно закону Колмогорова А.Н., изменение состояния каждого j-го объекта (звена) системы, с одной стороны, определяется производной функции состояния а с другой стороны, разностью входящего
и исходящего потоков для j -го объекта:
(3)
Заметим, что при данном подходе, входящий поток – это водопотребление, а исходящий поток – водоотведение.
Критерий нейтральности по обобщённому показателю качества (степени загрязнения) водного объекта (река Чулым):
(4)
Экспертно-аналитическим методом на примере глинозёмного комбината обоснован уровень техногенного выброса (по шкале 0…1):
достаточный для поддержания баланса между техногенными факторами глинозёмного производства и природно-экологическими факторами среды, обеспечивающего её самовосстановление.
Вычислительный эксперимент показал, что вследствие экологического мероприятия после установки градирен, обобщённый показатель качества (загрязнения) речной воды существенно снижается и его верхняя оценка не превосходит необходимого уровня нейтральности (рис. 2).
Рис. 2. Имитация динамики обобщённого показателя качества речной воды при её загрязнении выбросом глинозёмного производства: до (синяя линия) и после (зелёная) экологического мероприятия на 12 месяцев; критериальный уровень нейтральности выброса (красная пунктирная линия)
Предложенное проектное решение позволило более чем в 2 раза сократить забор чистой речной воды: до внедрения забор чистой речной воды составлял 63,4 млн м3 /год, после внедрения – 37,5 млн м3/год. Достигнута существенная экономия на платежах за пользование водными ресурсами.
На основе выявленных закономерности технологических циклов водопотребления и водоотведения в глинозёмном производстве на примере ТЭЦ и других технических объектов комбината обоснованы проектное решение по переводу энергетического оборудования ТЭЦ на замкнутую систему водоснабжения. Вычислительный эксперимент показал, что степень загрязнения речной воды существенно снижается и его верхняя оценка не превосходит необходимого уровня нейтральности выброса глинозёмного производства.
About the authors
O. V. Pilyaeva
Achinsk branch of the Krasnoyarsk State Agrarian University
Author for correspondence.
Email: uni@nvsu.ru
Russian Federation, Achinsk
References
- Власова Е.Р., Комарова Н.В., Реховская Е.О. Системы охлаждения и технологического водоснабжения на ТЭЦ // Молодой учёный. 2016. № 24. С. 135–137.
- Волкова И.В., Ершова Т.С., Шипулин С.В. Оценка качества воды водоемов рыбохозяйственного назначения. 2-е изд., испр. и доп. М.: Юрайт. Сер.: Университеты России, 2018. 294 с.
- Зарубина Р.Ф., Копылова Ю.Г. Анализ и улучшение качества природных вод. В 2-х частях. Ч. 1. Анализ и оценка качества природных вод. Томск: Томский политехн. ун-т, 2007. 168 с.
- Лаптев А.Г., Ведьгаева И.А. Устройство и расчет промышленных градирен. Казань, КГЭУ. 2004. 180 с.
- Пиляева О.В., Шепелев И.И., Кирюшкин Е.В., Еськова Е.Н. Рациональное использование природных ресурсов путем модернизации производственных систем // Теория и практика современной аграрной науки: Сб. III национальной (всероссийской) научной конференции с международным участием (г. Новосибирск, 28 февраля 2020 г.). Новосибирск, 2020. С. 523–526.
- Семёнов И.В. Мониторинг в системе обеспечения экологической безопасности гидротехнических объектов // Гидротехническое строительство. 1998. № 6. С. 33-40.
- Сизяков В.М., Власов А.А., Бажин В.Ю. Стратегические задачи металлургического комплекса России // Цветные металлы. 2016. № 1. С. 32–38.
- Шепелев И.И., О.В. Пиляева, Е.Н. Еськова, Е.В. Кирюшин Внедрение экологических мероприятий с целью снижения воздействия глиноземного производства на состояние природной среды // Проблемы региональной экологии. 2021. № 3. С. 10–14.
- Шепелев И.И., Еськова Е.Н., Кирюшин Е.В., Пиляева О.В. Решение экологических проблем путем модернизации производственных систем // Наука и образование: опыт, проблемы, перспективы развития: Сб. мат-лов международной научно-практической конференции (г. Красноярск, 17–19 апреля 2020 г.). Красноярск, 2020. С. 282–285.
Supplementary files




