Potential of using the electrohydraulic effect for water desalination
- Authors: Shangin E.S.1, Nekrasov A.V.1, Maygur I.O.1, Nureyev A.A.1
-
Affiliations:
- Nizhnevartovsk State University
- Issue: 2024: Pogonyshev DA, editor. Culture, science, education: problems and prospects: proceedings of the XI International Scientific and Practical Conference (Nizhnevartovsk, 9-10 November 2023)
- Pages: 492-497
- Section: Секция 13. Нефть, газ: современные технологии и лучшие практики
- URL: https://journals.eco-vector.com/kultura_nvsu2023/article/view/631287
- DOI: https://doi.org/10.36906/KSP-2023/69
- ID: 631287
Cite item
Full Text
Abstract
This article discusses an innovative method of water desalination using the Yutkin effect, based on the electrohydraulic effect. The design of a desalination plant operating without an electromechanical drive, capable of creating high excess pressures in water and ensuring a stable desalination process, is described. The advantages of this method include flexible control, environmental friendliness and reduced cost of desalination. The results of experiments on a laboratory sample confirm the effectiveness and promise of this approach to water desalination.
Full Text
В мире, где более 70% поверхности покрыто водой, проблема снабжения населения и сельского хозяйства пресной водой остается актуальной и набирающей обороты. Несмотря на богатство водных ресурсов, доступ к качественной пресной воде становится всё более проблематичным, что привлекает внимание к данной проблеме многих ученых и инженеров [1-3]. Эта краткая статья рассмотрит основные аспекты проблемы снабжения пресной водой населения и меры, принимаемые для ее решения, а также возможность использования электрогидравлического эффекта для опреснения воды
Проблема недостатка пресной воды имеет следующие причины:
- Растущая потребность. С ростом населения и индустриальной экспансией увеличивается потребность в пресной воде. Это приводит к дефициту водных ресурсов, особенно в регионах с ограниченным доступом к пресной воде;
- Загрязнение водных источников. Загрязнение водных источников от промышленных выбросов, сельского хозяйства и бытовых отходов ухудшает качество доступной воды, что создает проблемы для обеспечения безопасной питьевой водой;
- Неравномерное распределение. Доступ к пресной воде неравномерно распределен по всему миру. Многие регионы сталкиваются с нехваткой ресурсов, в то время как другие имеют избыток воды;
- Инфраструктурные проблемы. Устаревшая и недостаточная инфраструктура водоснабжения и канализации ухудшает доступ к пресной воде, особенно в мегаполисах и развивающихся странах.
- Экологические вызовы. Изменение климата и экологические факторы оказывают воздействие на доступность пресной воды и ухудшают проблему снабжения.
Для решения этих проблем принимаются разнообразные меры, включая улучшение инфраструктуры водоснабжения, более строгий контроль за загрязнением водных источников, инновационные методы очистки воды и повышение осведомленности об экономии воды. Процесс решения проблемы снабжения пресной водой требует усилий со стороны правительств, местных органов власти и граждан, чтобы обеспечить доступ к чистой воде для всех и сохранить этот важный ресурс для будущих поколений.
Опреснение воды – важная технологическая задача, необходимая для обеспечения доступа к чистой питьевой и промышленной воде. Существует несколько основных способов опреснения воды:
- Дистилляция. Этот метод включает в себя нагревание воды до кипения, затем конденсацию пара и сбор чистой воды. Дистилляция удаляет практически все загрязнители и соли, но требует больших энергозатрат;
- Обратный осмос. Процесс, при котором вода пропускается через полупроницаемую мембрану, которая удерживает соли и загрязнители. Этот метод эффективен и широко используется в промышленных и домашних системах опреснения;
- Ионообменная смола. Используется смола, которая обменивает ионы солей в воде на нейтральные ионы. Этот метод широко применяется для мягкой воды и удаления некоторых специфических загрязнителей;
- Обработка ультрафиолетовым излучением. УФ-лучи используются для уничтожения микроорганизмов и вирусов в воде, делая ее безопасной для питья;
- Добавление химических реагентов. Воде могут быть добавлены химические реагенты, такие как хлор или озон, для дезинфекции и удаления загрязнителей;
- Фильтрация. Применяются фильтры различных типов, такие как песчаные, угольные и мембранные, чтобы улавливать частицы и загрязнители в воде.
Эти методы могут использоваться индивидуально или в комбинации, в зависимости от качества и источника воды, а также требований конкретного процесса опреснения. Выбор наилучшего метода зависит от конкретных задач и условий использования. Так, например, химический способ существенно проигрывает другим способам по всем параметрам. Он имеет высокую стоимость. С его помощью невозможно опреснить большой объем воды, максимум до 5 литров жидкости. Все это в совокупности исключает промышленное применение данного способа. К тому же соли бария могут негативно влиять на здоровье человека при превышении концентрации. Тем не менее, этот способ незаменим в экстренных ситуациях и поэтому активно используется на морских судах, у летчиков и военных, которые всегда имеют в запасе комплект для опреснения воды в случае аварии или чрезвычайной ситуации.
Ниже представлена таблица, где произведено сравнение наиболее используемых в настоящее время способов получения пресной воды по характеристикам себестоимости, энергоэффективности процесса, экологичности и вреда для здоровья человека, употребляющего опресненную воду. К сожалению, в настоящее время опреснение морской воды существенно дороже доставки, что делает невозможным применение данного метода для бедных стран, где наблюдается дефицит пресной воды. Опреснение по разным оценкам обходится в 2–3 дороже, чем простая доставка пресной воды. С другой стороны, сто лет назад это соотношение было гораздо хуже и опреснение стоило в 30 раз дороже доставки воды. Технологии развиваются и вероятно, что в дальнейшем соотношение изменится в пользу опреснения воды на месте. По крайней мере, рынок стремительно расширяется, согласно данным исследований только в ближневосточном регионе на опреснение воды ежедневно тратится порядка 18 миллиардов долларов (https://clck.ru/38pvSt). Там же приводятся цифры, что в мире действует «16 тысяч опреснительных станций, расположенных в 177 странах и вырабатывающих до 95 миллионов кубометров пресной воды в сутки», и каждые 10 лет количество опресняемой воды будет расти вслед за повышением потребности в пресной воде примерно на 9,5% (https://clck.ru/38pvSt).
Таблица. Сравнительный анализ методов опреснения
Параметры | Химический способ | Электродиализ | Обратный осмос | Доставка воды |
Себестоимость | Очень дорогой способ | 0,5–1$ на кубометр очищенной воды | 1–1,5$ на кубометр очищенной воды | На данный момент в 2–3 раза ниже опреснения |
Энергоэффективность | Затрат энергии нет | Высокие затраты энергии | Достаточно энергоэффективен | Требуется топливо на доставку |
Вред для здоровья | Высокий при частом употреблении | Недостаточное качество очистки | Требуется дополнительная обработка воды | Нет |
Экологичность | Не экологично | Не экологично | Высокая | Высокая |
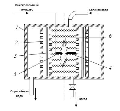
Метод опреснения воды с использованием эффекта Юткина является модификацией метода обратного осмоса и основан на превращении электроэнергии в механическую энергию через электрогидравлический эффект. При этом высоковольтный разряд в жидкости вызывает кипение части жидкости и создает газожидкостную смесь, что в свою очередь создает избыточное гидравлическое давление. Подробно суть эффекта описана Юткиным Л.А. [6; 7]. Соответственно, данный эффект можно использовать для создания давления, чтобы пропустить воду через мембрану в схеме обратного осмоса для опреснения воды, что дает существенные преимущества по сравнению с традиционной схемой. Схема устройства, которое использует эффект Юткина для опреснения продукции скважины без необходимости механических насосов, представлена на рисунке 1. Ранее, данная схема была нами рассмотрена в монографии «Инновационное развитие науки: фундаментальные и прикладные проблемы» [4, с. 114-129]. В настоящий момент идет апробация данной установки в Узбекистане, которая позволит более детально и на практике проверить и оценить достоинства и недостатки предлагаемого метода в сравнении с аналогами.
.
Рис. 1. Общая принципиальная схема устройства для опреснения воды. 1-корпус; 2-перфорированная камера; 3- плёнка для фильтрации; 4- электрод нулевой; 5 - высоковольтный электрод; 6 - разрядная камера
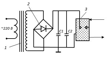
Одним из ключевых преимуществ этого устройства является его полная повторяемость и простота в реализации. На рисунке 2 показана схема, которая позволяет накопить в конденсаторной батарее достаточное количество энергии, чтобы осуществить эффект Юткина и обеспечить работу устройства опреснения воды.
В процессе возникновения электрогидравлического эффекта происходит мгновенное выделение энергии, которая ранее накоплена в конденсаторной батарее. Эта энергия высвобождается путем импульсного разряда в жидкости, находящейся в камере 3. В момент расширения газовой полости часть жидкости выталкивается через перфорации в камере 2 и через плёнку 3 (как показано на рис. 1). После этого происходит обратное движение жидкости, полость закрывается, и давление газа внутри полости снижается. Это создает разрежение в камере, которое затем заполняется жидкостью из внешней среды через впускной клапан (не показан на рисунке). В результате этого процесса происходит перемещение жидкости из разрядной камеры 6 (как показано на рис. 1) через поры плёнки 3, что в свою очередь позволяет отделить соль от воды.
Рис. 2. Электрическая схема возбуждения электрогидравлического эффекта с конденсаторной батареей [4, с. 126]. 1 – повышающий трансформатор; 2 – диодный выпрямитель; 3 – разрядная камера
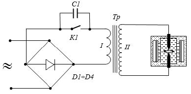
Параметры, связанные с конкретным устройством, реализующим эффект электрогидравлики, сильно зависят от условий, в которых оно функционирует в реальной среде. Среди этих условий можно выделить такие факторы, как состав используемой жидкости, давление воды, проводимость среды, температура и многие другие. Важными параметрами, характеризующими электрический разряд в данном контексте, являются мощность разряда, напряжение и длительность импульса. Для упрощения конструкции была предложена схема генерации высоковольтного разряда в жидкости, основанная на индукционном накоплении энергии (как показано на рис. 3).
Рис. 3. Электрическая схема возбуждения электрогидравлического эффекта с индукционным накоплением энергии [4, с. 127]
Данная схема обладает большей скоростью реакции, поскольку не требует накопления энергии в конденсаторной батарее. Это позволяет работать с более высокой частотой разряда и увеличивает производительность.
Преимущества описанного метода опреснения воды включают:
- Энергоэффективность данной схемы, благодаря повышению КПД.
- Снижение металлоемкости и затрат на обслуживание.
В целом, проблема опреснения воды является сложной и многогранной, но развитие новых технологий и подходов, таких как эффект Юткина, может сыграть важную роль в решении этой проблемы и обеспечении доступа к чистой питьевой воде. Применение электрогидравлического эффекта обладает большим потенциалом. В частности, как уже говорилось выше, в настоящий момент идет апробация предлагаемого метода в Узбекистане и первые результаты обнадеживают.
About the authors
E. S. Shangin
Nizhnevartovsk State University
Author for correspondence.
Email: uni@nvsu.ru
ORCID iD: 0009-0006-6532-100X
Doctor of Technical Sciences
Russian Federation, NizhnevartovskA. V. Nekrasov
Nizhnevartovsk State University
Email: uni@nvsu.ru
ORCID iD: 0000-0003-2589-0858
Candidate of Economic Sciences
Russian Federation, NizhnevartovskI. O. Maygur
Nizhnevartovsk State University
Email: uni@nvsu.ru
ORCID iD: 0009-0004-6367-0471
Russian Federation, Nizhnevartovsk
A. A. Nureyev
Nizhnevartovsk State University
Email: uni@nvsu.ru
ORCID iD: 0009-0006-5660-8041
Russian Federation, Nizhnevartovsk
References
- Евсюкова К.А., Иноземцев И.В. Современные проблемы опреснения морской воды // Современные проблемы гуманитарных и общественных наук. 2014. № 2. С. 52-55.
- Ляшевский В.И., Джапарова А.М. К проблеме опреснения морской воды в Крыму // Таврический вестник аграрной науки. 2015. № 1. С. 63-68.
- Мосин О.В., Игнатов И.А. Современные технологии опреснения морской воды // Энергосбережение и водоподготовка. 2012. № 4. С. 13-19.
- Шаньгин Е.С., Некрасов А.В., Чубарова О.И., Кочина Т.Б. Применение электрогидравлического эффекта в технологической схеме опреснения воды // Инновационное развитие науки: фундаментальные и прикладные проблемы. Петрозаводск: Международный центр научного партнерства «Новая Наука» (ИП Ивановская И.И.), 2023. С. 114-129. EDN OAOOQC
- Юткин Л.А. Электрогидравлический эффект и его применение в промышленности. М.: Книга по Требованию, 2013. 253 с.
- Юткин Л.А. Электрогидравлический эффект. М.; Л.: Машгиз, 1955, 52 с.
Supplementary files




