Обзор методов импедансной спектроскопии
- Авторы: Кутурин В.А.1
-
Учреждения:
- Самарский университет
- Выпуск: Том 1 (2022)
- Страницы: 424-425
- Раздел: Электроника и радиоэлектроника
- URL: https://journals.eco-vector.com/osnk-sr/article/view/107348
- ID: 107348
Цитировать
Полный текст
Аннотация
Обоснование. Метод импедансной спектроскопии (ИС) достаточно распространен в исследованиях низкотемпературной плазмы, которая формируется газовыми разрядами различных типов. Рассмотренные работы [1–4], связанные с данной областью, демонстрируют, что определенные информативные параметры, выявленные посредством применения метода ИС, позволяют контролировать не только свойства поверхности объекта, подвергаемого обработке в плазме, но и поверхности различных составляющих самого источника низкотемпературной плазмы, а также осуществлять контроль моментов начала и окончания процессов травления в плазме вследствие изменения электрофизических параметров газового разряда [2]. Однако стоит отметить, что вопросы активного анализа параметров названных поверхностей и плазмы методом импедансной спектроскопии изучены не в полной мере для плазменных процессов в высоковольтном газовом разряде. На перспективное применение рассматриваемого метода указывают известные способы определения шероховатости поверхности по электрическим спектральным характеристикам. В итоге можно сделать предположение, что целенаправленное действие на определенные плазменные процессы в определенных диапазонах частот может улучшить стабильность, точность, и управляемость системы источник низкотемпературной плазмы – плазма – обрабатываемый объект (ИНТП-П-ОО).
Цель — математическое моделирование работы рассматриваемой системы с помощью метода импедансной спектроскопии и выполнение расчета по износу катода источника низкотемпературной внеэлектродной плазмы на основе газового разряда высоковольтного типа со следующими параметрами: диаметр плазмы 100 мм; ток разряда 0–200 мА; ускоряющее напряжение до 4 кВ [5].
Методы. Импедансная спектроскопия основана на измерении и анализе зависимости комплексного электрического сопротивления Z от частоты f = ω/2π переменного тока, то есть в рассматриваемом методе при подаче некоторого возмущающего синусоидального сигнала малой амплитуды на исследуемую систему выполняется анализ вызванного им сигнала-отклика на выходе [1], а также его обработка с дальнейшим построением эквивалентных схем замещения, имеющих ту же зависимость импеданса от частоты, что и рассматриваемая система, на основе идеализированных элементов: резисторов, конденсаторов и катушек индуктивности. По характеру изменений амплитудно-частотных и фазочастотных характеристик и параметров эквивалентных схем замещения можно производить оценку состояния ИНТП и выполнять контроль изменения электрофизических параметров системы ИНТП-П-ОО при проведении технологических операций вроде травления и напыления [2].
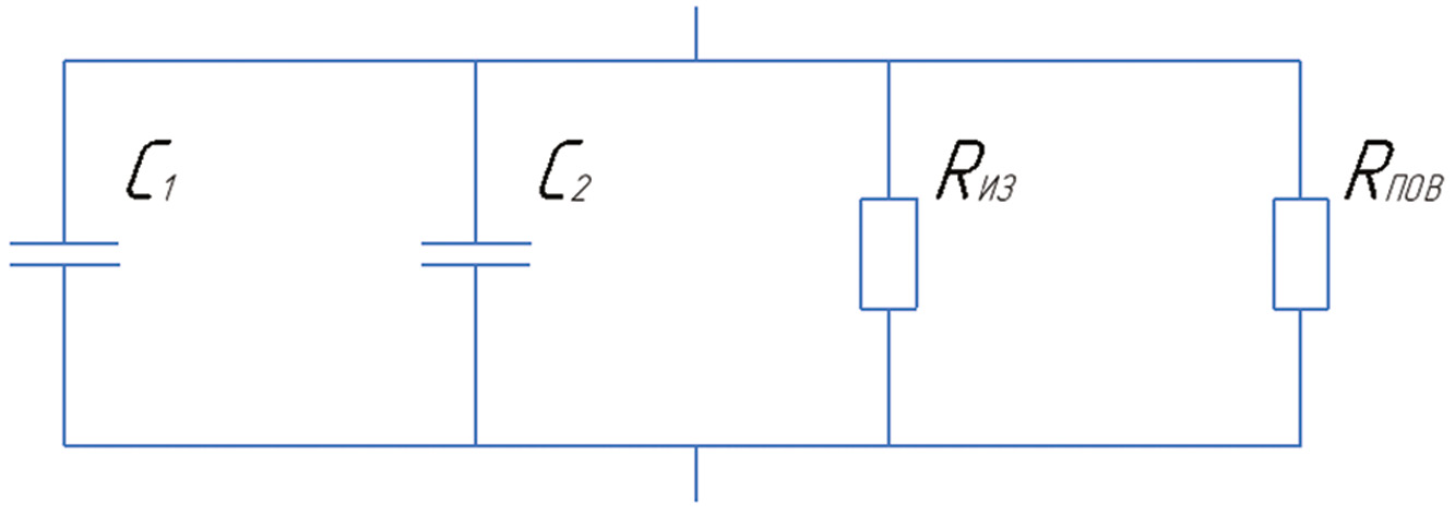
Результаты. При выполнении работы были решены следующие задачи: описаны процессы распыления катода ИНТП положительными ионами азота и нанесения распыляемых с катода атомов алюминия на поверхность изолирующих узлов источника, построение эквивалентных схем систем ИНТП (рис. 1), ИНТП-П-ОО (рис. 2), описывающих их в рабочих, пограничных состояниях.
Рис. 1. Эквивалентная схема ИНТП: C1 — емкость, моделирующая образование ямок на поверхности катода; C2 — емкость, моделирующая провисание сетки-анода; RИЗ — сопротивление фторопластовой изоляции катода; RПОВ — сопротивление торцов фторопластовой прокладки
Рис. 2. Эквивалентная схема ИНТП-П-ОО: C1 — емкость, моделирующая образование ямок на поверхности катода; C2 — емкость, моделирующая провисание сетки-анода; RИЗ — сопротивление фторопластовой изоляции катода; RПОВ — со- противление торцов фторопластовой прокладки; RПЛ — сопротивление плазмы для выбранного технологического процесса
Выводы. В данной работе представлена возможность решения поставленных задач с помощью метода импедансной спектроскопии при учете технологических и конструктивных особенностей рассматриваемой системы.
Полный текст
Обоснование. Метод импедансной спектроскопии (ИС) достаточно распространен в исследованиях низкотемпературной плазмы, которая формируется газовыми разрядами различных типов. Рассмотренные работы [1–4], связанные с данной областью, демонстрируют, что определенные информативные параметры, выявленные посредством применения метода ИС, позволяют контролировать не только свойства поверхности объекта, подвергаемого обработке в плазме, но и поверхности различных составляющих самого источника низкотемпературной плазмы, а также осуществлять контроль моментов начала и окончания процессов травления в плазме вследствие изменения электрофизических параметров газового разряда [2]. Однако стоит отметить, что вопросы активного анализа параметров названных поверхностей и плазмы методом импедансной спектроскопии изучены не в полной мере для плазменных процессов в высоковольтном газовом разряде. На перспективное применение рассматриваемого метода указывают известные способы определения шероховатости поверхности по электрическим спектральным характеристикам. В итоге можно сделать предположение, что целенаправленное действие на определенные плазменные процессы в определенных диапазонах частот может улучшить стабильность, точность, и управляемость системы источник низкотемпературной плазмы – плазма – обрабатываемый объект (ИНТП-П-ОО).
Цель — математическое моделирование работы рассматриваемой системы с помощью метода импедансной спектроскопии и выполнение расчета по износу катода источника низкотемпературной внеэлектродной плазмы на основе газового разряда высоковольтного типа со следующими параметрами: диаметр плазмы 100 мм; ток разряда 0–200 мА; ускоряющее напряжение до 4 кВ [5].
Методы. Импедансная спектроскопия основана на измерении и анализе зависимости комплексного электрического сопротивления Z от частоты f = ω/2π переменного тока, то есть в рассматриваемом методе при подаче некоторого возмущающего синусоидального сигнала малой амплитуды на исследуемую систему выполняется анализ вызванного им сигнала-отклика на выходе [1], а также его обработка с дальнейшим построением эквивалентных схем замещения, имеющих ту же зависимость импеданса от частоты, что и рассматриваемая система, на основе идеализированных элементов: резисторов, конденсаторов и катушек индуктивности. По характеру изменений амплитудно-частотных и фазочастотных характеристик и параметров эквивалентных схем замещения можно производить оценку состояния ИНТП и выполнять контроль изменения электрофизических параметров системы ИНТП-П-ОО при проведении технологических операций вроде травления и напыления [2].
Результаты. При выполнении работы были решены следующие задачи: описаны процессы распыления катода ИНТП положительными ионами азота и нанесения распыляемых с катода атомов алюминия на поверхность изолирующих узлов источника, построение эквивалентных схем систем ИНТП (рис. 1), ИНТП-П-ОО (рис. 2), описывающих их в рабочих, пограничных состояниях.
Рис. 1. Эквивалентная схема ИНТП: C1 — емкость, моделирующая образование ямок на поверхности катода; C2 — емкость, моделирующая провисание сетки-анода; RИЗ — сопротивление фторопластовой изоляции катода; RПОВ — сопротивление торцов фторопластовой прокладки
Рис. 2. Эквивалентная схема ИНТП-П-ОО: C1 — емкость, моделирующая образование ямок на поверхности катода; C2 — емкость, моделирующая провисание сетки-анода; RИЗ — сопротивление фторопластовой изоляции катода; RПОВ — со- противление торцов фторопластовой прокладки; RПЛ — сопротивление плазмы для выбранного технологического процесса
Выводы. В данной работе представлена возможность решения поставленных задач с помощью метода импедансной спектроскопии при учете технологических и конструктивных особенностей рассматриваемой системы.
Об авторах
Виталий Александрович Кутурин
Самарский университет
Автор, ответственный за переписку.
Email: vitalek57@gmail.com
студент, группа 6465-110303D, факультет электроники и приборостроения
Россия, СамараСписок литературы
- Климов К.Н., Сестрорецкий Б.В., Вершков В.А., и др. Электродинамический анализ двумерных неоднородных сред и плазмы. Москва: Макс-Пресс, 2005. 321 с.
- Ефремов А.М., Светцов В.И., Рыбкин В.В. Вакуумно-плазменные процессы и технологии: учебное пособие. Иваново: Изд-во ИГХТУ, 2006. 260 с.
- Фаррахов Р.Г., Парфенов Е.В., Гусаров А.В., и др. Импедансная спектроскопия технологического процесса твердого анодирования алюминиевых сплавов. 2014. С. 93–102.
- Булышев А.Е., Преображенский Н.Г. Отклик импеданса безэлектродного ВЧ-разряда на оптическое возбуждение // ДАН СССР. 1984. Т. 279, № 6. С. 1357–1359.
- Казанский Н.Л., Колпаков В.А. Формирование оптического микрорельефа во внеэлектродной плазме высоковольтного газового разряда: монография. Москва: Радио и связь, 2009. 220 с.
Дополнительные файлы




