Синтез системы управления нагревом нефти в распределенной железнодорожной нефтебазе
- Авторы: Мезенцева В.С.1, Хамин Е.Н.1, Тычинина Ю.А.1
-
Учреждения:
- Самарский государственный технический университет
- Выпуск: Том 1 (2022)
- Страницы: 402-404
- Раздел: Мехатроника
- URL: https://journals.eco-vector.com/osnk-sr/article/view/107517
- ID: 107517
Цитировать
Полный текст
Аннотация
Обоснование. Сырая нефть достаточно неоднородна и в своем составе содержит много солей, парафинов и растворенный газ. Нефть, поступающая с разных месторождений, существенно отличается своим составом, поэтому модель объекта управления подвержена параметрическим возмущениям.
Цель — изучить подход к компенсации параметрических возмущений методами обратной динамики.
Методы. Пусть объект управления описывается уравнением второго порядка:
, (1)
здесь x(t) — выходной сигнал системы, u(t) — управление, поступающее на объект управления.
Необходимо перевести объект из начального состояния
в стационарное конечное состояние
.
Необходимо, чтобы переходная функция объекта совпадала с переходной функцией модели, описываемой дифференциальным уравнением (2):
, (2)
где x0 — постоянное воздействие на систему, например, единичная ступень; y(t) — желаемый выходной сигнал.
При решении поставленной задачи находили минимум функционала G(u) по градиентной схеме (3) [1].
,
. (3)
Из (1) и (2) можно получить:
,
,
. (4)
Можно показать, что алгоритм управления в итоге выражается (5):
. (5)
Подставив (5) в дифференциальное уравнение объекта (1), получим дифференциальное уравнение замкнутой системы.
.
Тогда передаточная функция замкнутой системы со входом x0 и выходом x(t) при k→∞ примет вид:
. (6)
То есть при k → ∞ (6) преобразуется в передаточную функцию модели. Поскольку коэффициент k не может быть бесконечно большим, его необходимо взять таким, чтобы он удовлетворял заданной погрешности реализации желаемой функции.
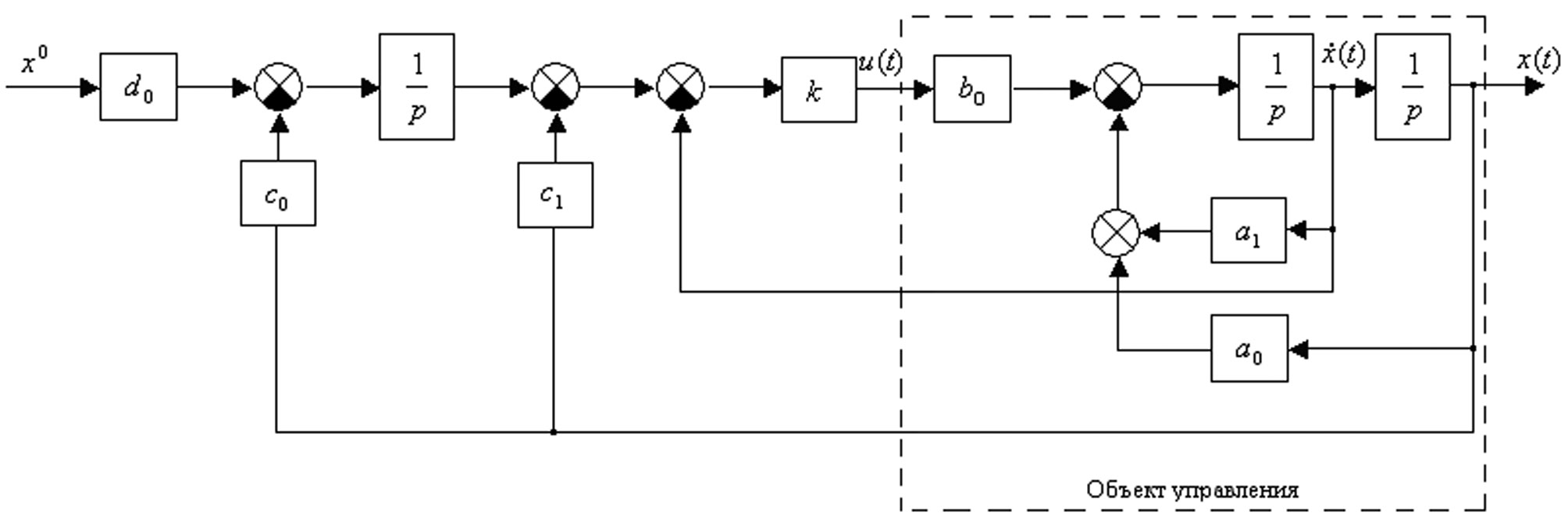
Согласно (5) получаем структурную схему всей системы (рис. 1).
Рис. 1. Структурная схема системы управления
Результаты. По полученной структуре системы управления было проведено математическое моделирование (рис. 2). Объект управления, описываемый передаточной функцией второго порядка (7), был переведен из начального состояния в конечное x0 = 10 так, чтобы переходная функция системы совпадала с переходной функцией эталонной модели, имеющей передаточную функцию (8).
, (7)
. (8)
Рис. 2. Моделирование системы управления в Simulink
Результаты моделирования приведены на рис. 3. Сначала было показано, что полученная система управления с компенсационным регулятором приводит переходную функцию системы к эталонной траектории (рис. 3, а), затем трижды были существенно изменены параметры объекта (введены параметрические возмущения), а система управлений осталась без изменения (рис. 3, б).
Рис. 3. Результаты моделирования: а — без возмущающего воздействия; б — при воздействии различных параметрических возмущений
Таким образом, можно утверждать, что полученная система управления обладает свойством адаптивности к параметрическим возмущениям объекта.
Вывод. В работе рассмотрен вопрос построения системы управления адаптивной к параметрическим возмущениям.
Данный подход планируется в дальнейшей работе применить к процессу нагрева нефти в путевом подогревателе с учетом параметрических возмущений за счет изменения состава нефти [2].
Полный текст
Обоснование. Сырая нефть достаточно неоднородна и в своем составе содержит много солей, парафинов и растворенный газ. Нефть, поступающая с разных месторождений, существенно отличается своим составом, поэтому модель объекта управления подвержена параметрическим возмущениям.
Цель — изучить подход к компенсации параметрических возмущений методами обратной динамики.
Методы. Пусть объект управления описывается уравнением второго порядка:
, (1)
здесь x(t) — выходной сигнал системы, u(t) — управление, поступающее на объект управления.
Необходимо перевести объект из начального состояния
в стационарное конечное состояние
.
Необходимо, чтобы переходная функция объекта совпадала с переходной функцией модели, описываемой дифференциальным уравнением (2):
, (2)
где x0 — постоянное воздействие на систему, например, единичная ступень; y(t) — желаемый выходной сигнал.
При решении поставленной задачи находили минимум функционала G(u) по градиентной схеме (3) [1].
,
. (3)
Из (1) и (2) можно получить:
,
,
. (4)
Можно показать, что алгоритм управления в итоге выражается (5):
. (5)
Подставив (5) в дифференциальное уравнение объекта (1), получим дифференциальное уравнение замкнутой системы.
.
Тогда передаточная функция замкнутой системы со входом x0 и выходом x(t) при k→∞ примет вид:
. (6)
То есть при k → ∞ (6) преобразуется в передаточную функцию модели. Поскольку коэффициент k не может быть бесконечно большим, его необходимо взять таким, чтобы он удовлетворял заданной погрешности реализации желаемой функции.
Согласно (5) получаем структурную схему всей системы (рис. 1).
Рис. 1. Структурная схема системы управления
Результаты. По полученной структуре системы управления было проведено математическое моделирование (рис. 2). Объект управления, описываемый передаточной функцией второго порядка (7), был переведен из начального состояния в конечное x0 = 10 так, чтобы переходная функция системы совпадала с переходной функцией эталонной модели, имеющей передаточную функцию (8).
, (7)
. (8)
Рис. 2. Моделирование системы управления в Simulink
Результаты моделирования приведены на рис. 3. Сначала было показано, что полученная система управления с компенсационным регулятором приводит переходную функцию системы к эталонной траектории (рис. 3, а), затем трижды были существенно изменены параметры объекта (введены параметрические возмущения), а система управлений осталась без изменения (рис. 3, б).
Рис. 3. Результаты моделирования: а — без возмущающего воздействия; б — при воздействии различных параметрических возмущений
Таким образом, можно утверждать, что полученная система управления обладает свойством адаптивности к параметрическим возмущениям объекта.
Вывод. В работе рассмотрен вопрос построения системы управления адаптивной к параметрическим возмущениям.
Данный подход планируется в дальнейшей работе применить к процессу нагрева нефти в путевом подогревателе с учетом параметрических возмущений за счет изменения состава нефти [2].
Об авторах
Виктория Сергеевна Мезенцева
Самарский государственный технический университет
Email: mezenceva-vika@mail.ru
студентка, группа 2-иаит-1м, институт автоматики и информационных технологий
Россия, СамараЕгор Николаевич Хамин
Самарский государственный технический университет
Email: skull98@mail.ru
студент, группа 2-иаит-1м, институт автоматики и информационных технологий
Россия, СамараЮлия Александровна Тычинина
Самарский государственный технический университет
Автор, ответственный за переписку.
Email: ytychinina@list.ru
научный руководитель, кандидат технических наук, доцент
Россия, СамараСписок литературы
- Крутько П.Д. Обратные задачи динамики в теории автоматического управления. Москва: Машиностроение, 2004. 576 с.
- Рапопорт Э.Я. Структурное моделирование объектов и систем управления с распределенными параметрами: учебное пособие. Москва: Высшая школа, 2003. 299 с.
Дополнительные файлы





