Моделирование электролизных и альтернативных технологий производства водорода
- Authors: 1, 1, 1, 1
-
Affiliations:
- Самарский государственный технический университет
- Issue: Vol 1 (2023)
- Pages: 447-450
- Section: Теплоэнергетика и теплотехника
- URL: https://journals.eco-vector.com/osnk-sr2023/article/view/397546
- ID: 397546
Cite item
Full Text
Abstract
Обоснование. В настоящее время использование водорода в качестве энергоносителя является одним из наиболее актуальных и перспективных направлений развития энергетики. Литературный обзор [1–3] показал, что в мировой водородной энергетике широкое распространение получили технологии генерации водорода, основанные на процессе электролиза. Вместе с тем, несмотря на лидирующие позиции проектов по реализации электролизных технологий, к которым можно отнести щелочной электролиз (ЩЭ) и электролиз с протонообменной мембраной (ПОМ), вопрос моделирования процессов производства водорода электролизным способом не является полностью решенным.
Цель — основной целью исследования является создание универсальной имитационной структурной модели процесса производства водорода на основе технологий ЩЭ и электролиза с ПОМ для использования в качестве объекта управления и оптимизации.
Методы. В исследованиях по рассматриваемой тематике [4] наиболее эффективным способом моделирования процесса электролиза является использование зависимостей тока, напряжения, температуры и геометрических характеристик электролизной установки (1):
. (1)
Однако предложенная в [4] модель обладает существенными недостатками:
- – в том случае, когда электрический ток на входных контактах электролизной установки принимает значения, близкие к нулю, логарифмическая составляющая уравнения (1) становится отрицательной, что приводит к неверным результатам;
- – поскольку в уравнении (1) отсутствует ограничение на токовый сигнал, малые значения электрического тока в модели приводят к тому, что, согласно модели, на контактах электролизной ячейки генерируется напряжение. Однако на практике реакция происходит только после того, когда приложенное напряжение превысит обратимое, ниже которого ток через электролизер не протекает;
- – модель не учитывает зависимость количества произведенного в единицу времени водорода от температурного режима процесса и расхода энергии на его реализацию.
Для устранения указанных недостатков базовая модель (1) была перестроена таким образом, чтобы электрический ток рассматривался в качестве функции напряжения. Кроме того, модель поляризационных дополняется уравнением, которое описывает влияние температуры подаваемого электролита или воды и величины генерируемого тока (2) [4].
(2)
Система уравнений (2) дополняется условиями активации процесса электролиза:
при , (3)
ограничивающими диапазон действующего напряжения значением, при котором не происходит химическая реакция электролиза, т. е. через электролизную установку не протекает электрический ток.
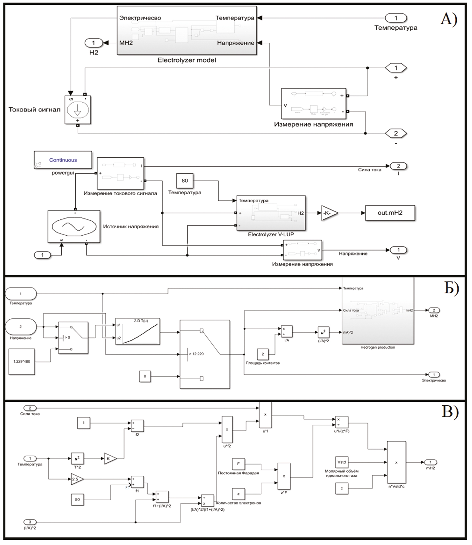
На основе эмпирической модели (2), (3) построена имитационная структурная модель электролизера в ППП MATLAB/Simulink (рис. 1).
Рис. 1. Имитационная структурная модель электролизной установки: а, б, в — первый, второй, третий уровни вложенности модели
Результаты. Для верификации результатов, полученных при моделировании системы уравнений (2) и (3), использовались экспериментальные данные электролизеров щелочного типа и с протонообменной мембраной [5, 6] (рис. 2). В качестве оценки ошибки моделирования использовалась нормированная среднеквадратичная оценка.
Рис. 2. Верификация результатов моделирования
Эксперименты проводились для рассматриваемых типов электролизеров при различных температурах электролита или воды. Результаты моделирования показывают (см. рис. 2), что с повышением температуры электролита или воды понижается напряжение при равной плотности тока на электродах ЩЭ и электролизера с ПОМ, что свидетельствует о увеличении скорости химической реакции. Средняя ошибка моделирования процессов электролиза в установке с щелочной ячейкой составляет около 4 %, для установки с ПОМ — 2,7 %.
Выводы. Предложена система уравнений (2), (3), описывающая физико-химический процесс электролиза, который представляет собой широко распространенное технологическое решение по производству водорода как наиболее перспективного энергетического и материального ресурса в современной энергетике. Данные уравнения положены в основу разработанной в ППП MATLAB/Simulink имитационной структурной модели электролизной установки, которая верифицирована по экспериментальным данным и может быть использована для оптимизации режимов технологического процесса и построения САУ ключевыми параметрами процесса.
Full Text
Обоснование. В настоящее время использование водорода в качестве энергоносителя является одним из наиболее актуальных и перспективных направлений развития энергетики. Литературный обзор [1–3] показал, что в мировой водородной энергетике широкое распространение получили технологии генерации водорода, основанные на процессе электролиза. Вместе с тем, несмотря на лидирующие позиции проектов по реализации электролизных технологий, к которым можно отнести щелочной электролиз (ЩЭ) и электролиз с протонообменной мембраной (ПОМ), вопрос моделирования процессов производства водорода электролизным способом не является полностью решенным.
Цель — основной целью исследования является создание универсальной имитационной структурной модели процесса производства водорода на основе технологий ЩЭ и электролиза с ПОМ для использования в качестве объекта управления и оптимизации.
Методы. В исследованиях по рассматриваемой тематике [4] наиболее эффективным способом моделирования процесса электролиза является использование зависимостей тока, напряжения, температуры и геометрических характеристик электролизной установки (1):
. (1)
Однако предложенная в [4] модель обладает существенными недостатками:
- – в том случае, когда электрический ток на входных контактах электролизной установки принимает значения, близкие к нулю, логарифмическая составляющая уравнения (1) становится отрицательной, что приводит к неверным результатам;
- – поскольку в уравнении (1) отсутствует ограничение на токовый сигнал, малые значения электрического тока в модели приводят к тому, что, согласно модели, на контактах электролизной ячейки генерируется напряжение. Однако на практике реакция происходит только после того, когда приложенное напряжение превысит обратимое, ниже которого ток через электролизер не протекает;
- – модель не учитывает зависимость количества произведенного в единицу времени водорода от температурного режима процесса и расхода энергии на его реализацию.
Для устранения указанных недостатков базовая модель (1) была перестроена таким образом, чтобы электрический ток рассматривался в качестве функции напряжения. Кроме того, модель поляризационных дополняется уравнением, которое описывает влияние температуры подаваемого электролита или воды и величины генерируемого тока (2) [4].
(2)
Система уравнений (2) дополняется условиями активации процесса электролиза:
при , (3)
ограничивающими диапазон действующего напряжения значением, при котором не происходит химическая реакция электролиза, т. е. через электролизную установку не протекает электрический ток.
На основе эмпирической модели (2), (3) построена имитационная структурная модель электролизера в ППП MATLAB/Simulink (рис. 1).
Рис. 1. Имитационная структурная модель электролизной установки: а, б, в — первый, второй, третий уровни вложенности модели
Результаты. Для верификации результатов, полученных при моделировании системы уравнений (2) и (3), использовались экспериментальные данные электролизеров щелочного типа и с протонообменной мембраной [5, 6] (рис. 2). В качестве оценки ошибки моделирования использовалась нормированная среднеквадратичная оценка.
Рис. 2. Верификация результатов моделирования
Эксперименты проводились для рассматриваемых типов электролизеров при различных температурах электролита или воды. Результаты моделирования показывают (см. рис. 2), что с повышением температуры электролита или воды понижается напряжение при равной плотности тока на электродах ЩЭ и электролизера с ПОМ, что свидетельствует о увеличении скорости химической реакции. Средняя ошибка моделирования процессов электролиза в установке с щелочной ячейкой составляет около 4 %, для установки с ПОМ — 2,7 %.
Выводы. Предложена система уравнений (2), (3), описывающая физико-химический процесс электролиза, который представляет собой широко распространенное технологическое решение по производству водорода как наиболее перспективного энергетического и материального ресурса в современной энергетике. Данные уравнения положены в основу разработанной в ППП MATLAB/Simulink имитационной структурной модели электролизной установки, которая верифицирована по экспериментальным данным и может быть использована для оптимизации режимов технологического процесса и построения САУ ключевыми параметрами процесса.
About the authors
Самарский государственный технический университет
Author for correspondence.
Email: yaegormir2188@gmail.com
Самарский государственный технический университет
Email: maksimsam@mail.ru
Самарский государственный технический университет
Email: yulia_pl@mail.ru
Самарский государственный технический университет
Email: mder2007@mail.ru
References
- www.iea.org [Электронный ресурс]. A worldwide database of hydrogen projects [дата обращения: 10.10.2022]. Доступ по: https://www.iea.org/data-and-statistics/data-product/hydrogen-projects-database#overview
- Казаринов А.В., Деревянов М.Ю., Плешивцева Ю.Э. Классификация и анализ локализации проектов по производству водорода // Системы анализа и обработки данных. 2022. № 4. С. 31–48. doi: 10.17212/2782-2001-2022-4-31-48.
- Pleshivtseva Yu., Derevyanov M., Pimenov A., Rapoport A. Comprehensive review of low carbon hydrogen projects towards the decarbonization pathway // Int J Hydrog Energy. 2023. Vol. 48, No. 10. P. 3703–3724. doi: 10.1016/j.ijhydene.2022.10.209
- Øystein U. Modeling of advanced alkaline electrolyzers: A system simulation approach // Int J Hydrog Energy. 2003. Vol. 28, No. 1. P. 21–33. doi: 10.1016/S0360-3199(02)00033-2
- Briguglio N., Brunaccini G., Siracusano S., et al. Design and testing of a compact PEM electrolyzer system // Int J Hydrog Energy. 2013. Vol. 38, No. 26. P. 11519–11529. doi: 10.1016/j.ijhydene.2013.04.091
- Zhang F., Zhao P., Niu M., Maddy J. The survey of key technologies in hydrogen energy storage // Int J Hydrog Energy. 2016. Vol. 41, No. 33. P. 14535–14552. doi: 10.1016/j.ijhydene.2016.05.293.
Supplementary files




