Прямоточный паровой котел для промышленной теплотехники
- Authors: 1, 1
-
Affiliations:
- Самарский государственный технический университет
- Issue: Vol 1 (2023)
- Pages: 445-446
- Section: Теплоэнергетика и теплотехника
- URL: https://journals.eco-vector.com/osnk-sr2023/article/view/409822
- ID: 409822
Cite item
Full Text
Abstract
Обоснование. Большей части производств и технологических процессов нужна тепловая энергия. Ее производят в котельных установках и теплоносителем подают для использования. Одним из выгодных теплоносителей является сухой насыщенный пар, доставляющий потребителю значительное количество теплоты в расчете на 1кг массы пара. Это преимущество возникает в процессе смены агрегатного состояния воды в объеме парового котла.
Цель — разработать конструкцию котла для получения тепловой энергии и теплоносителя этой энергии производительностью не больше 1 т/ч насыщенного пара.
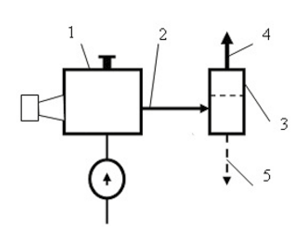
Методы. Не использовать в разрабатываемой конструкции барабана. Разделять кипящую котловую воду и пар в отдельном сепараторе (рис. 1).
Рис. 1. Разработанная конструкция парового котла: 1 — котел и теплообменные поверхности; 2 — пароводяная пульпа; 3 — сепаратор; 4 — насыщенный пар для потребления; 5 — продувочная котловая вода
Теплообменные поверхности выполнить в виде плотно намотанных спиралей. Трубные витки спирали меньшего диаметра для газовой плотности по прилегающим друг к другу образующими линиям труб свариваются. Эта спираль труб радиационного нагрева будет топкой котла. Спираль большего диаметра станет конвективной поверхностью котла (рис. 2).
Рис. 2. Устройство конструкции парового котла, продольный разрез: 1 — горелка; 2 — входной патрубок питательной воды; 3 — выходной патрубок пароводяной пульпы; 4 — выход продуктов сгорания; 5 — спираль труб конвективного нагрева; 6 — спираль радиационных труб, образующих топку
Сварка труб этой спирали по прилегающим линиям не нужна. Меньшая газовая плотность несколько снизит передаваемое количество теплоты от дымовых газов.
Результаты. Конструкция котла состоит из двух главных частей. Сам котел 1 с его теплообменными поверхностями и сепаратор 3 пароводяной пульпы 2, выходящей из котла.
Питательная вода насосом подается в паровой котел, в его конвективную теплообменную поверхность рис. 2. Теплотой продуктов сгорания вода нагревается до температуры кипения. Через патрубок, соединяющий конвективную поверхность с радиационной, нагретая вода поступает в радиационную поверхность, закипает, часть воды испаряется. Образовавшаяся пульпа кипящей воды и пара подается в сепаратор. Вода отделяется от пара. Пар подается для потребления, кипящая вода из сепаратора становится продувочной водой.
На рис. 2 показаны положения двух спиралей. Конвективная спираль 5 своим правым концом упирается в изоляционную стену котла, что заставляет газы из топки развернуться в конвективный проход. Радиационная спираль 6 своим левым концом упирается в изоляционную стену котла. Факел горящего топлива и продукты сгорания двигаются внутри спирали 6.
Выводы. Предложена водотрубная конструкция. При нагревании стальные части котла будут расширяться в поперечном направлении относительно оси котла. Круговая схема труб спиралей при расширении не упирается стенками в жесткие неподвижные ограничения. Температурные напряжения не возникают. Отсутствие барабана значительно упрощает конструкцию, изготовление и эксплуатацию. Одинаковый вид поверхностей нагрева и простота расположения обеспечивают высокую пригодность к ремонту. Поперечное омывание газами водотрубных поверхностей нагрева значительно увеличивает теплопередачу и сокращает габаритный размер котла. Коэффициент полезного действия брутто высокий, т. к. продувочная вода 5 (рис. 1) входит в полезное количество теплоты. Коэффициент полезного действия нетто будет зависеть от конкретной тепловой схемы котельной. Это тема нашей дальнейшей работы.
Full Text
Обоснование. Большей части производств и технологических процессов нужна тепловая энергия. Ее производят в котельных установках и теплоносителем подают для использования. Одним из выгодных теплоносителей является сухой насыщенный пар, доставляющий потребителю значительное количество теплоты в расчете на 1кг массы пара. Это преимущество возникает в процессе смены агрегатного состояния воды в объеме парового котла.
Цель — разработать конструкцию котла для получения тепловой энергии и теплоносителя этой энергии производительностью не больше 1 т/ч насыщенного пара.
Методы. Не использовать в разрабатываемой конструкции барабана. Разделять кипящую котловую воду и пар в отдельном сепараторе (рис. 1).
Рис. 1. Разработанная конструкция парового котла: 1 — котел и теплообменные поверхности; 2 — пароводяная пульпа; 3 — сепаратор; 4 — насыщенный пар для потребления; 5 — продувочная котловая вода
Теплообменные поверхности выполнить в виде плотно намотанных спиралей. Трубные витки спирали меньшего диаметра для газовой плотности по прилегающим друг к другу образующими линиям труб свариваются. Эта спираль труб радиационного нагрева будет топкой котла. Спираль большего диаметра станет конвективной поверхностью котла (рис. 2).
Рис. 2. Устройство конструкции парового котла, продольный разрез: 1 — горелка; 2 — входной патрубок питательной воды; 3 — выходной патрубок пароводяной пульпы; 4 — выход продуктов сгорания; 5 — спираль труб конвективного нагрева; 6 — спираль радиационных труб, образующих топку
Сварка труб этой спирали по прилегающим линиям не нужна. Меньшая газовая плотность несколько снизит передаваемое количество теплоты от дымовых газов.
Результаты. Конструкция котла состоит из двух главных частей. Сам котел 1 с его теплообменными поверхностями и сепаратор 3 пароводяной пульпы 2, выходящей из котла.
Питательная вода насосом подается в паровой котел, в его конвективную теплообменную поверхность рис. 2. Теплотой продуктов сгорания вода нагревается до температуры кипения. Через патрубок, соединяющий конвективную поверхность с радиационной, нагретая вода поступает в радиационную поверхность, закипает, часть воды испаряется. Образовавшаяся пульпа кипящей воды и пара подается в сепаратор. Вода отделяется от пара. Пар подается для потребления, кипящая вода из сепаратора становится продувочной водой.
На рис. 2 показаны положения двух спиралей. Конвективная спираль 5 своим правым концом упирается в изоляционную стену котла, что заставляет газы из топки развернуться в конвективный проход. Радиационная спираль 6 своим левым концом упирается в изоляционную стену котла. Факел горящего топлива и продукты сгорания двигаются внутри спирали 6.
Выводы. Предложена водотрубная конструкция. При нагревании стальные части котла будут расширяться в поперечном направлении относительно оси котла. Круговая схема труб спиралей при расширении не упирается стенками в жесткие неподвижные ограничения. Температурные напряжения не возникают. Отсутствие барабана значительно упрощает конструкцию, изготовление и эксплуатацию. Одинаковый вид поверхностей нагрева и простота расположения обеспечивают высокую пригодность к ремонту. Поперечное омывание газами водотрубных поверхностей нагрева значительно увеличивает теплопередачу и сокращает габаритный размер котла. Коэффициент полезного действия брутто высокий, т. к. продувочная вода 5 (рис. 1) входит в полезное количество теплоты. Коэффициент полезного действия нетто будет зависеть от конкретной тепловой схемы котельной. Это тема нашей дальнейшей работы.
About the authors
Самарский государственный технический университет
Email: zverev.01@yandex.ru
Самарский государственный технический университет
Author for correspondence.
Email: krvdm@yandex.ru
References
- Поляков В.В. Советские прямоточные котлы: опыт эксплуатации и перспективы развития. М.: Госэнергоиздат, 1958. 208 с.
Supplementary files




