The calculation and choice of the electromagnet parameters for the grain and seeds disinfectant device
- Authors: Maksimenko V.A.1, Bukhantsov K.N.1
-
Affiliations:
- Northern-Caucasian Scientific Research Institute of Mechanization and Electrification of Agriculture of Federal State Budgetary Scientific Institution Agricultural Research Center Donskoy
- Issue: Vol 89, No 3 (2022)
- Pages: 223-232
- Section: Economics, organization and technology of production
- Submitted: 09.04.2022
- Accepted: 05.06.2022
- Published: 02.01.2023
- URL: https://journals.eco-vector.com/0321-4443/article/view/106120
- DOI: https://doi.org/10.17816/0321-4443-106120
- ID: 106120
Cite item
Full Text
Abstract
BACKGROUND: High infection rate of grain harvest, produced in Russia annually, by causative agents of fungal and bacterial diseases, causing significant quantitative losses of grain and decreasing of storage quality, revealed low efficiency of operation of chemical treatment, nowadays widely used in production for disinfection of grain and seeds. Therefore, development of electrophysical disinfection methods, which are environmentally friendly and effective against fungal and bacterial infections, as well as development of technical devices for their implementation is a relevant scientific and production problem.
AIMS: Development of method of choice and definition of reasonable parameters of alternating current generator and electromagnet of disinfectant device for grain and seeds.
METHODS: The study subjects are methods and conditions of generation of alternating magnetic fields in the operational volume of impact on grain seeds flow. The study method is analysis of laws of electromagnetism and adaptation of them to the process of definition of electromagnet parameters for the operational volume of the disinfectant device. The study materials include the adapted mathematical expressions of magnet winding parameters and the method of their use.
RESULTS: For the sake of implementation of the new method of grain and seeds disinfection from causative agents of fungal and bacterial diseases by alternating magnet field, two methods of choice and calculation of electromagnet, which is the key element of the disinfectant device, have been developed. The first method comes to reasonable use of properties of a chosen generator by means of definition of coil winding parameters, ensuring demanded field density. Coil dimensions and time of impact on seeds will determine the device performance for treated grain. In the second method, the capacity of material flow through operational chamber (in the electromagnet) is conditioned by operational needs. It determines the size, parameters and operational modes of chamber (the inductance coil), ensuring the field demand, enough for disinfection, that, in the end, defines the properties of the generator.
CONCLUSIONS: The suggested method makes it possible to accelerate the development of facilities for implementation of highly efficient, energy saving and environmentally friendly technology of low-frequency magnetic disinfection of grain and seeds and to incorporate it in agricultural production.
Full Text
ВВЕДЕНИЕ
За последние 10 лет в зерновом подкомплексе АПК России происходит интенсивный рост производства зерна, который в течение 2019–2021 годов пришел к стабилизации на уровне 110–130 млн. тонн [1–4]. Увеличение производства было обусловлено сочетанием большой совокупности факторов (экономических, климатических, социальных и ряда др.), среди которых можно назвать: расширение использования под выращивание зерновых ранее хозяйственно заброшенных земель (в 90-е – начале 2000-х гг.): перевод под зерновые площадей сельхозугодий, ранее задействованных под возделывание кормовых культур, что было связано с сокращением потребностей в кормах отрасли животноводства, расширением использования в производстве современных удобрений и пестицидов: хозяйственное применение новых высокопродуктивных и адаптивных сортов пшеницы и других зерновых с высоким потенциалом качества за счет применения современных технологий и техники для почвообработки, посева, опрыскивания, уборки и других операций. И все это на фоне сложившихся в последние годы новых природно-климатических условий земледелия: арридизации климата в основных (традиционных) зернопроизводящих районах страны и вовлечения в условиях потепления климата в зерновое производство территорий ранее широко не специализировавшихся на выращивании зерна (ряд областей Центрально-Черноземной зоны, некоторые области Центральной России, юга Сибири и Дальнего Востока) [5].
Однако интенсивный рост производства зерна в стране обострил многие существующие в отрасли проблемы: нехватку уборочной техники: сильное травмирование зерна при уборке и послеуборочной обработке [6]: отсутствие достаточного количества специализированных мощностей для хранения зерна: кадровый дефицит в отрасли: деградацию взаимодействия субъектов зернового рынка из-за отсутствия нормативно-технических документов в отрасти (отменены в результате «регуляторной гильотины») и актуальной законодательной базы, регулирующей функционирование АПК: устаревшие принципы системы оплаты труда в зерновом подкомплексе: прогрессирующее ухудшение зараженности выращиваемого в стране зерна возбудителями грибковых и бактериальных заболеваний, обуславливающих значительные количественные и качественные потери урожая на всех стадиях производства, связанные в том числе с возникновением у фитопатогенов резистентности к большинству предлагаемых на рынке марок фунгицидов [7–8]; ухудшение экологической обстановки в АПК из-за накопления пестицидов (фунгицидов, гербицидов, инсектицидов и др.) и их токсичных компонентов в почве, воде, воздухе и в самой сельскохозяйственной продукции, что вызывает массовую заболеваемость людей и гибель полезной микрофлоры, насекомых-опылителей, животных и птица, из-за высокой химической активности агропрепаратов, их сильной отравляющей и мутагенной способности, плохой разлагаемости в естественных условиях, а также другие факторы.
Одной из первостепенных задач, стоящих перед зерновой отраслью производства России является создание способов и оборудования для эффективного и экологически безопасного обеззараживания зерна и семян от возбудителей грибковых и бактериальных заболеваний, альтернативных химическому протравливанию и не обладающих его наиболее существенными недостатками. Эти новые методы обеззараживания должны исключать применение в технологическом процессе химически опасных веществ; обеспечивать возможность использования их для обработки не только семенного, но и продовольственного зерна; по физическому механизму процесса исключать или значительно замедлять выработку резистентности у вредных фитопатогенов зерна к обеззараживающему воздействию; быть универсальными по ингибированию разных видов возбудителей болезней зерна; иметь низкую стоимость внедрения и низкие эксплуатационные затраты; не снижать посевные и другие технологические свойства зернового сырья; обеспечивать возможность создания широкой линейки оборудования по пропускной способности (производительности) по обрабатываемому материалу и др.
В лаборатории био энерготехнологий СКНИИМЭСХ предложен способ электрофизического обеззараживания зерна и семян, отвечающий всем поставленным требованиям.
Предыдущими исследованиями [9–11] выявлено обеззараживающее воздействие переменных магнитных полей на семена зерновых культур. Были определены параметры полей, которые можно считать рациональными по критерию снижения зараженности семян, величина которой по сравнению с контролем уменьшается в 1,89–2,2 раза, а на некоторых режимах обработки в 2,4–3,4 раза [9–11], в частности это частота магнитного поля f=20 Гц, магнитная индукция поля B=100 мТл и время воздействия около =2 с. Однако дальнейший анализ природы и механизма обеззараживающего воздействия переменного магнитного поля позволил сделать предположение [12] о существовании большей эффективности этих полей на их более высоких гармонических частотах, находящихся в диапазоне от 345 до 1000 Гц, и подтвердить его [13].Использованные ранее технические средства для получения обеззараживающих магнитных полей [14, 15] в виде статоров трехфазных электродвигателей, питаемых от преобразователей частоты трехфазного переменного тока мало приемлемы для таких частот из-за низкочастотности их магнитопроводов. Кроме того, подтвердившееся предположение об уменьшении достаточной для обеззараживания величины магнитной индукции позволяет существенно упростить конструктивное исполнение электромагнита, не оснащая его магнитопроводом, выполнив в виде катушки без сердечника, внутреннее пространство которой является объемом обеззараживающего воздействия.
Практическая реализация устройства для обеззараживания семян переменным магнитным полем предполагает наличие в нем генератора переменного тока, обеспечивающего возникновение магнитной индукции в рабочем объеме, охваченном обмоткой и представляющем собой катушку индуктивности, а также техническое средство, обеспечивающее необходимое время пребывания в ней семян.
Выполним поиск и расчет рациональных соотношений между параметрами генератора и размерами и характеристиками катушки индуктивности.
Целью исследования являлась разработка методики выбора и определения рациональных параметров генератора переменного тока и электромагнита обеззараживающего устройства для семян.
МАТЕРИАЛЫ И МЕТОДЫ ИССЛЕДОВАНИЯ
Предметом исследования являлись способы и условия создания переменных магнитных полей в рабочем объеме воздействия на поток семян зерновых культур.
Методом исследования является анализ законов электромагнетизма и их адаптация к процессу определения параметров электромагнита для рабочего объема обеззараживающего устройства.
К материалам исследования относятся адаптированные математические выражения параметров обмотки электромагнита и методика их использования.
Устройство для обеззараживания семян может быть выполнено либо с использованием готовых генераторов тока задаваемой частоты и ограниченной номинальной величины, либо с разработкой новых видов генераторов под те или иные производственные задачи.
Первый случай сводится к рациональному использованию выходных параметров имеющегося генератора – мощности, выходных напряжений и тока – путем отыскания параметров обмотки катушки, обеспечивающих необходимую магнитную индукцию. Размеры катушки и время воздействия на семена определят пропускные возможности – производительность устройства.
Во втором случае производительность (расход потока по рабочей камере) задается условиями производственной необходимости. Это обусловливает размер камеры, параметры и режимы работы обмотки, обеспечивающие достаточную магнитную индукцию, что в итоге определяет и характеристики генератора.
Исходными данными, характеризующими условия для обоих случаев обеспечения обеззараживающего воздействия на семена переменным магнитным полем является достаточная по величине магнитная индукция (, Тл) и время пребывания семян под ее воздействием (, с), частота переменного тока (, Гц), форма его периодического изменения (синусоида, меандр), положительные и отрицательные амплитуды тока и другое. Эти характеристики определяются экспериментально стандартными методами (по ГОСТ 12044-93 и ГОСТ 12038-84) оценки снижения зараженности семян после воздействия на них переменных магнитных полей исследуемых частот.
Выходной расчетной величиной во втором случае будет мощность генератора при каком-то заданном токе или напряжении и размеры катушки с параметрами обмотки.
Для определения порядка и метода расчета рабочей камеры и ее обмотки используем следующие закономерности.
Магнитная индукция катушки определяется по формуле [16]:
, Тл, (1)
где – количество витков в катушке, виток; µ – коэффициент магнитных свойств среды внутри обмотки, с достаточной точность далее считаем, что для зерна =1; – магнитная постоянная, , =4·π·10-7 ; – среднее эффективное значение переменного синусоидального тока в катушке, А; – длина обмотки, м, которую для удобства математических преобразований, конструктивных исполнений и корректности применения эмпирических формул выразим через средний радиус обмотки как .
, Ом, (2)
где – индуктивное сопротивление обмотки, Ом, определяемое из выражения (3) [17]:
, Ом, (3)
где – частота протекающего по обмотке синусоидального тока, Гц; – индуктивность катушки, Гн; – активное сопротивление обмотки, Ом, на наиболее эффективных частотах обеззараживания переменным магнитным полем от 345 до 600 Гц [13], при рациональных диаметрах каркаса катушки оно составляет менее 3–5% в составе общего сопротивления, что позволяет учитывать его лишь для тепловой оценки рабочего режима катушки.
Индуктивность катушки L с достаточной точностью можно определять формулой [16]:
, Гн, (4)
где – средняя площадь, охватываемая витком обмотки радиуса , м2, рассчитывается по формуле .
Закон Ома для участка электрической цепи выражается формулой (5) [17]:
, (5)
где – ток по участку электрической цепи (в катушке), А; – напряжение, подаваемое на катушку, В; – комплексное сопротивление катушки переменному току, Ом.
Мощность, выделяемая катушкой в виде магнитного поля и тепла [16]:
, Вт. (6)
Используя формулы (1) и (5) и выражая ток через задаваемую магнитную индукцию и искомые параметры катушки, можно записать следующее равенство:
. (7)
Из уравнения (7) выразим индуктивность и подставим в него формулу (4) в результате чего получим:
. (8)
Выразим из уравнения (8) величину количества витков катушки
. (9)
По принятому среднему радиусу обмотки определим объем рабочей камеры для магнитного обеззараживающего воздействия на семена:
, м3. (10)
С использованием формулы (10) расход обрабатываемого потока зерна в рабочей камере (катушке индуктивности) установки определим по уравнению (11):
, кг/с, (11)
где – насыпная плотность зерна, кг/м3, определена экспериментально c корректировкой справочных данных [18], для озимой пшеницы сорт Лидия и сорт Краса Дона = 700 кг/м3 [14, 19], – необходимое время пребывания обеззараживаемого зерна в магнитном поле, с.
Мощность тепловыделения в катушке после преобразования формулы (6) рассчитывается по выражению:
, Вт, (12)
где – активное сопротивление катушки, определяемое длиной намотанного провода и его электрическим сопротивлением 1 м провода, , Ом/м [18], Ом, и рассчитывается по формуле: .
Изменяя толщину обмоточного провода, можно изменять тепловыделение обмотки, которое вместе с условиями эксплуатации определит конструкцию охлаждения.
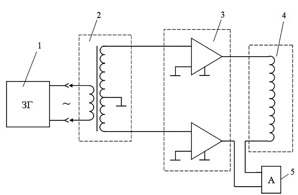
Пример 1. Расчет катушки, работающей в схеме, представленной на рис. 1, для использования ее с имеющимся в наличии генератором.
Рис. 1. Схема установки для экспериментального мультичастотного обеззараживающего воздействия магнитным полем на семена: 1 – звуковой генератор Г3-109; 2 – согласующий входной трансформатор; 3 – усилитель мощности звуковых частот SONY-STR-DK5; 4 – катушка магнитного воздействия; 5 – измеритель тока в катушке (цифровой амперметр M890G).
Fig. 1. The scheme of the installation for experimental multi-frequency disinfection of seeds by a magnetic field: 1 – the G3-109 sound generator; 2 – an input balance convertor; 3 – the Sony STR-DK5 sound frequency power amplifier; 4 – a magnetic coil; 5 – a coil current meter (the M890G digital amperemeter).
Выходным каскадом генератора является звуковой усилитель мощностью =1,1кВт с напряжением на выходе =65 В. Развиваемый при этом ток =16,92А. Для обеспечения щадящего режима ток уменьшаем на четверть () до =13А. Ток синусоидальный, рабочая частота =1000 Гц.
Определим производительность обеззараживающего устройства при его воздействии на зерно полем с магнитной индукцией равной = 0,05 Тл = 50 мТл при продолжительности обработки зерна =1,5 с.
Следует отметить, что величины , и выбираются по результатам экспериментов на оценку снижения зараженности от обработки. В приводимом примере исходные величины базируются на проведенных предварительных оценках [13]. Из выражения (1) следует, что при прочих неизменных параметрах увеличению магнитной индукции будет способствовать уменьшение среднего радиуса обмотки . В рабочем объеме катушки (в рабочей камере) магнитного воздействия зерно в насыпном состоянии должно продвигаться заданное, экспериментально определенное время. Такое условие реализуется, если соблюдается неравенство (13):
, (13)
где: – радиус отверстия в разрабатываемой катушке индуктивности, задающего расход потока (определяется экспериментально) имеет критическую минимальную величину, обусловленную механическими свойствами зерна, м (показан на рис. 2).
Рис. 2. Схема катушки индуктивности (рабочей камеры) установки обеззараживания зерна и семян с основным геометрическими параметрами.
Fig. 2. The scheme of the inductance coil (the operational chamber) of the installation of grain and seeds disinfection and main geometrical parameters.
Средний радиус обмотки =0,02 м выбираем минимальным согласно (13) [14].
Число витков обмотки, вычисляем по формуле (9): N ≈ 165 витков.
Проверочный расчет по развиваемой магнитной индукции выполним по формуле (1): B=0,045 Тл.
Некоторое уменьшение магнитной индукции, объясняемое использованием эмпирических формул, можно компенсировать увеличением обмотки с последующей проверкой по току.
Если считать активный ток в катушке индуктивности несущественным, то преобразовав формулу (5) с учетом формулы (3) индуктивность катушки, позволяющая прохождение рабочего тока =13 А вполне можно определить по выражению:
.
Выразив из формулы (4) число витков разрабатываемой катушки индуктивности, определим какое их количество обеспечивает рабочий ток =13 А: N≈174 витков.
При диаметре обмоточного провода =1,5 мм =0,0015 м на длине обмотки 60 мм укладывается 40 витков, а вся обмотка составит четыре слоя. При среднем радиусе обмотки =0,02 м диаметр каркаса вычислим по формуле (14):
. (14)
Активное сопротивление катушки индуктивности определяем по формуле с учетом того, что электрическое сопротивление 1 м обмоточного медного провода круглого сечения равно =0,0097 Ом/м [20]:
.
По формуле (12) рассчитаем мощность тепловыделения обмотки катушки индуктивности: W ≈ 35,5 Вт.
С такой величиной тепловыделения в процессе обеззараживания при свободном доступе к обмотке окружающего атмосферного воздуха и при прохождении зерна такой же температуры внутри тонкостенного каркаса разрабатываемой катушки индуктивности (рабочей камеры для обеззараживания) возможно обойтись без принудительного охлаждения рабочей камеры.
Производительность устройства для обеззараживания (через внутреннее пространство каркаса, на который намотана катушка индуктивности) определим по формуле, выведенной после подстановки выражений (10) и (14) в формулу (11) и соответствующих преобразований:
.
Пример 2. Определение параметров устройства для обеззараживания с заданной производительностью установки.
Необходимая производительность установки =1 т/ч.
Время пребывания под магнитным воздействием =1,5 с.
Магнитная индукция =0,06 Тл.
Принимаем, что радиус рабочей камеры без учета толщины стенки каркаса равен .
Определим объемный расход потока через рабочую камеру (внутреннее пространство каркаса, на который намотана катушка индуктивности) установки по формуле (15):
. (15)
Определим объем рабочей камеры, исходя из ее заполнения зерном в зафиксированный момент времени: .
Поскольку объем камеры определяется еще и по формуле (16):
, (16)
то, выразив из нее радиус рабочей камеры, получим r ≈ 0,04 м.
Для рабочих напряжений =220В и частоте =1000 Гц определим число витков катушки по формуле (9): N ≈ 116 витков.
Индуктивность катушки рассчитаем по формуле (4): L ≈ 0,0007075 Гн.
Необходимую величину тока в катушке индуктивности рассчитаем по формуле (5) с подстановкой в нее выражения (3), исходя из допущения, что активный ток в катушке несущественно мал по величине: I ≈ 49,515 А.
Мощность генератора установки для обеззараживания зерна низкочастотным магнитным полем рассчитаем по формуле (6): W ≈ 10,893 кВт.
Анализ проведенного расчета показывает, что, уменьшая радиус рабочей камеры магнитообеззараживающей установки и тем самым увеличивая длину катушки индуктивности , необходимую мощность генератора на создание низкочастотного магнитного поля можно уменьшить. Ограничением такого уменьшения является устойчивость истечения зерна через рабочую камеру, которое выражается условием (13).
Для пшеницы влажностью 14% при расходе потока через рабочую камеру установки =1 т/ч по нашим экспериментальным исследованиям минимальный внутренний радиус отверстия в катушке индуктивности составляет =0,025 м [13], что с учетом небольшого запаса для обеспечения устойчивости истечения зернового материала позволяет принять радиус рабочей камеры без учета толщины стенки каркаса равным =0,03 м =3 см. Тогда длину катушки индуктивности рассчитаем из формулы (16): l=0,21 м.
Число витков катушки определим по формуле (9): N ≈ 207 витков.
Индуктивность катушки рассчитаем по формуле (4): L ≈ 0,0007242 Гн.
Ток в катушке индуктивности при частоте =1000 Гц рассчитаем по формуле (5) с подстановкой в нее выражения (3) с учетом допущения, что активный ток в катушке несущественно мал по величине: I ≈ 48,373 А.
Мощность генератора установки рассчитаем по формуле (6): W ≈ 10,642 кВт.
Активное сопротивление катушки индуктивности при диаметре обмоточного провода = 2,24 мм = 0,00224 м определяем по формуле с учетом того, что электрическое сопротивление 1 м обмоточного медного провода круглого сечения равно =0,0044 Ом/м [20]: .
Мощность тепловыделения обмотки катушки индуктивности рассчитаем по формуле (12): W ≈ 0,4015 кВт.
Выявленный уровень тепловыделения потребует дополнительных мер по отводу тепла от рабочей камеры (катушки индуктивности) магнитообеззараживающей установки, которые могут быть обеспечены пропиткой обмотки, искусственным воздушным охлаждение и др.
Проверку на развиваемую катушкой величину магнитной индукции проведем путем вычисления ее по формуле (1): =0,05989 Тл.
Отклонение от заданной величины можно считать удовлетворительным. Оно может быть компенсировано добавлением в обмотку 8 витков.
ВЫВОДЫ
Разработано два варианта методики выбора и расчета параметров электромагнита для установки обеззараживания зерна и семян переменным магнитным полем от возбудителей грибковых и бактериальных заболеваний.
Первый вариант позволяет определить рациональное использование характеристик выбранного генератора путем нахождения параметров обмотки катушки, обеспечивающих необходимую магнитную индукцию. Размер катушки и время воздействия на семена определяют производительность устройства по обработанному зерну. По этой методике рассчитана и изготовлена лабораторная установка для обеззараживания семян переменным магнитным полем, найдены его ингибирующие гармоники [12] и проведены экспериментальные испытания нового способа обеззараживания [13].
Во втором варианте методики расчета расход потока семян по рабочей камере (в электромагните) принимается по условиям производственной необходимости. Это влияет на размер катушки индуктивности, параметры и режимы ее работы, которые обеспечивают достаточную для обеззараживания магнитную индукцию, что в итоге определяет характеристики генератора. По данной методике можно вести расчет установок магнитообеззараживающей обработки зерна, она же (методика) показывает, что для рабочей камеры и катушки индуктивности с большой пропускной способности необходимо применение искусственного охлаждения.
ДОПОЛНИТЕЛЬНАЯ ИНФОРМАЦИЯ
Вклад авторов. В.А. Максименко – разработка методики расчета и выбора параметров электромагнита для устройства обеззараживания зерна, написание текста статьи в части изложения методики расчета; изготовление электромагнитов по расчетам, предложенным в методиках, экспериментальная проверка соответствия расчетных параметров электромагнита его реальным значениям в изготовленном электромагните; К.Н. Буханцов – написание и редактирование текста рукописи в целом, в том числе в части написания обоснования актуальности исследований, поиск и анализ публикаций по теме статьи, участие в формулировании выводов, проверка и редактирование расчета, а также выбора параметров электромагнита, соучастие в экспериментальной проверке соответствия расчетных параметров электромагнита его реальным значениям в физически изготовленном электромагните.
Все авторы подтверждают соответствие своего авторства международным критериям ICMJE (все авторы внесли существенный вклад в разработку концепции, проведение исследования и подготовку статьи).
Конфликт интересов. Авторы декларируют отсутствие явных и потенциальных конфликтов интересов, связанных с публикацией настоящей статьи.
Источник финансирования. Научное исследование выполнено в рамках финансирования по Программе фундаментальных научных исследований в Российской Федерации на долгосрочный период (2021–2030 годы), утвержденной распоряжением Правительства РФ №3684-р от 31.12.2020 г. по шифрам госзадания: 0505-2022-0007 «Разработать интегрированный подход и новые принципы, процессы и технические средства в системе переработки зерновых культур» и 0706-2019-0006 «Разработать новые технологические принципы, процессы и технические средства в системе переработки и обеззараживания зерна и семян».
ADDITIONAL INFORMATION
Authors’ contribution. V.A. Maksimenko ― development of methods for calculating and selecting parameters of the electromagnet for grain disinfection device, writing the text of the manuscript in part of the statement of calculation methods; making electromagnets according to the calculations proposed in the methods, the experimental check of compliance of calculated parameters of the electromagnet to its real values in the manufactured electromagnet; K.N. Bukhantsov ― writing and editing the text of the manuscript as a whole, including writing the rationale for the research relevance, search and analysis of publications on the topic of the manuscript, participation in the formulation of conclusions, checking and editing the calculation, as well as the choice of electromagnet parameters, complicity in experimental verification of compliance of calculated electromagnet parameters to their real values in the physically produced electromagnet.
All authors made a substantial contribution to the conception of the work, acquisition, analysis, interpretation of data for the work, drafting and revising the work.
Competing interests. The authors declare no any transparent and potential conflict of interests in relation to this article publication.
Funding source. The scientific research has been carried out within the framework of financing under the Program of fundamental scientific research in the Russian Federation for the long-term period (2021–2030), approved by RF Government Decree № 3684-p of 31.12.2020 on the state task codes: 0505-2022-0007 «To develop an integrated approach and new principles, processes and technical means in the system of grain crops processing» and 0706-2019-0006 «To develop new technological principles, processes and technical means in the system of processing and decontamination of grain and seeds».
About the authors
Vladimir A. Maksimenko
Northern-Caucasian Scientific Research Institute of Mechanization and Electrification of Agriculture of Federal State Budgetary Scientific Institution Agricultural Research Center Donskoy
Email: elektro_skniimesh.rashn@mail.ru
ORCID iD: 0000-0002-1490-644X
SPIN-code: 2509-9795
Cand. Sci. (Engin.), Senior Researcher at the Laboratory of Bioenergy Technology (Head of Laboratory)
Russian Federation, ZernogradKirill N. Bukhantsov
Northern-Caucasian Scientific Research Institute of Mechanization and Electrification of Agriculture of Federal State Budgetary Scientific Institution Agricultural Research Center Donskoy
Author for correspondence.
Email: buhantsov.k@gmail.com
ORCID iD: 0000-0003-1141-9643
SPIN-code: 5950-5055
Leading Engineer of the Laboratory of Bioenergy Technology
Russian Federation, ZernogradReferences
- Petrichenko VV. Iyun’skii prognoz urozhaya zerna 2018 g. – 115,6 mln t. Khleboprodukty. 2018;(7):4–5. (In Russ).
- Petrichenko VV. Oktyabr’skii prognoz urozhaya zerna 2019 g. – 122,82 mln t. Khleboprodukty. 2019;(11):4–7. (In Russ).
- Petrichenko VV. Avgustovskii prognoz «ProZerno» urozhaya zerna 2020 g. – 130,5 mln t. Khleboprodukty. 2020;(9): 4–6. (In Russ).
- Petrichenko VV. Iyul’skii prognoz urozhaya zerna 2021 g. – 123,6 mln t. Khleboprodukty. 2021;(8):4–7. (In Russ).
- Zhidkov SA. Funktsionirovanie i razvitie rynka zerna Rossii v usloviyakh nasyshchennosti: monografiya. Michurinsk: Izd-vo Michurinskogo GAU; 2021. (In Russ).
- Bur’yanov AI, Bur’yanov MA, Chervyakov IV. Uborka s defektami. Agrobiznes. 2018;(3):136–141. (In Russ).
- Brent KJ, Hollonion DW. Fungicide Resistance in Crop Pathogens: how can it be Managed? 2nd, revised edition. Brussels: Fungicide Resistance Action Committee; 2007.
- Fisher MC, Hawkins NJ, Sanglard D, Gurr SJ. Worldwide emergence of resistance to antifungal drugs challenges human health and food security. Science. 2018;360(6390):739–742. doi: 10.1126/science.aap7999
- Pahomov AI, Maksimenko VA, Bukhantsov KN, Vatutina NP. Experimental characterization of the parameters of grain’s magnetic disinfection. The Agrarian Scientific Journal. 2019;(3):84–89. (In Russ). doi: 10.28983/asj.y2019i3pp84-89
- Pakhomov AI, Maksimenko VA, Bukhantsov KN, Vatutina NP. A Combined Convective and Magnetic Method of Seed Disinfection in the Agricultural Secto. Machinery and Equipment for Rural Area. 2020;(3):33–36. (In Russ). doi: 10.33267/2072-9642-2020-3-33-36
- Pakhomov AI, Maksimenko VA, Bukhantsov KN, Vatutina NP. Results of research of use of the rotating magnetic field for grain disinfection. Khleboprodukty. 2018;(6):40–43. (In Russ).
- Pakhomov AI. Biophysics and experimental search for inhibiting harmonics of magnetic disinfecting equipment. Machinery and Equipment for Rural Area. 2021;(6):32–35. (In Russ). doi: 10.33267/2072-9642-2021-6-32-35
- Pakhomov AI, Maksimenko VA, Bukhantsov KN, Vatutina NP. Investigation of the disinfecting properties of low-frequency electromagnetic oscillations. Machinery and Equipment for Rural Area. 2021;(9):9–11. (In Russ). doi: 10.33267/2072-9642-2021-9-9-11
- Razrabotat’ iskhodnye trebovaniya na tekhnologicheskuyu liniyu obezzarazhivaniya zerna i semyan s ispol’zovaniem kombinirovannykh fiziko-khimicheskikh metodov vozdeistviya [Develop initial requirements for a technological line for the disinfection of grain and seeds using combined physical and chemical methods of exposure]: report on research work (interim): 0706-2018-0025/ NCSRIMEA FSBSI «ASC «Donskoy», manag.Pakhomov AI. Zernograd; 2018. 96 p. (In Russ). Executives: Pakhomov AI, Maksimenko VA, Bukhantsov KN, Vatutina NP. – Reg. № NIOKTR AAAA-A17-117062110085-0. – Reg. № IKRBS AAAA-B19-219031890206-1..
- Pakhomov AI. Analysis of the influence of the magnetic field harmonic spectrum e on the results of grain magnetic disinfection. Machinery and Equipment for Rural Area. 2020;(10):22–27. (In Russ). doi: 10.33267/2072-9642-2020-10-22-27
- Mansurov NN, Popov VS. Teoreticheskaya elektrotekhnika. Izd. 9-e, ispravlennoe. Moscow-Leningrad: Izdatel’stvo «Energiya»; 1966. (In Russ).
- Muchnik AY, Parfenov KA, Drevs GV. Obshchaya elektrotekhnika i elektrooborudovanie. Moscow: Vysshaya shkola; 1961. (In Russ).
- Zhidko VI, Rezchikov VA, Ukolov VS. Grain drying and grain dryers. Moscow: Kolos; 1982. 239 p. (In Russ).
- Razrabotka metodov primeneniya tekhnologii ehffektivnoj obrabotki sel’skokhozyajstvennykh materialov s ispol’zovaniem obezzarazhivayushchikh preparatov i ehlektrofizicheskikh vozdejstvij [Development of methods for the application of technology for the effective processing of agricultural materials using disinfecting drugs and electrophysical effects: report on research work]: report on research work (interim): 0706-2017-0009/ NCSRIMEA FSBSI «ASC «Donskoy», manag.Pakhomov AI. Zernograd; 2017. 80 p. (In Russ). Executives: Pakhomov AI, Maksimenko VA, Bukhantsov KN, Braginec AV., Vatutina NP. №SR АААА-А17-117062110085-0. – Inv. № АААА-Б18-218020290063-1.
- Bokunyaev AA, Borisov NM, Varlamov RG, et al. Reference book of an amateur radio designer. Ed. by N.I. Chistyakov. Issue 1147. Moscow: Radio i svyaz’; 1990. 624 p. (Series: Mass Radio Library). (In Russ).
Supplementary files





