Development and research of the efficiency of a tractor transmission with a disc type gearbox
- Authors: Polivaev O.I.1
-
Affiliations:
- Peter the Great Voronezh State Agrarian University
- Issue: Vol 89, No 4 (2022)
- Pages: 293-298
- Section: Quality, reliability
- Submitted: 14.04.2022
- Accepted: 24.07.2022
- Published: 27.01.2023
- URL: https://journals.eco-vector.com/0321-4443/article/view/106273
- DOI: https://doi.org/10.17816/0321-4443-106273
- ID: 106273
Cite item
Full Text
Abstract
BACKGROUND: Modern tractors are equipped with gearboxes that are divided into three ranges, such as slow, operating and transport, for the sake of better power usage and fuel efficiency of the engine as well as getting higher performance. In addition, gearboxes must have a large number of gears, that leads to an increase in their mass and dimensions. An increasing mass of gearbox leads to additional high-quality metal consumption as well as energy costs for self-propelling of a tractor, which reduces its operational capabilities.
AIMS: Increasing the number of gears and reducing the weight of gearboxes for agricultural tractors.
METHODS: A disc-type gearbox (Patent RF No. 208805) has been developed to make it possible to increase the number of gears and reduce the weight of gearboxes for agricultural tractors. The feature of this gearbox is the gear disk with three gear rims on top and three on the bottom that is installed in its housing in addition to the usual gears and shafts. The implementation of the gear disk with gear rims makes it possible to reduce the number of gearwheels by more than half. The experimental gearbox is manual and interrupted-drive. It gives 18 forward gears and 18 reverse gears. Laboratory studies of a tractor with the experimental gearbox were carried out on a roller test bench. Load condition was arranged with the STEU-40 electric brake test rig in order to determine the transmission efficiency. During the testing, the torques on the gearbox input shaft and the tractor half shafts were measured. Reliability testing of the experimental gearbox, built in the LTZ-55 tractor, lasted for 2714 hours under the normal operation condition.
RESULTS: The results of the transmission efficiency study at the 1st, 5th and 10th gears with different drive wheels torques as well as different oil temperatures revealed that the transmission efficiency is in the range of 0.75-0.96 at the transmission oil temperature of 16 to 60°C, which corresponds to the numerical values of fixed-ratio transmissions of stock tractors. Operational tests of the tractor, equipped with the experimental gearbox, showed efficiency of gearbox during operation of 2714 hours.
CONCLUSIONS: Laboratory studies of the LTZ-55 tractor, equipped with the experimental gearbox (Patent No. 208805), showed that the transmission efficiency improves with an increase in the drive wheels torque and the transmission oil temperature, and deteriorates with an increase in the gear number. The efficiency of the experimental transmission is in the range from 0.75 to 0.96, which corresponds to stock manual interrupted-drive transmissions of tractors. With an increase in oil temperature up to 60 ° C, the efficiency of the transmission greatens.
Full Text
ВВЕДЕНИЕ
Для достижения высокой производительности тракторного агрегата, лучшего использования мощности и повышения экономичности двигателя, коробки передач современных тракторов должны иметь большое количество передач переднего хода, разделенных на три диапазона: замедленных, рабочих и транспортных [1]. При включении замедленных передач скорость тракторного агрегата составляет до 5 км/ч. При таких скоростях движения сажают рассаду овощных культур, убирают плоды и ягоды, а также выполняют мелиоративные работы. Как правило, замедленные передачи на универсально-пропашных тракторах предусматривают установку в основной коробке передач ходоуменьшителя.
При включении рабочих передач скорость тракторного агрегата составляет 5–15 км/ч. На таких скоростях выполняют операции основной и предпосевной обработки почвы, посева, ухода за растениями, уборке урожая и т.д.
Передачи, при которых скорость агрегатов превышает 15 км/ч, относятся к транспортным.
Увеличение количества передач в трансмиссии достигается установкой последовательно включенных двух и более редукторов. Современные коробки передач сельскохозяйственных тракторов имеют до 6 валов и от 16 и более шестерен, что приводит не только к увеличению габаритов, но и массы коробки передач, а, следовательно, веса всего трактора [1-3].
Анализ механических коробок передач с разрывом потока мощности при переключении передач показал, что они обеспечивают от 16 передач вперед и до 8 назад. Основным недостатком известных конструкций является большое количество шестерен, а, следовательно, и большие габариты. Это приводит к дополнительному расходу высококачественного металла, а также затратам энергии на самопередвижение трактора, что снижает его эксплуатационные возможности [3, 4].
ЦЕЛЬ ИССЛЕДОВАНИЙ
Увеличение числа передач и снижение массы коробок передач тракторов сельскохозяйственного назначения.
Задачи работы:
- Разработать конструкцию коробки передач дискового типа с торцевым зацеплением зубьев для тракторов сельскохозяйственного назначения.
- Определить КПД трансмиссии трактора ЛТЗ-55 с опытной коробкой передач дискового типа в зависимости от нагрузки, передаточного числа и температуры масла.
- Провести эксплуатационные испытания трактора ЛТЗ-55 в условиях рядовой эксплуатации для проверки работоспособности опытной коробки передач дискового типа.
МАТЕРИАЛЫ И МЕТОДЫ
Экспериментальные исследования проведены согласно рекомендациям тракторного института НАТИ [5, 6] и ГОСТ 30745-2001 [7]. Трактор ЛТЗ-55 с опытной коробкой передач был установлен на стенд с беговыми барабанами, а нагрузочный режим осуществлялся посредством жидкостного реостата электротормозного стенда СТЭУ-40 [8].
На первичный вал коробки передач был наклеен тензодатчик, соединенный с кольцевым токосъемником, закрепленным на корпусе трансмиссии. Моменты на полуосях замеряли при помощи тензоступиц. Регистрация замеряемых моментов производилась при помощи осциллографа К-12-24 и усилителя ПИН-703.
Зависимость КПД трансмиссий от нагрузки, т.е. от подводимого момента к ведущим колесам, определяли на различных передачах. При этом нагрузка изменялась от холостого хода до нагрузки, соответствующей номинальной мощности двигателя. При исследовании были созданы условия работы трансмиссии, близкие к условиям, наиболее часто встречающимся в эксплуатации.
При испытаниях применяли масло ТАП-15В, на котором трансмиссии тракторов работают весь сельскохозяйственный сезон.
Температурный режим опытной трансмиссии от 16 до 60 °С создавали без применения подогревающих устройств, что обеспечивало естественные температурные условия его работы. Программой испытаний предусматривалось определение влияния нагрузки, температуры масла и различных передач (I, V и X) на КПД трансмиссии.
Кроме того, были предусмотрены долгосрочные эксплуатационные испытания трактора ЛТЗ-55 с опытной коробкой передач.
Для определения КПД трансмиссии по формуле
(1)
необходимо измерить крутящий момент на первичном валу и полуосях ведущих колес трактора [4, 5, 9]. В (1) приняты обозначения: Мс, Мкл, Мкп – соответственно, моменты на первичном валу левой и правой полуосях ведущих колес; iтр – передаточное число трансмиссии.
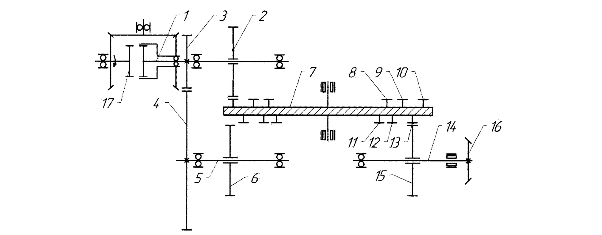
Коробка передач дискового типа была изготовлена на Липецком тракторном заводе с целью снижения удельной металлоемкости, габаритов и увеличения количества передач [10]. Испытания проведены на кафедре тракторов и автомобилей Воронежского ГАУ. Кинематическая схема опытной коробки передач приведена на рис. 1.
Рис. 1. Кинематическая схема опытной коробки передач: 1 – первичный вал; 2, 6, 15 – подвижные шестерни; 3, 4 – шестерни постоянного зацепления; 5 – промежуточный вал; 7 – диск-шестерня; 8, 9, 10 – верхние зубчатые венцы; 11, 12, 13 – нижние зубчатые венцы; 14 – вторичный вал; 16 – шестерня главной передачи; 17 – реверс.
Особенностью опытной коробки передач является наличие в ее корпусе, помимо обычных шестерен и валов, установленного диска-шестерни 7, с тремя зубчатыми венцами 8, 9, 10 сверху и тремя 11, 12, 13 снизу. Постановка такого диска-шестерни с зубчатыми венцами позволяет уменьшить число шестерен более чем наполовину, по сравнению с коробкой передач трактора ЛТЗ-55. Это приводит к снижению металлоемкости расхода высококачественной стали, уменьшению габаритных размеров, а также упрощению конструкции коробки передач. Опытная коробка передач является механической с разрывом потока мощности при переключении передач и обеспечивает 18 передач вперед и 18 назад, а за счет реверса 17.
Она состоит из первичного вала 1, диска шестерни 7, промежуточного вала 5, вторичного вала 14, подвижных шестерен 2, 6 и 15, а также шестерни постоянного зацепления 3 и 4.
Опытная коробка передач, установленная на трактор ЛТЗ-55, позволила изменять скорость движения от 2,67 до 30,75 км/ч.
Работа коробки передач осуществляется следующим образом. Перемещая подвижную шестерню 2 по верхним зубчатым венцам 10,9 и 8, а нижнюю подвижную шестерню 15 соединяем с нижними зубчатыми венцами 13, 12 и 11, получаем девять передач. Выключая подвижную шестерню 2 из зацепления и включая подвижную шестерню 6 с нижними зубчатыми венцами 13, 12 и 11 и перемещая подвижную шестерню 15 по этим же венцам 13, 12 и 11. При этом вращение передается на вторичный вал 14 и далее на шестерню главной передачи 16, в итоге, получаем еще 9 передач.
Для выявления работоспособности и КПД трансмиссии с опытной коробкой передач, она была установлена на трактор ЛТЗ-55. Трактор ЛТЗ-55 с опытной коробкой передач был установлен на стенд с беговыми барабанами [8]. Вначале опытная коробка прошла испытания на холостом ходу – 125 часов при различных передачах, 150 часов при различных нагрузках.
РЕЗУЛЬТАТЫ И ОБСУЖДЕНИЕ
Результаты исследования КПД трансмиссии трактора ЛТЗ-55 проводили при различных крутящих моментах на ведущих колесах и различной температуре масла на I, V и X передачах, см. рис. 2 и 3.
Рис. 2. Зависимость КПД трансмиссии от величины нагрузки на ведущих колесах трактора ЛТЗ-55.
Рис. 3. Зависимость КПД трансмиссии от температуры масла при максимальном моменте двигателя.
Из приведенного графика (рис. 2) видно, что с увеличением загрузки ведущих колес испытуемого трактора, КПД трансмиссии увеличивается и находится в пределах от 0,78 до 0,96 при температуре масла в трансмиссии от 16 до 60 °С. Значения КПД опытной коробки передач близки к численным значениям серийных механических трансмиссий с разрывом потока мощности [5, 9].
Самые высокие значения КПД на всем диапазоне изменения нагрузки трансмиссии соответствуют низшей передаче. Результаты исследований, проведенные В.Э. Малаховским [5], показывают, также, что повышенные значения КПД находятся на низших передачах. В зависимости от передачи значительное влияние на КПД оказывает число оборотов валов трансмиссий.
Как известно, с изменением температуры изменяется вязкость масла, что и является основной причиной изменения потерь в зубчатых передачах [5].
Для проведения исследований масло разогревали путем вращения трансмиссии под нагрузкой. При максимальной нагрузке и скорости вращения первичного вала, по мере увеличения температуры масла, периодически определяли КПД. В результате исследований получали зависимость КПД от температуры масла, рис. 3.
Результаты исследования показали, что при температуре масла от 16 до 60 °С в трансмиссии, КПД изменяется в следующих пределах (рис. 3):
- на первой передаче – от 0,84 до 0,96;
- на пятой передаче – от 0,82 до 0,93;
- на десятой передаче – от 0,78 до 0,89.
Анализ результатов изменения КПД трансмиссии, в зависимости от температуры, на различных передачах показал, что на изменение КПД большее влияние оказывает температура масла, а, следовательно, и вязкость масла. Результаты испытаний, проведенные В.Э. Малаховским, показали, также, что наиболее высокие КПД находятся при температуре масла 60–75 °С. При температуре выше 75°С КПД трансмиссии мало изменяется, что объясняется характером зависимости вязкости масла от температуры. Поэтому если в эксплуатации передача работает длительное время с холодным маслом, то ее среднеэксплуатационный КПД значительно снижается. Это наблюдается в начале эксплуатации тракторов и автомобилей, особенно в зимнее время года.
Для проверки надежности работы опытной коробки передач в условиях рядовой эксплуатации, трактор ЛТЗ-55 с опытной трансмиссией был отправлен на испытания в ООО «Золотая Нива» Верхнехавского района Воронежской области. За период испытаний трактор ЛТЗ-55 с опытной коробкой передач наработал 2714 моточасов. Трактор большую часть времени (до 85%) был занят на транспортных работах, остальное время работал на культивации и косьбе зеленой массы. Замечаний со стороны оператора тракторного агрегата на работу опытной коробки передач не было.
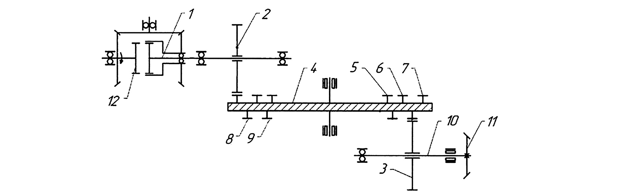
Для автомобилей данную коробку передач можно упростить (рис. 4). Получим 6 передач вперед и 6 назад за счет использования реверса.
Рис. 4. Кинематическая схема автомобильной коробки передач: 1 – первичный вал; 2, 3 – подвижная шестерня; 4 – диск-шестерня; 5, 6, 7 – верхние зубчатые венцы; 8, 9 – нижние зубчатые венцы; 10 – вторичный вал; 11 – шестерня главной передачи; 12 – реверс.
Следующим этапом работы по разработанной опытной конструкции коробки передач – это автоматическое включение передач.
ЗАКЛЮЧЕНИЕ
- Разработана коробка передач дискового типа и на нее получен патент на полезную модель РФ № 208805.
- Лабораторные исследования трактора ЛТЗ-55 с опытной коробкой передач дискового типа показали: КПД трансмиссии с увеличением момента на ведущих колесах и температуры масла в трансмиссии увеличивается, а с увеличением номера включенной передачи уменьшается; КПД опытной трансмиссии находится в пределах от 0,75 до 0,96, что соответствует серийным механическим трансмиссиям тракторов с разрывом потока мощности.
- С повышением температуры масла до 60 °С КПД трансмиссии увеличивается. При дальнейшем повышении температуры происходит стабилизация КПД, при этом возможно незначительное повышение температуры масла до 75 °С.
- Эксплуатационные испытания трактора ЛТЗ-55 с опытной коробкой передач показали ее работоспособность, отказов при ее работе в течение 2714 моточасов не наблюдалось.
- Дальнейшие разработки будут направлены на автоматическое переключение передач в опытной коробке.
ДОПОЛНИТЕЛЬНАЯ ИНФОРМАЦИЯ
Конфликт интересов. Автор декларирует отсутствие явных и потенциальных конфликтов интересов, связанных с публикацией настоящей статьи.
Источник финансирования. Исследование было осуществлено за счет собственных средств.
ADDITIONAL INFORMATION
Competing interests. The author declares no any transparent and potential conflict of interests in relation to this article publication.
Funding source. The study was conducted at the author’s own expense.
About the authors
Oleg I. Polivaev
Peter the Great Voronezh State Agrarian University
Author for correspondence.
Email: Polivaevoi@icloud.com
ORCID iD: 0000-0002-3610-6339
SPIN-code: 1423-0193
Professor, Dr. Sci. (Tech.)
Russian Federation, VoronezhReferences
- Zakharchenko AN, Kalinnikov VV, Ogorodnikova NA. Kolesnye traktory. Moscow: Kolos; 1984. (In Russ).
- Bogatyrev AV. Gusenichnye traktory. Moscow: Kolos, 1984. (In Russ).
- Polivaev OI, Kostikov OM, Vorokhobin AV, Vedrinskii OS. Konstruktsiya traktorov i avtomobilei. Uch. posobie. Saint Petersburg: Lan'; 2021. (In Russ).
- Polivaev OI, Vorokhobin AV. Teoriya traktorov i avtomobilei. Saint Petersburg: Lan'; 2021. (In Russ).
- Malakhovskii VE. Issledovanie KPD traktornykh transmissii. Trudy NATI. 1954;(10):51. (In Russ).
- Fal'kevich VS, Bagirov SM. Issledovanie KPD transmissii avtomobilya. Trudy NAMI. 1965;(1):40–46. (In Russ).
- GOST 30745-2001 Agricultural tractors. Moscow: Gosstandart; 2001. Available from: https://docs.cntd.ru/document/1200030187 accessed: 13.04.2022. (In Russ).
- Kharitonchik EM. Universal'nyi stend dlya ispytanii traktorov. Zapiski Voronezhskogo SKI. Sovershenstvovanie konstruktsii traktorov i s.-kh. mashin. 1969;35:20–25. (In Russ).
- Skundin GI, Akonyan GA. Issledovanie KPD transmissii traktorov. Mekhanizatsiya i elektrifikatsiya sotsialisticheskogo sel'skogo khozyaistva. 1962;(2):16–18. (In Russ).
- Patent RUS №208805/ 13.01.2022. Byul. № 2. Polivaev OI, Bozhko AV. Korobka peredach. Available from: https://www.elibrary.ru/item.asp?id=47805027 accessed: 27.04.2022. (In Russ).
Supplementary files






