The double-flow electromechanical transmission of tracked vehicle
- Authors: Demidov N.N.1, Dobretsov R.Y.1, Kaninskiy A.O.1, Porshnev G.P.1
-
Affiliations:
- Peter the Great Saint Petersburg Polytechnic University
- Issue: Vol 89, No 5 (2022)
- Pages: 333-342
- Section: New machines and equipment
- Submitted: 06.07.2022
- Accepted: 01.09.2022
- Published: 07.03.2023
- URL: https://journals.eco-vector.com/0321-4443/article/view/109223
- DOI: https://doi.org/10.17816/0321-4443-109223
- ID: 109223
Cite item
Abstract
BACKGROUND: Specific demands to ensure high mobility and low energy consumption while cornering are given in the process of development transport and special tracked vehicles. Therefore, improvement of values of these parameters is a relevant objective. The mentioned parameters are directly dependent on the chosen type of transmission.
AIM: Derivation of transmission kinematic schemes that provide the best opportunities to ensure the quality of tracked vehicle cornering control with relative simplicity of design.
METHODS: Derivation of transmission kinematic schemes and analytical evaluation of expected transmission properties were based on fundamentals of the theory of ground vehicle dynamics.
RESULTS: The kinematic diagram of a double-flow transmission and rotation mechanism for a transport vehicle with two engines is proposed. The proposed scheme is applicable for tracked chassis, wheeled vehicles using the skid-steering method. The proposed principle of transmission construction can be adapted for a ship with a hybrid powerplant. The modes of operation of the proposed mechanism are presented, its main kinematic and power features are given. An assessment of the required power of the traction electric motor as part of a hybrid powertrain of a transport tracked vehicle weighing 45–50 tons was carried out. Special attention is paid to the problem of the possibility of manufacturing a hybrid powertrain with the proposed transmission based on components, the production of which has been produced in the Russian Federation.
CONCLUSIONS: The proposed transmission scheme may be used for development of new machinery as well as for upgrading of existing vehicles. Main advantages of the proposed scheme are simplicity, compactness, and engine functions duplications. Specific advantages for a transport vehicle with an regenerative steering system are ensuring the mechanical energy recuperation during cornering and braking and ensuring turning the production of a pivot turn.
Full Text
ВВЕДЕНИЕ
Подвижность транспортных машин в известной мере ограничена управляемостью и устойчивостью движения. Для гусеничной машины повышение качества управления поворотом – актуальная задача, так как необходимо наиболее технически простыми средствами обеспечить плавность изменения радиуса поворота, а также однозначность соответствия между положением органа управления и значением радиуса поворота. Весьма желательно обеспечить поворот на месте и создать условия для рекуперации мощности.
ЦЕЛЬ ИССЛЕДОВАНИЯ
Целью данной работы является получение кинематических схем трансмиссий, позволяющих при относительной простоте обеспечить наилучшие возможности по обеспечению качества управления поворотом гусеничной машины.
МАТЕРИАЛЫ И МЕТОДЫ
За основу принята концепция трансмиссии для машины с двумя двигателями (рис. 1). Оба этих двигателя могут быть электрическими (вариант, который можно реализовать для шасси малогабаритного гусеничного робота). Предлагаемая схема может объединять двигатель внутреннего сгорания (ДВС) и тяговый электрический двигатели (ТЭД) и служить основой для построения гибридной силовой установки параллельно-последовательного типа [1]. В таком варианте в ветви трансмиссии, связанной с ДВС, в качестве трансформирующего механизма используется, например, коробка передач, а ТЭД предпочтительно подключать через редуктор, обеспечивающий два режима работы. В простейшем случае для подключения ТЭД может использоваться однорежимный понижающий редуктор.
Рис. 1. Состав трансмиссии: 1 и 3 – от двигателей; 2 и 4 – редукторы ветвей; 5 – суммирующий редуктор; 6 – бортовой редуктор (бортовая передача); 7 – к ведущим колесам; Т0R и T0L – тормоза остановочные правого и левого бортов.
Следует отметить, что для гусеничной машины, предназначенной для эксплуатации в экстремальных условиях или решения боевых задач, принцип параллельно-последовательного гибрида обеспечит большую живучесть машины за счет дублирования функций ДВС и ТЭД; и позволит снизить мощность ДВС, не понижая суммарной максимальной мощности силовой установки на форсированном режиме; обеспечить хорошую тепло- и шумомаскировку машины при движении с использованием ТЭД [1]. Принцип последовательного гибрида (например, положенный в основу в работе [2]) не обладает преимуществом дублирования теплового и электрического двигателя.
Рассмотренные в статье [1] схемные решения ориентированы на внедрение при модернизации уже существующих двухпоточных трансмиссий машин с центральной или бортовыми коробками передач. Рассматриваемые далее в настоящей статье, подходы предлагаются к применению при создании новой трансмиссии.
В основе построения трансмиссии лежит известный принцип суммирования потоков мощности от двух двигателей с использованием планетарных передач [3]. В случае гусеничной машины одна из ветвей трансмиссии отвечает главным образом за управление поворотом и традиционно называется «параллельной». В основе повышения качества управления поворотом машины должен лежать принцип построения замкнутой системы управления поворотом [4, 5]. В параллельном потоке мощности рассматривалось применение гидростатической передачи [3], фрикционного механизма поворота [5, 6], электрического двигателя [1] и других устройств [7, 8, 9]. Рассмотренные концепции оказываются конкурентоспособными в плане обеспечения соответствия между положением органа управления (штурвала или рычагов) и значением радиуса поворота, а также ожидаемой плавности изменения радиуса поворота.
Специфическим преимуществом при использовании ТЭД, однако, оказывается возможность реализации теоретически любого закона управления изменением радиуса поворота.
РЕЗУЛЬТАТЫ И ОБСУЖДЕНИЕ
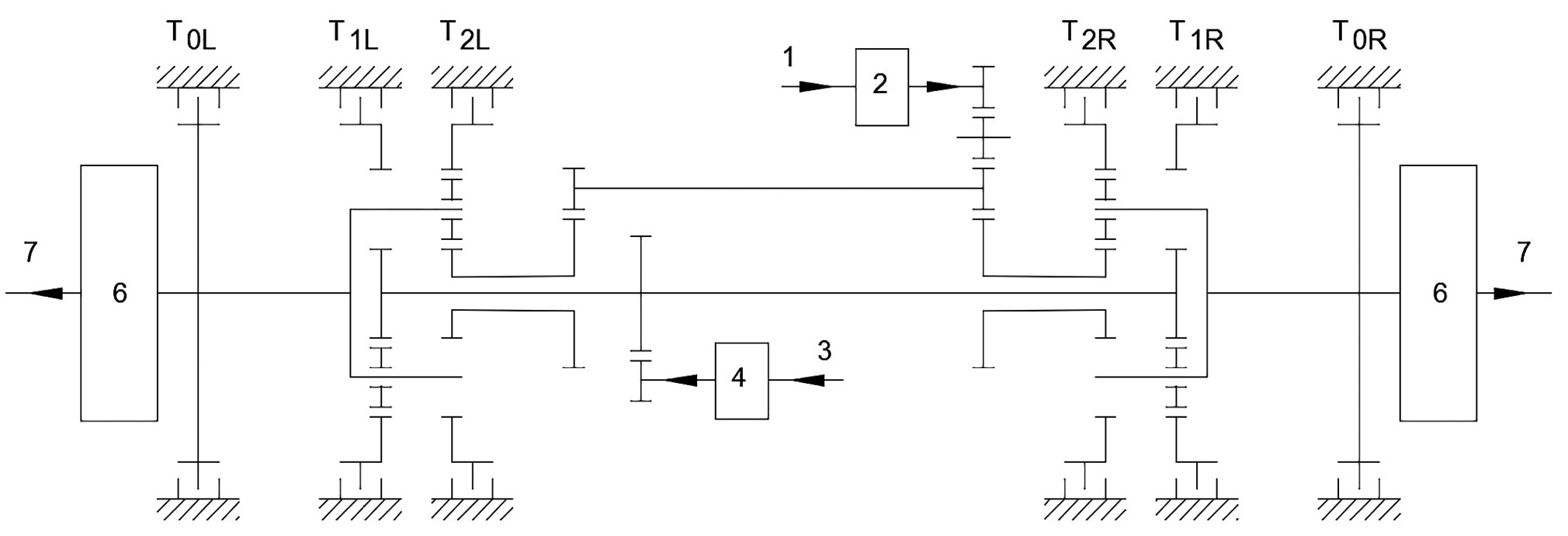
Упрощенная кинематическая схема предлагаемого механизма передачи и поворота (МПП) показана на рис. 2. В этом случае, можно реализовать два варианта алгоритма управления движением, различающихся функцией, выполняемой одним из двигателей.
Рис. 2. Кинематическая схема трансмиссии с бортовым способом поворота: 1 и 3 – от двигателей; 2 и 4 – редукторы ветвей; 6 – бортовой редуктор (бортовая передача); 7 – к ведущим колесам; Т0R и Т0L – тормоза остановочные правого и левого бортов; Т1R, Т1L и Т2R, Т2L – тормоза управления бортовыми планетарными механизмами.
При прямолинейном движении при неполной загрузке силовой установки используется один из двигателей (например, 3). При этом должны быть включены элементы управления рядами, с солнечными шестернями которых связан используемый двигатель. Второй двигатель может быть отключен от ведущих колес.
Однако, если второй двигатель является обратимой электрической машиной (ОЭМ), он может быть подключен путем задействования соответствующих элементов управления и работать в генераторном режиме, обеспечивая зарядку накопителя энергии. При такой стратегии использования электромашины в ГСУ не нужно предусматривать наличия тягового генератора.
Трудности возникнут при переходе на форсированный режим: ОЭМ необходимо отключить от трансмиссии; остановить; в процессе подключения к трансмиссии запустить в режиме двигателя. Это требует специального тормоза вала ОЭМ и неизбежных затрат времени на изменение режима работы ОЭМ. Для военной машины это может оказаться недопустимым, для транспортной машины недостаток критичным не является.
При повороте также можно использовать три стратегии.
В первом случае двигатель 1 подключается в тяговом режиме к забегающему борту, выходит на рабочий режим и начинает увеличивать крутящий момент на забегающем борту. В это время двигатель 3 может быть отключен от забегающего борта, нагрузка на 3 резко снизится.
Во втором случае двигатель 1 подключается в генераторном режиме к отстающему борту. Нагрузка на двигатель 3 увеличивается, но часть энергии рекуперируется и не рассеивается, как при торможении отстающего борта фрикционным элементом управления, а запасается в накопителе.
Третий вариант стратегии целесообразен, если оба двигателя – электрические: при прямолинейном движении они используются параллельно (фактически – каждый двигатель работает на свое ведущее колесо), при повороте и на форсированном режиме оба двигателя используются в тяговом режиме и один из них подключен одновременно к обоим бортам.
Очевидно, что при любой стратегии использования двигателей поворот машины с радиусом менее половины ширины колеи невозможен.
Описание кинематики механизма требует введения следующих обозначений угловых скоростей:
- ω1 и ω2 – для водил отстающего и забегающего бортов;
- ω01 , ω02 – для солнечных шестерен, связанных с двигателями 3 и 1;
- ωТ11 и ωТ21 – для эпициклических шестерен отстающего борта, входящих в ряды, связанные, соответственно, с двигателями 3 и 1;
- ωТ12 и ωТ22 – для эпициклических шестерен забегающего борта, входящих в ряды, связанные, с двигателями 3 и 1;
- k1 и k2 – кинематические параметры трехзвенных планетарных механизмов, солнечные шестерни которых связаны с 3 и 1.
Тогда кинематика МПП может быть описана следующими уравнениями:
Угловую скорость одной из солнечных шестерен принимаем постоянной ω01 =1; угловая скорость другой ω02 является в общем случае независимым параметром, но может быть выражена в долях ω01 .
Дополнительно нужно задать законы движения звеньев, связанных с элементами управления.
Из этих уравнений следует, что при совместной работе двигателей в прямолинейном движении должно выполнятся равенство:
Данная кинематическая схема позволяет реализовать два расчетных (фиксированных) радиуса поворота.
При полном включении на отстающем борту остановочного тормоза реализуется поворот вокруг остановленной гусеницы: ω1 =0; ф1 =0,5.
Этот радиус является минимально возможным.
Рассмотрим получение «второго» расчетного радиуса (на забегающем борту 2 суммируются крутящие моменты от обоих двигателей): ωТ11 = 0 и ωТ22 = 0 . При этом:
.
Следовательно:
Этому соответствует передаточное отношение между бортами [10]:
В частном случае при k1=k2 получаем
Расчетный радиус связан с передаточным отношением между бортами известным выражением [10]:
Таким образом, значение величины ф2 определено соотношением ω02/ω01 и значениями кинематических параметров рядов k1 и k2.
.
Если двигатель, связанный с отстающим бортом, отключить ω01 =0 (сила тяги на отстающем борту отсутствует), машина войдет в поворот со свободным радиусом, что будет соответствовать ρф2 = ρсв – радиус поворота будет определяться сопротивлением движению машины. Значение радиуса неуправляемого поворота и свободного поворота совпадают, что типично для механизмов с кинематическим параметром qм =0,5 [10], что справедливо при повороте с использованием на отстающем борту остановочного тормоза. Однако, при увеличении ω02/ω01 скорость прямолинейного движения сохраняет отстающий борт, а не забегающий: МПП имеет нетипичное значение кинематического параметра qм = –0,5. Тем не менее, по классификации данный МПП относится к механизмам бортового типа: изменение скорости одного борта не вызывает согласованного изменения скорости другого.
Если ω02 = ω01 – имеет место неустойчивое прямолинейное движение (). Неустойчивость будет вызвана изменением сопротивления качению гусениц при движении машины по реальному грунту.
При , однако после достижения ω02/ω01=3 эта тенденция слабо выражена и можно считать, что функция ρф2 ограничена снизу значением 1.
Таким образом, рассматриваемая функция непрерывна на промежутке . Отметим, что указанный диапазон плавного изменения расчетного радиуса поворота гусеничной машины представляет практический интерес.
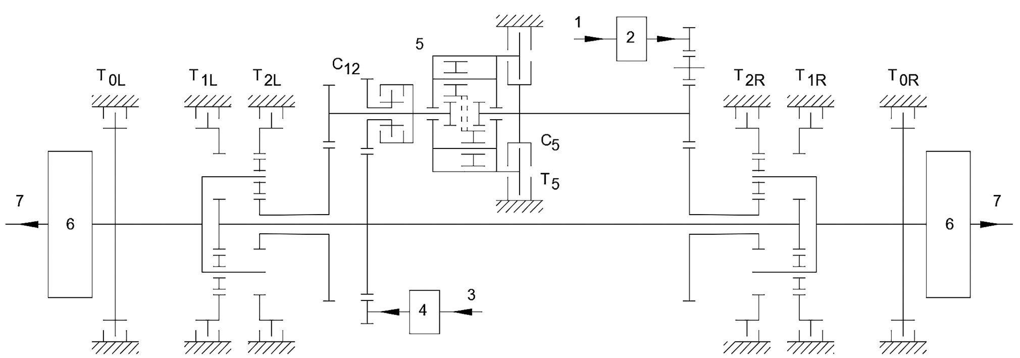
Для ГСУ актуально обеспечение режима блокировки ДВС и ТЭД. Это позволяет либо запускать ДВС, используя ТЭД вместо стартера, либо эксплуатировать ТЭД в генераторном режиме. Обеспечить такую блокировку можно, например, установив муфту С12 (рис. 3). Заметим, что при этом будет слишком велик момент инерции вращающихся деталей и полученное простое решение не является удовлетворительным.
Рис. 3. Кинематическая схема трансмиссии для реализации режимов блокировки двигателей и поворота вокруг центра тяжести: 1 и 3 – от двигателей; 2 и 4 – редукторы ветвей; 5 – дифференциал; 6 – бортовой редуктор (бортовая передача); 7 – к ведущим колесам; Т0R и Т0L – тормоза остановочные правого и левого бортов; Т1R, Т1L и Т2R, Т2L – тормоза управления бортовыми планетарными механизмами; С5 и Т5 – элементы управления дифференциала; С12 – муфта дисковая блокирующая.
Определение крутящих моментов на ведущих колесах для каждого варианта подключения двигателей не представляет сложности: момент на водиле борта складывается из моментов, получаемых водилом в каждом из планетарных рядов.
Представляется возможным, по аналогии с вариантами схем, рассмотренными в статье [1], установить в ветви, связанной с одним из двигателей, дифференциал 5 (см. рис. 3). При включении муфты С5 схема работает аналогично варианту, показанному на рис. 2. При включении тормоза Т5 передаточное отношение дифференциала становится равным (–1), солнечные шестерни связанных с данной ветвью трансмиссии планетарных механизмов вращаются с равными по значению, но противоположными по знаку угловыми скоростями. Один из бортов замедляется и становится отстающим, другой – ускоряется. Это соответствует понятию механизма поворота дифференциального типа, для такой схемы qм=0.
При повороте нет необходимости производить дополнительные переключения в ветви, обеспечивавшей прямолинейное движение при частичной загрузке силовой установки.
Перечень режимов работы для трансмиссии, выполненной по схеме рис. 3, приведен в табл. 1.
Таблица 1. Режимы работы трансмиссии
Table 1. Transmission operating modes
№ | Режим | Включаемые элементы управления | Используемые двигатели | Примечания | ||
1 | Прямолинейное движение | С5* | Т1L | Т1R | 3 | Частичная загрузка |
2 | С5* | Т2L | Т2R | 1 | Частичная загрузка | |
3 | С5* | Т1R и Т2L | Т1R и Т2R | 3 и 1 | Форсированный режим | |
4 | Поворот в движении | С5* | Т1L | Т0R | 3 | Левый борт – забегающий |
5 | С5* | Т2L | Т0R | 1 | Левый борт – забегающий | |
6 | С5* | Т2L | Т1R | 3 и 1 | Левый борт – забегающий | |
7 | С5* | Т1R | Т0L | 1 | Правый борт – забегающий | |
8 | С5* | Т2R | Т0L | 1 | Правый борт – забегающий | |
9 | С5* | Т2Rп | Т1L | 3 и 1 | Правый борт – забегающий | |
10 | Блокировка двигателей | С5* | C12** | – | 3 и 1 | Принудительная прокрутка вала одного из двигателей** |
11 | С5* | C12** | Т1L и Т1R | 3 и 1 | ||
12 | С5* | C12** | Т2L и Т2R | 3 и 1 | ||
13 | С5* | C12** | Т0L или Т0R | 3 и 1 | ||
14 | Поворот на месте*** | Т5* | Т2L | Т2R | 1 | R≥0 |
Примечания: * – элемент управления используется при наличии в трансмиссии дифференциала 5; ** – используется для работы ТЭД в режиме генератора или для аварийного пуска ДВС с помощью ТЭД в составе ГСУ; возможен для трансмиссии, в состав которой входит фрикцион С12; *** – режим возможен только при наличии в трансмиссии дифференциала 5; направление поворота определяется направлением вращения ТЭД. | ||||||
На заднем ходу обе ветви реверсируются и можно реализовать те же режимы, что и на переднем ходу. Если в основной ветви используется ДВС, реверс ветви осуществляется за счет передачи заднего хода в редукторе 4. В параллельной ветви следует использовать реверсивный ТЭД.
Обозначим крутящие моменты: М1 и М2 – на водилах отстающего и забегающего бортов; М01 и М02 – на солнечных шестернях, связанных с двигателями 3 и 1; МТ11 и МТ21 – на эпициклах рядов, связанных с двигателем 3; МТ12 и МТ22 – на эпициклах рядов, связанных с двигателем 1.
Моменты на тормозах, связанных с перечисленными эпициклами, будут равны моментам на эпициклах, но иметь противоположный знак.
Подразумевается, что в ветвях трансмиссии установлены редукторы 4 и 2 (например, центральная коробка передач, работающая с ДВС и двухрежимный редуктор, работающий в паре с ТЭД).
Тогда на любом режиме работы:
Здесь Dij – коэффициент, принимающий значения 1, если соответствующий элемент управления включен, или 0, если элемент управления выключен. В частности, при прямолинейном движении М1=М2. При частичной загрузке силовой установки D11D21 =0 или D12D22 =0. На форсированном режиме D11D21D12D22 =1. При повороте значения {Dij} задаются в соответствии с табл. 1.
При использовании в составе ГСУ рассматриваемые кинематические схем позволят реализовать принцип квазибесступенчатой трансмиссии, по аналогии с описанным в статье [11]: колебания крутящего момента, способные спровоцировать переключение на смежную передачу (для автоматической коробки передач) могут компенсироваться за счет ТЭД в параллельной ветви.
Бортовой редуктор, присутствующий на схемах по рис. 1–3 может быть исключен, если планетарные ряды МПП выполнить с кинематическим параметром, выбранным для бортовой передачи. Это позволит упростить схему трансмиссии, использовать в ветви, связанной с ДВС, центральную коробку передач машины-прототипа. При выполнении трансмиссии по схеме рис. 3 можно отказаться от муфты С12 и элементов управления Т1л и Т2л. Однако потребуется переработать кинематическую схему таким образом, чтобы уменьшить моменты на остановочных тормозах.
Оценку мощности двигателя параллельной ветви, можно произвести, исходя из необходимости обеспечить поворот вокруг центра тяжести [1]. Поскольку этот режим не является типичным при эксплуатации быстроходной гусеничной машины, ТЭД можно выбирать на меньшую мощность, а данный режим получать путем кратковременной перегрузки.
Обозначим G – вес машины, R – радиус поворота, L и B – длина опорной поверхности и ширина колеи машины.
Тогда на рассматриваемом режиме относительный радиус поворота ρ=R/B=0.
Мощность ТЭД можно оценить по выражению:
.
В последней зависимости момент сопротивления повороту вычисляется, как
.
Угловая скорость поворота выражается через линейные скорости забегающего V2 и отстающего V1 бортов:
.
Значение к.п.д. зубчатых передач ηЗП вычисляется или задается. Значение коэффициента сопротивления поворота можно получить экстраполяцией формулы А.О. Никитина (см. [3, 10])
.
Здесь значение μmax определяется при повороте вокруг остановленной гусеницы [3, 10, 12].
В работе [10] предложены поправки в «формулу Никитина», позволяющие преодолеть это ограничение.
Для гусеничной машины, близкой по геометрическим и массогабаритным характеристикам к шасси Т-80, задавая ω=1,0 рад/с получаем оценочное значение кВт.
Детерминированная оценка необходимой мощности ТЭД на границе частичного заноса (движение по грунту с μmax=0,8) показала, что такой мощности будет достаточно для поворота при ρкр>2. При меньших радиусах поворота угловая скорость машины оказывается ограниченной сопротивлением повороту, а не угрозой начала заноса.
Соответственно, в основной ветви трансмиссии может использоваться ДВС меньшей мощности (по сравнению со случаем серийно выпускаемой машины), N3 =(1,5…2,0)N1.
Обеспечение совместной работы двигателей производится за счет подбора передаточных отношений ветвей трансмиссии.
Рассматривая материалы, опубликованные в сборнике, в который вошла статья [1], можно заключить, что отечественная промышленность на сегодня уже располагает технологиями, позволяющими создать ТЭД и накопители энергии, способными обеспечить достаточные ресурс и надежность при работе в составе трансмиссии гусеничной машины.
Варианты рассматриваемой трансмиссии могут быть адаптированы для применения на малогабаритных гусеничных шасси, военных и транспортных машинах различной массы, а также на тягово-транспортных и технологических машинах, в случае необходимости повысить качество управления поворотом. По кинематической схеме редукторной части одного борта можно выполнить суммирующий редуктор для судна, на котором используется два двигателя (например, дизель и газовая турбина, или дизель и электродвигатель).
ЗАКЛЮЧЕНИЕ
- Предлагаемый механизм передачи и поворота позволяет согласованно использовать на гусеничной машине два двигателя (в том числе – в составе гибридной силовой установки), при этом обеспечивая дублирование управления поворотом на случай неработоспособности одного из двигателей.
- Ожидается, что трансмиссия позволит обеспечить высокое качество управления поворотом.
- Достигнутые на современном этапе технологический уровень производства накопителей энергии и тяговых электродвигателей позволяет реализовать гибридную силовую установку, использующую предлагаемую трансмиссию по крайней мере на быстроходных гусеничных машинах массой до 30–35 т, а в близкой перспективе – на основных танках.
ДОПОЛНИТЕЛЬНАЯ ИНФОРМАЦИЯ
Вклад авторов. Все авторы внесли существенный вклад в разработку концепции, проведение исследования и подготовку статьи. Н.Н. Демидов ― проработка вопросов, связанных с построением таблицы режимов работы трансмиссии, описание работы; Р.Ю. Добрецов ― составление плана статьи, распределение ролей в авторском коллективе, формулировка идеи построения вариантов трансмиссии и принципов управлению ею, работа над текстом (сведение частей рукописи), общее руководство, а также решение методологических и практических вопросов; А.О. Канинский ― проработка вариантов схем, работа над иллюстрациями, описанием схем, вопросами кинематики и силового анализа (проведение расчетов), работа над текстом совместно с соавторами; Г.П. Поршнев ― кинематический и силовой анализ трансмиссии ― выработка методологии, построение соответствующей части рукописи. Все авторы подтверждают соответствие своего авторства международным критериям ICMJE.
Конфликт интересов. Авторы декларируют отсутствие явных и потенциальных конфликтов интересов, связанных с публикацией настоящей статьи.
Источник финансирования. Авторы заявляют об отсутствии внешнего финансирования при проведении исследования.
ADDITIONAL INFORMATION
Authors’ contribution. All authors made a substantial contribution to the conception of the study, acquisition, analysis, interpretation of data for the study, drafting and revising the work. N.N. Demidov ― addressing the issues related to the development of the transmission operation modes table, description of operation; R.Yu. Dobretsov ― drawing up the plan of the article, distribution of roles within the team of authors, controls of the idea of development of transmission options and principles for managing it, work on the text (reduction of parts of the manuscript), general guidance, as well as the solution of methodological and practical issues; A.O. Kaninskiy ― development of scheme options, working on illustrations, description of schemes, issues of kinematics and force analysis (calculations), work on the text together with co-authors; G.P. Porshnev ― kinematic and power analysis of transmission, development of methodology, processing of the corresponding part of the manuscript.
Competing interests. The authors declare no any transparent and potential conflict of interests in relation to this article publication.
Funding source. This study was not supported by any external sources of funding.
About the authors
Nikolay N. Demidov
Peter the Great Saint Petersburg Polytechnic University
Email: ndemidov51@mail.ru
ORCID iD: 0000-0002-4055-4935
SPIN-code: 1359-0440
Cand. Sci. (Tech.), Associate Professor of the Higher School of Ttransport
Russian Federation, Saint PetersburgRoman Y. Dobretsov
Peter the Great Saint Petersburg Polytechnic University
Email: dr-idpo@yandex.ru
ORCID iD: 0000-0002-3827-0220
SPIN-code: 6168-3091
Dr. Sci. (Tech.), Professor of the Higher School of Transport
Russian Federation, Saint PetersburgAndrey O. Kaninskiy
Peter the Great Saint Petersburg Polytechnic University
Email: kaninsky@yandex.ru
ORCID iD: 0000-0002-3057-1504
SPIN-code: 6057-7632
postgraduate student of the Higher School of Transport
Russian Federation, Saint PetersburgGennadiy P. Porshnev
Peter the Great Saint Petersburg Polytechnic University
Author for correspondence.
Email: porshnev_gp@spbstu.ru
ORCID iD: 0000-0003-4246-6581
SPIN-code: 5917-9383
Dr. Sci. (Tech.), Professor of the Higher School of Transport
Russian Federation, Saint PetersburgReferences
- Demidov NN, Dobretsov RYu, Lozin AV, et al. Choice of a circuit variant for constructing transmissions of military vehicles with a hybrid power plant. In: Proceedings of the NPK “Development and use of electric transmissions for weapons and military equipment (VNIITransmash OJSC),” St. Petersburg, October 20, 2016. St. Petersburg: VNIITransmash; 2016:87–100. (in Russ).
- Gusev MN, Zaitsev VA, Kurtz DV. The concept and main provisions of the rational choice and justification of the parameters of a hybrid power plant for a unified base chassis of a new generation. In: Actual problems of protection and safety. Armored vehicles and weapons. Proceedings of the thirteenth All-Russia NPK. Mocow: RARAN. 2010;3:28–32.
- Nosov NA, Galyshev VD, Volkov YuP. Calculation and design of caterpillar vehicles: A textbook for universities. Editor Nosov NA. Leningrad: Mashinostroenie; 1972. (in Russ).
- Galyshev YuV, Grigoriev AP, Dobretsov Ryu, et al. Closed-loop control systems for the rotation of tracked vehicles. Nauchno-tekhnicheskie vedomosti Sankt-Peterburgskogo gosudarstvennogo politekhnicheskogo universiteta. 2014;3(202):201–208. (in Russ).
- Galyshev YuV, Dobretsov RYu, Porshnev GP, et al. Research and development of scientists of St. Petersburg State Polytechnical University in the field of defense technology (based on the materials of the IX International Exhibition of Arms, Military Equipment and Ammunition). Nauchno-tekhnicheskie vedomosti Sankt-Peterburgskogo gosudarstvennogo politekhnicheskogo universiteta. 2014;1(190):26–32. (in Russ).
- Dobretsov RYu. Friction mechanism for turning double-flow transmissions of tracked vehicles. In: Inventors in the innovation process of Russia: materials of All-Russia NPK (with International participation). St. Petersburg: Izd-vo Politekhn. un-ta; 2014:121–124. (in Russ).
- Filippov AN, Lozin AV, Demidov NN, et al. Transport tracked vehicles: turning mechanisms with a non-linear characteristic. Sovremennoe mashinostroenie. Nauka i obrazovanie. 2016;5: 898–912. (in Russ). doi: 10.1872/MMF-2016-82
- Author's certificate USSR № 521174 / 15.07.1976 Izotov VZ, Pyatkov VA, Starovoytov VS, et al. Mekhanizm povorota gusenichnoy mashiny. Available from: https://patents.su/4-521174-mekhanizm-povorota-gusenichnojj-mashiny.html (in Russ).
- Patent RUS 2599855 / 20.10.2016. Byul. № 29. Dobretsov RYu, Lozin AV, Semenov AG, et al. Dvukhpotochnaya transmissiya transportnoy mashiny s bortovym sposobom povorota. Available from: https://new.fips.ru/iiss/document.xhtml?faces-redirect=true&id=afaaa566bc8ffdf8a10041a05eaaddae (in Russ).
- Shelomov VB. Theory of movement of multi-purpose tracked and wheeled vehicles. Traction calculation of curvilinear motion: account. settlement for universities on department of Automotive and Tractor Engineering. St. Petersburg: Izd-vo Politekhn. un-ta; 2013. (in Russ).
- Bukashkin A.Yu., Dobretsov R.Yu., Galyshev Yu.V. Split Transmission of Tractor with Automatic Gearbox. Procedia Engineering. 2017;206:1728–1734. doi: 10.1016/j.proeng.2017.10.705
- Zabavnikov NA. Fundamentals of the theory of transport tracked vehicles. Moscow: Mashinostroenie; 1975. (in Russ).
Supplementary files






