Определение коэффициента сжимаемости биогазового топлива для заправки сельскохозяйственной техники
- Авторы: Петров Н.В.1
-
Учреждения:
- Северо-Восточный федеральный университет им. М.К. Аммосова
- Выпуск: Том 89, № 5 (2022)
- Страницы: 351-356
- Раздел: Теория, конструирование, испытания
- Статья получена: 11.07.2022
- Статья одобрена: 04.09.2022
- Статья опубликована: 07.03.2023
- URL: https://journals.eco-vector.com/0321-4443/article/view/109289
- DOI: https://doi.org/10.17816/0321-4443-109289
- ID: 109289
Цитировать
Полный текст
Аннотация
Обоснование. В сельской местности Республики Саха (Якутия) основным потребителем жидкого топлива нефтяного происхождения является сельскохозяйственная техника. Даже частичный перевод этой техники на биогаз позволил бы снизить потребление жидких нефтяных топлив, в связи с этим, для заправки сельскохозяйственной техники биогазовым топливом в первую очередь необходимо определить коэффициент сжимаемости биогазового топлива. Для определения коэффициента сжимаемости биогаза разного состава требуется проводить ряд экспериментальных работ.
Цель работы – определение коэффициента сжимаемости биогазового топлива разного состава, используемого при заправке сельскохозяйственной техники компрессором.
Материалы и методы. Экспериментальное определение коэффициента сжимаемости биогазового топлива проведено на установке типа УГК-3. Математическое моделирование на основе полученных экспериментальных работ выполнено в программе CurveExpert и Excel – для линейной аппроксимации массива данных.
Результаты. На основе уравнения Менделеева-Клапейрона для идеального газа получена формула для теоретического расчета коэффициента сжимаемости биогаза для разного химического состава. Для получения экспериментальных данных было проведено ряд экспериментов на установке типа УГК-3 с доработками для учета коэффициента сжимаемости биогазового топлива для разных условий. Согласно, результатам линейной аппроксимации, показатель коэффициента сжимаемости биогазового топлива с увеличением объемного содержания метана стремится к значению коэффициента сжимаемости чистого метана по ГОСТу 30319.2-96.
Заключение. Практическая ценность исследования заключается в возможности использования предложенного метода расчета коэффициента сжимаемости при заправке автотракторной техники биогазовым топливом для безопасной и эффективной заправки.
Полный текст
ВВЕДЕНИЕ
Для заправки сельскохозяйственной техники биогазом в первую очередь необходимо определить коэффициент сжимаемости биогазового топлива. На сегодняшний день еще не определен коэффициент сжимаемости биогазового топлива для разного состава. Определение коэффициента сжимаемости биогаза для разного состава требует проводение ряда экспериментальных работ. Проведение экспериментальных работ подразумевает использование большого и объемного экспериментального оборудования, а также значительных затрат человеческого времени.
ЦЕЛЬ ИССЛЕДОВАНИЯ
Определение коэффициента сжимаемости биогаза для разного состава при заправке биогазовым топливом сельскохозяйственной техники компрессором.
МАТЕРИАЛЫ И МЕТОДЫ
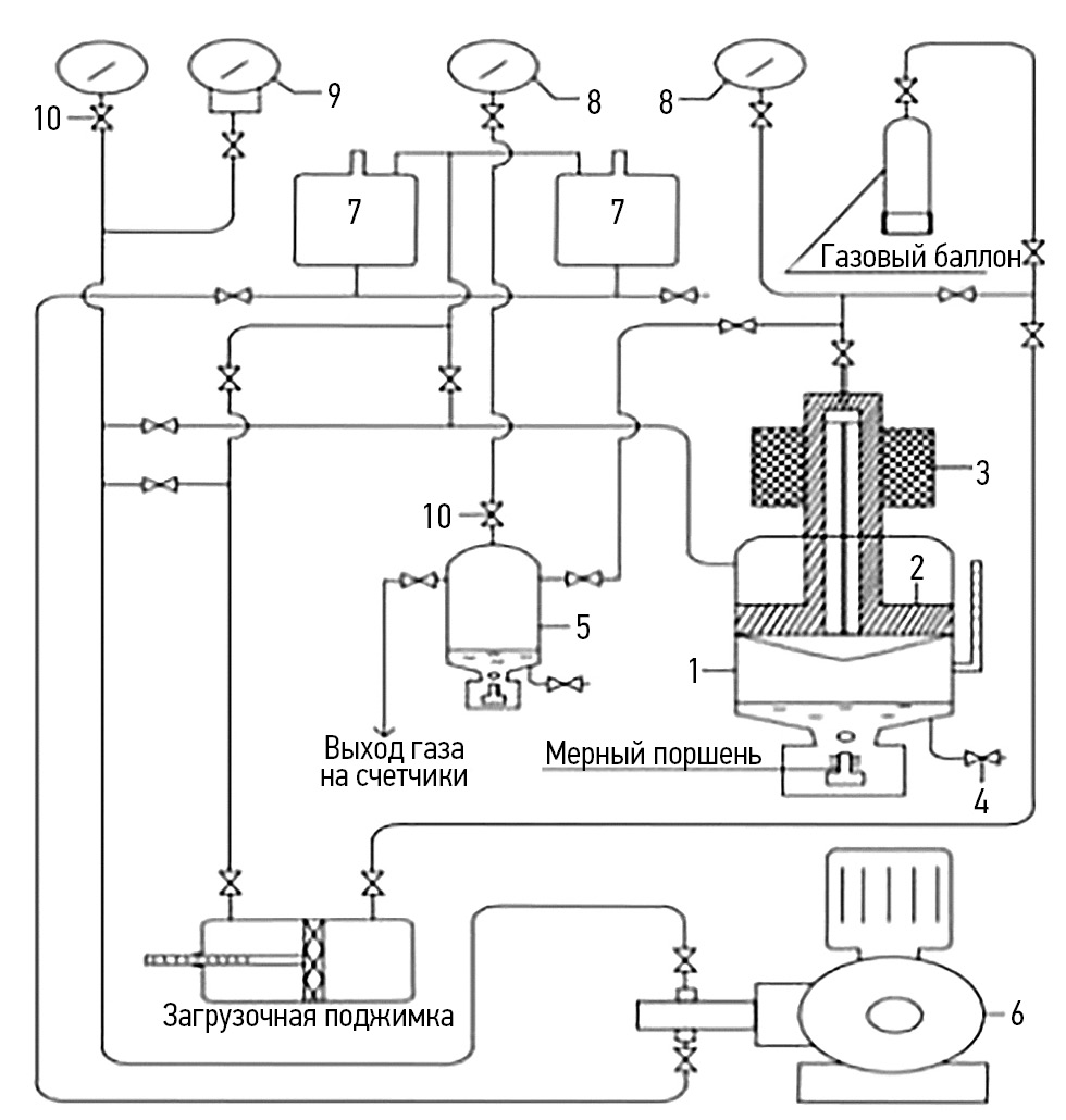
Экспериментальное определение коэффициента сжимаемости биогазового топлива, особенно с высоким содержанием СО2, рекомендуется проводить на установках типа УГК-3 [1]. Схема соединения технологических узлов установки УГК-3 для изучения коэффициента сжимаемости биогаза приведена на рис. 1.
Рис. 1. Схема установки УГК-3 для исследования коэффициента сжимаемости биогазового топлива: 1 – бомба равновесия; 2 – разделительный поршень; 3 – магнитная катушка; 4 – вентиль загрузки углекислого газа; 5 – термостатируемый сепаратор; 6 – плунжерный насос; 7 – бочки для жидкости; 8 – манометры пружинные; 9 – манометр ЭКМ; 10 – вентили запорные.
Установка УГК-3 выпускалась на начальном этапе развития газоконденсатных исследований в СССР в 1960-е годы. Объем камеры этой установки 3,1 л. Камера PVT представляет собой цилиндр, в который помещен поршень с выведенным через крышку цилиндра штоком, снабженным измерительной шкалой. Внутри штока имеется безобъемная мешалка, приводимая в движение электромагнитом. Конструкцией установки предусмотрены жидкостный обогрев камеры PVT и место для термометра в нижней крышке цилиндра для контроля температуры. Ниже смотрового окна помещен измерительный поршень (меньшего сечения, чем поршень, помещенный в верхней части камеры), который перемещается при помощи электродвигателя [2].
Поэтому определение коэффициента сжимаемости для разного состава биогаза можно провести с использованием методов математического моделирования.
РЕЗУЛЬТАТЫ И ОБСУЖДЕНИЯ
Для получения уравнения коэффициента сжимаемости газа воспользуемся уравнением Менделеева-Клапейрона, описывающим состояние идеального газа [3]:
. (1)
Если учесть коэффициент сжимаемости Z, при m=M, уравнение Менделеева-Клапейрона (1) примет следующий вид:
. (2)
В конечном состоянии, то есть после накачки газа, при m≠M уравнение (1) преобразуется к виду:
. (3)
Для примера, приведем формулу вычисления молярной массы Mобщ смеси двух газов:
. (4)
Для смеси газов уравнение Клапейрона-Менделеева (1) записывается в форме:
. (5)
С целью получения формулы коэффициента сжимаемости биогазового топлива для разных составов преобразуем уравнение (5):
. (6)
Решим уравнение (6) через плотности и объемы газа. Тогда в окончательном виде последняя формула будет выглядеть следующим образом:
. (7)
На данный момент, плотность биогазового топлива для разных составов (метана и углекислого газа) не вычислена, поэтому имеется необходимость экспериментального ее определения. С этой целью был проведен ряд экспериментов с биогазом с разным процентным содержанием метана и углекислого газа. Результаты приведены в таблице 1.
Таблица 1. Экспериментальные результаты по определению плотности биогазового топлива
Table 1. Experimental results of biogas fuel density determination
Процентное соотношение метана, % | 55 | 60 | 65 | 70 | 75 | 80 | 85 | 90 |
Процентное соотношение углекислого газа, % | 45 | 40 | 35 | 30 | 25 | 20 | 15 | 10 |
Плотность биогаза, кг/м3 | 1,28 | 1,20 | 1,15 | 1,09 | 1,03 | 0,96 | 0,90 | 0,83 |
Масса биогаза, кг | 2,86 | 2,72 | 2,58 | 2,44 | 2,30 | 2,16 | 2,02 | 1,88 |
Далее, методом линейной аппроксимации экспериментальных данных были получены коэффициенты уравнения регрессии [4], имеющего вид:
. (8)
Для исследуемого случая получено следующее эмпирическое уравнение:
, (9)
где ρб – плотность биогазового топлива, кг/м3, m – масса биогазового топлива, кг.
Уравнение (9) позволяет вычислить теоретически плотность биогазового топлива для разных составов.
Согласно полученному уравнению (9), график линейной аппроксимации плотности биогазового топлива в сравнении с данными эксперимента выглядит следующим образом (рис. 2):
Рис. 2. График зависимости экспериментальных и теоретических результатов.
Получив теоретические и экспериментальные значения плотности биогазового топлива для разных составов, перейдем к вычислению коэффициента сжимаемости биогаза, используя формулу (7).
Результаты теоретических расчетов коэффициента сжимаемости для разных составов биогазового топлива приведены в таблице 2.
Таблица 2. Теоретические значения коэффициентов сжимаемости для разных составов биогазового топлива
Table 2. Theoretical values of compression ratio for different compositions of biogas fuel
Давление, МПа | Коэффициент сжимаемости для разного состава биогазового топлива | |||||||
55 | 60 | 65 | 70 | 75 | 80 | 85 | 90 | |
20 | 1,073 | 1,069 | 1,072 | 1,073 | 1,073 | 1,068 | 1,071 | 1,068 |
По полученным теоретическим данным, зависимость коэффициента сжимаемости для разных составов биогазового топлива имеет следующий вид (рис. 3).
Рис. 3. Теоретическая зависимость коэффициента сжимаемости биогазового топлива.
Согласно ГОСТ 30319.2-96 «Газ природный. Методы расчета физических свойств. Определение коэффициента сжимаемости», рекомендованный предел коэффициента сжимаемости метана равен 0,9844 при температуре 293 К и давлении до 25 МПа [5].
ВЫВОДЫ
По результатам исследований установили, что, в выше приведенных условиях, критический коэффициент сжатия биогазового топлива будет равен 1,073 при соотношении метана к углекислому газу 55:45.
1 м3 биогазового топлива, сжатый до 20 МПа при температуре 0 °С, занимает объем 2,95 дм3. Тогда, при 0 °С в пятидесятилитровых баллонах высокого давления можно хранить 9 м3 биогазового топлива.
Исходя из вышесказанного, для заправки биогазовым топливом сельскохозяйственной техники полностью подходит компрессор Coltri MCH-10 [6].
ДОПОЛНИТЕЛЬНАЯ ИНФОРМАЦИЯ
Конфликт интересов. Автор декларирует отсутствие явных и потенциальных конфликтов интересов, связанных с публикацией настоящей статьи.
Источник финансирования. Автор заявляют об отсутствии внешнего финансирования при проведении исследования.
ADDITIONAL INFORMATION
Competing interests. The authors declares no any transparent and potential conflict of interests in relation to this article publication.
Funding source. This study was not supported by any external sources of funding.
Об авторах
Николай Вадимович Петров
Северо-Восточный федеральный университет им. М.К. Аммосова
Автор, ответственный за переписку.
Email: petnikvad1988@mail.ru
ORCID iD: 0000-0002-8927-7828
SPIN-код: 7971-2057
к.т.н., доцент кафедры «Эксплуатация автомобильного транспорта и автосервис» автодорожного факультета
Россия, ЯкутскСписок литературы
- Лапшин В.И., Круглов Ю.Ю., Желтов А.П. Экспериментальное определение коэффициента сверхсжимаемости газовых смесей с высоким содержанием H2S, CO2 // Экспресс-информ. Сер. Разработка и эксплуатация газовых и газоконденсатных месторождений. 1988. № 1. С. 32–33.
- Лапшин В.И., Волков А.Н., Шафиев И.М. Установки для термодинамических исследований пластовых нефтегазоконденсатных систем месторождений ОАО «Газпром» // Вести газовой науки. 2011. С. 92–102.
- Мануйлов А.В., Родионов В.И. Химия, 8 и 11 классы. Три уровня обучения. Новосибирск: НГУ, 1998.
- Саушев А.В. Методы линейной аппроксимации граничных точек областей работоспособности технических систем // Вестник государственного университета морского и речного флота им. адмирала С.О. Макарова. 2013. № 3(19). С. 41–51.
- ГОСТ 30319.2-96. Газ природный. Методы расчета физических свойств. Режим доступа: https://docs.cntd.ru/document/1200002059 Дата обращения: 10.07.2022.
- Компрессор Coltri MCH-10. Оборудование для заправки метаном. [internet] Режим доступа: https://ecofuel.su/index.php?page=shop.product_details&flypage=flypage.tpl&category_id=38&product_id=490&option=com_virtuemart&Itemid=141 Дата обращения: 10.07.2022.
Дополнительные файлы






