The analysis of principles of continuously variable transmission of tractors
- Authors: Kurochkin S.V.1
-
Affiliations:
- Vladimir State University named after A.G. and N.G. Stoletovs
- Issue: Vol 90, No 1 (2023)
- Pages: 33-38
- Section: Theory, designing, testing
- Submitted: 25.12.2022
- Accepted: 11.04.2023
- Published: 23.05.2023
- URL: https://journals.eco-vector.com/0321-4443/article/view/119948
- DOI: https://doi.org/10.17816/0321-4443-119948
- ID: 119948
Cite item
Abstract
BACKGROUND: Modern agricultural activity requires the use of high–tech equipment such as, in particular, a multifunctional tractor, which, according to actual trends, should be an autonomously controlled mobile power plant. In modern tractors, meeting current requirements, multiflow shaft-planetary gearboxes with cumulative effect are used.
AIMS: Comparison of the operation principles of two types of automatic tractor transmissions: with hydrostatic drive and with electromechanical drive.
METHODS: During the research, a literature review of printed and online publications with technical description of the transmissions of the considered design was carried out.
RESULTS: The operation principles of two types of automatic tractor transmissions were considered: with hydrostatic drive (Fendt VarioDrive) and with electromechanical drive (Ruselprom-electroprivod LLC).
The operation principle of the Fendt VarioDrive transmission (planetary multiflow transmission with mechanical and hydrostatic branches) consists in dividing the torque coming from the internal combustion engine by a planetary gearbox into mechanical and hydrostatic branches, followed by summation of flows by a collecting shaft. The change in the gear ratio and movement direction of the tractor is controlled by the ECU by means of controlling the hydrostatic branch of the transmission. The transmission is nominally continuously variable due to the absence of gears as such.
The set of traction electrical equipment of the transmission developed by Ruselprom- electroprivod LLC, installed on a tractor, includes:
– an synchronous motor generator with a power converter and a microprocessor control system;
– a traction asynchronous motor of the central drive with a power converter and a microprocessor control system;
– a DC-DC converter for energy supply of auxiliary equipment.
– power converters and a DC-DC converter are integrated into the power electronics unit;
– a top-level controller with controls and indicator panel in the driver’s cab.
The control system of the electromechanical transmission provides with full control of its operation and the functioning of the internal combustion engine. The operation principle of the system is based on the essentials of hybrid transport operation. Tractor movement is possible in one of two ranges: “range 1”, operational (0...18 km/h) and “range 2”, transport (0...42 km/h)
CONCLUSIONS: Due to the modern concept of electric drive units, layout solutions with an electromechanical drive having an electric generator in their design are more promising and applicable in the future, especially for trailed equipment.
Full Text
ВВЕДЕНИЕ
Современная сельскохозяйственная деятельность требует применения высокотехнологичного оборудования, в частности – многофункционального трактора, который, в современных тенденциях, должен являться мобильной электростанцией с автономным управлением.
Требования к современному трактору:
- широкий диапазон бесступенчатого регулирования скорости движения с изменением передаточного числа трансмиссии под нагрузкой в движении;
- снижение удельного расхода топлива и уровня вредных выбросов за счет работы дизеля в экономичном режиме;
- повышение тягового КПД за счет меньшего буксования ведущих колес при отсутствии переменных нагрузок со стороны дизеля;
- адаптивное управление тяговым усилием на колесах посредством единого управления двигателем внутреннего сгорания (далее ДВС) и трансмиссией;
- возможность использования электроприводов агрегатов сельхозмашин с активным приводом вместо механических или гидравлических механизмов;
- обеспечение электропитания внешних потребителей (применение системы в качестве передвижной электростанции);
- автоматизация операций прицепных машин, навигация и автопилотирование трактора.
ОСНОВНАЯ ЧАСТЬ
Проведем анализ современных компоновочных решений бесступенчатых трансмиссий.
В современных тракторах, удовлетворяющих актуальным требованиям, применяются многопоточные вальнопланетарные коробки передач, обладающие кумулятивным эффектом [2]. В таблице 1 приведено сравнение компоновочных решений современных трансмиссий зарубежного и отечественного производства.
Таблица 1. Сравнение компоновочных решений бесступенчатых трансмиссий сельскохозяйственной техники
Table 1. Comparison of layout solutions of continuously variable transmissions of agricultural machinery
Параметры | Fendt VarioDrive [4] | John Deere eAutoPowr [3] | РУСЭЛПРОМ [6] |
Структурная схема [2] | двухпоточная, ID | двухпоточная, ID | двухпоточная |
Компоновочная схема бесступенчатой передачи | Планетарная разветвленная передача с механической и гидростатической ветвями | Электромеханическая трансмиссия | Электромеханическая трансмиссия |
Количество диапазонов передач | 1 | 2 | 2 |
Принцип передачи крутящего момента | Передача крутящего момента через суммирование мощности механической и гидростатической ветвей трансмиссии | Передача крутящего момента через суммирование мощности механической и электрической ветвей трансмиссии | Передача крутящего момента потребителям от электродвигателя |
Сравним принципы работы двух разновидностей автоматических трансмиссий тракторов: с гидростатическим приводом и электромеханическую трансмиссию.
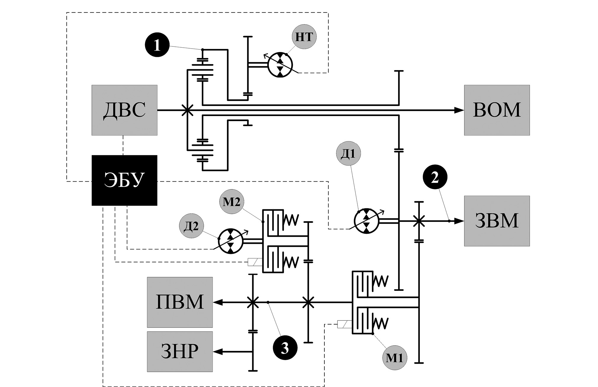
Принцип действия трансмиссии Fendt VarioDrive (планетарная разветвленная передача с механической и гидростатической ветвями) состоит в делении крутящего момента, поступающего от ДВС, планетарным редуктором 1 (рис. 1) на механическую и гидростатическую ветви, с последующим суммированием потоков собирающим валом 2. Изменение передаточного числа и направления движения трактора контролируется электронным блоком управления (далее ЭБУ) посредством управления гидростатической ветвью трансмиссии. При этом стоит отметить, что трансмиссия номинально является бесступенчатой ввиду отсутствия передач как таковых. В более ранних версиях данной трансмиссии имелся редуктор для переключения диапазонов передач.
Рис. 1. Кинематическая схема бесступенчатой трансмиссии ML-400 (Fendt): Источники и потребители крутящего момента: ДВС – двигатель внутреннего сгорания; ВОМ – задний вал отбора мощности; ЗВМ – задний ведущий мост; ПВМ – передний ведущий мост; ЗНР – запасной насос рулевого управления. Элементы управления крутящим моментом: ЭБУ – электронный блок управления; НТ – гидростатический насос трансмиссии; Д1 – гидростатический двигатель привода заднего моста; Д2 – гидростатический двигатель привода переднего моста; М1 – муфта включения полного привода; М2 – муфта включения переднего моста. Элементы передачи крутящего момента: 1 – планетарная шестерня; 2 – собирающий вал привода заднего моста; 3 – собирающий вал привода переднего моста.
Fig. 1. The kinematic scheme of the ML-400 (Fendt) continuously variable transmission: Torque sources and consumers: ДВС – an internal combustion engine; ВОМ – a rear power takeoff shaft; ЗВМ – a rear driven axle; ПВМ – a front driven axle; ЗНР – an extra pump of the steering system. Torque control components: ЭБУ – an electronic control unit; НТ – a hydrostatic pump of the transmission; Д1 – a hydrostatic engine of the rear axle drive; Д2 – a hydrostatic engine of the front axle drive; М1 – an all wheeled drive clutch; M2 – a front axle drive clutch. Torque transfer components: 1 – a planetary gear; 2 – a collecting shaft of the rear axle drive; 3 – a collecting shaft of the front axle drive.
Штатные режимы движения трактора, оборудованного трансмиссией Fendt VarioDrive.
- Скорость движения по дороге до 25 км/ч
Гидравлический насос НТ поворачивается в режим нулевой подачи, гидравлический двигатель Д1 поворачивается до 45°, гидравлический двигатель Д2 поворачивается до 45°, дисковая муфта полного привода М1 закрывается под давлением масла. Дисковая муфта М2 закрывается под воздействием тарельчатой пружины. Оператор определяет передаточное число с помощью джойстика. Трактор трогается с места. Муфта полного привода М1 открывается, гидравлический насос НТ медленно поворачивается и подает трансмиссионное масло, гидравлический двигатель Д1 приводит в движение задний мост, гидравлический двигатель Д2 приводит в движение передний мост. Трактор трогается с места в режиме полного привода.
Гидравлический насос НТ поворачивается еще дальше до макс. 45°, затем гидравлический двигатель Д2 первым поворачивается обратно. На скорости около 25 км/ч гидравлический двигатель Д2 возвращается обратно в положение нулевой подачи, дисковая муфта М2 открывается, после чего частота вращения гидравлического двигателя Д2 падает до нуля. Крутящий момент передается на задние колеса.
- Скорость движения превышает 25 км/ч
Гидравлический двигатель Д1 поворачивается дальше, в том числе, до положения нулевого питания в самом большом передаточном числе. Трактор движется только с механическим приводом.
Во время работы между передним и задним мостами может возникнуть разница в скорости (проскальзывание), например, в результате сброса нагрузки переднего моста. Если величина проскальзывания слишком велика, то дисковая муфта полного приводаМ1 пропорционально закрывается. Если эффект блокировки недостаточен, то дисковая муфта полного привода М1 закрывается под воздействием тарельчатой пружины, что обеспечивает полную блокировку между передним и задним мостами. Если тяговое усилие в трансмиссии остается высоким, муфта полного привода М1 остается полностью закрытой. Если тяговое усилие в трансмиссии снижается, муфта полного привода М1 пропорционально открывается.
- При включении стояночного тормоза или нажатии на педаль тормоза дисковая муфта полного привода М1 закрывается под действием тарельчатой пружины. При включении стояночного тормоза между передним и задним мостами присутствует механическое тяговое усилие на муфте. При нажатии на педаль тормоза предотвращается блокировка переднего моста (например, в случае сброса нагрузки переднего моста). Трактор больше не может выполнять маневры с блокированными передними колесами.
Для сравнения так же рассмотрим электромеханическую трансмиссию, разработанную ООО «Русэлпром-электропривод» [5], блок-схема тягового оборудования которой приведена на рис. 2.
Рис. 2. Блок-схема тягового оборудования электромеханического привода РУСЭЛПРОМ для трактора [5].
Fig. 2. A block diagram of traction equipment of the Ruselprom electromechanical drive for tractors [5].
Комплект тягового электрооборудования, установленный на трактор, включает:
- асинхронный мотор-генератор (МГ) с силовым преобразователем и микропроцессорной системой управления;
- тяговый асинхронный двигатель (ТАД) центрального привода с силовым преобразователем и микропроцессорной системой управления;
- преобразователь постоянно-постоянного тока для питания вспомогательного оборудования.
- силовые преобразователи для МГ, ТАД, преобразователь постоянно-постоянного тока встроены в блок силовой электроники (БСЭ);
- контроллер верхнего уровня (КВУ) с управлением и панелью индикаторов в кабине водителя.
Система управления электромеханической трансмиссии позволяет полностью контролировать ее работу и функционирование двигателя внутреннего сгорания. Принцип действия системы базируется на основах работы гибридного транспорта.
В контроллерах МГ и ТАД применена векторная система управления. Алгоритмы управления позволяют осуществлять функцию реверса в автоматическом режиме. Движение трактора возможно в одном из двух диапазонов, в зависимости от необходимой максимальной скорости движения: «диапазон 1» – рабочий (0–18 км/ч) и «диапазон «2» – транспортный (0–42 км/ч). Для простоты агрегатирования трактора с сельхозорудиями заложена функция перемещения с малой скоростью при полном нажатии на педаль акселератора, ООО «Русэлпром-электропривод», в дополнение к основному оборудованию системы, разработало и поставляет автономную станцию электроснабжения (АСЭ), электропривод переднего вала отбора мощности (ВОМ), и электропривод вентилятора радиатора.
ЗАКЛЮЧЕНИЕ
В заключении стоит отметить, что, ввиду современной концепции агрегатов с электроприводом [1], компоновочные решения с электромеханическим приводом, имеющим в своей конструкции электрический генератор, более перспективны и применимы в будущем, особенно при развитии прицепной техники [6], а также имеет место возможность более свободной компоновки агрегатов. Что касается применения механической трансмиссии с механической и гидростатической ветвями, то наряду с достоинствами плавности хода, удобства управления и простоты механической части компоновочной схемы есть существенные недостатки: технологические сложности и высокая стоимость производства агрегатов гидростатической ветви; сложная система управления энергетической установкой; отсутствие вывода электропитания для подключения перспективной прицепной техники.
ДОПОЛНИТЕЛЬНО
Конфликт интересов. Автор декларирует отсутствие явных и потенциальных конфликтов интересов, связанных с публикацией настоящей статьи.
Источник финансирования. Автор заявляет об отсутствии внешнего финансирования при проведении исследования.
ADDITIONAL INFORMATION
Competing interests. The author declares no any transparent and potential conflict of interests in relation to this article publication.
Funding source. This study was not supported by any external sources of funding.
About the authors
Sergey V. Kurochkin
Vladimir State University named after A.G. and N.G. Stoletovs
Author for correspondence.
Email: s-2000-k@yandex.ru
SPIN-code: 9429-8555
Cand. Sci. (Tech.), Associate Professor of the Information Systems and Software Engineering Department
Russian Federation, VladimirReferences
- Gulyaev VP, Gavrilieva TF. Agreecultural machinery. Мoscow: Lan’; 2023. (in Russ).
- Salamandra KB. Analiz i sintez mekhanizmov robototekhnicheskikh sistem, avtomaticheskikh liniy i korobok peredach na osnove printsipa mnogopotochnosti [dissertation] Moscow; 2022. (in Russ).
- Tansmission John Deere eAutoPowr. Moline: John Deere, 2019. (in Russ). Accessed: 01.12.2022. Available from: https://www.deere.ru/ru/наша-компания/пресс-центр/пресс-релизы/2019/11-2019-трансмиссия-eautopowr.html
- Tansmission Fendt VarioDrive. Marktoberdorf: Fendt-Marketing; 2022. Accessed: 01.12.2022. (in Russ). Available from: https://www.fendt.com/ru/geneva-assets/article/29351/607752-fendt1000vario-1902-ru-v3.pdf
- Electric traction drive in hybrid vehicles. Part 3. Development of FTEA for hybrid vehicles in the RUSELPROM Concern [internet] (in Russ). Accessed: 01.12.2022. Available from: https://russianelectronics.ru/tyagovyj-elektroprivod-v-gibridnyh-transportnyh-sredstvah-chast-3-razrabotki-kteo-dlya-gibridnyh-transportnyh-sredstv-v-konczerne-ruselprom/
- Elektromekhanicheskaya transmissiya. Moscow: RUSELPROM, 2022. (in Russ). Accessed: 01.12.2022. Available from: http://ruselprom-kuzbass.ru/files/transml.pdf
Supplementary files




