Loading modes control for testing tracked tractor transmission
- Authors: Gojaev Z.A.1, Shekhovtsov V.V.2, Lyashenko M.V.2, Potapov P.V.2, Klementiev E.V.2
-
Affiliations:
- Federal Scientific Agroengineering Center VIM
- Volgograd State Technical University
- Issue: Vol 90, No 4 (2023)
- Pages: 361-372
- Section: Theory, designing, testing
- Submitted: 19.04.2023
- Accepted: 08.08.2023
- Published: 07.10.2023
- URL: https://journals.eco-vector.com/0321-4443/article/view/340826
- DOI: https://doi.org/10.17816/0321-4443-340826
- ID: 340826
Cite item
Abstract
BACKGROUND: Confirmation of the operability of agricultural tractor transmission units is obtained by machinery manufacturers on the basis of bench tests. The development of technical solutions for test rigs for transmissions and load control systems with an approximation to operational modes is a relevant technical task.
AIMS: Development of technical solutions of test rigs for testing transmissions of tracked tractors and load management systems based on the analysis of operational loading of transmissions.
METHODS: An analysis of the operational loading of the transmissions of the DT and VT series tracked agricultural tractors was performed, based on the results of which the technical solutions for loading devices of test rigs were developed that allow reproducing loading modes with parameters statistically equivalent to the operational loading modes on the tested transmissions.
RESULTS: A technical solution is proposed for a test rig with a hydro-closed power circuit, in which a hydraulic loader with a rotating spool, by lifting and relieving the pressure of the working fluid in the pressure lines, forms a load on the parts of the tested transmission in accordance with the operational loading mode obtained as a result of preliminary analysis. A technical solution for a test rig with eccentric loaders is also proposed, in which a constant level of load on the tested transmission is created by hydraulic loaders acting on the track chains, and variable loads are formed by eccentric mechanisms and disturbances from the track chains rewinding.
CONCLUSIONS: The practical value of the study lies in the possibility of using the proposed technical solutions of test rigs to conduct tests of tracked tractor transmissions with an increase in the degree of reliability of their results due to the approximation of the transmission loading conditions on the test rigs to the operational ones.
Full Text
ВВЕДЕНИЕ
В условиях реальной эксплуатации детали узлов машин, которые задействованы в передаче силового потока от двигателя до ведущего колеса, подвержены нагрузкам динамического характера, причем в отдельных случаях их пиковые значения существенно, нередко в разы, кратковременно превышают номинальные расчетные значения. За счет переменного характера изменения нагрузок в силовой цепи машины возникают крутильные колебания, из-за которых в материале деталей накапливаются усталостные повреждения, что в итоге приводит к снижению ресурсных показателей деталей, узлов и машины в целом [1-4].
Одним из важных этапов создания новой техники являются испытания опытных образцов, которые должны подтвердить или опровергнуть закладываемые конструктором качественные показатели. Обязательным испытаниям подвергаются также колесные и гусеничные машины в целом или их отдельные наиболее существенно модернизированные агрегаты [3, 4]. При этом, в первую очередь проверяется работоспособность узла, прочность наиболее нагруженных деталей и, если требуется, то проводятся также испытания на долговечность, то есть ресурсные испытания. Наиболее достоверными оказываются результаты эксплуатационных испытаний, при которых узел в составе машины подвергается нагрузкам на эксплуатационных режимах. Но чаще всего эксплуатационные испытания заменяют стендовыми, которые позволяют получить необходимую информацию в более сжатые сроки за счет форсирования нагрузочных режимов по амплитуде и частоте воспроизведения нагрузок [5, 6].
В каждом конкретном случае схема испытательного стенда и комплектация оборудования определяется задачей испытаний. Если производителю необходима информация о влиянии на нагруженность элементов силовой цепи какого-либо конкретного фактора, при создании стенда во главу угла ставится возможность максимально точного, соответствующего условиям эксплуатации, воспроизведения при стендовых испытаниях действия именно этого фактора [7, 8]. Если же необходима информация о работоспособности и долговечности узла или машины, проводятся более длительные испытания для определения их ресурсных показателей. Ресурсные испытания обычно производят на стендах с замкнутым силовым контуром [9, 10].
Известно, что ресурс тяговых и транспортных средств определяется ресурсом их наиболее нагруженных в эксплуатации узлов и агрегатов [1, 2]. В большинстве случаев это комплекс узлов, составляющих силовую передачу от двигателя к ведущим колесам, обычно называемый трансмиссией. Поэтому особое внимание уделяется ресурсным показателям именно трансмиссий; их определение часто осуществляется по результатам стендовых испытаний [3–5].
Воспроизведение при стендовых испытаниях всего комплекса внешних и внутренних возмущающих воздействий, которому подвергается испытуемый узел в эксплуатации, не представляется возможным. Обычно, воспроизводят основную часть комплекса, в результате действия которой достигается физическая тождественность режимов нагружения трансмиссии на стенде и в эксплуатации [11–16].
Авторами предложен и запатентован ряд технических решений стендов для испытаний трансмиссий, системы управления нагрузочными режимами которых отвечают выше приведенным условиям [17–29].
1. УПРАВЛЕНИЕ РЕЖИМАМИ НАГРУЖЕНИЙ НА СТЕНДЕ С ГИДРОЗАМКНУТЫМ СИЛОВЫМ КОНТУРОМ
1.1. Устройство стенда
В мировом автотракторостроении для испытаний трансмиссий машин используются стенды, позволяющие автоматизированно реализовывать на испытуемом узле тождественные эксплуатационным динамические режимы нагружения с воспроизведением диапазона амплитуд и спектра частот действующих нагрузок [1–3]. С учетом этих требований предложена система управления нагрузочным режимом стенда для ускоренных испытаний трансмиссий тракторов с замыканием силового контура гидрообъемными передачами [9, 10, 17, 18].
Гидрообъемное замыкание силового контура обладает рядом достоинств по сравнению с другими способами замыкания. Одним из таких достоинств является возможность воспроизведения в замыкаемом силовом контуре нагрузок с требуемым законом изменения во времени. При этом режим нагружения испытуемой силовой передачи реализуется за счет подъема и сброса по заданному закону давления в напорных магистралях гидропередач при помощи специальных гидравлических исполнительных механизмов [30].
Следующим достоинством является компактность и высокая удельная мощность гидроагрегатов замыкающего контура, что позволяет на заданных режимах форсировать воспроизводимые нагрузки по амплитуде.
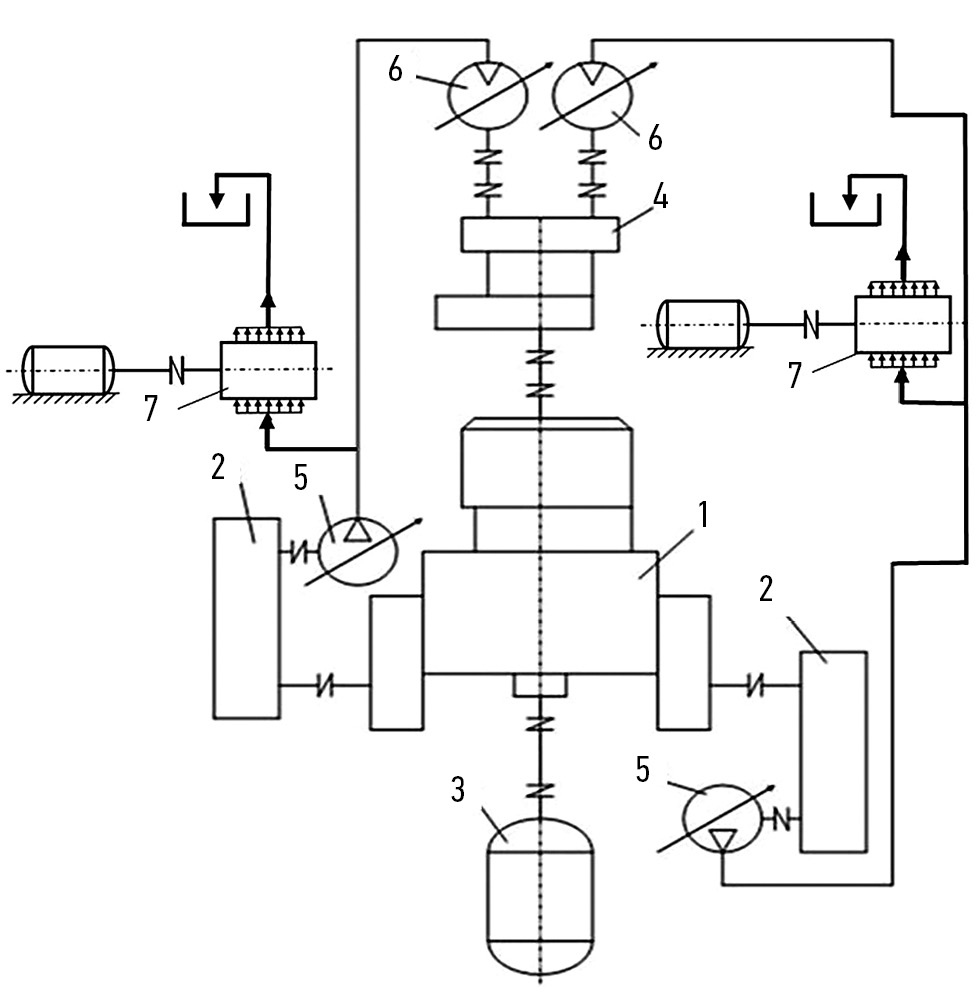
Гидрокинематическая схема предложенного авторами технического решения стенда для испытаний трансмиссии колесной или гусеничной машины с замыканием силового контура гидрообъемными агрегатами приведена на рис. 1.
Рис. 1. Гидрокинематическая схема стенда: 1 — испытуемая трансмиссия; 2 — согласующий редуктор; 3 — приводная балансирная машина; 4 — раздаточная коробка; 5 — гидронасос; 6 — гидромотор; 7 — гидронагружатель с вращаю- щимся золотником.
В схеме стенда присутствует два гидрозамкнутых контура насос-мотор-испытуемая трансмиссия. Вследствие этого к каждому борту трансмиссии возможно прикладывать разные нагружающие воздействия. Постоянная нагрузка в гидрозамкнутом контуре создается за счет того, что во время настройки системы нагружения производительность гидронасосов 5 задается несколько большей расхода гидромоторов 6; при этом величина закрутки валов замкнутого контура, а, следовательно, величина нагружающего воздействия на испытуемую трансмиссию, определяется степенью различия этих настроек, от которой зависит давление в напорных магистралях гидрозамкнутого контура. Переменный режим нагружения деталей испытуемой трансмиссии формируется гидравлическими нагружателями 7 с вращающимся золотником. По заданному закону управления они осуществляют подъем и сброс давления в напорных магистралях, обеспечивая возможность воспроизведения на испытуемой трансмиссии нагрузок эксплуатационного характера с частотами изменения до 50 Гц.
Результаты эксплуатационных испытаний трансмиссий автомобилей и тракторов [2, 3, 8, 11, 12] свидетельствуют о том, что наиболее опасные для прочности и долговечности деталей трансмиссий нагрузки динамического характера с большими амплитудами от изменений тягового сопротивления и инерционных нагрузок, возникающих вследствие изменений скорости поступательного движения машины, имеют в общем случае частоты изменения в диапазоне от 1 до 5 Гц, от вертикальных, продольно- и поперечноугловых колебаний остова на подвеске – в диапазоне 5–15 Гц, у гусеничных машин от перемотки звенчатой гусеницы – в диапазоне от 5 до 30 Гц в зависимости от скорости движения [1, 2]. Нагрузки с меньшими амплитудами и более высокой частотой изменения в силовой передаче формируются вследствие неравномерного действия крутящего момента двигателя, первые (и наибольшие по амплитуде) гармонические составляющие которого для автотракторных двигателей имеют частоты изменения в диапазоне от 15 до 60 Гц. При этом во время установившегося движения валопровод трансмиссии кроме того, что нагружается передаваемым от двигателя примерно постоянным крутящим моментом, испытывает дополнительные динамические нагрузки вследствие переменного характера действия перечисленных выше факторов. Таким образом, процесс нагружения элементов трансмиссии тягово-транспортного средства в условиях эксплуатации формируется из многочисленных случайных и детерминированных воздействий и, в общем случае, может быть представлен как полигармонический [1, 2]. В частном случае, изменение во времени крутящего момента в валопроводе при установившемся движении машины можно представить в следующем виде (рис. 2).
Рис. 2. Характер колебаний в валопроводе.
В приведенной выше графической зависимости (рис. 2) изменения во времени крутящего момента в валопроводе возможно выделить n-ное количество составляющих с разными амплитудами и частотами изменения Аi fi.
1.2. Система нагружения стенда
Одной из важнейших составляющих частей испытательных стендов, в связи с необходимостью воспроизведения на них режимов нагружения с сохранением вероятностных характеристик эксплуатационных режимов, является система нагружения [5, 7, 9, 11, 12, 30]. Как показывает опыт отечественного и зарубежного стендостроения [1, 2], электрогидравлические системы, обладающие рядом несомненных достоинств (высокое быстродействие, высокая удельная мощность, малая инерция подвижных частей при развитии больших усилий, возможность автоматизированного управления по сигналу задающей программы) наиболее полно отвечают требованиям к системам, способным воспроизводить сложные переменные во времени нагрузочные режимы. Подобная система нагружения использована в конструкции стенда.
Нагрузка на трансмиссию, испытуемую на стенде, пропорциональна давлению в напорных магистралях; таким образом, закон изменения нагрузки на деталях испытуемой трансмиссии прямо соответствует закону изменения этого давления. Управление его изменением осуществляется гидронагружателем 7 с вращающимся золотником (см. рис. 1).
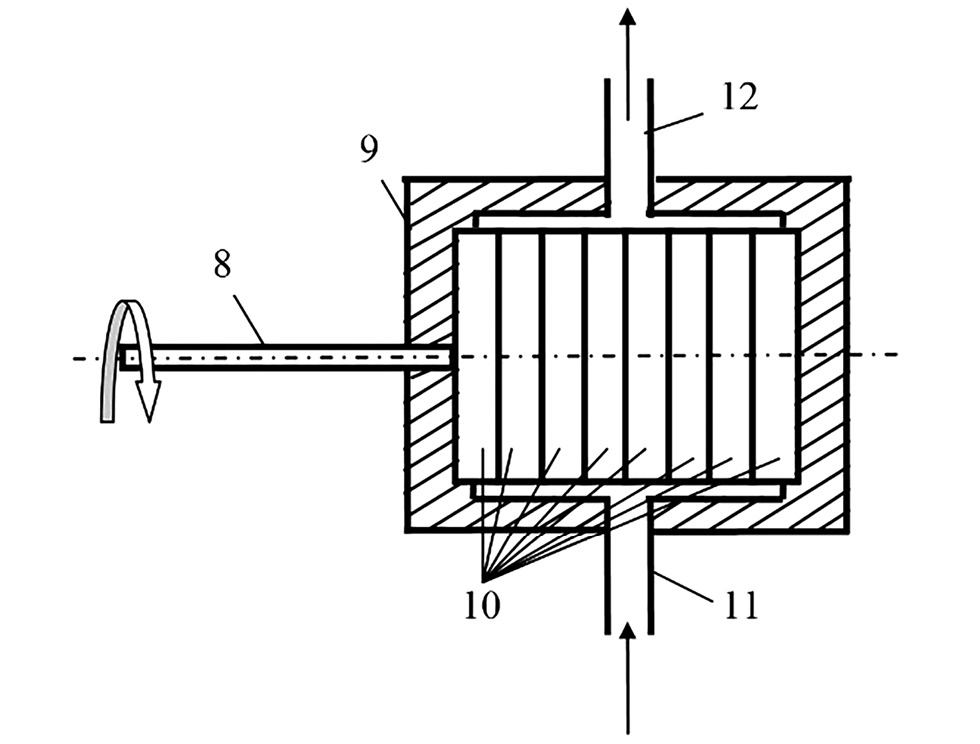
Техническое решение гидронагружателя представлено на рис. 3. Он содержит вал 8 привода от электродвигателя постоянного тока (рис. 1), корпус 9, установленные в корпусе наборные диски 10 вращающегося золотника, входной патрубок 11, связывающий гидронагружатель с напорной магистралью, и выходной патрубок 12, связывающий гидронагружатеь со сливом. В каждом из наборных дисков 10 вращающегося золотника выполнены сквозные отверстия (рис. 4), причем число этих отверстий и их диаметр di в каждом из дисков разные.
Рис. 3. Схема технического решения нагружателя с вращаю- щимся золотником.
Рис. 4. Сквозные отверстия в наборных дисках вращающегося золотника.
Первый от приводного электродвигателя наборный диск связан с приводным валом. На его торцовой поверхности выполнены выступы 13 прямоугольной формы (рис. 5), а на обращенной к первому диску торцовой поверхности второго диска выполнены впадины 14, соответствующие размеру, форме и расположению выступов первого диска.
Рис. 5. Расположение выступов и впадин на торцовых поверхностях дисков.
Следующие за вторым, наборные диски, вращающегося золотника, также снабжены подобными выступами, входящими в соответствующие им впадины соседнего диска, что позволяет составлять из наборных дисков золотник, вращающийся как одно целое.
На внутренней поверхности корпуса 9, вращающегося золотника, напротив входного 11 и выходного 12 патрубков выполнены продольные каналы 15, полости которых сообщены с отверстиями 16 входного 11 и выходного 12 патрубков (рис. 6).
Рис. 6. Продольные каналы на внутренней поверхности кор- пуса вращающегося золотника.
1.3. Формирование нагрузочного режима
Режим нагружения на стенде формируется следующим образом.
Перед началом испытаний анализируется эксплуатационный режим нагружения трансмиссии, определяется n-ное количество его полигармонических составляющих Аi fi, которыми с достаточной степенью точности можно описать эксплуатационный нагрузочный режим, а также амплитуды и частоты изменения каждой из этих составляющих. По результатам анализа выполняется сборка вращающегося золотника нагружателя, который комплектуется необходимым количеством наборных дисков. Количество и диаметры сквозных отверстий в наборных дисках подбираются, исходя из необходимости реализации одной или нескольких полигармонических составляющих Аi fi реального процесса нагружения. Задается необходимая частота вращения вала электродвигателя постоянного тока привода нагружателя, определяющая частоту изменения составляющих Аi fi процесса нагружения. Также задается необходимая величина превышения подачи гидронасосов 5 над расходом гидромоторов 6 (рис. 1), определяющая величину давления рабочей жидкости в напорных магистралях стенда.
После подготовки нагружателя запускается приводной двигатель 3 стенда (см. рис. 1), в его напорных магистралях создается необходимая величина давления, и запускается электродвигатель привода нагружателя. При повороте на определенный угол каждого из наборных дисков 10 нагружателя через выполненное в нем сквозное отверстие (см. рис. 4), канал 15 и отверстие 16 (рис. 6) происходит соединение напорной магистрали со сливом, вследствие чего происходит уменьшение давления в напорных магистралях и связанное с этим уменьшение нагруженности испытуемой трансмиссии. При соединении напорной магистрали со сливом через сквозное отверстие одного из наборных дисков происходит сброс давления в напорной магистрали, при дальнейшем повороте диска — подъем давления, и реализуется одна из составляющих Аi fi полигармонического процесса нагружения, другого — другая составляющая, и так далее. Амплитуды каждой из составляющих определяются диаметрами сквозных отверстий в наборных дисках 10 и частотой вращения приводного электродвигателя постоянного тока 7, а частоты изменения — количеством сквозных отверстий в диске, углами их взаимного расположения (см. рис. 1) и частотой вращения электродвигателя 7.
2. УПРАВЛЕНИЕ РЕЖИМАМИ НАГРУЖЕНИЙ НА СТЕНДЕ С ЭКСЦЕНТРИКОВЫМИ МЕХАНИЗМАМИ
2.1. Устройство стенда
В эксплуатации трансмиссии гусеничных машин испытывают нагрузки, амплитуда, частота и характер изменения которых постоянно изменяются во времени. Достоверность результатов стендовых испытаний в определяющей степени зависит от точности воспроизведения на стендах эксплуатационных нагрузочных режимов. Режимы, максимально приближенные к эксплуатационным, возможно реализовать на следующем стенде.
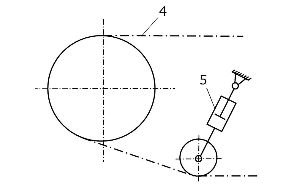
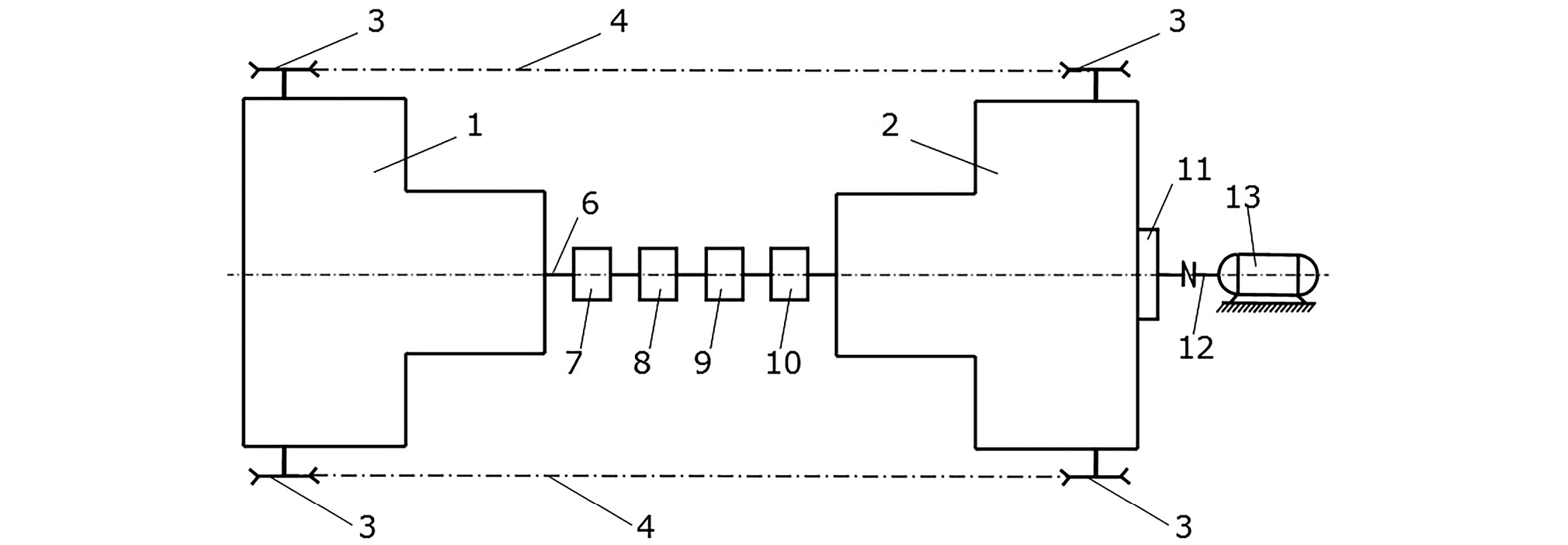
Стенд (рис. 7) включает в себя испытуемую 1 и технологическую 2 трансмиссии, ведущие колеса 3 которых соединены гусеничными цепями 4, на которые воздействуют гидравлические нагружатели 5 (рис. 8); входные валы испытуемой 1 и технологической 2 трансмиссий соединены карданным валом 6 с установленными на нём эксцентриковыми механизмами 7, 8, 9 и 10 (см. рис. 7); привод стенда осуществляется через вал отбора мощности 11 технологической трансмиссии 2 при помощи карданного вала 12 для соединения с приводной балансирной машиной 13 [29].
Рис. 7. Схема стенда для испытания трансмиссий гусеничных машин.
Рис. 8. Гидронагружатель.
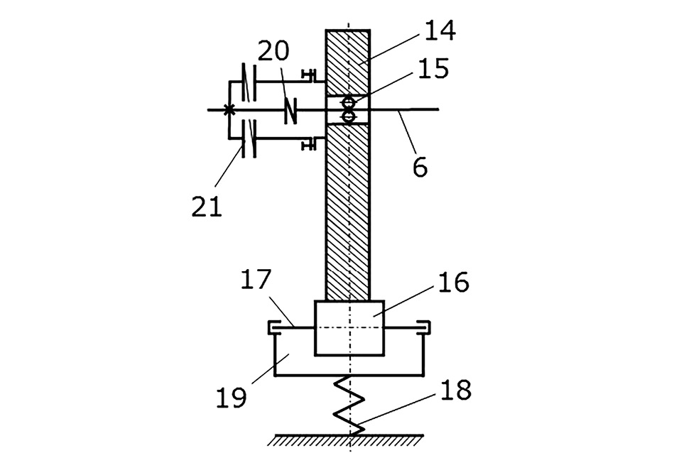
На схеме стенда (см. рис. 7), для примера, показана установка четырех эксцентриковых механизмов 7, 8, 9 и 10; в зависимости от режима испытаний количество этих эксцентриковых механизмов с различным рабочим профилем может быть как меньше, так и больше. Каждый из эксцентриковых механизмов 7, 8, 9 и 10 включает в себя (рис. 9) эксцентрик 14, установленный на подшипнике 15 на карданном валу 6, контактирующий с роликом 16, ось вращения 17 которого установлена в подпружиненном упругим элементом 18 корпусе 19. Перед каждым из эксцентриковых механизмов 7, 8, 9 и 10 на карданном валу 6 установлена муфта 20, а с корпусом каждого эксцентрика связана муфта 21, при включении которой эксцентрик соединяется с карданным валом 6.
Рис. 9. Схема эксцентрикового механизма в разрезе.
2.2. Формирование нагрузочного режима
Формирование нагрузочного режима в стенде осуществляется следующим образом. Постоянный уровень нагрузки в замкнутом силовом контуре стенда создается, воздействующими на гусеничные цепи 4, гидравлическими нагружателями 5, которые осуществляют натяжение замыкающих силовой контур гусеничных цепей 4, вследствие чего, ведущие колеса 3 испытуемой 1 и технологической 2 трансмиссий поворачиваются относительно друг друга на некоторый угол, определяющий уровень задаваемой нагрузки в силовом контуре стенда.
Переменные нагрузки вносятся в замкнутый контур стенда возмущениями от перемотки гусеничных цепей 4 и эксцентриковыми механизмами 7, 8, 9 и 10. Перемотка гусеничных цепей 4 сопровождается кинематическими и силовыми возмущениями, возникающими при контакте каждого из их звеньев с зубьями ведущих колес 3 испытуемой 1 и технологической 2 трансмиссий. Такого рода возмущения имеют место в эксплуатации и повышают достоверность воспроизводимого на стенде нагрузочного режима, что является достоинством технического решения данного стенда.
Каждый из эксцентриковых механизмов 7, 8, 9 и 10 содержит эксцентрики 14, рабочие профили которых (например, показанные на рис. 10, либо иные, определяемые необходимым для воспроизведения законом изменения нагрузки) во время вращения при контакте с роликом 16 вызывают изменение нагруженности карданного вала 6 с заданной амплитудой, частотой и характером изменения во времени. Каждый из эксцентриковых механизмов 7, 8, 9 или 10 оснащен муфтами 20 и 21, которые осуществляют соединение и разъединение с карданным валом 6 каждого из их эксцентриков 14. Когда муфта 21 выключена, а муфта 20 включена, данный эксцентрик 14 не соединен с карданным валом 6, при контакте его рабочего профиля с роликом 16 усилие взаимодействия не передается на карданный вал 6 и не происходит изменение его нагруженности; далее вращение передается на следующий эксцентриковый механизм 7, 8, 9 или 10, подключение или неподключение эксцентрика 14 которого к карданному валу 6 осуществляется таким же образом. Когда обе муфты 20 и 21 включены, данный эксцентрик 14 соединяется с карданным валом 6, при контакте его рабочего профиля с роликом 16 усилие взаимодействия передается на этот вал, происходит изменение его нагруженности и соответствующее изменение нагруженности силового контура стенда для испытаний трансмиссий гусеничных машин. При силовом взаимодействии рабочего профиля каждого из эксцентриков 14 с роликом 16 ось вращения 17 эксцентрика 14 под действием усилия этого взаимодействия перемещается вместе с корпусом 19, преодолевая усилие упругого элемента 18. Величина и характер изменения во времени возмущающего усилия, вносимого каждым эксцентриковым механизмом 7, 8, 9 или 10 в замкнутый силовой контур, определяются рабочим профилем их эксцентриков 14 и жесткостью упругих элементов 18.
Рис. 10. Возможные формы рабочих профилей эксцентриков.
На рис. 11 представлено для примера 4 возможные формы осциллограмм процессов изменения во времени возмущающего момента Мвозм в силовом контуре стенда в зависимости от различных сочетаний использования эксцентриковых механизмов и различных рабочих профилей их эксцентриков.
Рис. 11. Возможные зависимости изменения возмущающего момента в силовом контуре стенда.
В стенде одновременно может работать n-ное количество эксцентриковых механизмов с различным рабочим профилем эксцентриков, совместное возмущающее воздействие которых с максимальной степенью точности способно воспроизводить в замкнутом силовом контуре стенда переменные нагрузки, характерные для эксплуатационных нагрузочных режимов.
ЗАКЛЮЧЕНИЕ
1. Предложено техническое решение стенда с гидравлическим замыканием силового контура, в системе управления нагрузочным режимом которого использован гидронагружатель с вращающимся золотником, что позволяет за счет подъема и сброса давления рабочей жидкости в напорных магистралях управлять амплитудами и частотами изменения нагрузки в замкнутом контуре стенда и формировать за счет этого нагрузку на деталях испытуемой трансмиссии в соответствии с полученным в результате предварительного анализа эксплуатационным нагрузочным режимом.
2. В системе управления нагрузочным режимом предложенного технического решения стенда с эксцентриковыми нагружателями постоянный уровень нагрузки в замкнутом силовом контуре стенда создается воздействующими на гусеничные цепи гидравлическими нагружателями, а переменные нагрузки вносятся в замкнутый контур стенда эксцентриковыми механизмами и возмущениями от перемотки гусеничных цепей. Их перемотка сопровождается кинематическими и силовыми возмущениями, возникающими при контакте каждого из их звеньев с зубьями ведущих колес испытуемой трансмиссий. Такого рода возмущения имеют место в эксплуатации и повышают степень соответствия эксплуатационному воспроизводимого на стенде нагрузочного режима, что является достоинством системы управления нагрузочным режимом стенда.
ДОПОЛНИТЕЛЬНО
Вклад авторов. З.А. Годжаев ― экспертная оценка, утверждение финальной версии, В.В. Шеховцов, М.В. Ляшенко ― руководство работой, написание текста; П.В. Потапов ― создание изображений, редактирование текста, обзор источников Е.В. Клементьев ― поиск публикаций по теме статьи, обзор источников; Авторы подтверждают соответствие своего авторства международным критериям ICMJE (все авторы внесли существенный вклад в разработку концепции, проведение исследования и подготовку статьи, прочли и одобрили финальную версию перед публикацией).
Конфликт интересов. Авторы декларируют отсутствие явных и потенциальных конфликтов интересов, связанных с публикацией настоящей статьи.
Источник финансирования. Авторы заявляют об отсутствии внешнего финансирования при проведении исследования.
ADDITIONAL INFORMATION
Authors’ contribution. Z.A. Godzhaev ― expert opinion, approval of the final version; V.V. Shekhovtsov, M.V. Lyashenko ― work management, writing the text of the manuscript; P.V. Potapov ― editing the text of the manuscript, creating images, review of sources; E.V. Klementiev ― search for publications, review of sources. All authors made a substantial contribution to the conception of the work, acquisition, analysis, interpretation of data for the work, drafting and revising the work, final approval of the version to be published and agree to be accountable for all aspects of the work.
Competing interests. The authors declare that they have no competing interests.
Funding source. This study was not supported by any external sources of funding.
About the authors
Zahid A. Gojaev
Federal Scientific Agroengineering Center VIM
Email: fic51@mail.ru
ORCID iD: 0000-0002-1665-3730
Professor, Dr. Sci. (Tech.), Corresponding Member of the Russian Academy of Sciences, Deputy Director for Innovational and Implemental Activities
Russian Federation, MoscowViktor V. Shekhovtsov
Volgograd State Technical University
Email: shehovtsov@vstu.ru
ORCID iD: 0000-0002-5207-8972
Professor, Dr. Sci. (Tech.), Professor of the Technical Operation and Repair of Automobiles Department
Russian Federation, VolgogradMikhail V. Lyashenko
Volgograd State Technical University
Email: tslmv@vstu.ru
ORCID iD: 0000-0003-4502-2900
Professor, Dr. Sci. (Tech.), Professor of the Technical Operation and Repair of Automobiles Department
Russian Federation, VolgogradPavel V. Potapov
Volgograd State Technical University
Author for correspondence.
Email: ts@vstu.ru
ORCID iD: 0000-0001-6645-6033
SPIN-code: 7042-2560
Associate Professor, Cand. Sci. (Tech.), Associate Professor of the Technical Operation and Repair of Automobiles Department
Russian Federation, VolgogradEvgeniy V. Klementiev
Volgograd State Technical University
Email: ts@vstu.ru
ORCID iD: 0009-0005-6187-0629
Head of the Laboratory of the Heat Engineering and Hydraulics Department
Russian Federation, VolgogradReferences
- Shekhovtsov VV. Sovershenstvovanie avtotraktornykh silovykh peredach na osnove analiza i sinteza ikh dinamicheskikh kharakteristik na etape proektirovaniya [dissertation] Volgograd; 2004. (In Russ).
- Shekhovtsov VV. Analysis and synthesis of dynamic characteristics of autotractor power transmissions and means for their testing. Volgograd: RPK «Politekhnik»; 2004. (In Russ).
- Godzhaev ZA, Shekhovtsov VV. Modern design and technological methods for the creation and testing of mobile vehicles. In: Izvestiya VolgGTU. Seriya “Nazemnye transportnye sistemy”. Vyp. 4: mezhvuz. sb. nauch. st. Volgograd: VolgGTU; 2011;12:5–8. (In Russ).
- Pobedin AV, Tesker EI, Shevchuk VP, et al. Development of designs, experimental and computational studies of traction vehicles. Nauka – proizvodstvu. 2000;1:44–48. (In Russ).
- Khodes IV, Shekhovtsov VV, Shevchuk VP. Development of bench equipment and some results of testing tractor transmissions in variable load mode. In: Bearing capacity and quality of gears and gearboxes of machines: abstracts of all-union. sci.-tech. conf. (Alma-Ata, Sept. 1985). Moscow: Nauchno-tekhnicheskoe obshchestvo mashinostroitelnoy promyshlennostisti; 1985. Ч. 2. C. 50–51. (In Russ).
- Godzhaev ZA, Shekhovtsov VV, Lyashenko MV, et al. Formation of the dynamic system of the stand for testing transmissions at the design stage. Tractors and agricultural machinery. 2021;88(4):22–32. (In Russ). doi: 10.31992/0321-4443-2021-4-22-32
- Khodes IV, Tesker EI, Shekhovtsov VV, et al. Towards the development of a methodology for accelerated bench testing of agricultural tractor transmissions. In: The main directions of economy and rational use of metal in the automotive and tractor industry: abstracts of all-union. sci.-tech. conf. (18–19 Oct.). Chelyabinsk: Chelyabinskiy filial NATI; 1984:182–184. (In Russ).
- Shekhovtsov VV, Ternovoy AM. Some results of the analysis of oscillograms of the processes of loading by the variable mode of the transmission of the tractor DT-75S on the stand. In: New materials, designs and technological processes: abstracts. Volgograd; 1983:66-67. (In Russ).
- Khodes IV, Shekhovtsov VV, Shevchuk VP, et al. Stand for dynamic testing of transmissions of promising VgTZ tractors in a closed power circuit. In: Improving the technical level of gear transmissions of energy-saturated tractors: abstracts of region sci.-tech. meeting, March 14–16, 1982. Kharkov;1982:151–152. (In Russ).
- Shekhovtsov VV, Khodes IV, Shevchuk VP, et al. Stand with hydraulic closing of the power circuit for testing power transmissions of wheeled and tracked vehicles. Sovremennye naukoemkie tekhnologii. 2013;2:55–59. (In Russ).
- Khodes IV, Shekhovtsov VV, Shevchuk VP. Ways of approaching the loading conditions of transmissions on the stand to the conditions of its operation on a tractor. In: Improving the reliability and reducing the metal consumption of gears and reducers for general machine-building applications: abstracts. doc. Republican sci.-tech. conf., 29–30 Sept. Oct 1 1983. Kharkov; 1983:175-176. (In Russ).
- Shekhovtsov VV. Controlling the dynamic properties of power transmission stands. Tractors and agricultural machinery. 1997;11:32–35. (In Russ).
- Patent RUS 116411 / 27.05.2012. Byul. № 15. Shekhovtsov VV, Lyashenko MV, Shevchuk VP, et al. Ustroystvo dlya upravleniya zhestkostyu transmissii transportnogo sredstva. (In Russ). Accessed: 19.04.2023. Available from: https://new.fips.ru/registers-doc-view/fips_servlet?DB=RUPM&DocNumber=116411&TypeFile=html
- Patent RUS 107727 / 27.08.2011. Byul. № 24. Shekhovtsov VV, Lyashenko MV, Shevchuk VP, et al. Ustroystvo dlya snizheniya zhestkosti transmissii transportnogo sredstva. (In Russ). Accessed: 19.04.2023. Available from: https://new.fips.ru/registers-doc-view/fips_servlet?DB=RUPM&DocNumber=107727&TypeFile=html
- Godzhaev ZA, Shekhovtsov VV, Lyashenko MV, et al. Reducing the dynamic loading of the transmission of a traction vehicle due to an element with controlled elastic-dissipative properties. Fundamentalnye i prikladnye problemy tekhniki i tekhnologii. 2021;5(349):157–164. (In Russ). doi: 10.33979/2073-7408-2021-349-5-157-164
- Khodes IV, Shekhovtsov VV, Shevchuk VP. Bench equipment for testing tractor transmissions. Tractors and agricultural machinery. 1988;7:10–13. (In Russ).
- Shekhovtsov VV, Khodes IV, Shevchuk VP. Bench equipment for testing power transmissions of tractors. Sovremennye naukoemkie tekhnologii. 2013;1:36–40. (In Russ).
- Khodes IV, Shekhovtsov VV, Oreshkin VN, et al. Stand for accelerated tests in variable load mode. In: Ensuring the reliability of tractor equipment in the light of the tasks set by the XXVI Congress of the CPSU: abstracts of all-union. sci.-tech. conf., 12–15 Oct. Chelyabinsk; 1982:26–30. (In Russ).
- Khodes IV, Shekhovtsov VV, Shevchuk VP, et al. Stand for testing transmissions. In: Machine building – progressive technology and high quality parts: abstracts of the region scientific-practical. conf. Tolyatti; 1983:109–110. (In Russ).
- Shekhovtsov VV. Stand for accelerated testing of transmissions of VgTZ tractors. In: Research and improvement of tractor designs: abstracts. report all-union. sci.-tech. Conf., May 30 – June 1, 1983. Moscow; 1983:25–26. (In Russ).
- Shekhovtsov VV. Stand for testing transmissions of caterpillar tractors. In: Improvement of tractor designs: abstract. report all-union. sci.-tech. conf. (June 3–5, 1985, Moscow). Moscow: NPO «NATI», VDNKh SSSR; 1985:105. (In Russ).
- Patent USSR 1250877 / 1986.08.15. Byul. № 30. Shevchuk VP, Khodes IV, Shekhovtsov VV, et al. Stend s zamknutym silovym konturom dlya ispytaniya transportnykh sredstv. (In Russ). Accessed: 19.04.2023. Available from: https://yandex.ru/patents/doc/SU1250877A1_19860815
- Patent USSR 1332173 / . Byul. № 31. Khodes IV, Shekhovtsov VV. Stend s zamknutym konturom dlya ispytaniya transmissiy transportnykh sredstv. (In Russ). Accessed: 19.04.2023. Available from: https://yandex.ru/patents/doc/SU1332173A1_19870823
- Patent USSR 1422048 / 1988.09.07. Byul. № 33. Khodes IV, Shekhovtsov VV. Stend s zamknutym silovym konturom dlya ispytaniya agrega-tov transmissiy transportnykh sredstv. (In Russ). Accessed: 19.04.2023. Available from: https://yandex.ru/patents/doc/SU1422048A1_19880907
- Patent USSR 1422050 / 1988.09.07. Byul. № 33. Khodes IV, Shekhovtsov VV, Skopp AA. Stend dlya ispytaniya vedushchikh mostov transport-nykh sredstv. (In Russ). Accessed: 19.04.2023. Available from: https://yandex.ru/patents/doc/SU1422050A1_19880907
- Patent USSR 1422049 / 1988.09.07. Byul. № 33. Khodes IV, Shekhovtsov VV, Skopp AA. Stend dlya ispytaniya motorno-transmissionnoy ustanovki transportnogo sredstva. (In Russ). Accessed: 19.04.2023. Available from: https://yandex.ru/patents/doc/SU1422049A1_19880907
- Patent RUS 2102715 / 20.01.1998. Shekhovtsov VV. Stend dlya ispytaniya motorno-transmissionnoy ustanovki transportnogo sredstva. (In Russ). Accessed: 19.04.2023. Available from: https://new.fips.ru/registers-doc-view/fips_servlet?DB=RUPAT&DocNumber=2102715&TypeFile=html
- Patent RUS 117005 / 10.06.2012. Byul. № 16. Shekhovtsov VV, Khodes IV, Shevchuk VP, et al. Stend s zamknutym silovym konturom dlya ispytaniya transmissiy transportnykh sredstv. (In Russ). Accessed: 19.04.2023. Available from: https://new.fips.ru/registers-doc-view/fips_servlet?DB=RUPM&DocNumber=117005&TypeFile=html
- Patent RUS 209905 / 23.03.2022. Byul. № 9. Shekhovtsov VV, Lyashenko MV, Potapov PV, et al. Stend dlya ispytaniya transmissiy gu-senichnykh mashin. (In Russ). Accessed: 19.04.2023. Available from: https://new.fips.ru/registers-doc-view/fips_servlet?DB=RUPM&DocNumber=209905&TypeFile=html
- Godzhaev ZA, Shekhovtsov VV, Lyashenko MV, et al. Loading devices of test benches. Avtomobilnaya promyshlennost. 2021;8:33–40. (In Russ).
Supplementary files














