Diagnostics of hydraulic cylinders of road building machines using hydraulic support
- Authors: Miller A.P.1,2, Pugin K.G.1,2
-
Affiliations:
- Perm National Research Polytechnic University
- Perm State Agro-Technological University
- Issue: Vol 90, No 6 (2023)
- Pages: 551-559
- Section: Quality, reliability
- Submitted: 02.09.2023
- Accepted: 17.01.2024
- Published: 06.03.2024
- URL: https://journals.eco-vector.com/0321-4443/article/view/568992
- DOI: https://doi.org/10.17816/0321-4443-568992
- ID: 568992
Cite item
Full Text
Abstract
BACKGROUND: The efficiency of operation of hydroficated machines significantly depends on the availability of modern methods and means of diagnosing machines in general and hydraulic systems in particular. The parameters of hydraulic systems of technological machines that change during operation are evaluated by various diagnostic methods that have certain advantages and disadvantages. The choice of diagnostic methods significantly depends on the type, purpose and operating conditions of hydraulic systems, as well as on the equipment of operational units with diagnostic tools.
AIM: Development of a new method for diagnosing hydraulic cylinders. Application of a hardware diagnostic facility for testing a hydraulic cylinder. Analysis of time-domain graphs of pressure. Identification of main diagnostic indicator characterizing the technical condition of the hydraulic cylinder.
METHODS: The pressure, flow rate and temperature of the working fluid are currently used as diagnostic indicators of technical condition of hydraulic systems as a whole and their individual elements. Changes in these indicators makes it possible to judge the state of the hydraulic system of the construction machine. However, these indicators help to assess the current state and, as a rule, are not enough to assess the remaining service life of hydraulic system elements.
RESULTS: The technical state and remaining service life of hydraulic cylinders can be determined by comparing the angle of pressure increase of the reference hydraulic cylinder and of the tested hydraulic cylinder. With the hydraulic support in the drain line, the angle of pressure increase can serve as a diagnostic parameter when determining the technical state of the hydraulic cylinder, makes it possible to determine the change in its technical state.
CONCLUSIONS: The practical value of the study lies in the fact that with the help of a hardware diagnostic facility used together with the developed diagnostic method, it is possible to assess technical state of the hydraulic cylinder. The proposed method of assessing the technical state helps to evaluate the service life of hydraulic cylinders, both on the bench and during their operation. It helps to decrease the downtime of machines, as well as to decrease costs their maintenance and repair.
Full Text
ВВЕДЕНИЕ
В настоящее время наблюдается рост парка сложной и дорогостоящей техники, к которой относятся строительно-дорожные машины. В данных машинах применяются гидравлические приводы. Высокий уровень сложности гидравлических систем, а также высокие требования к их безопасности, безотказности и долговечности требуют точной оценки их технического состояния в процессе эксплуатации [1, 2].
Эффективность эксплуатации гидрофицированных машин существенно зависит от наличия современных методов и средств диагностирования машин в целом и гидравлических систем в частности [3]. Изменяющиеся при эксплуатации параметры гидравлических систем технологических машин оцениваются различными диагностическими методами, обладающими определенными преимуществами и недостатками [4, 5]. Выбор методов диагностирования существенно зависит от типа, назначений и условий эксплуатации гидравлических систем, а также от оснащенности эксплуатационных подразделений средствами диагностики [6-9].
Эксплуатационные расходы на техническое обслуживание строительно-дорожных машин в течение всего срока службы могут быть в несколько раз выше, чем ее первоначальная стоимость [10]. Расходы на эксплуатацию строительно-дорожных машин в значительной степени зависят от условий эксплуатации, нагрузки, региона эксплуатации, производителя и типа машины. [11]. Повысить надёжность гидравлических систем и тем самым снизить расходы на проведение внезапных ремонтов можно, сосредоточив внимание на диагностике гидравлической системы.
ЦЕЛЬ ИССЛЕДОВАНИЯ
Цель исследования состоит в разработке нового метода диагностики гидроцилиндров. Применить аппаратно-диагностический комплекс для испытаний гидроцилиндра. Провести анализ графиков зависимости давления от времени, а также выявить основной диагностический показатель, характеризующий техническое состояние гидроцилиндра.
МАТЕРИАЛЫ И МЕТОДЫ
В качестве диагностических показателей, используемых для диагностики технического состояния гидравлических систем в целом и её отдельных элементов в настоящее время используются давление, расход и температура рабочей жидкости [12–14]. Изменение этих показателей позволяют судить о состоянии гидросистемы строительной машины. Однако эти показатели помогают оценить существующее состояние и как правило не дают возможности оценить остаточный ресурс элементов гидросистемы.
В статье Чиликина А.А. и Трушина Н.Н. [11], как один из предпочтительных методов диагностики, представлен виброакустический метод, основывающийся на измерении акустической эмиссии, обусловленной вибрациями объектов диагностирования. По мере износа механизмов или при возникновении в них дефектов характер шума и вибраций меняется. Указанный выше метод предусматривает измерение зазоров в сопряжениях деталей по величинам их вибрационных характеристикам и акустическим шумам, возникающих в работе диагностируемой машины. Достоинствами данного метода контроля являются высокая информативность виброакустических сигналов, простота их преобразования в электрические сигналы и, следовательно, возможность автоматизации процесса контроля. Недостатком метода является необходимость применения специальных преобразователей для разделения полезных сигналов и помех.
В статье Бурмистрова В.А., Волкова В.Н., Тимохов Р.С. [1] представлен метод диагностики, который основывается на измерении времени запуска и прогрева двигателя, температуры масла и охлаждающей жидкости, времени вынужденных остановок. По мере прогрева гидросистемы в её трубопроводах появляются области с не равномерно прогретой рабочей жидкостью, что может провести к повышенному износу гидроагрегатов. Метод предусматривает измерение температуры в разных точках узлов и гидроприводов. Достоинствами данного метода контроля является использование температуры, как показателя, простота ее преобразования в электрические сигналы и, следовательно, возможность автоматизации процесса контроля. Недостатком метода является необходимость применения специальных устройств для обработки и преобразования аналоговых сигналов.
В статье Тарбеева А.А., А.И. Павлова [10] представлен метод диагностики гидроцилиндров с использованием искусственного гидроудара (переходного процесса) в его сливной магистрали. По мере износа механизмов или при возникновении в них дефектов меняется характер переходного процесса. Метод предусматривает создание искусственного гидроудара при нагружении гидроцилиндра. Контроль технического состояния осуществляется по трём показателям: величина повышения, частота колебания и период колебания давления. Достоинствами данного метода являются простота преобразования указанных параметров в электрические сигналы и, следовательно, возможность автоматизации процесса контроля. Недостатком метода, как и в предыдущих случаях, является необходимость применения специальных преобразователей для преобразования аналоговых сигналов.
Анализ выше указанных методов диагностики позволил разработать собственный метод диагностики гидроцилиндров. Суть этого метода заключатся в использовании эффекта «гидроподпора» для создания нагрузки на элементы гидроцилиндра и получения характеристики отклика на эту нагрузку. В качестве параметра отклика предложено использовать скорость нарастания давления в напорной магистрали. Сделано предположение, что техническое состояние элементов гидроцилиндра будет влиять на скорость нарастания давления при резком изменении внешней нагрузки (формировании подпора в сливной магистрали). Это обусловлено перетоком рабочей жидкости из поршневой полости в штоковую (и обратно) при резком изменении давления в напорной магистрали (обусловленное изменением внешней нагрузки) за счет инерции поршня и штока при их неустановившемся движении. Примерная схемы перетечки жидкости через изношенные уплотнения поршня под воздействием представлена на рис. 1 чёрными стрелками.
Рис. 1. Примерная схема перетечки жидкости через уплотнения поршня: 1, 2 — направляющие кольца, 3 — уплотнительное кольцо, 4, 5 — штоковые уплотнения поршня.
Fig. 1. An approximate scheme of fluid flow through the piston seals: 1, 2 — guide rings, 3 — a sealing ring, 4, 5 — piston rod seals.
Для изучения предложенного метода оценки работоспособности гидроцилиндров был разработан стенд и программа исследования. Стенд позволяет проводить гидравлические испытания гидроцилиндров при номинальном давлении 2 МПа и при максимальном 3 МПа.
В качестве испытуемого гидроцилиндр был использован гидроцилиндр двухстороннего действия с односторонним штоком ГЦ-100.50.400.700(690).40. В качестве уплотнений на поршне использованы два направляющих и одно уплотнительное кольцо. Также для уплотнения в соединении поршень-шток использованы два уплотнительных кольца. Поршень изготовлен из стали 40. Гильза изготовлена из стали 45. Испытуемый гидроцилиндр, установленный на стенде с подключённым к нему преобразователем избыточного давления (ПИД указан стрелкой), представлен на рис. 2. В испытании использовался гидроцилиндр со штатными уплотнениями поршня, которые ранее участвовали в его работе.
Рис. 2. Испытуемый гидроцилиндр с подключённым к нему ПИД.
Fig. 2. The tested hydraulic cylinder with the excessive pressure transmitter connected to it.
3D-модель стенда, собственной конструкции, представлена на рис. 3. В качестве привода гидронасоса используется электродвигатель марки АИР 112 М4 с мощностью 5,5 кВт, с частотой вращения 1440 об/мин и крутящим моментом 36,5 н‧м. Использован гидронасос марки НШ 10 Г-3 с рабочим объёмом 10 см3, c подачей 21 л/мин, с максимальной частотой вращения 3600 об/мин, с номинальным давлением 16 МПа. В качестве трубопроводов используются рукава высокого давления с предельным рабочим давлением 40 МПа. В качестве рабочей жидкости использовано гидравлическое масло с товарной маркой ВМГЗ.
Рис. 3. 3D-модель стенда.
Fig. 3. The 3D model of the bench.
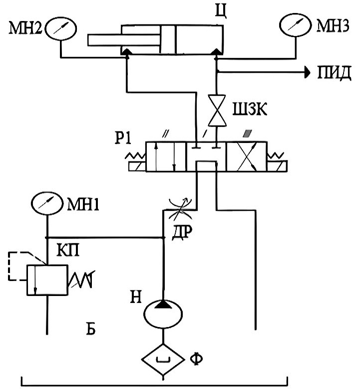
Принципиальная гидравлическая схема стенда представлена на рис. 4.
Рис. 4. Принципиальная гидравлическая схема стенда: Б — бак, Ф — фильтр, Н — насос, КП — клапан предохранительный, ШЗК — шаровой запорный клапан, МН1 — манометр, ДР — регулируемый дроссель, P1 — гидрораспределитель, МН2 и МН3 — дублирующие манометры избыточного давления по магистралям, ПИД — преобразователь избыточного давления, Ц — исследуемый гидроцилиндр.
Fig. 4. Schematic hydraulic diagram of the bench: Б — a tank, Ф — a filter, Н — a pump, КП — a safety valve, ШЗК — a ball shut–off valve, МН1 — a pressure gauge, ДР — an adjustable throttle, P1 — a hydraulic distributor, МН2 and МН3 — secondary excessive pressure gauges at circuit branches, ПИД — an excessive pressure transmitter, Ц — a studied hydraulic cylinder.
Алгоритм предлагаемого метода диагностирования гидроцилиндров заключается в следующем. Рабочая жидкость из бака Б насосом Н подается в штоковую (или поршневую) полость гидроцилиндра через фильтр Ф, после чего проходит через дроссель ДР, с помощью которого производится регулирование давления в системе, поступает в гидрораспределитель Р1. Гидрораспределитель направляет рабочую жидкость в штоковую или поршневую полость гидроцилиндра. Для формирования подпора на сливной линии установлен шаровой запорный клапан (ШЗК). Перед подачей рабочей жидкости в гидроцилиндр производится перекрытие сливной магистрали с помощью ШЗК. Далее с помощью электромагнитных клапанов гидрораспределителя Р1 по напорной магистрали в поршневую полость гидроцилиндра происходит подача рабочей жидкости. Регистрация характера повышения давления в штоковой полости производится преобразователем избыточного давления (ПИД). Манометры избыточного давления МН3 и МН2 служат для дублирования показаний при проведении испытаний. Манометр МН1 используется для контроля давления в гидросистеме при её работе и регулировке. Предохранительный клапан КП не допускает повышения давления в гидросистеме сверх его регулировки.
Диагностический комплекс состоит из аппаратно-программного средства (АПС), ЭВМ (ноутбук), ПО (разработанная компьютерная программа для отображения графика повышения давления), преобразователя избыточного давления ((ПИД), модель ПД-100ДИ) и блока питания (БП). В качестве АПС выступает Arduino Uno. Arduino — это открытая платформа, которая позволяет создавать различные устройства для измерения, преобразования и управления аналоговыми и цифровыми сигналами. Принципиальная схема диагностического комплекса представлена на рис. 6.
Технические характеристики Arduino Uno представлены в таблице 1.
Таблица 1. Технические характеристики Arduino Uno
Table 1. Technical characteristics of the Arduino Uno
Характеристика | Значение характеристики |
Микроконтроллер | ATmega328 |
Рабочее напряжение, В | 5 |
Входное напряжение (рекомендуемое), В | 7–12 |
Входное напряжение (предельное), В | 6–20 |
Цифровые Входы/Выходы | 14 (6 из которых могут использоваться как выходы широтно-импульсной модуляции (ШИМ)) |
Аналоговые входы | 6 |
Постоянный ток через вход/выход, мА | 40 |
Постоянный ток для вывода 3.3 В, мА | 50 |
Флеш-память | 32 Кб из которых 0.5 Кб используются для загрузчика |
ОЗУ, Кб | 2 |
EEPROM, Кб | 1 |
Тактовая частота, МГц | 16 |
Рис. 5. Общий вид диагностического комплекса.
Fig. 5. General view of the diagnostic facility.
Рис. 6. Принципиальная схема диагностического комплекса.
Fig. 6. Schematic diagram of the diagnostic facility.
Обмен информацией между ПИД-АПС-ЭВМ осуществляется по протоколу USB 2.0.
Компьютерная программа была написана в среде Arduino IDE и позволяет анализировать аналоговый сигнал и преобразовать его в цифровой, затем представляя в виде графика зависимости давления от времени. В интерфейсе программы есть две команды «Обновить» и «Подключиться». Под командой «Обновить» понимается, что при её нажатии автоматически выбирается порт подключения в АПС. Команда «Подключиться» соответственно означает установить связь с портом подключения. По результатам проведённого опыта получаем график зависимости давления от времени.
На компьютере при проведении испытания автоматически строится график повышения давления. На графиках по оси X отложено время в секундах, а по оси Y давление в мегапаскалях (Мпа). Интервалы между вертикальными осями на графике равны 10 секундам. По отклонению от эталонных значений графика судят о техническом состоянии испытуемого гидроцилиндра. Пример графиков эталонного и неисправного гидроцилиндра представлены на рис. 7 и 8 соответственно.
Рис. 7. График повышения давления эталонного гидроцилиндра.
Fig. 7. Graph of pressure increase of the reference hydraulic cylinder.
Рис 8. График повышения давления гидроцилиндра, имеющего внутренние утечки.
Fig. 8. Graph of pressure increase of a hydraulic cylinder with internal leaks.
В качестве диагностического параметра предлагаем использовать угол повышения давления, пример указан на рис. 9.
Рис. 9. Угол повышения давления у исправного цилиндра.
Fig. 9. The angle of pressure increase of the fault-free cylinder.
РЕЗУЛЬТАТЫ И ОБСУЖДЕНИЯ
Скорость нарастания давления (угол повышения давления) можно использовать в качестве диагностического параметра, который характеризует степень износа уплотнительных элементов на поршне или степень износа внутренней поверхности гильзы гидроцилиндра. При проведении испытаний (при давлении 2,1 МПа) было зафиксировано, что на новых уплотнительных кольцах на поршне угол нарастания давления составил 58 градусов. При установленных поршневых уплотнениях, имеющих износ, угол нарастания давления составил 49 градусов. Сами уплотнения вместе с поршнем испытуемого гидроцилиндра представлены на рис. 10. На направляющих и уплотнительном кольце присутствуют следы абразивного износа и экструзии, что приводит к перетечкам рабочей жидкости между полостями.
Рис. 10. Поршень гидроцилиндра вместе с уплотнениями.
Fig. 10. A hydraulic cylinder piston together with seals.
С помощью данного метода диагностики можно определить область износа внутренней поверхности гильзы. При эксплуатации внутренняя поверхность гильзы гидроцилиндра может испытывать разные контактные усилия, передаваемые поршнем от действия внешней нагрузки. Во время выполнения рабочих операций поршень как правило не использует всю длину гильзы. В зависимости от характера выполняемой работы поршень может большее количество рабочих циклов совершать в средней части или в конце хода поршня. Это формирует разные участники износа внутренней поверхности гильзы. Зоны износа гильзы гидроцилиндра представлены на рис. 11.
Рис. 11. Зоны износа гильзы гидроцилиндра: 1, 2 — зоны крайних положений поршня, 3 — зона основной работы поршня.
Fig. 11. Wear zones of the hydraulic cylinder sleeve: 1, 2 — the zones of the extreme positions of piston, 3 — the zone of the main operation of a piston.
Для оценки степени износа разных зон гильзы можно использовать предлагаемый метод. Останавливая поршень в разных зонах и получая угол повышения давления возможно получить качественную и количественную оценку степени износа гильзы в разных зонах. При обнаружении зоны с повышенным износом, возможно определить ее размеры (по длине), а также скорость увеличения зоны износа (при проведении замеров во время производственной эксплуатации).
ВЫВОДЫ
Проведенные испытания позволяют сделать ряд выводов. Техническое состояние и остаточный ресурс гидроцилиндров можно определить путем сравнения угла повышения давления на эталонном и на испытуемом гидроцилиндре. Угол повышения давления при организации подпора в сливной линии может быть диагностическим параметром при определении технического состояния гидроцилиндра, позволяет определять изменение его технического состояния.
Данный параметр предназначен для косвенного определения степени износа гильзы и уплотнений гидроцилиндра, при котором дальнейшая его эксплуатация является экономически нецелесообразной.
Предлагаемый метод оценки технического состояния позволяет оценивать ресурс гидроцилиндров, как на стенде, так и при выполнении производственных процессов на машине. Это позволит сократить время простоя машин, а также уменьшить расход денежных средств на их обслуживание и ремонт.
ДОПОЛНИТЕЛЬНО
Вклад авторов. А.П. Миллер — обзор литературы, сбор и анализ литературных источников, подготовка и написание текста статьи; поиск публикаций по теме статьи, проведение опытов, редактирование текста рукописи, создание изображений, экспертная оценка; К.Г. Пугин — написание текста и редактирование статьи. Авторы подтверждают соответствие своего авторства международным критериям ICMJE (все авторы внесли существенный вклад в разработку концепции, проведение исследования и подготовку статьи, прочли и одобрили финальную версию перед публикацией).
Конфликт интересов. Авторы декларируют отсутствие явных и потенциальных конфликтов интересов, связанных с публикацией настоящей статьи.
Источник финансирования. Авторы заявляют об отсутствии внешнего финансирования при проведении исследования.
ADDITIONAL INFORMATION
Authors’ contribution. A.P. Miller — literature review, collection and analysis of literary sources, preparation and writing of the text of the manuscript; search for publications on the topic of the article, conducting experiments, editing the text of the manuscript, creating images, expert opinion; K.G. Pugin — writing the text and editing the text of the manuscript. All authors made a substantial contribution to the conception of the work, acquisition, analysis, interpretation of data for the work, drafting and revising the work, final approval of the version to be published and agree to be accountable for all aspects of the work.
Competing interests. The authors declare that they have no competing interests.
Funding source. This study was not supported by any external sources of funding.
About the authors
Alexander P. Miller
Perm National Research Polytechnic University; Perm State Agro-Technological University
Author for correspondence.
Email: aleksandrmillera@mail.ru
ORCID iD: 0000-0001-7741-8614
SPIN-code: 8388-0646
Postgraduate of the Automobiles and Technological Machines Department; Assistant of the Technical Service and Repair of Machines Department
Russian Federation, Perm; PermKonstantin G. Pugin
Perm National Research Polytechnic University; Perm State Agro-Technological University
Email: 123zzz@rambler.ru
ORCID iD: 0000-0002-1768-8177
SPIN-code: 7972-1668
Associate Professor, Dr. Sci. (Engineering), Professor of the Automobiles and Technological Machines Department, Head of the Construction Technologies Department
Russian Federation, Perm; PermReferences
- Burmistrov VA, Volkov VN, Timokhov RS. Methodology for conducting operational tests of hydraulic systems of tractors. Mezhdunarodnyy zhurnal prikladnykh i fundamentalnykh issledovaniy. 2015;8–5:855–858. (In Russ).
- Zorin VA, Min NCh, Nefelov IS. Increasing the reliability of hydraulic systems of construction machines using technical diagnostic methods. Vestnik MADI. 2020;3(62):24–30. (In Russ).
- Maksimenko AN, Antipenko GL, Bezdnikov DV, et al. Improving the performance of the hy-draulic drive of road construction machines. Vestnik Belorussko-Rossiyskogo universiteta. 2007;4:24–30. (In Russ).
- Miller AP, Pugin KG, Shaikhov RF. Improving diagnostics of hydraulic systems of construction machines. Modernizatsiya i nauchnye issledovaniya v transportnom komplekse. 2022;1:15–20. EDN: LKUPQB
- Konev VV, Merdanov ShM, Borodin DM, et al. Operating conditions of road construction machines. Fundamentalnye issledovaniya. 2016;12–3:502–507. (In Russ).
- Shayakbarov IE, Pugin KG, Vlasov DV. Improving the reliability of road construction machines at low temperatures. Khimiya. Ekologiya. Urbanistika. 2020;3:279–283.
- Rynkevich SA, Khadkevich IYu. Experimental studies of the physical properties of a hydrau-lic drive of a mobile machine. Vestnik Belorussko-Rossiyskogo universiteta. 2015;4(49):68–78. (In Russ).
- Tashchilin LN. The place of hydraulic and pneumatic drives in modern technology. In: Science of Russia: Goals and objectives: Collection of scientific papers based on the materials of the XIX International Scientific Conference, Yekaterinburg, February 10, 2020. Part 1. Ekaterinburg: L-Zhurnal; 2020:43-50. (In Russ). doi: 10.18411/sr-10-02-2020-03
- Taepov EF. Methods for increasing the reliability of parts of hydraulic drives of road construction machines. In: Current problems of science and technology: Collection of scientific articles based on the materials of the VIII International Scientific and Practical Conference, Ufa, April 15, 2022. Ufa: Vestnik nauki; 2022:18–22. (In Russ).
- Pavlov AI, Tarbeev AA. Methodology for determining the strategy for replacing hydraulic drive elements of transport and technological machines. Sovremennye naukoemkie tekhnologii. 2018;4:108–112. (In Russ).
- Pavlov AI, Tarbeev AA. Results of a study of hydraulic cylinders of forestry machines to substantiate diagnostic parameters. Vestnik PGTU. 2019;4:135–139. (In Russ).
- Chilikin AA, Trushin NN. Comparative analysis of modern methods for diagnosing the condition of hydraulic systems. Izvestiya Tulskogo gosudarstvennogo universiteta. Tekhnicheskie nauki. 2014;3:117–127. (In Russ).
- Chistokletov AA, Pugin KG. Assessment of the condition of hydraulic drive elements of road construction machines using modern approaches. Transport. Transportnye sooruzheniya. Ekologiya. 2022;4:51–57. (In Russ). doi: 10.15593/24111678/2022.04.06
- Piramatov UA, Pugin KG. Improving the efficiency of existing methods of diagnosing the hydraulic drive of road-building machines. IOP Conf. Ser.: Mater. Sci. Eng. 2020;786(1):012007. doi: 10.1088/1757-899X/786/1/012007
- Ni SX, Zhang YF, Liang XF. Intelligent Fault Diagnosis Mehthod Based on Fault Tree. Journal of Shang Hai Jiaotong University. 2008;42(8):1372–1375.
Supplementary files













