Theoretical justification of the parameters of the rollers and the modes of flattening
- Authors: Petrovets V.R.1, Kuzyur V.M.2, Budko S.I.2
-
Affiliations:
- Belarusian Agricultural Academy
- Bryansk State Agrarian University
- Issue: Vol 91, No 2 (2024)
- Pages: 191-198
- Section: Theory, designing, testing
- Submitted: 19.10.2023
- Accepted: 02.06.2024
- Published: 19.07.2024
- URL: https://journals.eco-vector.com/0321-4443/article/view/611076
- DOI: https://doi.org/10.17816/0321-4443-611076
- ID: 611076
Cite item
Abstract
BACKGROUND: The proposed design of the flattening device will ensure an increase in the quality of harvested grass feeds, since the time for drying it is reduced, and the additional adhesive agent increases the feed value, in addition, the loss of leaf and small-stemmed parts of plants is reduced by gluing them with stems in the total mass of the roll.
AIM: The set of technological measures used for the preparation of a particular feed from plants should ensure the maximal possible preservation of their nutritious, physiologically useful qualities. The aim of this study is to improve the quality of harvested grass feeds by increasing the feed value and reducing mechanical losses.
METHODS: As an object of research, a mower with devices for flattening and processing grass with an adhesive-nutrient agent, a centrifugal-type cutting mechanism, a flattening device with two ribbed rollers is considered. One of the conditions for the stable operation of the roller device is to ensure stems capturing by the rollers without unloading and clogging.
RESULTS: The principle of operation of the mower differs from the prototype in that the mown grass is flattened not by rolling between two rollers, which is effective with low grass yields and low device capacity, but by dragging the plants between adjacent surfaces of the protrusion of one roller and the groove of another roller, whereas the adhesive agent is applied by spraying onto the grass not before mowing but after flattening and forming a loose roll with a forming device.
CONCLUSION: The work was analyzed and the theoretical justification of the parameters of the rollers and their modes during the grass flattening was carried out. The parameters of the flattening device for forage harvesting must meet the following conditions: the capture of the mown grass and its rolling between the rollers with a constant compaction force.
Keywords
Full Text
ВВЕДЕНИЕ
Основой расчета и проектирования рабочих органов сельскохозяйственных машин для прогрессивных технологий кормопроизводства, отвечающих современным требованиям, является механическая технология сельскохозяйственных материалов. К механическим технологиям относятся все виды обработки (переработки) материалов путем механического воздействия на них рабочих органов машин.
Указанная технология решает несколько тесно связанных между собой групп задач:
- исследование различных свойств сельскохозяйственных материалов, подлежащих обработки или переработки рабочими органами сельскохозяйственных машин в процессе сельскохозяйственного производства. Такими, например, являются корма сельскохозяйственных животных. Под технологическими свойствами этих материалов следует иметь в виду те их физические и механические свойства, которые определяют собой ход технологического процесса обработки этих материалов или имеют существенное значение в этом процессе;
- исследование сущности и законов технологических процессов механической обработки или переработки этих материалов в сельскохозяйственном производстве, которые происходят в обрабатываемых материалах под воздействием рабочих органов машин. Такое воздействие имеет цель рациональным способом привести обрабатываемый материал из исходного состояния в конечное в соответствии с задачей производства. В кормопроизводстве это измельчение кормов, плющение, прессование, дробление и др. [1, 2].
МЕТОДЫ ИССЛЕДОВАНИЯ
Создание методов для проектирования и расчета рабочих органов сельскохозяйственных машин должны основываться на исследованиях различных свойств обрабатываемых материалов и технологических процессов их обработки [3].
При этом следует отличать теорию рабочего органа от теории технологического процесса. Содержание и ход процессов, протекающих в обрабатываемых материалах, зависит как от способов воздействия на них рабочих органов машин, так и от свойств самих материалов, проявляющихся в процессе их обработки или переработки [4].
Большинство технологических процессов, выполняемых кормоуборочными машинами, являются процессами механическими, зависящими от действующих сил, перемещений, скоростей, ускорений и времени. Следовательно, они подчиняются законам механики, которые во многих случаях могут быть выражены математически [5–7]. В связи с этим, механико-математические методы исследований занимают большой удельный вес среди исследований механической технологии сельскохозяйственных материалов. Процесс обработки или переработки кормов обычно направлен на то, чтобы подвергнуть их деформациям, относительным перемещениям и т.д.
Все эти процессы являются определенными функциями приложенных сил. Поэтому, при разработке того или иного технологического процесса всегда возникает необходимость в нахождении функциональной зависимости между приложенными силами, возникающими в материале, напряжениями и деформациями, по заданным силам находить деформации или по заданным деформациям находить возникающие силы [8]. При этом ставится задача выбрать такой способ деформации материалов, при котором, затрачиваемая энергия была бы минимальной.
РЕЗУЛЬТАТЫ ИССЛЕДОВАНИЯ И ИХ ОБСУЖДЕНИЕ
Рассмотрим процесс плющения вальцами, имеющими одинаковые диаметры и разные поверхности. В этом случае коэффициенты трения материала о вальцы не равны между собой. Принимаем, что (рис. 1), поэтому угол захвата и контактные поверхности на обоих вальцах не равны между собой. В связи с этим, равнодействующие нагрузки уплотняемого материала на вальцы отклоняются на разные углы от вертикального направления.
Рис. 1. Несимметричное плющение упруго вязкого материала вальцами равного диаметра, но с различной поверхностью.
Fig. 1. Asymmetric flattening of elastic viscous material by the rollers of equal diameter, but with a different surface.
Из рисунка следует, что:
, (1)
откуда максимальная толщина захватываемого слоя:
. (2)
Приводные моменты вальцов:
, (3)
, (4)
, (5)
. (6)
Чем больше коэффициент трения вальца, тем больше плечо силы Р и, следовательно, крутящий момент. Момент, необходимый для вращения нижнего и верхнего вальцов:
(7)
При этом:
. (8)
Чтобы ускорить сушку скошенных трав и снизить потери листовой и мелко стебельной частей растений путем создания после расплющивания стеблей жесткой структуры валка с помощью клеяще-питательного вещества.
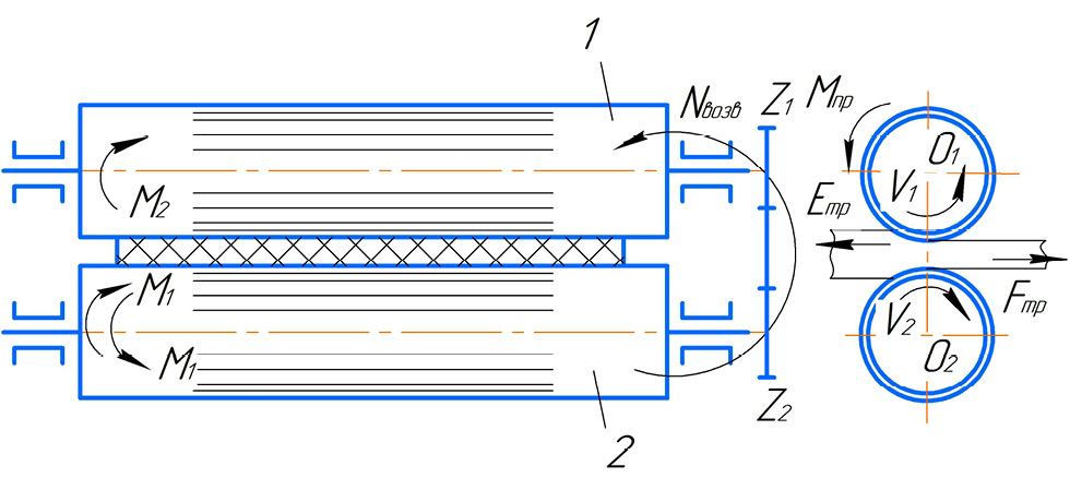
Для интенсивности плющения предлагаем прокатку вальцами с неравной окружной скоростью, что позволяет также изменять направление выбрасываемой массы. Рассмотрим подробнее энергетический баланс плющильных вальцов (рис. 2), при этом примем, что верхний приводной валец 1 имеет большую окружную скорость по сравнению с нижним ведомым вальцом 2.
Рис. 2. Схема для определения энергетического баланса пары плющильных вальцов.
Fig. 2. Diagram for determining the energy balance of a pair of flattening rollers.
Процесс может протекать таким образом, что часть мощности от верхнего быстроходного вальца передается нижнему, более тихоходному за счет трения его о материал, а от него через зубчатую передачу снова к быстроходному вальцу. Благодаря этому, мощность на быстроходном вальце может превысить мощность , потребляемую им от привода. При прокатке упруговязкого материала имеются области отставания и опережения, причем в первой из них вальцы испытывают торможение, а во второй — силы вязкого трения направлены в сторону вращения вальцов. Поэтому в зоне деформации материал не только потребляет энергию от вальцов, но и возвращает ее обратно:
, (9)
. (10)
Мощность возвращается обоим вальцам, и при равной окружной скорости распределяется между ними поровну. Но с увеличением коэффициента тихоходному вальцу возвращается большая часть мощности, и при определённом значении может случиться, что мощность, потребляемая тихоходным вальцом, и мощность, возвращаемая им обратно через зубчатую передачу, станут равны. Может оказаться даже, что мощность, возвращаемая в зону расширения, будет больше мощности, потребляемой в зоне сжатия. В этом случае тихоходный валец сам становится источником энергии, передавая ее верхнему вальцу или индивидуальному приводу, который будет работать в тормозном режиме. По отношению к быстроходному вальцу силы трения направлены против вектора окружной скорости, а по отношению к тихоходному вальцу совпадают с направлением скорости. По абсолютному значению эти силы равны между собой, поэтому при равных диаметрах вальцов равны и приложенные к ним моменты и .
Уравнение моментов относительно быстроходного вальца:
. (11)
Здесь момент привода и момент , передаваемый от тихоходного вальца через шестерни, являются активными, а преодолеваемый момент — реактивным. По условию . Заменим в уравнении (11) через и выразим момент привода :
. (12)
Отсюда видно, что при постоянном моменте сопротивления M1=const и λ →0 можно преодолеть большую силу трения, так как .
Умножим правую и левую части уравнения (12) на и перейдём таким образом к уравнению мощностей:
. (13)
Таким образом, между вальцами существует двойная энергетическая связь: с зубчатой передачей и с самим прокатываемым материалом, находящимся между вальцами. В первой — ведущим всегда является валец 1, а во второй — может быть как валец 1, так и валец 2 в случае проскальзывания вальца 1. При этом вся полезная работа совершается только нижним вальцом, и зубчатая передача оказывается нагружена двойным, против обычного, моментом.
Возможность такой перегрузки всегда следует учитывать при расчете привода плющильных вальцов.
Проскальзывание поверхности вальцов по слою материала, негативно отражается на качестве плющения, в результате происходит неравномерное высыхание заготавливаемых кормов в валке из-за истирания и обрыва листьев [9]. До тех пор, пока сила протаскивания Р будет равна или больше по величине силы сопротивления Т, процесс захвата происходит без пробуксовывания (рис. 3).
Рис. 3. Условие буксования вальцов при плющении.
Fig. 3. The condition of slipping of the rollers during flattening.
Вследствие большой скорости вальцов материал, лежащий перед ними, подвергается деформации растяжения на некотором участке длиной слой, движущийся со скоростью , проходит этот участок за время t (). За то же время через вальцы пройдет слой материала большей длины (но с меньшей высотой) со скоростью , равной окружной скорости вальцов . Для данных величин справедливо следующее соотношение:
, (14)
где H — первоначальная высота слоя; h — высота слоя перед вальцами в сечении, соответствующем месту захвата.
Движение слоя материала относительно поверхности подборщика за время t равно разности:
. (15)
Если скорость вальцов начнет значительно возрастать, то сила инерции материала будет играть важную роль, в результате чего слой начнет замедляться из-за проскальзывания на зависящую от времени величину δ, которая будет прямо пропорциональна усилию протаскивания. Проскальзывание в момент времени t можно будет записать следующим интегралом:
, (16)
где φ — скольжение поверхности вальца относительно слоя материала в единицу времени, отнесенное к действию единичной силы, см/(Н∙с).
Этот коэффициент можно определить экспериментально, сравнивая условия статического равновесия слоя, зажатого между неподвижными вальцами, и протаскивания слоя усилием .
Чтобы подчеркнуть, что усилие протаскивания, как и скольжение, являются величинами, зависящими от времени, запишем их в виде и . Теперь в выражение (15) можно ввести поправку на скольжение и записать абсолютное перемещение участка слоя за время t в виде:
. (17)
Пусть масса участка слоя на длине l равна m. Тогда уравнение движения этого участка будет , откуда:
. (18)
Если подставить данную формулу в уравнение (17) и интегрировать его по независимой переменной времени, то получим следующее уравнение:
. (19)
Преобразовав данное уравнение, получим формулу для определения перемещения участка слоя:
. (20)
После анализа данного уравнения можно определить значение окружной скорости вальцов при заданной скорости движения слоя , при которой может возникнуть пробуксовывание. Второй множитель правой части уравнения может принимать нулевое значение только в момент времени при t = 0 и всегда положителен, то разложив показательную функцию в ряд Тейлора по степеням независимой переменной t получим:
. (21)
Отсюда можно сделать вывод, что перемещение х можно найти только через значение первого множителя правой части уравнения (20), а условие пробуксовки можно выразить через следующее неравенство:
. (22)
В данном случае сопротивление перемещению Т зависит от связей между частицами и от трения участка слоя по платформе. В этом случае параметры участка определяются конструкцией машины, а вместо скорости слоя в формулу можно подставлять значение скорости предшествующего рабочего органа.
Если свойства материала таковы, что при увлечении его вальцами происходит не растаскивание участка, а его отрыв от связного слоя, то длина отделенного участка l может быть найдена путем следующего рассуждения. Пусть сопротивление слоя разрыву R пропорционально его поперечному сечению, т.е. , где В — ширина захвата плющилки, а сопротивление перемещению по платформе T пропорционально площади сцепления, т. е. (здесь и — коэффициенты, характеризующие механические свойства материала и определяемые опытным путём). Приравняв выражения R и T, найдем уравнение для определения искомой длины l:
, (23)
где .
Этот участок слоя пройдет через вальцы за время или . За то же время t слой переместится во встречном направлении на . При таком режиме вальцы будут работать попеременно под нагрузкой и вхолостую и в элементах привода возникнут пульсирующие нагрузки, что необходимо учитывать при расчете плющильного аппарата на прочность. За время одного цикла он будет находиться под нагрузкой в течение рабочего времени и работать вхолостую в течение .
При наличии буксования соотношение времени рабочей части цикла и холостого хода изменяется:
, (24)
, (25)
где — скорость буксования.
Скорость буксования получается дифференцированием уравнения повремени:
. (26)
Время сокращается до нуля в случае, если . Подставляя сюда значение , можно после некоторых преобразований прийти к следующему простому условию непрерывной работы:
. (27)
При таком условии плющилка будет работать без холостых ходов.
ВЫВОДЫ
- Во время плющения травы с высоким содержанием влаги выделяется большое количество сока, который увлажняет поверхности вальцов и существенно снижает силу трения, втягивающую слой материала в заданный зазор между вальцами. Бывают случаи, что для предотвращения забивания плющильного аппарата, повышают усилия между вальцами, что в конечном итоге приводит к еще большему их проскальзыванию по слою материала. Плющильный аппарат своими основными параметрами должен удовлетворять требованиям, как по захвату скошенной травы, так и по ее прокатки между вальцами с постоянной силой уплотнения;
- При сближении вальцов дуга контакта растет вместе с нормальными силами, а точка приложения их равнодействующих уходит все дальше от линии центра, но равенство их горизонтальных составляющих еще сохраняется. Наконец, наступает момент, когда силы трения уже не могут уравновесить сопротивления прокатыванию слоя, т. е. начинается скольжение вальцов по поверхности материала и происходит потеря скорости;
- Устойчивый процесс прокатки характеризуется постоянным количеством материала проходящего через заданное сечение в единицу времени.
ДОПОЛНИТЕЛЬНАЯ ИНФОРМАЦИЯ
Вклад авторов. В.Р. Петровец — научное руководство, формулирование основной концепции исследования, общее руководство экспериментальными исследованиями, проведение критического анализа результатов и формулирование выводов; В.М. Кузюр — анализ литературных данных, проведение экспериментов и обработка их результатов; С.И. Будко — анализ литературных данных, подготовка первоначального варианта текста и доработка текста, проведение экспериментов и обработка их результатов. Авторы подтверждают соответствие своего авторства международным критериям ICMJE (все авторы внесли равноправный вклад в разработку концепции, проведения исследования и подготовку статьи).
Конфликт интересов. Авторы декларируют отсутствие явных и потенциальных конфликтов интересов, связанных с публикацией настоящей статьи.
Источник финансирования. Авторы заявляют об отсутствия внешнего финансирования при проведении исследования.
ADDITIONAL INFORMATION
Authors’ contribution. V.R. Petrovets — scientific guidance, formulation of the basic concept of the study, general management of experimental studies, critical analysis of results and formulation of conclusions; V.M. Kuzyur — analysis of literary data, conducting experiments and processing their results; S.I. Budko — analysis of literary data, preparation of the initial version of the text and revision of the text, conducting experiments and processing their results. The authors confirm the compliance of their authorship with the international ICMJE criteria (all authors have made an equal contribution to the development of the concept, research and preparation of the article).
Competing interests. The authors declare that they have no competing interests.
Funding source. This study was not supported by any external sources of funding.
About the authors
Vladimir R. Petrovets
Belarusian Agricultural Academy
Email: petrovec_vr@mail.ru
ORCID iD: 0009-0006-6229-9396
SPIN-code: 7634-4263
Professor, Dr. Sci. (Engineering), Head of the Mechanization of Crop Production and Practical Training Department
Belarus, GorkiVasily M. Kuzyur
Bryansk State Agrarian University
Email: kvming@mail.com
ORCID iD: 0009-0002-0232-6680
SPIN-code: 4505-9405
Cand. Sci. (Engineering), Associate Professor of the Technical Service Department
Russian Federation, BryanskSergey I. Budko
Bryansk State Agrarian University
Author for correspondence.
Email: s.budko.32@bk.ru
ORCID iD: 0000-0002-1291-4235
SPIN-code: 7502-3169
Cand. Sci. (Engineering), Associate Professor of the Technical Service Department
Russian Federation, BryanskReferences
- Korotkevich AV. Technologies and machines for foraging from grasses and silage crops. Minsk: Urajay. 1990. (In Russ.)
- Klochkov AV, Popov VA, Adas AV. Forage harvesting by foreign machines. Minsk: Gorki; 2001. (In Russ.)
- Apazhev AK, Shekikhachev YA, Fiapshev AG, Hazhmetov LM. Energy efficiency of improvement of agriculture optimization technology and ma-chine complex optimization. E3S Web of Conferences. 2019;124:05054. doi: 10.1051/e3sconf/201912405054
- RUN «Gomselmash» Belarus. Gomel 2006. Accessed: 03.04.2012. Available from: http://www.selmash.gomeI.by
- Krylov SV, Labotsky IM, Gorbatsevich NA, et al. Analysis and evaluation of energy consumption of modern machines for harvesting pressed hay. In: Mechanization and electrification of agriculture: mezhved. Thematic collection/RUE “Scientific and Practical Center of the National Academy of Sciences of Belarus on Agriculture”. Mninsk; 2010;44(2):3–10. (In Russ.)
- Piunovsky II, Petrovets VR. Intensification of moisture loss of mown grasses. Bulletin of the Belarusian State Agricultural Academy. 2011;1:137–142. (In Russ.)
- Dzuganov BB, Shekikhachev YA, Teshev AS, et al. Status and prospects of technical equipment of small enterprises in agricultural production. IOP Conf. Ser.: Mater. Sci. Eng. 2020;919:032015. doi: 10.1088/1757-899X/919/3/032015
- Petrovets VR, Grekov DV. The choice of mowers for mowing grasses. In: Materials of the 25th International Scientific and practical conference Bryansk. Bryansk: State Agricultural Academy; 2012. (In Russ.)
- Apazhev AK, Shekikhachev YA, Fiapshev AG, Kilchukova OKh. Thermal Processes in a Biogas Plant for the Disposal of Agricultural Waste. In: International scientific and practical conference «AgroSMART - Smart solutions for agriculture», KnE Life Sciences. 2019;40–50.
Supplementary files






