Технологическая линия получения жмыха подсолнечного
- Авторы: Припоров И.Е.1
- 
							Учреждения: 
							- Кубанский государственный аграрный университет имени И.Т. Трубилина
 
- Выпуск: Том 91, № 4 (2024)
- Страницы: 478-484
- Раздел: Экономика, организация и технология производства
- Статья получена: 24.01.2024
- Статья одобрена: 18.08.2024
- Статья опубликована: 05.11.2024
- URL: https://journals.eco-vector.com/0321-4443/article/view/625957
- DOI: https://doi.org/10.17816/0321-4443-625957
- ID: 625957
Цитировать
Полный текст
 Открытый доступ
		                                Открытый доступ Доступ предоставлен
						Доступ предоставлен Доступ платный или только для подписчиков
		                                							Доступ платный или только для подписчиков
		                                					Аннотация
Обоснование. Представлены результаты исследования, проведённого с целью повышения срока хранения жмыха подсолнечного посредством обоснования оптимальных режимных параметров озонатора в линии для его получения. Выполнены исследования процесса обработки жмыха подсолнечного озоно-воздушной смесью при оптимальных режимных параметрах, как её концентрация, продолжительность его обработки и напряженность высокочастотного поля.
Цель работы — повышение длительного хранения белкового корма за счет совершенствования основных конструктивных параметров устройства для его получения.
Материалы и методы. В результате проведенных теоретических исследований была разработана технологическая линия получения белкового корма по патенту на изобретение РФ № 2706188. Для определения оптимальных режимных параметров устройства в линии получения жмыха подсолнечного, которые влияют на срок его хранения использовали теорию планирования эксперимента.
Результаты. Получено уравнение регрессии в кодированных значениях, характеризующее влияние концентрации озоно-воздушной смеси, продолжительности его обработки и напряженности высокочастотного поля на срок его хранения. Выполнен анализ полученной математической модели процесса его обработки.
Заключение. Экспериментальные исследования разработанной линии для получения жмыха подсолнечного с контролем качества его обработки озоно-воздушной смесью показали, что срок его хранения зависит от ее концентрации и продолжительности его обработки, а также от напряженности высокочастотного поля. При этом с уменьшением ее концентрации продолжительность его обработки и напряженность высокочастотного поля при его обработке увеличиваются. В области низкой концентрации, повышенной продолжительности до 120 с и напряженности до 15250 В/м срок хранения жмыха увеличивается. Обрабатывать жмых подсолнечный смесью для увеличения срока его хранения с 3 до 5,45 месяца согласно ГОСТ 80-96 в разработанной линии по патенту РФ №2706188 рационально при концентрации её 23,03 мг/м3, продолжительности обработки его 134 с и напряженности высокочастотного поля 17374 В/м.
Полный текст
ВВЕДЕНИЕ
Технологический процесс производства комбикормов должен быть направлен на прием и использование сырья, оперативную подачу его в производство, технологическую подготовку и ввод всех компонентов, соблюдение режимов работы комплекта оборудования, переработку сырья и выпуск качественной продукции [1].
Состояние производства отечественных высококачественных комбикормов не решает проблему потребностей по обеспечению животноводческих хозяйств [2]. В комбикормовых предприятиях требуется внедрение современных технологий и технических средств. При этом негативная ситуация в области его производства, которой относится необеспеченность отрасли белковым сырьем, различными БВМД и недостаточная переработка предприятиями АПК в его компоненты вторичных сырьевых ресурсов и отходов пищевой промышленности и сельского хозяйства [3].
Качество комбикорма является неотъемлемой частью по решению проблем в животноводстве, и особенно целевых показателей Госпрограммы по объему производства его продукции [4].
Главный путь его интенсификации — развитие и укрепление кормовой базы, улучшение качества кормов [5] и снижение затрат на производство продукции. Решения поставленной задачи должно обеспечить внедрение прогрессивных технологий при производстве комбикормов. При этом повышение их качества, снижение удельного веса зерна в них должно происходить при помощи использования полноценных добавок.
В настоящее время производство качественных комбикормов по количеству не всегда удовлетворяет запросам потребителей – производителей животноводческой продукции по причине отсутствия необходимых ингредиентов [6].
В связи с этим необходимо обеспечить производителей животноводческой продукции комплектом оборудования для получения качественных комбикормов [6].
Производственные ситуации на животноводческих фермах и комплексах, связанные с большинством болезней животных, происходят за счет не качественных кормов с присутствием патогенной микрофлоры. Их бактериальная обсемененность приводит к снижению качества, что сказывается на использовании и влияет на падеж сельскохозяйственных животных, в которых содержатся микробные клетки и другие бактерии. Поэтому качество комбикормов имеет большое народнохозяйственное значение и играет важную роль в повышении рентабельности животноводства [7].
Наиболее широко для защиты комбикормов от патогенных бактерий используют технологии обеззараживания [8, 9].
В настоящее время проводятся научные исследования по разработке современных технологий обеззараживания кормов, экономичных и энергосберегающих при сохранении экологической безопасности, что является актуальной научно-технической задачей [10].
Для повышения энергоэффективности и снижения материалоемкости оборудования используются доступные и недорогие способы обеззараживания кормов. Вместе с тем, необходима разработка инновационных технологий в этой области.
В последнее время наибольшую привлекательность приобретают технологии, в которых применяется озон, благодаря чему повышается эффективность, универсальность, экологичность и снижается энергоемкость, а также улучшается их питательность. Однако, необходимо соблюдать определенные режимы их обработки [11, 12].
Проведенный анализ технологий получения кормов особенно белковых, таких как жмых подсолнечный показал отсутствие возможности длительного хранения полученного белкового корма [13], что приводит к его порче и ухудшению качества.
Целью исследований является повышение длительного хранения белкового корма за счет совершенствования основных конструктивных параметров устройства для его получения.
МАТЕРИАЛЫ И МЕТОДЫ
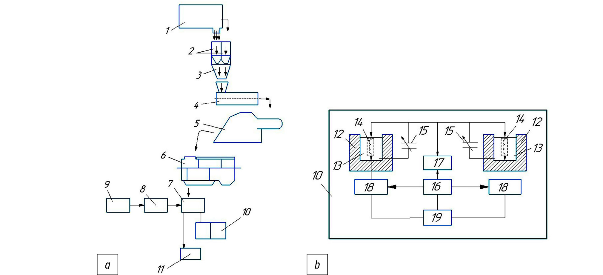
В результате проведенных теоретических исследований была разработана технологическая линия для получения белкового корма (рис. 1) по патенту на изобретение РФ №2706188 [14].
Рис. 1. Технологическая линия получения белкового корма: а — принципиальная схема устройства; b — устройство для контроля качества обработки корма: 1 — воздушно-решетная зерноочистительная машина; 2 — бункер для хранения продукта переработки масличных культур; 3 — емкость с выходным отверстием; 4 — экструдер; 5 — измельчитель; 6 — кондиционер; 7 — смеситель; 8 — озонатор; 9 — датчик расхода озоно-воздушной смеси; 10 — устройство для контроля качества обработки корма; 11 — бункер для хранения готового корма; 12 — диэлектрические стаканы; 13 — цилиндрические электроды; 14 — катушки колебательных контуров; 15 — подстроечные ёмкости; 16 — измерительный прибор; 17 — источник питания; 18 — высокочастотный генератор; 19 — регулятор напряжения.
Fig. 1. The production line of protein feed: а — basic structural diagram; b — the device for controlling the quality of feed treatment: 1 — an air-and-screen grain cleaning machine; 2 — a storage tank for derivative products of oil plants; 3 — a reservoir with an output hole; 4 — an extruder; 5 — a shredder; 6 — a conditioner; 7 — a mixing tool; 8 — an ozonizer; 9 — the ozone-air mixture rate gauge; 10 — the device for controlling the quality of feed treatment; 11 — a storage tank for prepared feed; 12 — dielectric cups; 13 — cylindrical electrodes; 14 — coils of oscillating circuits; 15 — tuning capacitors; 16 — a measuring device; 17 — a power source; 18 — a high-frequency alternator; 19 — a voltage adjuster.
Предлагаемая линия [14] имеет озонатор с датчиком расхода озоно-воздушной смеси для контроля качества обработки белкового корма (жмых подсолнечный). Выходное отверстие экструдера соединено с измельчителем, выход его с кондиционером, а последний — со смесителем. Входное отверстие смесителя сообщено с выходным отверстием озонатора, а выход смесителя — с бункером для хранения готового корма, между последним и смесителем расположено устройство для контроля качества его обработки, представляющее собой диэлектрические стаканы с цилиндрическими электродами внутри. В центре них имеются катушки колебательных контуров совместно с подстроечными емкостями, которые соединены с измерительным прибором через источник питания и высокочастотные генераторы с регулятором напряжения.
Для определения оптимальных режимных параметров устройства в линии получения жмыха подсолнечного, которые влияют на срок его хранения использовали теорию планирования эксперимента по рототабельному трехуровневому плану Бокса-Бенкина второго порядка [15].
Для обоснования оптимального срока хранения белкового корма (жмых подсолнечный) были выбраны факторы, которые представленные в табл. 1.
Таблица 1. Интервалы и уровни варьирования факторов
Table 1. Intervals and variation levels of criteria
| Наименование показателя | Значения факторов | Значение показателя на уровни | Интервал варьирования | |||
| кодированные | натуральные | +1 | 0 | –1 | ||
| Концентрация озоно-воздушной смеси, мг/м3 | x1 | 30 | 25 | 20 | 5 | |
| Продолжительность обработки корма смесью, с | x2 | t | 140 | 120 | 100 | 20 | 
| Напряженность высокочастотного поля, В/м [16] | x3 | E | 17 800 | 15 250 | 12 700 | 2550 | 
РЕЗУЛЬТАТЫ И ИХ ОБСУЖДЕНИЯ
После обработки результатов трехфакторного эксперимента было получено уравнение регрессии, показывающее влияние основных режимных параметров на срок хранения жмыха подсолнечного, в кодированном виде:
, (1)
Анализ уравнения (1) показывает, что изменения концентрации озоно-воздушной смеси вызывают уменьшения срока хранения жмыха подсолнечного, а также продолжительности обработки корма озоно-воздушной смесью, напряженности высокочастотного поля увеличивают его срок хранения.
Наибольшее влияние на срок хранения жмыха подсолнечного оказывают продолжительность обработки корма озоно-воздушной смесью (коэффициент регрессии 18,4) и концентрация озоно-воздушной смеси (коэффициент регрессии 13,7) и, в меньшей степени — напряжённость высокочастотного поля (коэффициент регрессии 6,3).
После определения коэффициентов регрессии проводилась проверка гипотезы адекватности результатов опытов с помощью полинома второго порядка (1), для которых определили суммы квадратов, дисперсии и F-критерий. Для модели (1) расчетное значение F-критерия составило F = 4,23 < 4,95 = F0,05, где F0,05 = 4,95 — табличное значение для уровня значимости 0,05.
Поскольку табличное значение F-критерия больше расчетных, то возможно заключить об адекватности полученной модели (1), которая относится полиному второго порядка [15].
Дифференцирование уравнения регрессии (1) позволяет определить координаты центра: ; ; . Подставляя их в уравнение (1), находим рациональное значение срока хранения жмыха подсолнечного в центре поверхности: .
Подставляя разные значения откликов в уравнение регрессии (1), получим уравнение (2), соответствующее контурным кривым поверхностей отклика вида:
, (2)
которые приведены на рис. 2–4.
Рис. 2. Зависимость срока хранения жмыха подсолнечного от концентрации озоно-воздушной смеси и продолжительности его обработки.
Fig. 2. Dependence of the sunflower cake shelf life on the ozone-air mixture concentration and treatment duration.
Рис. 3. Зависимость срока хранения жмыха подсолнечного от концентрации озоно-воздушной смеси и напряженности высокочастотного поля.
Fig. 3. Dependence of the sunflower cake shelf life on the ozone-air mixture concentration and high-frequency field strength.
Рис. 4. Зависимость срока хранения жмыха подсолнечного от продолжительности его обработки озоно-воздушной смесью и напряженности высокочастотного поля.
Fig. 4. Dependence of the sunflower cake shelf life on duration of treatment with the ozone-air mixture concentration and high-frequency field strength.
С уменьшением концентрации озоно-воздушной смеси (х1) продолжительность обработки корма озоно-воздушной смесью (х2) и напряженность высокочастотного поля при обработке корма (х3) увеличиваются. Однако, в области низкой концентрации, повышенной продолжительности (до 120 с) и напряженности высокочастотного поля (до 15250 В/м) срок хранения жмыха подсолнечного увеличивается (см. рис. 2−4).
Таким образом, применение разработанного устройства по патенту РФ №2706188 при сочетании оптимальных значений его параметров: концентрация озоно-воздушной смеси — 23,03 мг/м3; продолжительность его обработки — 134 с и напряженность высокочастотного поля — 17374 В/м позволяет повысить срок его хранения с 3 до 5,45 месяца согласно ГОСТ 80-96.
ВЫВОДЫ
Экспериментальные исследования разработанной линии для получения жмыха подсолнечного с контролем качества его обработки озоно-воздушной смесью показали, что срок его хранения зависит от концентрации озоно-воздушной смеси и продолжительности его обработки, а также от напряженности высокочастотного поля.
При этом с уменьшением концентрации озоно-воздушной смеси продолжительность его обработки и напряженность высокочастотного поля при его обработке увеличиваются. Однако, в области низкой концентрации, повышенной продолжительности до 120 с и напряженности высокочастотного поля до 15250 В/м срок хранения жмыха подсолнечного увеличивается.
Обрабатывать жмых подсолнечный озоно-воздушной смесью для увеличения срока его хранения с 3 до 5,45 месяца согласно ГОСТ 80-96 в разработанной линии по патенту РФ №2706188 рационально при концентрации её 23,03 мг/м3, продолжительности обработки его 134 с и напряженности высокочастотного поля 17374 В/м.
ДОПОЛНИТЕЛЬНАЯ ИНФОРМАЦИЯ
Конфликт интересов. Автор декларирует отсутствие явных и потенциальных конфликтов интересов, связанных с публикацией настоящей статьи.
Источник финансирования. Автор заявляет об отсутствии внешнего финансирования при проведении исследования.
ADDITIONAL INFORMATION
Competing interests. The author declares the absence of obvious and potential conflicts of interest.
Funding source. This study was not supported by any external sources of funding.
Об авторах
Игорь Евгеньевич Припоров
Кубанский государственный аграрный университет имени И.Т. Трубилина
							Автор, ответственный за переписку.
							Email: i.priporov@yandex.ru
				                	ORCID iD: 0000-0002-8201-2819
				                	SPIN-код: 4330-0224
																		                								
доцент, канд. техн. наук, доцент кафедры «Тракторы, автомобили и техническая механика»
Россия, 350044, Краснодар, ул. Калинина, д. 13Список литературы
- Мишуров Н.П. Рекомендуемые технологии производства комбикормов в хозяйствах // Вестник Всероссийского научно-исследовательского института механизации животноводства. 2015. №4(20). С. 6–7.
- Yıldız G., Aydın Ö.D. Effect of glauconite, sepiolite and oil supplementation on pellet quality parameters in poultry compound feed // Journal of the hellenic veterinary medical society. 2020. Vol. 71, N. 3. Р. 2391–2398. doi: 10.12681/jhvms.25101
- Передня В.И., Чумаков В.В. Получение протеиновой кормовой добавки из отходов сельскохозяйственных перерабатывающих предприятий методом экструдирования // Вестник Всероссийского научно-исследовательского института механизации животноводства. 2014. №1(13). С. 38.
- Коробков А.Н. Обоснование эффективных технологических параметров и режимов работы установки для обеззараживания комбикорма // Вестник ВИЭСХ. 2017. №2(27). С. 45–53.
- Lenne J.M., Fernandez-Rivera S., Blummel M. Approaches to improve the utilization of food-feed crops-synthesis // Field crops research. 2003. Vol. 84, N. 1–2. Р. 213–222. doi: 10.1016/S0378-4290(03)00152-7
- Пунько А.И., Хруцкий В.И., Иванов М.В., Кувшинов А.А. Обоснование параметров оборудования и результаты испытаний мобильной комбикормовой установки // Вестник Всероссийского научно-исследовательского института механизации животноводства. 2015. №4(20). С. 84–85.
- Долгов Г.Л., Белов А.А., Шаронова Т.В. Установка для обеззараживания комбикормов // Вестник Чувашского государственного педагогического университета им. И.Я. Яковлева. 2013. № 4-2 (80). С. 66–69.
- Клычев Е.М., Карташов С.Г. Двухстадийный процесс теплового обеззараживания рассыпных комбикормов // Вестник Всероссийского научно-исследовательского института механизации животноводства. 2017. № 3 (27). С. 79–82.
- Yang W., Wu T. Investigation of matrix effects in laboratory studies of catalytic ozonation processes // Industrial and engineering chemistry research. 2019. Vol. 58, N. 8. Р. 3468–3477. doi: 10.1021/ACS.IECR.8B05465
- Гуляев П.В., Озеров И.Н., Гуляева Т.В., и др. Система обеззараживания сухих комбинированных кормов для птичников // Политематический сетевой электронный научный журнал Кубанского государственного аграрного университета. 2014. № 95. С. 423–459.
- Дубровин А.В., Смирнов А.А. Научные предпосылки экономически оптимального обеззараживания сыпучих кормов озоном // Техника и оборудование для села. 2018. № 1. С. 42–46.
- Zoiopoulos P.E., Drosinos E.H. The animal feed question in the shadow of contemporary food crises // The animal feed question in the shadow of contemporary food crises. 2010. Р. 1–222.
- Шулаев Г.М., Милушев Р.К., Энговатов В.Ф., и др. Совершенствование состава кормовых обогатительных добавок созданных на основе растительного белка // Вестник Всероссийского научно-исследовательского института механизации животноводства. 2017. №3(27). С. 109.
- Патент РФ 2706188 / 14.11.2019. Бюл. №32. Припоров И.Е., Припоров Е.В., Минов А.Н. Устройство для получения белкового корма. EDN: WDETDE
- Мельников С.В., Алешкин В.Р., Рощин П.М. Планирование эксперимента в исследованиях сельскохозяйственных процессов. Ленинград: Колос, 1980.
- Ажаронок В.В., Гончарик С.В., Филатова И.И., и др. Влияние высокочастотной электромагнитной обработки семенного материала зернобобовых культур на их посевные качества и продуктивность // Электронная обработка материалов. 2009. № 4 (258). С. 76–86.
Дополнительные файлы
 
				
			 
						 
					 
						 
									
 
  
  
  
  
  Отправить статью по E-mail
			Отправить статью по E-mail 





 СМИ зарегистрировано Федеральной службой по надзору в сфере связи, информационных технологий и массовых коммуникаций (Роскомнадзор).
 СМИ зарегистрировано Федеральной службой по надзору в сфере связи, информационных технологий и массовых коммуникаций (Роскомнадзор).