Results of metallographic studies of cutting parts of cultivator sweeps made of the 30MnB5 steel
- Authors: Yakovlev S.A.1, Kurdyumov V.I.1, Proshkin V.E.1, Kuznetsov B.V.2, Sidorov E.V.1
-
Affiliations:
- Ulyanovsk State Agrarian University named after P.A. Stolypin
- Buinsky Machine-Building Plant
- Issue: Vol 91, No 5 (2024)
- Pages: 637-645
- Section: Quality, reliability
- Submitted: 22.03.2024
- Accepted: 03.12.2024
- Published: 06.12.2024
- URL: https://journals.eco-vector.com/0321-4443/article/view/629336
- DOI: https://doi.org/10.17816/0321-4443-629336
- ID: 629336
Cite item
Abstract
BACKGROUND: Cultivators are widely used in our country for surface tillage. Moreover, their most common working organ is the duckfoot sweep. In recent years, foreign manufacturers of agricultural machinery have begun to use boron steels in manufacturing working parts of agricultural machinery, which can increase the wear resistance and durability of machine parts. The paper presents the results of metallographic studies of the structure and properties of the cutting parts of duckfoot cultivator sweeps made of the 30MnB5 boron steel.
AIM: Study of the structure and properties of boron steels after Relit surfacing and subsequent hardening.
METHODS: The cutting parts of the sweeps of the KPIR-3.6 and KPU-5.4 cultivators, mass-produced according to the OST 23.2.164-87 at the Buinsky Machine-Building Plant of the Republic of Tatarstan were used to carry out metallographic studies. These working bodies were made of the 30MnB5 steel according to the DIN EN 10083-3. To ensure heterogeneity of the structure, a layer of Relit was fused to one side of the cutting blade of the cultivator sweep, after which the entire working element was hardened. The macro- and microstructure of the metal part was studied in a microspecimen’s section cut out to the cutting edge. For the macrostructural studies, the MEIJI RZ stereoscopic microscope with a resolving power of up to 7 times was used. The microhardness of the part was measured according to the Vickers hardness test (GOST R ISO 6507-1-2007) at different loads using the MicroMet 5104 microhardness tester. Contamination of the base metal of the part with non-metallic inclusions was assessed using the “Sh4” method according to the GOST 1778-70.
RESULTS: The proposed manufacturing technology for cultivator duckfoot sweep, made of the 30MnB5 steel, made it possible to obtain a cutting part that is heterogeneous in structure and hardness, which ensures self-sharpening of the blade during the friction of the cultivator sweep on the soil. The steel base of the cultivator sweep after heat treatment has a troostomartensite structure with a microhardness of ≈564 HV 0.3. The deposited layer of Relit has a dendritic cast structure of tungsten with a microhardness of 900...1020 HV 0.05 and tungsten carbides with a microhardness of 2315...2460 HV 0.05. The wear of sweeps made of the 30MnB5 steel turned out to be 9.5% less than that of the working bodies made of the 65G steel. The cost of manufacturing working parts using the proposed technology was reduced by 14.3%.
CONCLUSION: The practical value of the study lies in the fact that the results of studies of the cutting parts of self-sharpening cultivator paws made of the 30MnB5 steel using the proposed technology are used in the production process of Buinsky Machine-Building Plant LLC in the Republic of Tatarstan. The sweeps manufactured using the proposed technology are installed on the KPIR-3.6 and KPU-5.4 cultivators. The presence of the self-sharpening effect of the sweeps made it possible to increase the quality of products required by consumers and its high competitiveness.
Keywords
Full Text
Введение
Для снижения затрат на обработку почвы и максимального сохранения её плодородия сельскохозяйственные производители используют «системы обработки почвы с минимальным набором операций» [1]. В такие системы, как правило, входит культивация почвы.
Для производства культиваторных лап в Российской Федерации, в основном, используют среднеуглеродистые низколегированные стали [2]. При этом в мировом машиностроении при изготовлении рабочих органов сельскохозяйственной техники наблюдается устойчивая тенденция применения борсодержащих сталей 30MnB5, 32CrB4 (DIN EN 10083-3 версии 1-2009), 30Г1Р (ГОСТ 10702-2016) и других марок. Эти материалы отличаются не только более высокой технологичностью и лучшими эксплуатационными свойствами по сравнению со сталями 55Г, 60, 60Г, 65, 65Г (ГОСТ 1050-2013), но также и относительной дешевизной. Использование борсодержащих сталей при изготовлении рабочих органов сельскохозяйственной техники приводит к увеличению прочности и стойкости этих органов к абразивному истиранию. Особенностью борсодержащих сталей является сочетание высокой технологической пластичности и прокаливаемости.
Наличие бора в сталях снижает образование феррита в процессе термического воздействия и обеспечивает получение мартенситных и бейнитных структур с мелкодисперсными частицами карбоборидной фазы, дополнительно упрочняющей сталь и повышающей температуру ее рекристаллизации. Это увеличивает прочность, сопротивление ползучести и пластичность сплавов. Прокаливаемость борсодержащих сталей наиболее выражена у низкоуглеродистых сталей. Увеличение содержания углерода уменьшает эффект прокаливаемости за счёт бора, и у эвтектоидных сталей такой эффект практически отсутствует [3].
С целью обеспечения прочности и износостойкости сельскохозяйственных рабочих органов изготовители в России применяют технологии объёмной закалки всего изделия, а также закалки токами высокой частоты режущих частей изделий [4–8], что, прежде всего, объясняется простотой этих процессов и невысокой себестоимостью. Эти же упрочняющие воздействия применяют при изготовлении рабочих органов европейские и другие производители, например, при производстве лап культиваторов John Deere [9]. Указанные выше способы упрочнения отличаются значительным термическим воздействием на деталь, окислением и обезуглероживанием. При этом основным их недостатком является то, что такие технологии не обеспечивают так называемого «эффекта самозатачивания» в процессе работы режущих частей (лезвий) [10], что значительно снижает эффективность использования рабочего органа в целом.
Для получения эффекта самозатачивания рабочих органов сельскохозяйственной техники необходимо при изготовлении создавать неоднородные по структуре и свойствам режущие части [11]. Для таких целей в ООО «Буинский машиностроительный завод» было предложено на одну из сторон режущей части рабочего органа наплавлять твёрдые и износостойкие покрытия сормайта, релита и других материалов.
Целью исследований являлось изучение структуры и свойств борсодержащих сталей после наплавки релита и последующей закалки.
Материалы и методы
При проведении металлогрофических исследований использовали режущие части лап культиваторов КПИР-3,6 и КПУ-5,4, производимых серийно по ОСТ 23.2.164-87 в Буинском машиностроительном заводе республики Татарстан. Данные рабочие органы изготавливали из стали марки 30MnB5 DIN EN 10083-3. Для обеспечения неоднородности структуры на одну из сторон режущего лезвия культиваторной лапы наплавляли слой релита, после чего выполняли закалку всего рабочего органа. Макро- и микроструктуру металла детали исследовали в сечении микрошлифа, изготовленном по общепринятой методике [12], вырезанном с выходом на режущую кромку. При макроструктурных исследованиях использовали стереоскопический микроскоп фирмы «MEIJI RZ» с увеличением до 7 крат. Микротвёрдость детали измеряли по методу Виккерса (ГОСТ Р ИСО 6507-1-2007) при различной нагрузке [13] на микротвёрдомере MicroMet 5104. Загрязнённость основного металла детали неметаллическими включениями оценивали методом «Ш4» по ГОСТ 1778-70.
Результаты и обсуждение
Макроструктура режущей кромки (лезвия) культиваторной лапы представлена на рис. 1.
Рис. 1. Макроструктура режущей кромки культиваторной лапы после наплавки на неё релита с последующей закалкой.
Fig. 1. The macrostructure of the cutting edge of the cultivator sweep after Relit surfacing and consequent hardening: the cutting part of the paw; the deposited layer of Relite — steel base.
Геометрические размеры наплавленного слоя релита соответствуют технической документации предприятия для данного типа культиваторных лап и составляют:
- ширина перпендикулярно режущей кромке — до 21,40 мм;
- толщина от 0,95 мм до 1,64 мм в соответствии с рис. 1.
При микроструктурном исследовании режущей части лапы на поверхности выявлено наличие наплавленного слоя с дендритной литой структурой вольфрама (рис. 2) с микротвёрдостью 900…1020 HV 0,05 и карбидов вольфрама (рис. 3) с микротвёрдостью 2315…2460 HV 0,05. Максимальный размер карбидов составляет ~ 0,69×1,33 мм.
Рис. 2. Микроструктура вольфрамовой основы наплавленного слоя на поверхности детали, ×500.
Fig. 2. The microstructure of a tungsten basis of the deposited layer on the detail’s surface, x500.
Рис. 3. Карбиды вольфрама в микроструктуре наплавки на поверхности детали, ×90.
Fig. 3. Tungsten carbide in the microstructure of the deposit on the detail’s surface, x90.
В процессе исследований в наплавленном слое выявлено наличие пор максимальным размером ~ 0,37×0,47 мм, заполненных шлаком (рис. 4), что не критично для данного типа изделий, но требует более тщательной подготовки наплавляемой поверхности и более точного соблюдения режимов технологии наплавки релита. Под наплавкой имеется никелевая подложка максимальной толщиной ~ 0,009 мм (рис. 5), что обеспечивает высокую прочность сцепления наплавленного слоя со стальной основой.
Рис. 4. Заполненные шлаком поры в материале наплавки детали, ×100.
Fig. 4. The pores in the material of the detail’s deposit filled with slag, x100.
Рис. 5. Никелевая подложка под материалом наплавки на поверхности детали, ×1000.
Fig. 5. The nickel base layer under the material of the deposit on the detail’s surface, x1000.
Загрязнённость основного металла детали по точечным оксидам и нитридам — менее 1а балла, по сульфидам соответствует 1б баллу (рис. 6), что допустимо для культиваторных лап.
Рис. 6. Неметаллические включения в металле детали, ×800.
Fig. 6. Non-metallic inclusions in the metal of the detail, x800.
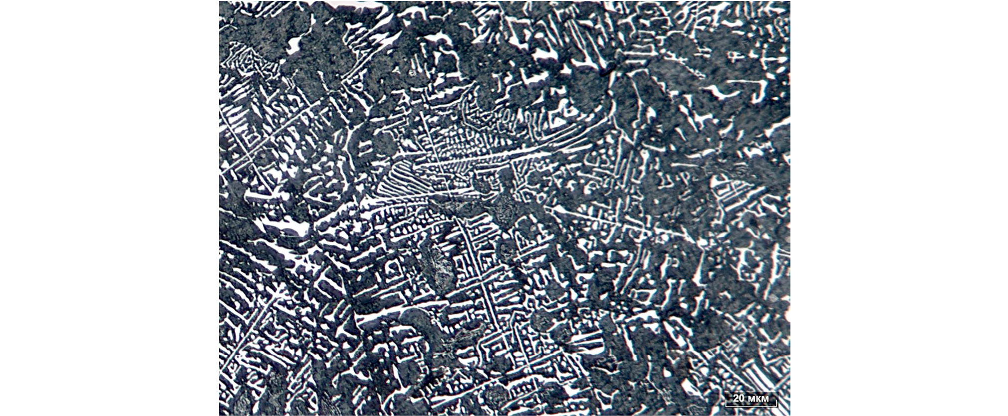
Микроструктура основного металла детали представляет собой троостомартенсит с микротвёрдостью ~ 564 HV 0,3 (рис. 7). Как известно, троостомартенситная структура сталей отличается высокой прочностью и упругостью и более низкими, по сравнению с мартенситом, остаточными внутренними напряжениями, что позволяет обеспечивать высокую износостойкость материала.
Рис. 7. Микроструктура основного металла детали, ×500: а — в сердцевине; b — вблизи режущей кромки.
Fig. 7. The microstructure of the main metal of the detail, x500: а — in the core; b — close to the cutting edge.
При микроструктурном исследовании на поверхности детали выявлено наличие частично обезуглероженного слоя на максимальную глубину 0,190 мм (рис. 8) и окалины толщиной до 0,013 мм (в соответствии с рис. 8 и 9), что также не является критичным для данного типа изделий. Однако в процессе изготовления культиваторных лап в операциях горячей обработки предпочтительнее избегать обезуглероживания и окисления, например, используя нагрев в печах с контролируемой атмосферой.
Рис. 8. Частично обезуглероженный слой на поверхности детали, ×100.
Fig. 8. The partially decarbonized layer on the detail’s surface, x100.
Рис. 9. Окалина на поверхности детали, ×750.
Fig. 9. The oxide scale on the detail’s surface, x750.
Самозатачивающиеся лапы, изготовленные из стали 30MnB5 с описанной в данной статье структурой и свойствами, устанавливали на культиваторы КПИР-3,6. Износостойкость исследуемых рабочих органов сравнивали с серийными рабочими органами, изготавливаемыми из стали 65Г по такой же технологии (наплавка релитом с последующей термической обработкой).
Эксплуатационные исследования проводили в хозяйствах Ульяновской области и республики Татарстан на серых лесных, песчано-серых, суглинках и песчано-суглинистых почвах. Данные почвы, по сравнению с чернозёмом, обладают повышенным абразивным воздействием на лапы культиватора в связи с наличием в своей структуре песчаных и пылеватых частиц.
При средней гарантированной предприятием наработке на одну культиваторную лапу в 25 га (согласно ТУ 4732-002-98363266-2010) износ лап, изготовленных из стали 30MnB5, оказался на 9,5 % меньше, чем у рабочих органов из стали 65Г. При этом оба варианта при такой наработке не достигают критических показателей износа и сохраняют режущие свойства.
Учитывая высокую технологическую пластичность и прокаливаемость стали 30MnB5, повышенную износостойкость при изготовлении самозатачивающихся рабочих органов, а также более низкую, по сравнению со сталью 65Г, себестоимость изготовления, считаем целесообразным применение борсодержащих сталей.
Выводы
Проведённые металлографические исследования структуры и свойств режущих частей культиваторных лап, изготовленных из борсодержащей стали, и эксплуатационные исследования рабочих органов, изготовленных из сталей 30MnB5 и 65Г, показали, что наплавка на одну из сторон лезвия релита с последующей закалкой всего изделия обеспечивают необходимые твёрдость, режущие свойства и эффект самозатачивания режущих частей лап.
Производственные исследования изготовленных по предлагаемой технологии в условиях ООО «Буинский машиностроительный завод» республики Татарстан культиваторных лап позволяют сделать вывод, что износ лап, изготовленных из стали 30MnB5, оказался на 9,5 % меньше, чем у рабочих органов из стали 65Г. Себестоимость изготовления рабочих органов по предложенной технологии снижена на 14,3 %. Это позволяет улучшить качество продукции, что очень важно для потребителей, и обеспечить её высокую конкурентоспособность.
Рекомендации
- Для изготовления лап культиваторов вместо низколегированной стали 65Г ГОСТ 1050-2013 экономически и технически целесообразно применять борсодержащую сталь 30MnB5 DIN EN 10083-3.
- Для обеспечения эффекта самозатачиваемости культиваторных лап, изготовленных из стали 30MnB5, следует наплавлять на их режущие части износостойкие сплавы, в частности, релит, и выполнять последующую закалку всего рабочего органа.
- Термическую обработку лап культиваторов необходимо выполнять в печах с контролируемой защитной атмосферой.
Дополнительная информация
Вклад авторов. С.А. Яковлев, В.Е. Прошкин, Б.В. Кузнецов — поиск публикаций по теме статьи, написание текста рукописи; В.И. Курдюмов ― редактирование текста рукописи; Е.В. Сидоров ― создание изображений; В.И. Курдюмов ― экспертная оценка, утверждение финальной версии. Авторы подтверждают соответствие своего авторства международным критериям ICMJE (все авторы внесли существенный вклад в разработку концепции, проведение исследования и подготовку статьи, прочли и одобрили финальную версию перед публикацией).
Конфликт интересов. Авторы декларируют отсутствие явных и потенциальных конфликтов интересов, связанных с публикацией настоящей статьи.
Источник финансирования. Авторы заявляют об отсутствии внешнего финансирования при проведении исследования.
Additional information
Authors’ contribution. S.A. Yakovlev, V.E. Proshkin, B.V. Kuznetsov — search for publications on the topic of the manuscript, writing the text of the manuscript; V.I. Kurdyumov — editing the text of the manuscript; E.V. Sidorov — image creation; V.I. Kurdyumov — expert opinion, approval of the final version. The authors confirm that their authorship meets the international ICMJE criteria (all authors made significant contributions to the development of the concept, conduct of the research and preparation of the article, read and approved the final version before publication).
Competing interests. The authors declare that they have no competing interests.
Funding source. This study was not supported by any external sources of funding.
About the authors
Sergey A. Yakovlev
Ulyanovsk State Agrarian University named after P.A. Stolypin
Author for correspondence.
Email: Jakseal@mail.ru
ORCID iD: 0009-0008-4962-4080
SPIN-code: 9968-2449
Dr. Sci. (Engineering), Associate Professor of the Production Technology and Machine Repair Department
Russian Federation, UlyanovskVladimir I. Kurdyumov
Ulyanovsk State Agrarian University named after P.A. Stolypin
Email: bgdie@yandex.ru
ORCID iD: 0000-0003-1603-1779
SPIN-code: 2823-4234
Dr. Sci. (Engineering), Professor, Head of the Agrotechnologies, Machines and Life Safety Department
Russian Federation, UlyanovskVyacheslav E. Proshkin
Ulyanovsk State Agrarian University named after P.A. Stolypin
Email: veproshkin1993@gmail.com
ORCID iD: 0000-0002-0307-3411
SPIN-code: 1501-8513
Cand. Sci. (Engineering), Associate Professor of the Agrotechnologies, Machines and Life Safety Department
Russian Federation, UlyanovskBoris V. Kuznetsov
Buinsky Machine-Building Plant
Email: kuzygsha@gmail.com
ORCID iD: 0009-0003-3996-7817
SPIN-code: 2382-0070
Head of the Technical Department
Russian Federation, KazanEvgeniy V. Sidorov
Ulyanovsk State Agrarian University named after P.A. Stolypin
Email: aksongqik@gmail.com
ORCID iD: 0009-0004-4822-6671
SPIN-code: 1377-6255
Postgraduate of the Engineering Faculty
Russian Federation, UlyanovskReferences
- Proshkin VE, Kurdiumov VI, Proshkin EN, et al. Analysis of the results of field testing of the spring-wave roller. Tractors and Agricultural Machinery. 2023;90(5):405–412. (In Russ.) doi: 10.17816/0321-4443-567933 EDN: KQOJIF
- Seregin AA, Valuev NV, Nikitchenko SL, et al. Results of assessing the quality of cultivator paws. Bulletin of Agrarian Science of the Don. 2021;2(54):42–49. (In Russ.)
- Haretski HP, Solovey NF, Shenets SL, et al. Structure and characteristics of boron-containing steels for fasteners. Foundry production and metallurgy. 2020;1:25–30.
- Myalenko VI, Sankina OV. Selection of geometric parameters for applying reinforcing materials to the friction surfaces of soil-cutting parts. Friction and wear. 2022;2:176–183. doi: 10.32864/0202-4977-2022-43-2-176-183
- Fayurshin A, Farkhshatov M, Saifullin R, et al. Improving the durability of cultivator blades using one-sided gas-flame surfacing. Journal of Applied Engineering Science. 2021;19(1):57–67. doi: 10.5937/jaes0-27725
- Pavlov A, Saifullin R, Farkhshatov M, et al. Study of part restoration modes using electrocontact welding with gauze filler materials. International Journal on Engineering Applications. 2021;9(2):62–70. doi: 10.15866/irea.v9i2.19511
- Mikhalchenkov AM, Ulyanova ND, Feskov SA, et al. Mechanical properties of heat-strengthened steel 65G, surface-reinforced with hard alloy surfacing. Agricultural engineering. 2021;3(103):63–68.
- Mikhalchenkov AM, Feskov SA, Tyureva AA. Effect of features of microstructure and microhardness of foreign-production center hoes on selection of renewal method of them. Materialovedenie. 2021;3:19–22. (In Russ.) doi: 10.31044/1684-579X-2021-0-3-19-22
- Yakovlev SA, Kurdyumov VI, Ayugin NP, et al. Results of studies of the structure and microhardness of the cutting parts of John Deere cultivators. Strengthening technologies and coatings. 2023;12(228):538–542. (In Russ.) doi: 10.36652/1813-1336-2023-19-12-538-542
- Yakovlev SA, Kurdyumov VI, Glushchenko AA, et al. Ensuring self-sharpening of cutting parts of working parts of agricultural machinery by point electromechanical processing. Strengthening technologies and coatings. 2021;9(201):419–423. (In Russ.) doi: 10.36652/1813-1336-2021-17-9-419-423
- Yakovlev S, Kurdyumov V, Ayugin N, et al. Results of metallographic observations of cultivator shares after spot electromechanical processing. IOP Conf. Ser.: Earth Environ. Sci. 2022;979. doi: 10.1088/1755-1315/979/1/012047
- Beckert M, Klemm H. Handbuch der metallographischen Ätzverfahren. Leipzig: VEB Deutscher Verlag für Grundstoffindustrie; 1985. (In Russ.)
- GOST (State Standard) R ISO 6507-1-2007: Metals and Alloys. Vickers Hardness Test. Part 1. Test Method. Moscow: Standartinform; 2008. (In Russ.)
Supplementary files












