The method for calculating the support reactions of a statically indeterminable final drive shaft of a tractor drive axle
- 作者: Serov K.N.1, Hoodorozhkov S.I.1
-
隶属关系:
- Peter the Great St. Petersburg Polytechnic University
- 期: 卷 91, 编号 5 (2024)
- 页面: 572-583
- 栏目: Theory, designing, testing
- ##submission.dateSubmitted##: 24.03.2024
- ##submission.dateAccepted##: 28.07.2024
- ##submission.datePublished##: 06.12.2024
- URL: https://journals.eco-vector.com/0321-4443/article/view/629390
- DOI: https://doi.org/10.17816/0321-4443-629390
- ID: 629390
如何引用文章
详细
BACKGROUND: Currently, in the design of vehicle drive axles, bevel final drives are used, forming both statically determinable structures and statically indeterminable ones. In the first case, the bearings, on which the bevel final drive shafts rest, form two rows of rolling elements, in the second case — three or more. Despite the prevalence of bevel final drive designs that form statically indeterminable structures, the statically determinable structures are considered in the process of teaching the design and calculation of machine elements. The study relevance lies in the formalization of the analytical calculation of the reactions on the supports of the bevel final drive, forming a statically indeterminable system, with the derivation of formulae for determining the reactions in the extra support.
AIM: Formalization of the method for calculating the support reactions of the drive axle bevel final drive as a statically indeterminable system, used for analysis of bearings.
METHODS: The study is based on mathematical dependencies of Analytical Mechanics to calculate reactions in the main supports, a corollary of Castigliano theorem and the force method to calculate reactions in extra supports. The Mathcad software was used for mathematical calculations.
RESULTS: A formalized method for the analytical analysis of support reactions in statically indeterminable systems, using Castigliano theorem to solve static indetermination, has been developed and presented. The application of the method for calculating the support reactions of the statically indeterminable driveshaft of the bevel final drive of the drive axle of the Kirovets K-7 series tractors is considered.
CONCLUSION: The dependencies obtained during the calculations make it possible to calculate the support reactions of the bevel final drive, the design of which forms a statically indeterminable system. The mathematical model of the bevel final drive, obtained during the calculations, can be used as a basis for developing software that automates this analysis.
全文:
Введение
Система является статически определимой, если наложенные на неё связи обеспечивают её кинематическую неизменяемость, а число неизвестных сил не превышает число уравнений статики. Статически неопределимыми системами являются те, у которых число неизвестных силовых факторов превышает их количество, определяемое из уравнений равновесия твёрдого тела [1].
Для задач со статически неопределимыми системами существуют различные методы решения, такие как метод сил или метод перемещений. Однако в учебном процессе при изучении конструирования и расчёта деталей машин рассматриваются, как правило, статически определимые системы благодаря большей простоте и наглядности. Тем не менее, в практике проектирования узлов трансмиссий транспортных средств широко применяются статически неопределимые системы. Например, валы центральной передачи ведущих мостов тракторов и грузовых автомобилей, как правило, устанавливаются на трёх подшипниках качения. При расчёте подшипников в таких узлах применяются методы, раскрывающие статическую неопределимость и позволяющие определить величину опорных реакций, действующих на подшипники. Интерес представляет формализация методов раскрытия статической неопределимости при проектировании узлов трансмиссий транспортных средств, в частности, центральных передач, для расчёта подшипников.
Цель исследования
Целью работы является формализация методики определения опорных реакций в статически неопределимых центральных передачах ведущих мостов для расчёта подшипников.
Объектом исследования выбрана одинарная коническая центральная передача ведущего моста трактора «Кировец» К-7М так, как и ведущий, и ведомый валы данной центральной передачи установлены по схеме, образующей статически неопределимую систему, которая не рассматривается в литературе по проектированию трансмиссий транспортных средств.
Методы
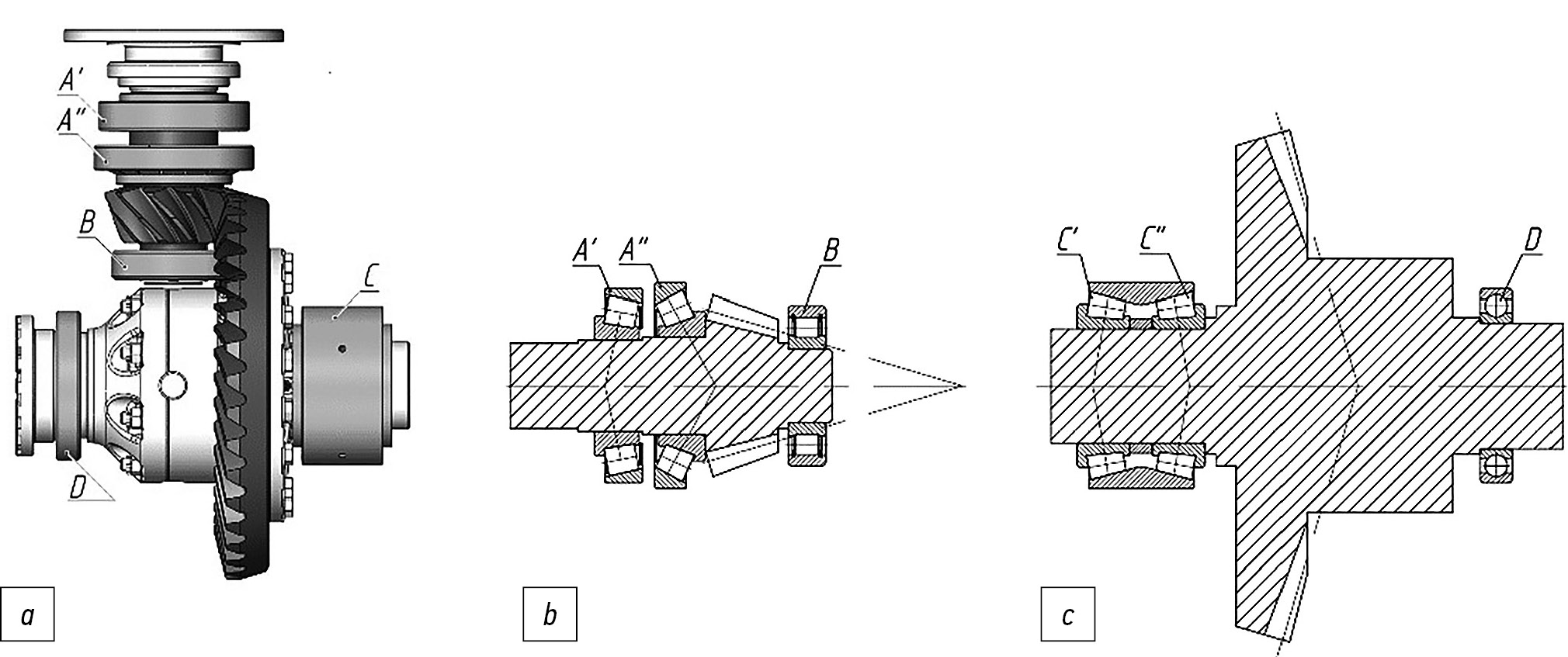
Центральная передача тракторного ведущего моста состоит из ведущего и ведомого валов с коническими зубчатыми колёсами, находящимися в зацеплении (рис. 1, a).
Рис 1. Центральная передача тракторного ведущего моста: a — центральная передача в сборе; b — эскиз ведущего вала; с — эскиз ведомого вала.
Fig 1. The bevel final drive of the tractor drive axle: a — the final drive assembly; b — a sketch of the input shaft; с — a sketch of the output shaft.
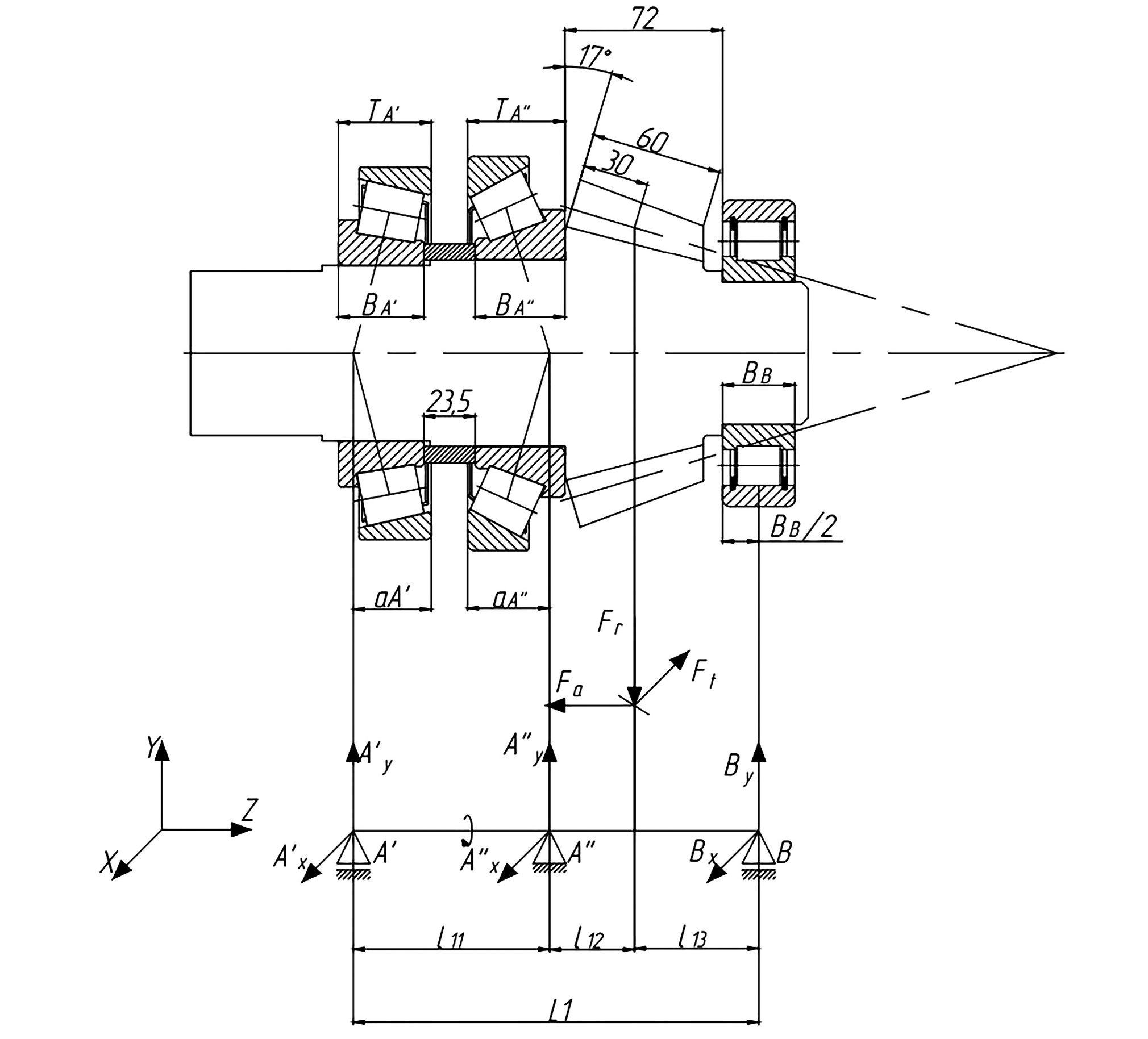
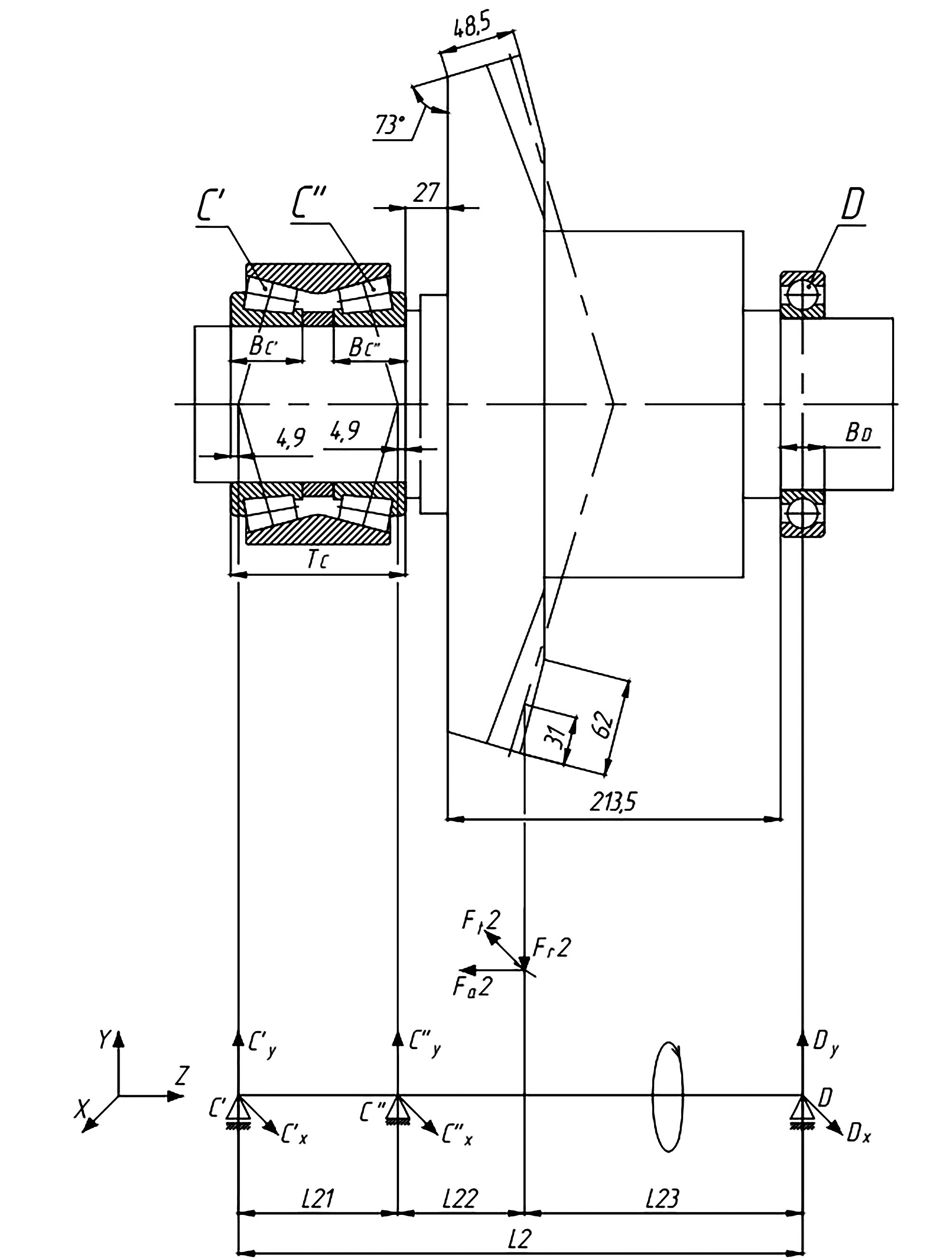
Ведущий вал представляет собой вал-шестерню, закреплённую в картере центральной передачи на трёх однорядных подшипниках A’, A’’, B (рис. 1, b). Ведомый вал представляет собой сборочную единицу, состоящую из дифференциала в сборе и конического зубчатого колеса, закреплённого на нём (рис. 1, c). Ведомый вал закреплён в картере с помощью двухрядного подшипника С и однорядного подшипника D. Так как тела качения в подшипнике C расположены в два ряда, то и нормальных реакций в таком подшипнике будет две. Для определения реакций, действующих в двухрядном подшипнике, каждый ряд рассматривается по отдельности, условно заменяясь однорядным подшипником.
Возникающая в зацеплении конической передачи сила раскладывается на три составляющие: окружная, радиальная, осевая, воспринимаемые подшипниками и валами, на которых установлены зубчатые колеса. За точку приложения сил принимают точку зацепления в средней плоскости колеса [2]. Радиальная сила Fr и изгибающий момент Ma, создаваемый осевой силой Fa создают поперечный изгиб; окружная сила Ft изгибает вал, а крутящий момент M, создаваемый ей, вал скручивает. Данные составляющие указываются на расчётной схеме валов. Также, при составлении расчётной схемы учитывается внутренняя геометрия подшипников для того, чтобы верно оценить координаты точек приложения нормальных реакций опор.
Смещение точки приложения реакции a для конических подшипников рассчитывается по следующей формуле [2]:
,
где: e — коэффициент влияния осевого нагружения. Рассчитывается по формуле [3]:
.
Для раскрытия статической неопределимости используется метод, в основе которого лежит теорема Кастилиано, применяемая для определения упругих перемещений в стержневых системах. Формулируется теорема Кастилиано следующим образом: обобщённое перемещение точки приложения обобщённой силы по направлению её действия равно частной производной от потенциальной энергии деформации по соответствующей этому перемещению обобщающей силе [1]. Формальная запись в соответствии с источником [4]:
,
где U — потенциальная энергия деформации, Дж; X — обобщённая сила, Н.
Для системы с лишними связями энергия деформации имеет минимальное значение: , и статически неопределимые усилия определяются из соотношения [4]:
. (1)
Потенциальная энергия деформации численно равна работе внешних сил при нагружении системы или работе внутренних сил, совершаемой в процессе разгрузки [1].
При изгибе вала потенциальная энергия деформации определяется по формуле [5]:
, (2)
где: — жёсткость поперечного сечения вала при изгибе; E — модуль упругости, Па; Jz — осевой момент инерции вала, кг·м2; Mx — изгибающий момент, Н·м; l — длина участка вала, м; n — количество рассматриваемых участков.
При кручении вала, потенциальная энергия деформации вала определяется по формуле [6]:
, (3)
где: G — модуль сдвига, Па; Jp — полярный момент инерции, кг·м2; Mz — крутящий момент, Н·м; l — длина участка вала, м; n — количество рассматриваемых участков.
С учётом формулы (1), дифференцируя выражения (2) и (3), получаем:
,
.
В силу того, что и , получаем следующую общую формулу:
. (4)
Результаты
Значения, сил, действующих в зацеплении конической передачи приведены в табл. 1. Данные были получены при расчете сил, действующих в элементах трансмиссии трактора «Кировец» К-7М на основании внешней скоростной характеристики двигателя, размера колёсных шин, массы трактора, передаточных чисел коробки переключения передач и геометрических характеристик конических зубчатых колес центральной передачи.
Таблица 1. Силы, действующие в зацеплении конической передачи
Table 1. Forces acting in the bevel gear coupling
Силовые параметры | Окружная сила, Ft , кН | Радиальная сила, Fr , кН | Осевая сила Fa , кН | Изгибающий момент, Ma , кН·м |
Ведущая шестерня | 41,016 | 9,258 | 33,039 | 1,898 |
Ведомое колесо | 41,016 | 33,039 | 9,258 | 0,532 |
Геометрические характеристики подшипников, устанавливаемых в качестве опор валов центральной передачи, приведены в табл. 2.
Таблица 2. Подшипники центральной передачи ведущего моста трактора «Кировец» серии К-7
Table 2. Bearings the bevel final drive of the drive axle of the Kirovets K-7 series tractor
Обозначение опоры | A’ | A’’ | B | C | C’, C’’ | D |
Обозначение подшипника | 7316А ГОСТ 27365-87 | 7317А ГОСТ 27365-87 | 102313А ГОСТ 8328-75 | 97520 ГОСТ 6364-78 | 7520А ГОСТ 27365-87 | 122 ГОСТ 8338-75 |
Диаметр отверстия, d, мм | 80 [7] | 85 [7] | 65 [8] | 100 [9] | 100 [7] | 110 [10] |
Наружный диаметр, D, мм | 170 [7] | 180 [7] | 140 [8] | 180 [9] | 180 [7] | 170 [10] |
Общая ширина, T, мм | 42,5 [7] | 44,5 [7] | 33 [8] | 112 [9] | 49 [7] | 28 [10] |
Ширина внутреннего кольца, B, мм | 39 [7] | 41 [7] | 33 [8] | 46 [9] | 46 [7] | 28 [10] |
Угол наклона дорожки качения, α, град | 12°57’10’’ [7] | 12°57’10’’ [7] | 0 | - | 15°38’32’’ [7] | 0 |
Смещение точки приложения реакции, a, мм | 35,625 | 37,488 | 0 | - | 44,1 | 0 |
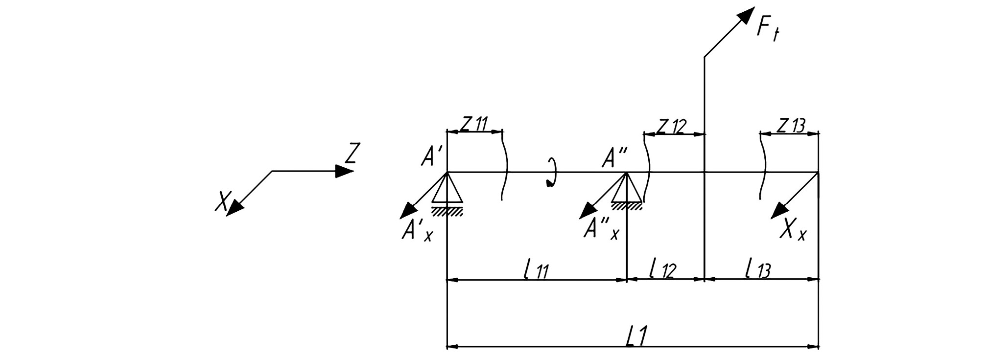
Ведущий вал
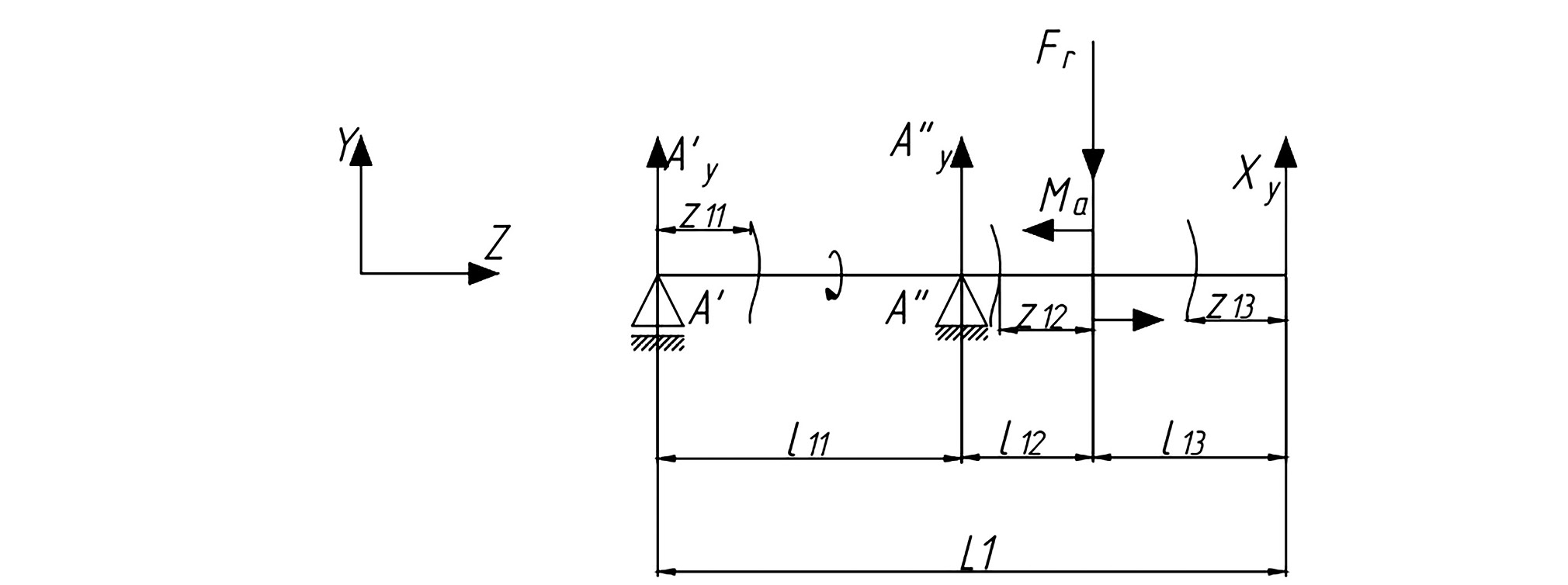
На рис. 2 приведена расчётная схема ведущего вала. На схеме обозначены три участка, на которых действуют напряжения: l11, l12, l13, а общая длина участка составляет L1.
Рис. 2. Расчётная схема ведущего вала.
Fig. 2. Calculation scheme of the input shaft.
Исходя из геометрических размеров элементов, представленных на расчётной схеме, определены расчётные значения длин рассматриваемых участков (табл. 3).
Таблица 3. Геометрические характеристики ведущего вала
Table 3. Geometric characteristics of the input shaft
Участок | L1 | l11 | l12 | l13 |
Длина, мм | 185,12 | 89,61 | 38,76 | 56,75 |
Для раскрытия статической неопределимости по формуле (4) реакции Bx и By заменены обобщёнными силами Xx и Xy, соответственно, и составлены расчётные схемы сил, спроецированных на плоскости YOZ (рис. 3) и XOZ (рис. 4).
Рис. 3. Расчётная схема сил, спроецированных на плоскости YOZ.
Fig. 3. Calculation scheme of forces projected onto the YOZ plane.
Рис. 4. Расчётная схема сил, спроецированных на плоскости ХOZ.
Рис. 4. Расчётная схема сил, спроецированных на плоскости ХOZ.
Для каждой проекции составлены уравнения моментов на каждом участке, чтобы найти обобщённую силу, и два уравнения равновесия, чтобы найти нормальные реакции в опорах A’ и A’’.
Вертикальная плоскость
Уравнения равновесия:
Первое уравнение равновесия:
;
;
. (5)
Второе уравнение равновесия:
;
;
. (6)
Уравнения моментов:
Участок 0 ≤ z11 ≤ l11:
.
С учётом выражения (6):
;
.
Участок l11 ≤ z12 ≤ l11+ l12:
;
.
Участок 0 ≤ z13 ≤ l13:
;
.
Равенство (4) для всего участка L1:
Из последнего равенства выражается XY:
. (7)
Горизонтальная плоскость
Уравнения равновесия:
Первое уравнение равновесия:
;
;
. (8)
Второе уравнение равновесия:
;
;
. (9)
Уравнения моментов:
Участок 0 ≤ z11 ≤ l11:
С учётом выражения (8):
;
Участок l11 ≤ z12 ≤ l11+ l12:
;
.
Участок 0 ≤ z13 ≤ l13:
;
.
Равенство (4) для всего участка L1:
Из последнего равенства выражается XX:
. (10)
Подставив значения сил (см. табл. 1) и значения размеров (см. табл. 3) в формулы (7) и (10) получены 1 кН и кН. По формулам (5), (6), (8), (9) найдены значения реакций в соответствующих опорах: кН, кН, кН, кН.
Для проверки правильности полученных результатов произведён расчёт равнодействующей силы в обеих плоскостях.
Вертикальная плоскость:
;
. (11)
Горизонтальная плоскость:
;
. (12)
Левая и правая части равенств (11), (12) равны, следовательно, значения опорных реакций определены корректно.
Учитывая значения реакций в проекциях на вертикальную и горизонтальную плоскости, определяются результирующие радиальные реакции в опорах по формуле ниже.
.
Итоговые значения опорных реакций:
Н
Н
Н
Ведомый вал
На рис. 5 приведена расчётная схема ведомого вала. На схеме обозначены 3 участка, на которых действуют напряжения: l21, l22, l23, а общая длина участка составляет L2. Исходя из геометрических размеров элементов, представленных на расчётной схеме, определены расчётные значения длин рассматриваемых участков (табл. 4).
Рис. 5. Расчётная схема ведомого вала.
Fig. 5. Calculation scheme of the output shaft.
Таблица 4. Геометрические характеристики ведомого вала
Table 4. Geometric characteristics of the output shaft
Участок | L1 | l11 | l12 | l13 |
Длина, мм | 361,6 | 102,2 | 81,18 | 178,22 |
Для раскрытия статической неопределимости по формуле (4), аналогично ведущему валу, реакции Dx и Dy заменены обобщёнными силами Xx и Xy, соответственно, и составлены расчётные схемы сил, спроецированных на плоскости YOZ и XOZ.
Расчет опорных реакций ведомого вала выполняется по данной методике аналогично расчёту реакций ведущего вала. Схема сил, действующих на ведомый вал (рис. 5) идентична схеме сил, действующих на ведущий вал (см. рис. 2). Следовательно, формулы (5)–(10) могут быть использованы для расчёта опорных реакций ведомого вала.
Полученные значения радиальных реакций в опорах ведущего (см. рис. 2) и ведомого (см. рис. 5) валов приведены в табл. 5.
Таблица 5. Опорные реакции ведущего и ведомого валов центральной передачи
Table 5. Support reactions of the final drive input and output shafts of the final drive
Условное обозначение подшипника | A’ | A’’ | B | C’ | C’’ | D |
Радиальная реакция R, Н | 4384 | 42 238 | 20 932 | 14 421 | 61286 | 7309 |
Заключение
Разработаны расчётные схемы статически неопределимых валов центральной передачи ведущего моста тракторов «Кировец» серии К-7. На основании расчётных схем составлены уравнения моментов и уравнения равновесия. С помощью теоремы Кастилиано и уравнений моментов была выведена формула, раскрывающая статическую неопределимость валов, что позволило вычислить значение реакции «лишней» опоры. Применение уравнений равновесия позволило вычислить значения оставшихся опорных реакций.
Проверка на равенство нулю равнодействующих сил показала, что данная методика аналитического расчёта верна и может быть использована для определения опорных реакций в статически неопределимых валах.
Полученная и апробированная в ходе расчётов математическая модель статически неопределимых валов центральной передачи может быть использована в качестве основы для разработки программного обеспечения, автоматизирующего расчет опорных реакций в статически неопределимых валах.
Дополнительная информация
Вклад авторов. К.Н. Серов — формулирование идеи, формулирование исследовательских целей и задач, написание текста, анализ полученных данных и подготовка первоначальных выводов; С.И. Худорожков — научное руководство, планирование исследовательской деятельности, проведение критического анализа материалов, расчётов и выводов. Авторы подтверждают соответствие своего авторства международным критериям ICMJE (все авторы внесли существенный вклад в разработку концепции, проведение исследования и подготовку статьи, прочли и одобрили финальную версию перед публикацией).
Конфликт интересов. Авторы декларируют отсутствие явных и потенциальных конфликтов интересов, связанных с проведенным исследованием и публикацией настоящей статьи.
Источник финансирования. Авторы заявляют об отсутствии внешнего финансирования.
Additional information
Authors’ contributions. K.N. Serov — formulating the idea, formulating research goals and objectives, writing the text, analyzing the data obtained and preparing initial conclusions; S.I. Hoodorozhkov — scientific supervision, planning of research activities, critical analysis of materials, calculations and conclusions. The authors confirm that their authorship meets the international ICMJE criteria (all authors made significant contributions to the development of the concept, conduct of the research and preparation of the article, read and approved the final version before publication).
Competing interests. The authors declare that they have no competing interests.
Funding source. This study was not supported by any external sources of funding.
作者简介
Kirill Serov
Peter the Great St. Petersburg Polytechnic University
编辑信件的主要联系方式.
Email: serovkn97@mail.ru
ORCID iD: 0009-0002-2869-641X
Postgraduate of the Higher School of Transport of the Institute of Mechanical Engineering, Materials and Transport
俄罗斯联邦, Saint PetersburgSergey Hoodorozhkov
Peter the Great St. Petersburg Polytechnic University
Email: xcu-55@mail.ru
ORCID iD: 0000-0002-5646-2998
SPIN 代码: 4405-9649
Dr. Sci. (Engineering), Professor of the Higher School of Transport
俄罗斯联邦, Saint Petersburg参考
- Mamchenko VO, Demenchuk NP. Separate sections of the mechanics of solid deformable bodies: Educational and methodological manual. Saint Petersburg: ITMO University; 2016 (in Russ.)
- Sheinblit AE. Course design of machine elements: Textbook for technical schools. Moscow: Vysshaya shkola; 1991 (in Russ.)
- GOST 18855-2013 (ISO 281:2007). Rolling bearings. Dynamic load rating and rating life. Moscow; 2013. (in Russ). Accessed: 29.01.2023. Available from: https://docs.cntd.ru/document/1200105881.
- Broutman L, Krock R. Composite Materials, Volume 7: Structural Design and Analysis, Part 1. Chamis C., editor. Cleveland Ohio: NASA Lewis Research Center; 1975.
- Darkov AV, Shapiro GS. Strength of materials: a textbook for higher technical educational institutions. Moscow: Vysshaya shkola; 1975 (in Russ.)
- Kozlovskii AE. Calculation of structural elements for shear and torsion. Ivanovo: Ivanovo State University of Chemistry and Technology; 2016 (in Russ.)
- GOST 27365-87. Single row tapered roller bearings with increased load capacity. Main sizes. Moscow; 1987. (in Russ.) Accessed: 29.01.2023 Available from: https://docs.cntd.ru/document/1200013031
- GOST 8328-75. Radial roller bearings with short cylindrical rollers. Types and main sizes. Moscow; 1975 (in Russ.) Accessed: 29.01.2023 Available from https://docs.cntd.ru/document/1200012894
- GOST 6364-78. GOST 6364-78. Double-row tapered roller bearings. Main sizes. Moscow; 1978 (in Russ.) Accessed: 29.01.2023. Available from https://docs.cntd.ru/document/1200012746.
- GOST 8338-75. Single row radial ball bearings. Main sizes. Moscow; 1975 (in Russ.) Accessed: 29.01.2023 Available from https://docs.cntd.ru/document/1200012895
补充文件








