Модернизация силового агрегата тракторов тягового класса 1,4 путём применения обратимой электрической машины
- Авторы: Алиев С.А.1, Бекеев А.Х.1, Салатова Д.А.1
-
Учреждения:
- Дагестанский государственный аграрный университет им. М.М. Джамбулатова
- Выпуск: Том 91, № 6 (2024)
- Страницы: 740-747
- Раздел: Теория, конструирование, испытания
- Статья получена: 30.05.2024
- Статья одобрена: 28.12.2024
- Статья опубликована: 21.12.2024
- URL: https://journals.eco-vector.com/0321-4443/article/view/633012
- DOI: https://doi.org/10.17816/0321-4443-633012
- ID: 633012
Цитировать
Полный текст
Аннотация
Обоснование. Техническое развитие конструкций тракторов характеризуется увеличением мощности, а также применением электрического привода агрегатов. В связи с чем нагрузка на электрическую систему современного трактора постоянно растёт и подвергает существующие системы чрезмерной нагрузке. Однако, невозможно удовлетворить растущие потребности тракторов и их систем использованием традиционных генераторов.
Целью работы является исследование и разработка высокоэффективных средств обеспечения надёжного пуска дизельных двигателей тракторов тягового класса 1.4 и обеспечение бортовой электроэнергией путём применения стартер-генераторных установок с микропроцессорным управлением.
Материалы и методы. Решением задачи увеличения мощности одновременно с увеличением КПД может послужить интегрированный стартер-генератор. Обладая достаточной мощностью в двигательном режиме (до 8 кВт), стартер-генератор позволяет улучшить пусковые и энергетические характеристики двигателей внутреннего сгорания трактора. Предлагаемая конструкция электрической машины размещается между блоком цилиндров ДВС и сцеплением трактора. Принятая компоновка позволяет передавать значительную мощность в обоих направлениях, улучшает пусковые качества дизельных двигателей тракторов, а также реализовать функции гашения крутильных колебаний коленчатого вала, что существенно снижает шум и вибрации двигателя.
Результаты. По результатам исследования обоснован выбор стартер-генераторного устройства (СГУ) на базе обратимой электрической машины применительно к дизельным двигателям тракторов тягового класса 1,4 и разработана схема его размещения в картере сцепления без изменения его базовой конструкции. Преимущество предлагаемой конструкции заключается в использовании электрических машин для пуска двигателя, которая в этом случае включается в режим электродвигателя и в процессе работы переключается в генераторный режим, обеспечивая питание бортовой сети электрической энергией.
Заключение. Практическая ценность объединения стартера и генератора в едином агрегате заключается в упрощении конструкции, сокращении затрат на изготовление и сборку, что является преимуществом с точки зрения производственных издержек, также заменяя на некоторых тракторах пусковой поршневой двигатель.
Полный текст
ВВЕДЕНИЕ
В перспективе, тракторы останутся одним из основных средств производства в ряде отраслей, таких как сельское хозяйство, строительство и лесозаготовки. Поэтому совершенствование конструкций тракторов, направленное на повышение их потребительских свойств, продолжается и будет продолжаться с использованием возможностей науки и техники.
Техническое развитие тракторов характеризуется увеличением мощности двигателей внутреннего сгорания (ДВС), увеличением мощности потребителей электрической энергии и широким применением электроники. Перспективные факторы требуют совершенствования систем электроснабжения тракторов. Одним из путей такого совершенствования является повышение номинального напряжения источников электрической энергии.
Одним из направлений, на котором отечественное тракторостроение может попытаться уменьшить вынужденное отставание от мирового уровня, является развитие средств автоматизации и электроприводов [1–4].
Регулируемые электроприводы характеризуются совершенным качеством — возможностью плавного изменения режимов работы, прежде всего — частоты вращения, что достигается благодаря применению статических полупроводниковых преобразователей частоты и микропроцессорных систем управления [5].
Современные энергетические и экологические нормы требуют применения электроприводов с управляемыми электрическими машинами (ЭМ), которые имеют высокие энергетические показатели в режимах как полной, так и частичной нагрузки, и при этом надежны и просты в производстве. Увеличение доли таких электроприводов является одной их самых актуальных задач электромашиностроения.
Развитие конструкций автотракторного электрооборудования и автоэлектроники должно идти в направлении применения принципиально новых комплектующих, экологически чистых материалов, снижения затрат на их производство [6]. Нагрузка на электрическую систему современного трактора постоянно растёт. Увеличивающееся потребление электрической энергии дополнительно установленным оборудованием подвергает существующие 12-вольтовые системы чрезмерной нагрузке. Современные требования по пуску вызывают необходимость использования мощных систем электропуска.
На сегодняшний день невозможно удовлетворить растущие потребности тракторов и его систем в силу сравнительно низкого КПД традиционных генераторов. Решением задачи увеличения мощности одновременно с увеличением КПД (до 85…90%) и ресурса генераторной установки, повышения экологичности и топливной экономичности тракторов, а также уменьшения массы двигателей внутреннего сгорания может послужить интегрированный стартер-генератор [7]. Поэтому одной из задач современного тракторостроения является переход на более высокие напряжения для обеспечения улучшения эксплуатационных и, в том числе, пусковых качеств с возможным применением нового энергоёмкого дополнительного оборудования.
В связи с этим перспективной задачей является применение интегрированных систем со стартер-генераторным устройством и микропроцессорным управлением, являющихся ключевым элементом для повышения эффективности эксплуатационных показателей тракторов.
По рассматриваемой тематике выполнено множество работ:
- разработано значительное число схемных и конструктивных решений систем бортового генерирования электроэнергии и запуска ДВС;
- выполнены различные методы расчёта как системных, так и динамических режимов стартер-генераторных установок в стадии генерирования электрической энергии при переменной частоте вращения вала.
За рубежом получены токоскоростные характеристики стартер-генераторных установок (СГУ) с аккумуляторными батареями на напряжение 12 и 42 В. Однако многие вопросы в области использования СГУ в электромеханических системах запуска и генерирования бортовой энергии остаются нерешёнными. В частности, остаются неисследованными комплексные системы СГУ для запуска и генерирования электрической энергии с микропроцессорным управлением на тракторах.
В связи с изложенным возникает необходимость в проведении анализа и обобщения известных работ, дополнительных исследований СГУ для выявления пусковых и энергетических характеристик ДВС трактора, что и определяет актуальность тематики исследования.
ЦЕЛЬ ИССЛЕДОВАНИЯ
Целью работы является исследование и разработка высокоэффективных средств обеспечения надёжного пуска дизельных двигателей тракторов тягового класса 1,4 и обеспечение бортовой электроэнергии путём применения стартер-генераторных установок с микропроцессорным управлением.
МАТЕРИАЛЫ И МЕТОДЫ ИССЛЕДОВАНИЯ
Существующие стартеры имеют низкую надёжность и малый ресурс муфты свободного хода, тягового реле, щеточно-коллекторного узла, особенно в условиях повышенной влажности и запылённости и требуют периодического обслуживания. Кроме того, в конструкциях существующих стартеров не имеется возможности диагностики состояния элементов, программного управления моментом и использования стартера для снижения шума ДВС и трансмиссии. Существующие генераторы с приводом от ремённой передачи требуют периодической регулировки и обслуживания, имеют недостаточную надёжность из-за износа и обрыва ремней, попадания влаги и пыли, а для генераторов с щеточно-коллекторным узлом, — ещё и из-за износа и загрязнения узла.
Предлагаемая конструкция силового агрегата тракторов тягового класса 1,4 (рис. 1) содержит ДВС 1, коробку передач 2, сцепление 3, передающую приводное усилие на ведущие колеса трактора, электрическую машину 4, размещённую между блоком цилиндров двигателя и сцеплением и датчик положения ротора 5 установленный в носовой части ДВС на коленчатом валу.
Рис 1. Схема размещения вентильно-индукторной машины СГУ в составе силового агрегата трактора тягового класса 1,4: 1 — ДВС; 2 — коробка передач; 3 — сцепление; 4 — электрическая машина стартер-генераторного устройства; 5 — датчик положения ротора.
Fig. 1. Layout scheme of the reversible electric machine of the SGU as part of the powerunit of the 1.4 drawbar category tractor: 1 — an internal combustion engine; 2 — a gearbox; 3 — a clutch; 4 — an electric machine of the starter-generator unit; 5 — a rotor position sensor.
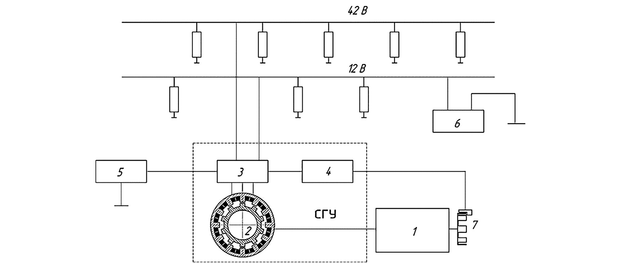
СГУ может быть использовано на тракторах тягового класса 1,4 для запуска двигателей внутреннего сгорания и генерирования электрической энергии для нужд бортовой сети, двухуровневого напряжения 12…14 В и 36…42 В. Функциональная блок-схема СГУ приведена на рис. 2. В состав СГУ входят электрическая машина 2, силовой преобразователь энергии 3, блок управления 4, датчик положения ротора 7. Причём силовой преобразователь и индукторный двигатель могут быть включены в общую схему жидкостного охлаждения двигателя.
Рис. 2. Функциональная блок-схема стартер-генераторного устройства: 1 — ДВС; 2 — электрическая машина; 3 — силовой преобразователь энергии (инвертор); 4 — блок управления; 5 — энергоёмкий конденсатор; 6 — аккумуляторная батарея; 7 — датчик положения ротора.
Fig. 2. The functional block diagram of the starter-generator unit: 1 — an internal combustion engine; 2 — an electric machine; 3 — an inverter; 4 — a control unit; 5 — an energy-intensive capacitor; 6 — a battery; 7 — a rotor position sensor.
Электрическая машина выполняет функции стартер-генератора, силовой преобразователь напряжения обеспечивает его работу в режимах стартера и генератора, и поддерживает напряжение бортовой сети на двух уровнях 14 и 42 В. В режиме стартера питание обеспечивает аккумуляторная батарея 6, а также энергоёмкий конденсатор 5.
На рис. 3 показана компоновка электрической машины, где электрическая машина размещена между двигателем и сцеплением трактора. Статор электрической машины 2 установлен в проставке 1, которая в свою очередь крепится к блоку цилиндров двигателя. Ротор 3 электродвигателя устанавливается на маховике 4 специальной конструкции «электрический маховик», который одновременно выполняет не только функции его раскрутки, но и маховой массы [10].
Рис. 3. Схема установки электрической машины СГУ: 1 — проставка; 2 — статор; 3 — ротор; 4 — маховик; 5 — блок цилиндров.
Fig. 3. The installation scheme of the electric machine of the SGU: 1 — a spacer; 2 — a stator; 3 — a rotor; 4 — a flywheel; 5 — a cylinder block.
Принятая компоновка позволяет передавать значительную мощность в обоих направлениях и реализовать функции гашения крутильных колебании коленчатого вала при низких скоростях вращения, что существенно снижает шум и вибрацию ДВС.
Место, выбранное для размещения стартер-генератора на ДВС, по условиям работы не самое лучшее: высокая температура, запылённость, в том числе, абразивными продуктами износа дисков сцепления. По этой причине от применения электрической машины с коллектором отказались. Для указанной цели больше подходят вентильные машины с постоянными магнитами, но у них высокая стоимость [8, 9].
Поэтому в качестве электрической машины предлагается реактивный индукторный двигатель — бесконтактную электрическую машину синхронного типа. Она имеет ряд несомненных достоинств: шихтованный зубчатый ротор без обмотки, потери в котором, как известно, минимальны; многофазную обмотку статора, выполненную в виде отдельных концентрических катушек без пересечения лобовых частей, что упрощает конструкцию, повышает технологичность производства и увеличивает её надёжность в эксплуатации.
Преимущество предлагаемой конструкции СГУ, размещённого между двигателем и сцеплением силового агрегата, заключается в возможности использования электрической машины для пуска ДВС, которая в этом случае включается в режим электродвигателя, и в процессе работы ДВС переключается на генераторный режим, обеспечивая питание электрической энергией бортовую сеть.
Кроме того, объединение стартера и генератора в одном единственном узле позволяет значительно сократить затраты на изготовление и сборку такой конструкции, что является преимуществом с точки зрения производственных издержек, заменив генератор и стартер, и на некоторых тракторах пусковой поршневой двигатель.
Для обеспечения оптимального теплового режима предлагаемой электрической машины предпочтительно использовать жидкостное охлаждение, что можно реализовать путём подключения ее к системе жидкостного охлаждения ДВС. Циркуляция происходит через кольцевую проточку детали корпус-проставка 1 статора специальной конструкции (см. рис. 3), изготавливаемой из алюминиевого сплава [11].
РЕЗУЛЬТАТЫ ИССЛЕДОВАНИЯ И ИХ ОБСУЖДЕНИЕ
При выполнении настоящей работы были использованы отдельные материалы и результаты исследования высокоэффективных систем пуска автомобильных ДВС, накопленный Российской научно-технической школой, а также имеющийся опыт по разработке конкретных образцов таких систем, производимых рядом зарубежных фирм.
Следует отметить, что применение СГУ с микропроцессорным управлением предопределяет возможность совершенствования, наряду с рассмотренными выше достоинствами, и других характеристик ДВС и трактора.
Во-первых, СГУ является эффективным гасителем (демпфером) крутильных колебаний вала ДВС. Функция электромагнитного демпфирования представляет перспективную альтернативу механической системе демпфирования. Важным преимуществом СГУ над механическими системами демпфирования является возможность выполнения демпфирования с дискретной частотой и переменными амплитудами, а также возможность снижения вибраций при изменении нагрузки. Во-вторых, применение системы с СГУ обеспечивает частичную гибридизацию энергетической установки трактора (малый гибрид).
Стендовые и моторные испытания проведены в лабораториях ОАО «Авиаагрегат», г. Махачкала. По результатам проведённого исследования обоснован выбор СГУ на базе вентильного электродвигателя применительно к дизельным двигателям тракторов тягового класса 1,4 и разработана схема его размещения в картере сцепления без изменения его базовой конструкции.
Зависимость времени запуска поршневого двигателя от температуры окружающей среды показаны на рис. 4.
Рис. 4. Зависимость времени запуска поршневого двигателя от температуры окружающей среды: 1 — от электрической машины СГУ; 2 — от электростартера.
Fig. 4. Duration of the piston engine launch on the outside temperature: 1 — using the electric machine of the SGU; 2 — using an electric starter.
Результаты предварительных испытаний этой машины показали, что при температуре 20 °С СГУ за 0,5 с уверенно раскручивает ДВС до 800 мин-1 (см. рис. 4). Рассмотренный выше вариант СГУ может быть агрегатом, который успешно заменяет стартер и генератор, установленные на тракторах. Более того, выполненные авторами эксперименты показали, что СГУ, оснащённые более мощными электродвигателями, найдут применение и на других транспортных средствах, в том числе и на грузовых автомобилях [12].
ВЫВОДЫ
- Применение совмещённого СГУ на тракторах тягового класса 1,4 позволяет улучшить пусковые характеристики дизельного двигателя, а также получить возможность работы электрооборудования при многоуровневом напряжении.
- Предложены рекомендации по совершенствованию пусковых характеристик в условиях низких температур для дизельных двигателей на основе оптимального выбора параметров предложенной комплексной системы СГУ с микропроцессорным управлением.
- Совмещённое СГУ с микропроцессорным управлением может дополнительно выполнять функции электромагнитного демпфера крутильных колебаний, а также частичной гибридизации энергетической установки тракторов и генерирования бортовой электроэнергии многоуровневого напряжения.
ДОПОЛНИТЕЛЬНАЯ ИНФОРМАЦИЯ
Вклад авторов. С.А. Алиев — постановка задач, проведение эксперимента, сбор и анализ литературных источников, редактирование статьи; А.Х. Бекеев — проведение эксперимента, обработка результатов, редактирование статьи; Д.А. Салатова — проведение эксперимента, обработка результатов, подготовка и написание текста, редактирование текста рукописи. Все авторы подтверждают соответствие своего авторства международным критериям ICMJE (все авторы внесли существенный вклад в разработку концепции, проведение исследования и подготовку статьи, прочли и одобрили финальную версию перед публикацией).
Конфликт интересов. Авторы декларируют отсутствие явных и потенциальных конфликтов интересов, связанных с проведённым исследованием и публикацией настоящей статьи.
Источник финансирования. Авторы заявляют об отсутствии внешнего финансирования при проведении исследования и подготовке публикации.
ADDITIONAL INFORMATION
Authors’ contribution. S.A. Aliev — setting tasks, conducting an experiment, collecting and analyzing literary sources, editing the manuscript; А.Кh. Bekeev — conducting an experiment, processing the results, editing the manuscript; D.A. Salatova — conducting an experiment, processing the results, preparing and writing the text, editing the text of the manuscript. All authors confirm their authorship compliance with the ICMJE international criteria (all authors made a significant contribution to the conceptualization, research and preparation of the article, read and approved the final version before publication).
Competing interests. The authors declare that they have no competing interests.
Funding source. This study was not supported by any external sources of funding.
Об авторах
Сабир Алиевич Алиев
Дагестанский государственный аграрный университет им. М.М. Джамбулатова
Автор, ответственный за переписку.
Email: aliev.777@mail.ru
ORCID iD: 0009-0007-6340-8627
SPIN-код: 5461-5012
канд. техн. наук, доцент, доцент кафедры «Автомобильный транспорт»
Россия, МахачкалаАбдурахман Ханапиевич Бекеев
Дагестанский государственный аграрный университет им. М.М. Джамбулатова
Email: abekeev@yandex.ru
ORCID iD: 0000-0002-7976-5844
SPIN-код: 1038-1310
канд. техн. наук, профессор, заведующий кафедрой «Техническая эксплуатация автомобилей»
Россия, МахачкалаДжаминат Абдурахмановна Салатова
Дагестанский государственный аграрный университет им. М.М. Джамбулатова
Email: dgsalatova@yandex.ru
ORCID iD: 0000-0001-8840-0890
SPIN-код: 6924-8809
канд. техн. наук, доцент, доцент кафедры «Техническая эксплуатация автомобилей»
Россия, МахачкалаСписок литературы
- Skotnikov VA, Mashchensky AA, Razumovsky MA, et al. Problems of modern agricultural tractor manufacturing. Minsk: Vysshaya shkola; 1983. (In Russ.)
- Ukhanov AP. Design of cars and tractors: textbook. Saint Petersburg: Lan; 2023. (In Russ.)
- Polivaev OI, Vorokhobin AV. Theory of tractors and cars. Saint Petersburg: Lan; 2021. (In Russ.)
- Suleimanov UM, Krainov DV. The rectifier-inductor electric drive of the steering electromechanical amplifier. Izvestiya Vysshikh Uchebnykh Zavedenii. Elektromekhanika (Russian Electromechanics). 2005;2:56–59. (In Russ.)
- Mashinin VV. Power supply systems with increased rated voltage for vehicles. Automotive electrical equipment. 2002;1:2–16. (In Russ.)
- Kolomeytsev LF, Panhuman SA, Krainov DV, et al. Mathematical model for calculating electromagnetic processes in a multiphase controlled reluctance motor. Izvestiya Vysshikh Uchebnykh Zavedenii. Elektromekhanika (Russian Electromechanics). 1998;1:49–53. (In Russ.)
- Bunakov IYu. Combined starter-generator systems (review). Molodezh’ i nauka. 2013;2:23–28. (In Russ.)
- Bakhmutov SV, Blatushko YV, Malikov YV, e al. Analysis of patent developments in the field of motor vehicles. In: Materials of the International scientific and technical conference «Automobile and tractor manufacturing in Russia» 2009. Moscow: MSTU «MAMI» 2009:535–547. (In Russ.)
- Baulina EE, Krutashov AV, Serebryakov VV. The choice of the concept of automobile with combined energy transmission of expanded functionality. Izvestiya MGTU «MAMI». 2017;3(33):2–8. (In Russ.) EDN: ZMJKKD
- Bekeyev AKh, Aliev AYa, Aliev SA. Modelling of starter generator indicators in tractor diesel. Dagestan GAU Proceedings. 2019;1:63–66. (In Russ.)
- Bekeev AKh, Astemirov TA, Aliev AYa. Integrated starter-generator for energy-efficient vehicles. Development problems of regional agro-industrial complex. 2013;3(15):70–73. (In Russ.)
- Patent RUS №178259/ 04.07.2019 Byul. №19. Aliev SA, Aliev MA. Power unit of tractors of traction class 1.4 with an integrated starter-generator. (In Russ.) EDN: VPKDBU
Дополнительные файлы







