Colorimetric assessment of the ozone-air mixture content during grain drying
- Authors: Kirmasov V.Y.1, Zviagin A.A.1, Baskakov I.V.1
-
Affiliations:
- Voronezh State Agrarian University named after the Emperor Peter I
- Issue: Vol 92, No 1 (2025)
- Pages: 10-16
- Section: Environmentally friendly technologies and equipment
- Submitted: 06.06.2024
- Accepted: 17.03.2025
- Published: 10.05.2025
- URL: https://journals.eco-vector.com/0321-4443/article/view/633262
- DOI: https://doi.org/10.17816/0321-4443-633262
- EDN: https://elibrary.ru/ZFCIHB
- ID: 633262
Cite item
Abstract
BACKGROUND: The introduction of modern technical means and environmentally friendly technologies into agriculture is a relevant task for our country. The issues of plant protection, crop conservation and improving the quality of agricultural products through the introduction of innovative technologies are considered. One of the promising methods of influencing seeds is ozone treatment. This is due to the effectiveness of the impact of ozone as an oxidant on biochemical processes and metabolism. In this regard, it becomes relevant to conduct the research aimed at identifying the optimal concentration of the ozone-air mixture and evaluating the effectiveness of ozonation during drying of grain material.
AIM: Creation of the test strips for determination of various concentrations of ozone-air mixture in the air.
METHODS: During the study, methods of qualitative chemical interactions and mathematical processing of the results were used. The principle of the chemical method is to determine the ozone content indirectly by the amount of reagent that reacts with ozone. Thus, when potassium iodide interacts with ozone, iodine is restored. At the same time, its amount is proportional to the concentration of ozone in the gas mixture that was passed through the solution.
RESULTS: The method to determine the concentration of an ozone-air mixture by colorimetric method is proposed. Test strips were created, and numerical values were assigned to each color in the software, which correspond to a certain concentration of the ozone-air mixture.
CONCLUSION: The conducted study was helpful to create the method for determining the concentration of ozone in an ozone-air mixture by colorimetric method. The concentration dependence requires a linear ratio of the analytical signal to the exposure time. Five minutes is enough for this, while a twofold change in concentration corresponds to a twofold increase in response. The obtained test strips are helpful to determine the concentration of ozone necessary for effective drying of the seed material. However, the follow-up of this method and the large-scale testing will make it possible to extend the range of application and to increase its reliability.
Keywords
Full Text
АКТУАЛЬНОСТЬ
Сельскохозяйственная отрасль каждой страны является одной из главных отраслей народного хозяйства. Благосостояние населения напрямую зависит от уровня её развития. Важнейшей задачей любого сельскохозяйственного предприятия является обеспечение сохранности собранного урожая [1]. Процесс его подготовки к длительному хранению требует выполнения строгих технологических требований. Для обеспечения наилучшей сохранности определенных культур были разработаны наиболее эффективные технологии. Одним из инновационных методов обработки семян является использование озоновоздушной смеси [2–5]. Озон — это трехатомная форма кислорода, которая обладает сильными окислительными свойствами. Он широко используется в различных отраслях, включая сельское хозяйство. При обработке семян озон способен уничтожить патогенные микроорганизмы и вредные насекомые, а также проинтенсифицировать ростовые процессы, что способствует повышению качества и урожайности зерновых культур. Благодаря развитию озонных технологий и их внедрению в сельскохозяйственную деятельность удалось значительно повысить качество сохранности культур.
В промышленности озон получают из воздуха или кислорода в озонаторах под действием электрического разряда [6–8]. Озон O3 тяжелее, чем кислород O2, и потому их несложно разделить. Также он легче сжижается. Для озонотерапии газ получают только из чистого кислорода [9]. Существует способ получения озона путём воздействия на воздух жёстким ультрафиолетовым излучением. Аналогичный процесс протекает в верхних слоях атмосферы, где под действием солнечного излучения образуется и поддерживается озоновый слой.
Рис. 1. Экспериментальная установка по озонированию посевного материала: 1 — компрессор; 2 — осушитель воздуха; 3 — озонатор; 4 — датчик Сигма-03; 5 — резервуар.
Fig. 1. Experimental plant for ozonation of seed material: 1 — a compressor; 2 — an air drier; 3 — an ozonator; 4 — the Sigma-03 sensor; 5 — a tank.
Одним из основных устройств, применяемых в процессе обработки семян озоновоздушной смесью, являются озонаторы (рис. 1). Они представляют собой специальные устройства, которые создают и поддерживают оптимальную концентрацию озона в воздушной среде [10]. Технология озонирования превосходит устаревшие методы подготовки зерновых культур по многим параметрам.
Цель исследования — разработка методики определения концентраций озона в озоновоздушной смеси колориметрическим способом.
МАТЕРИАЛЫ И МЕТОДЫ
Для наших исследований мы опирались на методику, описанную Д.А. Шустовым и Л.А. Бакулиной [11]. Для создания раствора тщательно перемешивали 80 г йодистого калия в 1 литре дистиллированной воды. Затем настраивали озонатор, схема которого представлена на рис. 2, на два режима работы, каждый из которых соответствовал определённой концентрации озоновоздушной смеси.
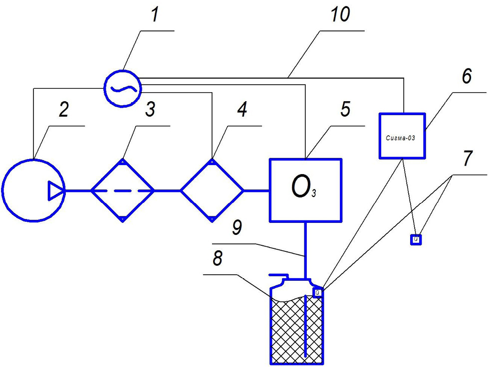
Рис. 2. Схема экспериментальной установки по озонированию посевного материала: 1 — источник переменного тока; 2 — компрессор; 3 — фильтр; 4 — осушитель воздуха; 5 — озонатор; 6 — газоанализатор; 7 — датчики концентрации газа; 8 — емкость; 9 — газопроводы; 10 — электрические линии.
Fig. 2. Scheme of experimental setup for ozonization of seed material: 1 — AC power source; 2 — compressor; 3 — filter; 4 — air dryer; 5 — ozonizer; 6 — gas analyzer; 7 — gas concentration sensors; 8 — container; 9 — gas pipelines; 10 — electrical lines.
После чего часть раствора йодистого калия помещали в барботер и пропускали озоновоздушную смесь в первом режиме с расходом 450 л/ч (рис. 3).
Рис. 3. Аликвота раствора йода после прибавления первых порций тиосульфата натрия
Fig. 3. The effect of an ozone-air mixture on the color of a potassium iodide solution.
Озонирование проводили в несколько этапов по 5, 10, 15 и 20 мин, соответственно. Схема протекания процесса при растворении О3 в KI выглядит следующим образом:
O3 + 6KI + 3HOH = 3I2 + 6KOH, (1)
Затем из каждого образца брали по 100 мл окрашенного раствора и титровали раствором тиосульфата натрия Na2S2O3 до получения соломенно-жёлтой окраски (рис. 4).
Na2S2O3 + 4I2 + 5HOH = 8HI + 2NaHSO4, (2)
Рис. 4. Аликвота раствора йода после прибавления первых порций тиосульфата натрия.
Fig. 4. An aliquot of iodine solution after adding the first portions of sodium thiosulfate.
После этого добавляли 5 мл 0,2% раствора крахмала, который в присутствии йода и йодистого калия дает интенсивное синее окрашивание, и титровали до полного исчезновения окраски (рис. 5). При этом тиосульфат натрия следует приливать осторожно, перемешивая содержимое колбы после каждой прибавленной капли.
Рис. 5. Изменение окраски аликвоты раствора йода после прибавления крахмала (слева) и по окончанию прибавления тиосульфата натрия (справа).
Fig. 5. Color change of the iodine solution aliquot after the addition of starch (left) and at the end of the addition of sodium thiosulfate (right).
Затем опыт повторяли, но уже пропускали озоновоздушную смесь во втором режиме с другой концентрацией озона. Расчёт массы озона определяется из законов эквивалентов.
, (3)
, (4)
где — молярная масса эквивалента O3; — число моль-эквивалент озона, установленного по ОВР; V — объем тиосульфата натрия, полученного в измерении.
РЕЗУЛЬТАТЫ
Результаты экспериментов для 1 и 2 режима работы приведены на рис. 6.
Рис. 6. Зависимости изменения массы озона от объёма пропущенного воздуха.
Fig. 6. The dependence of the change in the mass of ozone on the volume of the passed air.
Из полученных графиков путем математической обработки в программе Microsoft Excel, получаем для 1 режима работы уравнение:
, (5)
а для второго режима
. (6)
Первый множитель отвечает за тангенс угла наклона, связывающего массу с объёмом, и является интересующим значением генерации концентрации озона. Для первого режима концентрация составляет 19,2 мг/м³, для второго — 36,3 мг/м³.
Для создания тест-полосок готовили раствор йодистого калия, пропитывали фильтровальную бумагу в ёмкости, выдерживая до полной пропитки, и сушили при температуре 105 °С, для удаления влаги. Далее полоски помещали в барботер на 1 мин, 5 мин и 10 мин и пропускали поток газовой смеси с концентрацией озона режима 1. Затем брали другие образцы тест-полосок и пропускали уже поток газа с концентрацией, соответствующий режиму 2. Полученные результаты представлены на рис. 7.
Рис. 7. Изменение окраски тест-полосок в процессе определения содержания озона в воздухе: а — тест-полоски с концентрацией озоновоздушной смеси 19,2 мг/м³; b — тест-полоски с концентрацией озоновоздушной смеси 36,3 мг/м³.
Fig. 7. Changing the color of test strips during the determining the ozone content in the air: а — the test strips with the content of the ozone-air mixture of 19.2 mg/m³; b — the test strips with the content of the ozone-air mixture of 36.3 mg/m³.
После чего, в программу «Колориметр» для iOS были загружены полученные фотографии для присвоения каждому цвету суммы сигналов RBG. Полученные результаты представлены в табл. 1.
Таблица 1. Результаты программы «Колориметр»
Table 1. Results obtained with the Colorimeter software
Время озонной | RGB для 19,2 мг/м³ | Сумма RGB | RGB для 36,3 мг/м³ | Сумма RGB |
1 | 221, 214, 186 | 621 | 201, 160, 96 | 457 |
5 | 219, 212, 183 | 614 | 167, 120, 63 | 350 |
10 | 159, 121, 61 | 341 | 160, 120, 64 | 344 |
Из табл. 1 видно, что окраска полосок зависит от времени их экспозиции, т.е., чем выше концентрация озона, тем меньше время экспозиции необходимо для формирования окраски. Для количественного анализа с использованием созданных тест-полосок, время экспозиции может варьироваться от 1 до 10 минут. Для наших целей достаточно 5 минут озонирования, при этом суммарный отклик RGB для концентраций, отличающихся в два раза, так же отличается примерно в два раза.
ЗАКЛЮЧЕНИЕ
Проведённые исследования позволили создать методику определения концентраций озона в озоновоздушной смеси колориметрическим способом. Для концентрационной зависимости необходимо линейное отношение аналитического сигнала от времени экспозиции. Для этого достаточно пяти минут, при этом двукратное изменение концентрации соответствует двукратному увеличению отклика. Полученные тест-полоски позволяют определять концентрацию озона, необходимую для эффективной сушки посевного материала. Это позволяет повысить точность дозирования озона, минимизировать его избыточное использование и обеспечить соответствие технологическим требованиям. Данная методика обладает практической значимостью для агропромышленного комплекса, так как она не только упрощает контроль над процессом озонирования, но и способствует повышению эффективности сушки зерновых культур. Благодаря её применению возможно достижение оптимальных условий обработки, обеспечивающих сохранение посевных качеств материала и сокращение энергозатрат. Предложенный метод открывает перспективы для внедрения современных методов анализа в технологические процессы, что повышает их экологичность, экономическую целесообразность и устойчивость к требованиям современной агропромышленной практики. Однако методика требует дальнейшего совершенствования. Для повышения её универсальности и точности целесообразно: расширить диапазон измеряемых концентраций, оптимизировать состав тест-полосок, оценить устойчивость тест-полосок к внешним факторам. Таким образом, предложенная методика является перспективным инструментом для контроля содержания озона в процессе сушки зерна, однако её доработка и масштабное тестирование позволят значительно расширить область её применения.
ДОПОЛНИТЕЛЬНАЯ ИНФОРМАЦИЯ
Вклад авторов. В.Ю. Кирмасов — проведение исследований, обзор литературы, сбор и анализ литературных источников, создание окончательной версии рукописи и её редактирование; А.А. Звягин — руководство исследованием, создание черновика рукописи и ее доработка, обзор литературы, сбор и анализ литературных источников; И.В. Баскаков — руководство исследованием, редактирование рукописи, обзор литературы, сбор и анализ литературных источников. Все авторы подтверждают соответствие своего авторства международным критериям ICMJE (все авторы внесли существенный вклад в разработку концепции, проведение исследования и подготовку статьи, прочли и одобрили финальную версию перед публикацией).
Источники финансирования. Авторы заявляют об отсутствии внешнего финансирования при проведении исследования и подготовке публикации.
Раскрытие интересов. Авторы декларируют отсутствие явных и потенциальных конфликтов интересов, связанных с проведенным исследованием и публикацией настоящей статьи.
ADDITIONAL INFORMATION
Author contributions. V.Yu. Kirmasov — conducting research, literature review, collection and analysis of literary sources, creation of the final version of the manuscript and its editing; A.A. Zviagin — research management, creation of a draft of the manuscript and its revision, literature review, collection and analysis of literary sources; I.V. Baskakov — research management, editing of the manuscript, literature review, collection and analysis of literary sources. All authors confirm that their authorship meets the international ICMJE criteria (all authors have made a significant contribution to the development of the concept, research and preparation of the article, read and approved the final version before publication).
Funding sources. This study was not supported by any external sources of funding.
Disclosure of interests. The authors declare that they have no competing interests.
About the authors
Vladislav Yu. Kirmasov
Voronezh State Agrarian University named after the Emperor Peter I
Author for correspondence.
Email: vlad.kirmasov@mail.ru
ORCID iD: 0000-0002-8013-2016
SPIN-code: 8839-9882
Postgraduate of the Agricultural Machinery, Tractors and Automobiles Department
Russian Federation, 1 Michurina st, Voronezh, 394087Alexey A. Zviagin
Voronezh State Agrarian University named after the Emperor Peter I
Email: a.a.zviagin@rambler.ru
ORCID iD: 0000-0002-9299-6639
SPIN-code: 4703-8716
Cand. Sci. (Chemistry), Associate Professor, Associate Professor of the Chemistry Department
Russian Federation, 1 Michurina st, Voronezh, 394087Ivan V. Baskakov
Voronezh State Agrarian University named after the Emperor Peter I
Email: vasich2@yandex.ru
ORCID iD: 0000-0001-6041-5943
SPIN-code: 5982-7572
Dr. Sci. (Agriculture), Professor, Professor of the Agricultural Machinery, Tractors and Automobiles Department
Russian Federation, 1 Michurina st, Voronezh, 394087References
- Baskakov IV, Chistokhvalov VV. The influence of ozone on the grain drying process. In: Priority vectors of industrial and agricultural development: materials of the I International Scientific and Practical Conference. April 26, 2018; Makeyevka. 2018;3:31–36. (In Russ.) EDN: UYZXSO
- Geniatulina IA, Zueva ON. Experience and prospects of ozone application in crop production. In: Scientific support for innovative development of the agro-industrial complex of the regions of the Russian Federation: Materials of the international scientific and practical conference, Lesnikovo, February 06, 2018; Lesnikovo. 2018:474–478. (In Russ.) EDN: YRONEU
- Tsokur ES. Application of the ozonation process in agriculture. Colloquium-Journal. 2019;25-1(49):63–64. (In Russ.) EDN ATHMIP
- Shcherbina AA, Zverev IV. Application of technologies using ozone in agriculture. In: Scientific support of the agro-industrial complex: a collection of articles based on the materials of the 72nd scientific and practical conference of students based on the results of research in 2016, February 01, 2017; Krasnodar. 2017;646–648. (In Russ.) EDN: ZAEDUH
- Trotskaya TP, Golubets IE, Litvinchuk AA, et al. Prospects for the use of ozone in bioenergetic processes of drying and preservation of plant materials. In: Scientific and technical progress in agricultural production: Proceedings of the International Scientific and Practical Conference. In 3 volumes, Minsk, October 21–22, 2009; Minsk: Republican Unitary Enterprise “Scientific and Practical Center of the National Academy of Sciences of Belarus for Agricultural Mechanization”. 2009;7–14. EDN: (In Russ.) EDN: URESNY
- Konovalov SA. Features of technology and modern devices for producing ozone. Environmental Bulletin of Donbass. 2023;8:16–21. (In Russ.) EDN: HXHCDE
- Belov EL, Dolgov NR, Vereshchak AV. Technical education of ozone for storage of agricultural products. In: Scientific and educational environment as a basis for the development of the intellectual potential of agriculture in the regions of Russia: Proceedings of the III International Scientific and practical Conference, September 08, 2023; Cheboksary. 2023;288–290 (In Russ.) EDN: ZYTFOQ
- Akinshin KG. Obtaining and application of ozone. In: Science, technology, production. November 25–26, 2015; Stavropol. 2015;11–14. (In Russ.) EDN: VHHUSB
- Agalakova LM, Kosolapov EV, Kuznetsov VN. Aspects of the use of ozonators in medicine. In: Society. Science. Innovations (NPC-2017): collection of articles. All-Russian Annual Scientific and practical Conference, April 01–29, 2017; Kirov. 2017;599–604. (In Russ.) EDN: NTAROL
- Samoilovich VG, Draginsky VL. Perspective designs of ozonators. Water supply and sanitary engineering. 2007;4:33–38. (In Russ.) EDN: HYVBGZ
- Shustov DA, Bakulina LA. A simplified method for determining ozone and nitrogen dioxide in their combined presence in the air. Hygiene and sanitation. 1975;12:69–71. (In Russ.)
Supplementary files










