Determinationturnsamountandcoils scheme connection of the secondary winding a three-phase-multiphase phases number transformer converter
- Authors: Moskalev Y.V.1
-
Affiliations:
- Omsk State Transport University
- Issue: Vol 30, No 1 (2022)
- Pages: 118-129
- Section: Electrical Engineering
- URL: https://journals.eco-vector.com/1991-8542/article/view/100280
- DOI: https://doi.org/10.14498/tech.2022.1.8
- ID: 100280
Cite item
Full Text
Abstract
The article lists various technical devices and systems that require transformer converters of the number of phases. Increasing the number of phases can significantly improve the performance and characteristics of such devices and systems. An approach has been developed to determine the minimum coils number of the secondary winding of a three-phase-multiphase transformer converter, each phase of the secondary winding of which consists of three coils connected in series, one placed on each of the three core rods. The number of turns can be calculated for the secondary winding, the number of phases of which is more than two. An example is considered for determining the number of turns of the coils of the secondary winding of a three-phase-five-phase transformer converter. The diagram of the connection of the secondary winding of such a device is given, the calculation of the total power of the coils of the secondary winding for a given multiphase load connected as a multipath star is performed. A simulation model of a three-phase-five-phase converter has been compiled in the Matlab Simulink simulation environment. The necessary circuit for connecting the windings is implemented using single-phase transformers with different transformation coefficients. Symmetrical five-phase voltage system is obtained as the output data of the model. For a different number of phases of the secondary winding, the values of the coefficient are calculated, which allows us to estimate the number of turns required to form one phase of the secondary winding of the converter. Using this coefficient, the comparison of the number of turns of the coils of the secondary winding of the device with a different number of phases was performed.
Full Text
Среди существующих преобразователей числа фаз на практике часто находят применение трансформаторные преобразователи числа фаз (ТПФ) благодаря их простоте и надежности [1–7].
Такие преобразователи нужны для работы различных технических устройств и систем.
- Преобразовательная техника (выпрямители и инверторы). Как известно, увеличение количества фаз позволяет улучшить качество выпрямленного напряжения и первичного тока преобразователя [8–14], упростить схемы цепей, выравнивающих напряжения и токи при групповом соединении полупроводниковых вентилей.
- Многофазные системы электропередачи. Многофазные линии электропередачи имеют ряд преимуществ по сравнению с трехфазными: увеличение пропускной способности при одинаковом напряжении и сечении проводов, уменьшение электромагнитных полей [15–17] и др.
- Системы электроснабжения и устройства с несимметричной нагрузкой. Для подключения к трехфазной электрической сети общего назначения несимметричных нагрузок используют специальные трансформаторы, например для питания системы тягового электроснабжения железных дорог или подключения к трехфазной сети мощных электрических печей [18–20].
В настоящее время разработано большое количество ТПФ, которые имеют различные конфигурации магнитной системы и схемы соединения обмоток [2–7, 9, 11, 14]. Обмотки ТПФ необходимо соединять в сложные схемы, часто катушки обмоток содержат одну или несколько отпаек, которые также должны быть соединены с другими обмотками и их отпайками, что значительно усложняет сборку, диагностику и ремонт трансформатора [6, 9, 11, 14].
Рассмотрим трехфазно-многофазный ТПФ со схемами соединения первичной и вторичной обмоток (рис. 1).
Рис. 1. Схема соединения обмоток трехфазно-многофазного ТПФ
Активная часть ТПФ состоит из трехстержневого магнитопровода с симметричной трехфазной первичной и многофазной вторичной обмотками. Каждая фаза вторичной обмотки состоит из трех последовательно соединенных между собой катушек, размещенных по одной на каждом из трех стержней сердечника.
Геометрическая сумма ЭДС катушек позволяет получить любую необходимую начальную фазу вектора ЭДС фазной обмотки. Для того чтобы обеспечить многофазную симметричную систему ЭДС на выводах вторичной обмотки ТПФ, нужно определить число витков катушек каждой фазы (Wi), при этом суммарная мощность симметричной многофазной нагрузки должна быть равномерно распределена между катушками, размещенными на трех разных стержнях сердечника, чтобы нагрузка трехфазной сети была симметричной.
При решении задачи приняты следующие допущения: ТПФ идеальный, преобразователь подключен к сети с симметричным трехфазным напряжением.
Расчеты витков катушек вторичной обмотки выполним в относительных единицах:
, (1)
где W2 – число витков катушки вторичной обмотки для обеспечения на ее выводах трансформаторной ЭДС E2; i – номер фазы вторичной обмотки (); m – количество фаз вторичной обмотки ().
Многофазная симметричная система ЭДС будет обеспечена при выполнении условий:
, (2)
где a – комплексный оператор ().
С учетом (1) систему уравнений (2) можно записать:
. (3)
Далее запишем уравнения системы (3) отдельно для действительной и мнимой части комплексных чисел:
(4)
Система уравнений (4) является недоопределенной, т. е. количество уравнений системы (4) равно 2m, число неизвестных 3m. В результате анализа рангов основной и расширенной матриц этой системы было определено, что система совместна и имеет множество решений.
Для определения минимального числа витков катушек вторичной обмотки необходимо решить оптимизационную задачу с использованием следующей целевой функции:
. (5)
При решении оптимизационной задачи с использованием критерия (5) и ограничений (4) для различных значений числа фаз вторичной обмотки определены оптимальные значения количества витков катушек.
Выполнен расчет полной мощности катушек при подключении к выводам вторичной обмотки симметричной многофазной нагрузки. В результате расчета установлено, что суммарные мощности катушек вторичной обмотки, которые размещены на разных стержнях сердечника, не равны между собой.
В табл. 1 приведены значения количества витков катушек в относительных единицах и значения полной мощности каждой катушки при , полная мощность рассчитана при фазных ЭДС многофазной вторичной обмотки, равной В, и проводимости каждой фазы многофазной нагрузки, соединенной в многолучевую звезду, равной См.
Как можно видеть в табл. 1, полные мощности катушек, размещенных на разных стержнях сердечника, не равны между собой, поэтому условий (4), которые позволяют обеспечить симметричную многофазную ЭДС, недостаточно для решения задачи.
Таблица 1. Количество витков и полная мощность катушек вторичной обмотки ТПФ с учетом ограничений (4)
3i-2 | w3i-2, о.е. | S3i-2, ВА | 3i-1 | w3i-1, о.е. | S3i-1, ВА | 3i | w3i, о.е. | S3i, ВА |
1 | 1,00 | 1,00 + j 1,00 | 2 | 0,00 | 0,00 + j 0,00 | 3 | 0,00 | 0,00 + j 0,00 |
4 | 0,00 | 0,00 + j 0,00 | 5 | 0,24 | 0,34 – j 0,02 | 6 | -0,86 | 0,66 + j 1,02 |
7 | -0,47 | 0,66 + j 0,10 | 8 | 0,68 | 0,34 + j 0,90 | 9 | 0,00 | 0,00 + j 0,00 |
10 | -0,47 | 0,10 + j 0,66 | 11 | 0,00 | 0,00 + j 0,00 | 12 | 0,68 | 0,90 + j 0,34 |
13 | 0,00 | 0,00 + j 0,00 | 14 | -0,86 | 1,02 + j 0,66 | 15 | 0,24 | -0,02 + j 0,34 |
ΣS1, ВА | 1,76 + j 1,76 | ΣS2, ВА | 1,70 + j 1,54 | ΣS3, ВА | 1,54 + j 1,70 | |||
Суммарная полная мощность катушек вторичной обмотки, размещенных на трех стержнях сердечника, при симметричной многофазной нагрузке:
; (6)
; (7)
, (8)
где – комплексное значение проводимости фазы нагрузки, соединенной в многолучевую звезду, См.
Уравнения (6)–(8) можно преобразовать следующим образом:
(9)
(10)
(11)
Уравнения (9)–(11) также можно преобразовать, разделив обе части этих уравнений на величину действующего значения фазной ЭДС E2, и записать отдельно для действительной и мнимой части комплексного числа:
(12)
(13)
(14)
(15)
(16)
(17)
С учетом выражений (4) уравнения (12)–(17) являются линейно зависимыми, поэтому для ограничения, при котором обеспечиваются одинаковые суммарные мощности катушек на каждом стержне сердечника, достаточно использовать только два уравнения, например (12) и (13).
Таким образом, для определения количества витков и способа соединения катушек вторичной обмотки преобразователя фаз (см. рис. 1) необходимо решить оптимизационную задачу с критерием (5) и ограничениями:
(18)
Решение оптимизационной задачи можно выполнить с использованием, например, численного метода внутренней точки для любого заданного значения числа фаз [21, 22]. Также можно перейти от задачи условной оптимизации к безусловной, для этого необходимо учитывать ограничения в виде алгебраических выражений и определить независимые переменные с использованием методов безусловной оптимизации [21, 22].
В качестве примера определим число витков и схему соединения вторичной обмотки ТПФ с пятифазной вторичной обмоткой ().
При система линейных алгебраических уравнений, которые устанавливают ограничения (18), состоит из 12 уравнений и 15 неизвестных переменных. В этом случае можно ограничения записать в виде математических выражений (табл. 2), устанавливающих связь между тремя переменными, которые могут быть заданы произвольно, и остальными переменными системы уравнений.
Таблица 2. Математические выражения для учета ограничений при m = 5
i | wi | i | wi | i | wi |
1 | 6 | 11 | |||
2 | 7 | 12 | |||
3 | 8 | 13 | |||
4 | 9 | 14 | |||
5 | 10 | 15 |
Таким образом, для трехфазно-пятифазного ТПФ в критерий (5) входят пятнадцать слагаемых. В этом случае независимыми будут три переменные w9, w12, w15. В результате решения задачи методом безусловной оптимизации определены оптимальные значения количества витков вторичной обмотки трансформатора: w9 = 0,000; w12 = 0,679; w15 = 0,240.
В табл. 3 приведены значения количества витков катушек в относительных единицах и значения полной мощности каждой катушки, рассчитанные с учетом обеспечения одинаковой суммарной полной мощности катушек, размещенных на каждом из трех стержней сердечника преобразователя.
Таблица 3. Количество витков и полная мощность катушек вторичной обмотки ТПФ с учетом ограничений (18)
3i-2 | w3i-2, о.е. | S3i-2, ВА | 3i-1 | w3i-1, о.е. | S3i-1, ВА | 3i | w3i, о.е. | S3i, ВА |
1 | 0,907 | 0,91 + j0,91 | 2 | -0,093 | -0,03 + j0,13 | 3 | -0,093 | 0,13 – j0,03 |
4 | 0,000 | 0,00 + j0,00 | 5 | 0,240 | 0,34 – j0,02 | 6 | -0,858 | 0,66 + j1,02 |
7 | -0,469 | 0,66 + j0,10 | 8 | 0,679 | 0,34 + j0,90 | 9 | 0,000 | 0,00 + j0,00 |
10 | -0,469 | 0,10 + j0,66 | 11 | 0,000 | 0,00 + j0,00 | 12 | 0,679 | 0,90 + j0,34 |
13 | 0,000 | 0,00 + j0,00 | 14 | -0,858 | 1,02 + j0,66 | 15 | 0,240 | -0,02 + j0,34 |
ΣS1, ВА | 1,67 + j1,67 | ΣS2, ВА | 1,67 + j1,67 | ΣS3, ВА | 1,67 + j1,67 | |||
Полная мощность пятифазной нагрузки с одинаковыми проводимостями См и В равна ВА; мощность катушек вторичной обмотки, размещенных на каждом из трех стержней сердечника, ВА.
На рис. 2 приведена схема соединения вторичной обмотки трехфазно-пятифазного ТПФ с рассчитанными значениями витков вторичной обмотки в относительных единицах.
Рис. 2. Схема соединения вторичной обмотки трехфазно-пятифазного ТПФ
При последовательном соединении катушек фазных обмоток необходимо учитывать положительный или отрицательный знак перед значением числа витков соответствующей катушки. Если катушки вторичной обмотки выполнены с одинаковым направлением намотки, то для обеспечения необходимых фазных ЭДС катушки должны быть соединены в различные схемы, например на рис. 2 для .
Для создания на выводах вторичной обмотки ТПФ симметричной пятифазной системы ЭДС с действующим значением 220 В необходимо обеспечить следующие значения ЭДС катушек: Ei = {199,6; 20,4; 20,4; 0; 52,8; 188,8; 103,3; 149,3; 0; 103,3; 0; 149,3; 0; 188,8; 52,8} В.
Выполним расчет потребляемой катушками вторичной обмотки ТПФ мощности для активно-индуктивной симметричной пятифазной нагрузки с проводимостью фаз См.
В табл. 4 приведены значения активной и реактивной мощности, потребляемой (генерируемой) каждой катушкой вторичной обмотки ТПФ.
Таблица 4. Активная и реактивная мощность катушек пятифазной вторичной обмотки ТПФ при фазной ЭДС 220 В и проводимостях фаз (0,01 – j 0,01) См
3i-2 | P3i-2, Вт | Q3i-2, вар | 3i-1 | P3i-1, Вт | Q3i-1, вар | 3i | P3i, Вт | Q3i, вар |
1 | 438,86 | 438,86 | 2 | -16,52 | 61,66 | 3 | 61,66 | -16,52 |
4 | 0,00 | 0,00 | 5 | 164,10 | -8,60 | 6 | 319,90 | 492,60 |
7 | 317,51 | 50,29 | 8 | 166,49 | 433,71 | 9 | 0,00 | 0,00 |
10 | 50,29 | 317,51 | 11 | 0,00 | 0,00 | 12 | 433,71 | 166,49 |
13 | 0,00 | 0,00 | 14 | 492,60 | 319,90 | 15 | -8,60 | 164,10 |
Σ | 806,7 | 806,7 | Σ | 806,7 | 806,7 | Σ | 806,7 | 806,7 |
Активные и реактивные мощности вторичных обмоток, расположенных на стержнях магнитопровода каждой из трех фаз ТПФ, равны между собой (см. табл. 4). Каждая фаза первичной обмотки потребляет из трехфазной сети одинаковые мощности, поэтому преобразователь является симметричной нагрузкой для трехфазной сети.
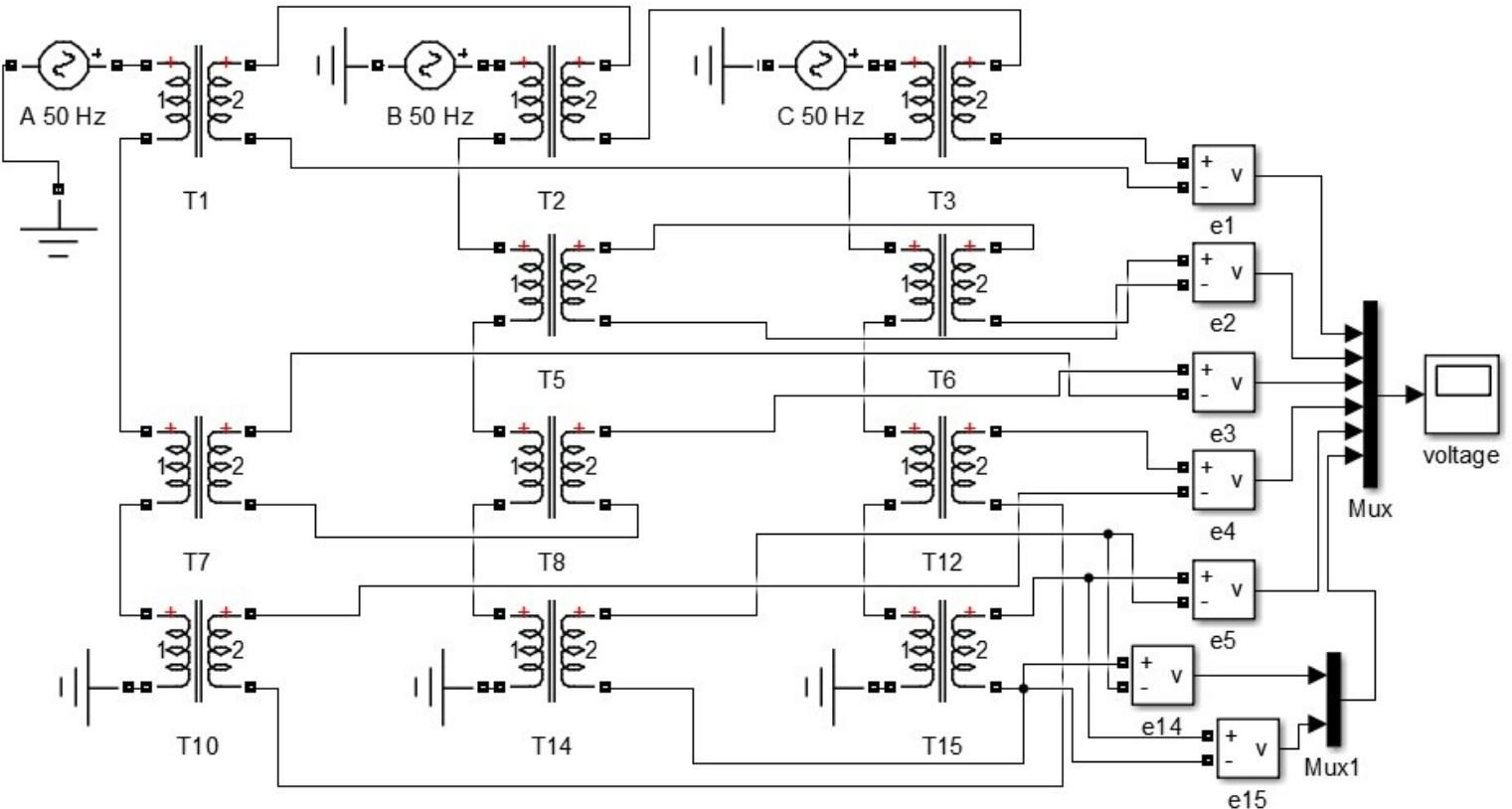
Моделирование преобразователя с заданной схемой соединения обмоток (см. рис. 2) выполнено в программе Matlab Simulink. Схема соединения обмоток трехфазно-пятифазного ТПФ реализована с использованием однофазных трансформаторов, у которых заданы различные коэффициенты трансформации (рис. 3).
Рис. 3. Моделирование трехфазно-пятифазного ТПФ в Matlab Simulink с использованием однофазных трансформаторов
В результате моделирования ТПФ в качестве выходных данных (блок voltage) получена симметричная пятифазная система ЭДС (рис. 4).
Рис. 4. Временные диаграммы ЭДС вторичной обмотки трехфазно-пятифазного ТПФ
На рис. 4 также приведены временные диаграммы ЭДС катушек e14 и e15, обеспечивающие создание ЭДС пятой фазы вторичной обмотки e2.5.
Для сравнения количества витков, которое требуется для формирования одной фазы вторичной обмотки ТПФ с различным числом фаз, можно использовать следующий показатель:
(19)
Коэффициент km показывает, во сколько раз в среднем нужно больше витков для формирования одной фазы вторичной обмотки ТПФ (см. рис. 1) по сравнению с числом витков катушки, размещенной на одном стержне сердечника трансформатора, при одинаковых фазных ЭДС.
На рис. 5 приведены значения коэффициента km, рассчитанные для различного числа фаз вторичной обмотки рассматриваемого преобразователя.
Рис. 5. Коэффициент km для разных значений числа фаз вторичной обмотки ТПФ
При и 6 коэффициент km равен единице. Для ТПФ соответствует обычному трехфазному двухобмоточному трансформатору. Если , то на каждом стержне сердечника размещено по две катушки с одинаковым количеством витков. ЭДС катушек, размещенных на одном стержне, будут в противофазе, что позволяет сформировать две фазы из шести. В результате шесть катушек реализуют шестифазную вторичную обмотку ТПФ.
Наибольшее значение, равное 1,244, рассматриваемый коэффициент принимает для четырехфазной вторичной обмотки. Для коэффициент km равен 1,077, в этом случае у ТПФ в среднем на одну фазу вторичной обмотки нужно больше на 7,7 % витков, чем на фазу трехфазного двухобмоточного трансформатора.
Коэффициент km рассчитан для числа фаз в диапазоне от 3 до 300, значения для приведены на рис. 5, при наибольшее значение коэффициента составило 1,106 ( и 193), наименьшее – 1,1.
На основании изложенного можно сделать следующие выводы.
- Разработан подход для определения минимального количества витков катушек вторичной обмотки трехфазно-многофазного ТПФ, каждая фаза вторичной обмотки которого состоит из трех последовательно соединенных между собой катушек, размещенных по одной на каждом из трех стержней сердечника. Количество витков можно рассчитать для вторичной обмотки, число фаз которой больше двух.
- Рассмотрен пример для определения количества витков катушек вторичной обмотки трехфазно-пятифазного ТПФ, приведена схема соединения вторичной обмотки такого устройства, выполнен расчет полной мощности катушек вторичной обмотки для заданной многофазной нагрузки, соединенной в многолучевую звезду.
- Составлена имитационная модель трехфазно-пятифазного ТПФ в среде моделирования Matlab Simulink, необходимая схема соединения обмоток реализована с использованием однофазных трансформаторов с различными коэффициентами трансформации, в качестве выходных данных модели получена симметричная пятифазная система напряжений.
- Рассчитаны значения коэффициента, с использованием которого выполнено сравнение необходимого числа витков для формирования одной фазы вторичной обмотки трехфазно-многофазного ТПФ. Если число фаз вторичной обмотки находится в диапазоне от 17 до 300, то в среднем на одну фазу вторичной обмотки нужно на 10,6 % больше витков, чем у трехфазного двухобмоточного трансформатора с одинаковыми значениями фазных ЭДС.
About the authors
Yuriy V. Moskalev
Omsk State Transport University
Author for correspondence.
Email: yuriyvm@mail.ru
ORCID iD: 0000-0002-0970-937X
SPIN-code: 1422-1951
Scopus Author ID: 57200088110
PhD (Techn.), Associate Professor
Russian Federation, 35, Marx av., Omsk, 644046References
- Kopylov I.P. Elektricheskie mashiny. M.: Yurajt, 2014. 675 p.
- Hughes A., Drury B. Electric Motors and Drives: Fundamentals, Types and Applications. Burlington: Newnes, 2013. – 440 p.
- Prakash S., Kalpana R., Singh B., Bhuvaneswari G. A 20-Pulse Asymmetric Multiphase Staggering Autoconfigured Transformer For Power Quality Improvement // IEEE Transactions on Power Electronics. 2018. Vol. 33. Issue 2. P. 917–925.
- Singh A., Marti J., Srivastava K. Circuit Reduction Techniques in Multiphase Modelling of Power Transformers // IEEE Transactions on Power Delivery. 2010. Vol. 25. Issue 3. P. 1573–1579.
- Yusoff N., Karim K., Ghani S., Sutikno T., Jidin A. Multiphase Transformer Modelling using Finite Element Method // International Journal of Power Electronics and Drive System. 2015. Vol. 6. No. 1. P. 56–64.
- Grigorev S.N., Suchkov V.A., Filatov V.V., Chumaeva M.V., Soluyanov Y.I. Dvenadcatifaznyj ponizhayushchij avtotransformatornyj preobrazovatel chisla faz. Patent RF, no. 2526093, 2014.
- Karekar S. Modeling and Simulation of Three Phases to Seven Phases Transformer Connection // International Journal for Research in Applied Science and Engineering Technology. 2016. Vol. 4. No. 3. P. 273–280.
- Zinoviev G.S. Silovaya elektronika. M.: Yurajt, 2015. 667 p.
- Shchurov N.I., Myatezh S.V. Sintez i analiz mnogofaznyh ventil'nyh preobrazovatelej. Novosibirsk: NSTU, 2020. 202 p.
- Evdokimov S.A., Shchurov N.I. Strukturnyj sintez mnogofaznyh ventil'nyh preobrazovatelej. Novosibirsk: NSTU, 2010. 424 p.
- Roginskaya L.E., Yalalova Z.I. Determination of electromagnetic power of phase-transforming transformers of conversion devices // Electrical and data processing facilities and systems. 2013. no. 2. Issue 9. P. 18–23.
- Myatezh S.V., Vorfolomeev G.N., Evdokimov S.A., Shchurov N.I. Calculation of installed capacities of findings of transformer converters of the number of phases for multi-pulse rectifiers // Russian Electrical Engineering. 2005. no. 4. P. 28–36.
- Evdokimov S.A., Vorfolomeev G.N., Shchurov N.I., Myatezh S.V. Istochnik postoyannogo napryazheniya s dvadcati chetyrekhkratnoj chastotoj pul'sacii. Patent RF, no. 33277, 2003.
- Paice D. Nine-Phase Step-Up/Step-Down Autotransformer. Patent US, no. 7274280 B1, 2007.
- Zakaryukin V.P., Kryukov A.V. Modelirovanie mnogofaznyh linij elektroperedachi. Irkutsk: IrGUPS, 2014. 168 p.
- Guangye L., Yihan Y. Three-phase-to-four-phase transformer for four-phase power-transmission systems // IEEE Transactions on Power Delivery. 2002. Vol. 17. P. 1018–1022.
- Gershengorn A.I. Multiphase power transmission lines of high and ultrahigh voltage // Electrical stations. 1994. no. 8. P. 67–70.
- Burkov A.T. Elektronika i preobrazovatel'naya tekhnika. Т. 2. M.: FGBOU «Educational and Methodological Center for Education in Railway Transport», 2015. 307 p.
- Kharlamov V.V., Moskalev Y.V., Lysenko V.S. Connection Three-Phase Winding of the Induction Motor to a Single-Phase Electrical Network. IEEE Dynamics of Systems, Mechanisms and Machines (Dynamics), November 2018.
- Ronsin F. Transformateur diphase-triphase. Patent RF, no. 2648612, 1990.
- Bronstein I.N., Semendyaev K.A. Spravochnik po matematike dlya inzhenerov i uchashchihsya vtuzov. M.: Science, 1980. 976 p.
- Borne P., Popescu D., Filip F., Stefanoiu D. Optimization in Engineering Sciences. London: Wiley, 2013. 307 p.
Supplementary files








