Анализ схем преобразователей, применяемых для питания фаз вентильно-индукторных приводов
- Авторы: Смачный В.Ю.1
-
Учреждения:
- Ростовский государственный университет путей сообщения
- Выпуск: Том 30, № 2 (2022)
- Страницы: 100-121
- Раздел: Электротехника
- URL: https://journals.eco-vector.com/1991-8542/article/view/107153
- DOI: https://doi.org/10.14498/tech.2022.2.8
- ID: 107153
Цитировать
Полный текст
Аннотация
Вентильно-индукторный привод (ВИП) является перспективным электромеханическим преобразователем энергии. Он имеет простую конструкцию активной части, надежен в работе, технологичен в изготовлении, обладает высокими энергетическими показателями. Важным элементом ВИП является преобразователь, который регулирует ток фазы. Производительность, размер и стоимость ВИП во многом зависят от выбранного типа и мощности преобразователя.
В статье проведен анализ существующих топологий преобразователей ВИП, характеристик и особенностей работ преобразователей, реализованных по этим топологиям, приведены классификации топологий преобразователей.
Предложена новая одноключевая топология преобразователя, содержащая 2 независимых гальванически развязанных источника постоянного напряжения, 2 конденсатора, диод, полупроводниковый ключ и статорную обмотку фазы вентильно-индукторного двигателя (ВИД), разделенную на 2 полуобмотки. Анализ характеристик показал, что предлагаемая схема обладает всеми достоинствами, необходимыми современному преобразователю ВИП: может быть применена для ВИП с любым количеством фаз; обеспечивает независимое управление фазами; позволяет реализовать 3 основных алгоритма работы преобразователя – возможность формирования всех трех контуров напряжения: положительного, отрицательного, сохранения энергии.
Определена основная область применения преобразователя с новой топологией – это электроприводы механизмов, для которых помимо энергоэффективности актуальны и задачи обеспечения их надежной работы, а также снижения стоимости применяемых на практике технических решений. Повышение надежности достигается за счет возможности осуществить полное резервирование всех компонентов каждой фазы, включая источники питания, при создании электромагнитного момента на валу; снижение стоимости достигается за счет применения одного ключевого элемента на фазу.
Ключевые слова
Полный текст
Вентильно-индукторые электроприводы (ВИП) находят все большее применение в качестве регулируемых энергоэффективных и надежных электроприводов различной мощности [1–4]. ВИП состоит из электрической машины (ВИМ), преобразователя, блока управления и датчика положения ротора. ВИМ является конструктивно самой простой из известных электрических машин, что предопределяет ее высокую надежность. В конструкции ВИМ отсутствуют такие проблемные узлы и материалы, как коллектор, щетки, скользящие контакты, постоянные магниты. По энергоэффективности эти машины превосходят все другие, за исключением машин с высококоэрцитивными постоянными магнитами в пределах (1–2 % КПД). Преобразователи ВИП имеют преимущества перед преобразователями других видов регулируемых приводов. Например, они требуют однонаправленного тока для работы во всех 4 квадрантах, что уменьшает необходимое количество полупроводниковых ключей, однако при этом увеличивается количество вариантов схем питания. Также ВИП имеет особенности использования энергии, запасенной в контуре в процессе электромеханического преобразования [5, 6]. Эта энергия должна быть выведена из обмотки, иначе это приведет к появлению тормозящего момента на следующем такте коммутации и к снижению КПД привода. Система управления ВИП может реализовывать 4 алгоритма работы преобразователя: режим положительного контура, при котором происходит преобразование электрической энергии в механическую; режим нулевого контура, при котором обмотка отключена от источника, а энергия, запасенная в ней, циркулирует по замкнутому контуру и рассеивается на внутреннем сопротивлении элементов; контур сохранения энергии, при котором энергия, запасенная в обмотке, переходит в конденсатор или источник, размагничивая фазу, и может быть использована в дальнейшем; режим отрицательного контура, при котором происходит форсированное размагничивание обмотки обратным током.
Рассмотрим основные схемы преобразователей ВИП.
Наиболее распространенная в настоящее время классификация преобразователей ВИП основывается на подсчете количества полупроводниковых ключей на фазу – q, , 1,5q и 2q ключей, где q – количество фаз ВИМ. Данная классификация разработана Миллером в 1990 г. [8–11].
Одноключевые преобразователи (q ключей на q фаз)
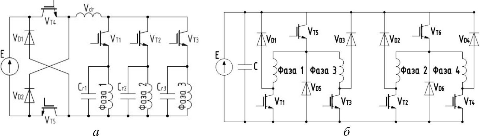
Преобразователь с рассеивающим энергию резистором (рис. 1, а). Режимы работы: открывается ключ VT1 – положительный контур – цепь источник Е – фаза 1 – ключ VT1 – источник Е; ключ VT1 закрывается – нулевой контур – цепь фаза 1 – диод VD – резистор R – фаза 1. Значение сопротивления резистора R определяется исходя из напряжения переключения и мощности, которую необходимо рассеять. Конденсатор С представляет собой демпферный конденсатор, который уменьшает всплеск напряжения во время переходного процесса.
Преимущества преобразователя – наибольшая простота схемы, наименьшая стоимость; недостатки – невозможность реализовать контуры сохранения энергии и отрицательный; не обеспечивается независимая работа фаз; потери в резисторе, что снижает КПД ВИП; значительное время рассеивания энергии.
Преобразователь с бифилярной обмоткой. Каждая фаза ВИМ состоит из двух обмоток: первичной и вторичной (рис. 1, б). Первичная обмотка соединяется со вторичной так, чтобы ток в них протекал в противоположных направлениях, позволяя использовать магнитную энергию одной обмотки для рассеивания энергии в другой. Режимы работы: открывается ключ VT1 – положительный контур – цепь источник Е – фаза 1 – ключ VT1 – источник Е; ключ VT1 закрывается, фаза 1 разряжается, возвращая энергию в источник через магнитосвязанную с ней вторичную обмотку – контур сохранения энергии – цепь фаза 1’ – источник Е – диод VD1 – фаза 1’. Включение следующей фазы невозможно, пока предыдущая фаза находится в процессе размагничивания.
Преимущества преобразователя – малое количество ключей, возможность быстро размагничивать фазу во время коммутации, возможность реализовать контур сохранения энергии. Недостатки – не обеспечивает независимую работу фаз; отсутствует возможность формирования нулевого и отрицательного контуров напряжения; необходимость применения бифилярной обмотки, что увеличивает объем и массу ВИД, снижает удельные показатели; магнитосвязь между обмотками не обеспечивает полную симметрию, что вызывает всплески напряжения во время выключения, высокие пульсации тока и крутящего момента; через ключи во время коммутации фаз протекает двойной ток [12].
Преобразователь с разделением звена постоянного тока имеет 1 ключ и 1 диод на фазу, разработан учеными университета Лидса (Англия) (рис. 1, в). Напряжение на ключах и диодах этого преобразователя равно напряжению источника, напряжение фазы – половина напряжения источника. Режимы работы: открывается ключ VT1 – положительный контур напряжения – цепь конденсатор C1 – VT1 – фаза 1 – конденсатор C1; ключ VT1 закрывается – контур сохранения энергии – цепь фаза 1 – конденсатор С2 – диод VD2 – фаза 1, конденсатор С2 заряжается, фаза 1 размагничивается. Аналогично работают и другие фазы.
Преимущества преобразователя – простая топология, быстрое размагничивание фазы после коммутации, реализованы контуры сохранения энергии и отрицательный. Недостатки – необходима полная симметрия элементов схемы, т. к. дисбаланс в любой фазе приведет к дисбалансу другой фазы, подключенной к ней; фазы не могут работать независимо, уменьшая гибкость управления ВИП; необходимо четное количество фаз; невозможность формирования нулевого контура напряжения; пониженное в 2 раза напряжение на фазе.
Преобразователи с одним ключом и двумя диодами на фазу (q ключей и 2q диодов на q фаз) делятся на 2 типа: со смежной работой фаз (рис. 1, г) и с независимой работой фаз (рис. 1, д).
Рассмотрим работу схемы преобразователя с 1 ключом, 2 диодами и со смежной работой фаз [8, 13]: открыты ключи VT1 и VT4 – положительный контур – цепь источник Е – ключ VT4 – фаза 1 – диод VD5 – ключ VT1 – источник E; ключ VT4 открыт, ключ VT1 закрыт – нулевой контур – цепь фаза 1 – диод VD5 – диод VD1 – ключ VT4 – фаза 1; ключи VT1, VT4 закрываются – контуры сохранения энергии и отрицательный – цепь фаза 1 – диод VD5 – диод VD1 – источник Е – диод VD4 – фаза 1. Для активации фазы 2 необходимо открыть ключи VT1, VT2 (цепь источник Е – ключ VT2 – фаза 2 – диод VD6 – ключ VT1 – источник E), следовательно, невозможно обеспечить одновременно режим нулевого контура для фазы 1 и положительного контура для фазы 2, что является недостатком данной топологии преобразователя. Кроме того, данная топология допускает высокие значения токов на ключе и требует четного числа фаз машины.
Рассмотрим работу схемы преобразователя с 1 ключом, 2 диодами на фазу и независимой работой фаз: открыт ключ VT1 – положительный контур – цепь источник Е – диод VD3 – фаза 1 – ключ VT1 – источник Е; ключ VT1 отключают; энергия, запасенная в обмотке фазы 1, через диод VD4 поступает на положительно заряженную обкладку конденсатора C3 (отрицательно заряженная обмотка конденсатора C3 подключена к минусу источника E), заряжая ее выше напряжения источника. ЭДС, наведенная в фазе 1, может в 2 раза превышать напряжение источника Е. Энергия, сохраненная в конденсаторе C3, используется для подмагничивания фазы 3 во время ее работы; т. к. напряжение конденсатора будет больше напряжения источника Е, это позволит ускорить нарастание тока на фазе 3 и повысить эффективность ВИМ. Остальные фазы работают аналогично: энергия фазы 2 используется для подмагничивания фазы 1, фазы 3 – для фазы 2.
Рис. 1. Схемы одноключевых преобразователей (q ключей на q фаз): а – схема преобразователя ВИП с подавляющим резистором в 3-фазном исполнении; б – схема преобразователя ВИП с бифилярной обмоткой в 3-фазном исполнении; в – схема преобразователя ВИП с разделенным звеном постоянного тока в 4-фазном исполнении; г – схема преобразователя с одним полупроводниковым ключом, двумя диодами и со смежной работой фаз в 4‑фазном исполнении; д – схема преобразователя с одним полупроводниковым ключом, двумя диодами и независимой работой фаз в 3-фазном исполнении
Преимущества преобразователя: используется 1 ключ на фазу; обеспечивает независимое управление фазами ВИД; энергия, передаваемая конденсаторам во время коммутация фаз машины, используется для увеличения тока при включении другой фазы, что обеспечивает увеличение частоты вращения и момента на валу ВИД. Недостатки: не реализуются алгоритмы отрицательного и нулевого контуров напряжения; величина напряжения на ключах и диодах VD1, VD2 и VD3 может в 2 раза превосходить напряжение источника; эта схема преобразователя не подходит для генераторного режима, так как энергию, сохраненную в конденсаторах, сложно рекуперировать в источник.
Преобразователи с (q + 1) ключами на q фаз
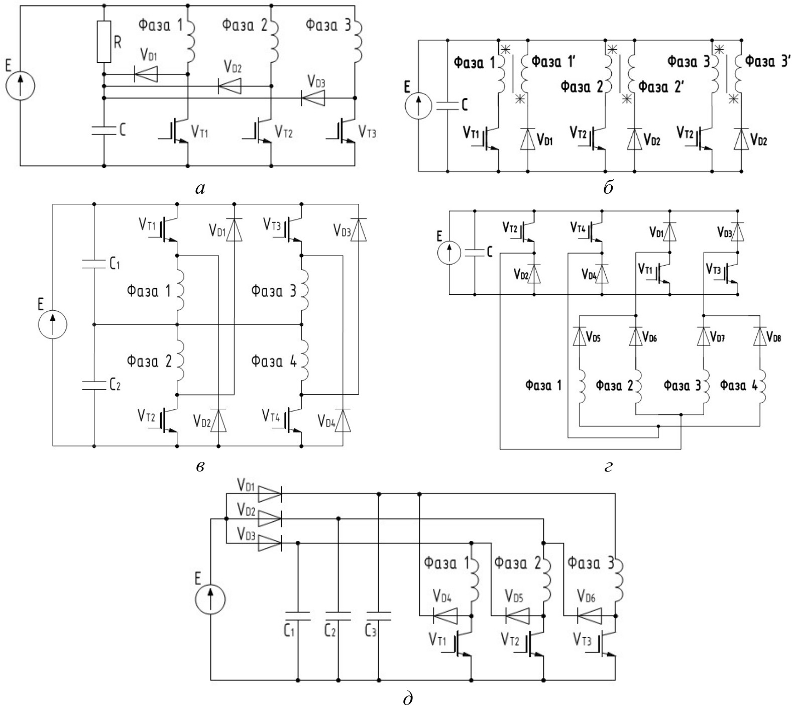
Преобразователь с двойным размагничиванием (рис. 2, а) разработан на основе преобразователя с рассеивающим резистором, имеет дополнительный ключ VT4, подключенный параллельно резистором в цепь нулевого контура. Производительность преобразователя улучшается за счет управления ключом VT4 c целью уменьшения потери энергии в резисторе во время работы в режиме нулевого контура (обеспечивая достаточно медленное размагничивание и экономию энергии), часть периода – через резистор (обеспечивая форсированное размагничивание фаз). Наличие дополнительного ключа усложняет механизм управления.
Несмотря на улучшение, эффективность этого преобразователя по-прежнему низка, он подходит для низковольтных и низкопроизводительных приводов, где стоимость является основным фактором. Преобразователю присущи все недостатки преобразователя с рассеивающим резистором.
Преобразователь с общим ключом на 2 фазы (преобразователь Поллока) (рис. 2, б). Рассмотрим схему работы: ключи VT1, VT2 открыты – положительный – цепь источник Е – ключ VT1 – фаза 1 – ключ VT2 – источник Е; закрывается один из ключей VT1 или VT2 – нулевой контур – цепь фаза 1 – ключ VT2 – диод VD1 – фаза 1 или фаза 1 – диод VD2 – ключ VT1 – фаза 1; ключи VT1, VT2 закрыты – контуры сохранения энергии и отрицательный – цепь фаза 1 – диод VD2 – источник Е/конденсатор С – диод VD1 – фаза 1. Другие фазы работают аналогично: для управления фазой 2 используются ключи VT2 – VT3 и диоды VD2 – VD3, фазой 3 – ключи VT3 – VT4 и диоды VD3 – VD4. Ключи VT2 – VT3, диоды VD2 – VD3 работают на
2 фазы, что увеличивает их номинальные токи и ограничивает независимый контроль тока фаз.
Достоинство преобразователя – возможность реализации в ВИД с любым количеством фаз. Недостатки – схема обеспечивает ограниченные возможности управления током во время перекрытия фаз и не обеспечивает независимую работу фаз; схема предъявляет жесткие требования к драйверам системы управления и источнику по сравнению с другими топологиями преобразователей, т. к. имеет менее q ключей, подключенных эмиттером к минусу источника, а не q ключей, как в других топологиях.
Преобразователи с накопительным конденсатором разделяются на 3 подгруппы – классические преобразователи с накопительным конденсатором, модифицированные и энергоэффективные.
Классический преобразователь с накопительным конденсатором. В этом преобразователе накопленная в фазе энергия отводится на конденсатор Cd для ее размагничивания (рис. 2, в). Затем энергию конденсатора рекуперируют в источник. Рассмотрим работу данной схемы. Фаза 1 получает питание после открытия ключа VT1 – положительный контур – цепь источник Е – фаза 1 – ключ VT1 – источник Е. Если ток в фазе превышает опорный для диода VD1, он открывается, происходит зарядка конденсатора Сd, ток в фазе спадает. После закрытия ключа VT1 энергия, запасенная в фазе 1, заряжает конденсатор Сd напряжением значительно выше напряжения источника Е по цепи фаза 1 – диод VD1 – конденсатор Сd – источник Е – фаза 1 [14].
Рекуперация энергии реализуют так: открывается ключ VTr, излишек накопленной в конденсаторе энергии заряжает источник Е по цепи конденсатор Сd – ключ VTr – индуктор Lr – источник Е – конденсатор Сd, но система управления отслеживает, чтобы напряжение конденсатора Сd оставалось выше напряжения источника. Цепь рекуперации включается при включенных фазах во избежание больших фазных токов. Оставшийся излишек энергии конденсатора Сd используется на следующем такте коммутации для подмагничивания следующей фазы по цепи конденсатор Сd – ключ VTr – индуктор Lr – фаза 2 – ключ VT2 – конденсатор Сd. Затем ключ VTr закрывается и происходит накопление энергии фазы 2. Ключ VTr работает на частоте, превышающей частоту ключей VT1 – VT3.
Достоинства преобразователя: имеет небольшое количество ключей и при этом обеспечивает независимый контроль тока фазы, возможность рекуперации части энергии, достаточно быстрое размагничивание фаз. Классический преобразователь с накопительным конденсатором – хорошее решение для высокопроизводительных низковольтных ВИП, где использование конденсатора и индукторов не является проблемой, а стоимость не имеет значения. Недостатки: напряжение конденсатора Сd поддерживают значительно выше напряжения источника (для форсированного размагничивания одной фазы и намагничивания другой), что значительно увеличивает номинальное напряжение всего преобразователя; энергия, циркулирующая между Cd и элементами VTr, Lr и VDr, приводит к дополнительным потерям и снижению КПД ВИП; не имеет алгоритмов нулевого и отрицательного контуров; необходимость мониторинга напряжения конденсатора Сd и управление ключом VTr делают систему управления сложной.
Эти проблемы решаются в модифицированном преобразователе с накопительным конденсатором (преобразователь с накопительным конденсатором и нулевым контуром). Схема предполагает исключение из преобразователя с накопительным конденсатором индуктора Lr и диода VDr, подсоединение ключа VTf через диод VDs к источнику Е (рис. 2, г). Исключение индуктора и диода из схемы позволяет значительно снизить ее стоимость. В этой схеме отсутствует алгоритм рекуперации энергии в источник, а энергия, сбрасываемая в конденсатор, используется непосредственно следующей фазой [15].
Рассмотрим режимы работы преобразователя.
Режим 1 – положительный контур – открыт ключ VТ1, цепь источник Е – диод VDs – фаза 1 – ключ VT1 – источник Е.
Режим 2 – когда ток фазы 1 превышает опорное значение тока диода VD1, диод начинает проводить и происходит зарядка конденсатора Cd. Когда напряжение конденсатора Cd сравнивается с напряжением источника Е, ключ VT1 закрывается, а ключ VTf открывается, ток начинает течь по цепи фаза 1 – диод VD1 – VTf – фаза 1 и затухать на внутреннем сопротивлении контура (нулевой контур). Режим 3 – ключ VT1 закрыт, ключ VTf закрывается, фаза 1 отключается от источника Е; энергия, накопленная в обмотке фазы, заряжает конденсатор Cd напряжением выше напряжения источника, фаза 1 достаточно быстро размагничивается. Режим 4 – ключи VT2 и VTf открываются, ток циркулирует по цепям источник Е – диод VDs – фаза 2 – ключ VT2 – источник Е (положительный контур) и конденсатор Сd – ключ VTf – фаза 2 – ключ VT1 – конденсатор Сd. Таким образом, конденсатор Сd обеспечивает подмагничивание следующей фазы выше напряжения источника. Далее цикл повторяется. Во всех режимах обеспечивается независимое управление фазами, за исключением режима 3 – режима размагничивания фазы. Включение VTf в этом режиме остановит размагничивание на фазе 1, что вызовет падение КПД и негативные тормозные моменты.
Преимущества преобразователя: реализует алгоритмы контуров сохранения энергии, положительного, нулевого; энергию, сохраненную конденсатором Cd, можно использовать для увеличения крутящего момента на высоких частотах вращения, где напряжения источника недостаточно для обеспечения быстрого нарастания тока; система управления в этом преобразователе проще и компактнее, чем в классическом преобразователе с накопительным конденсатором. Недостатки: нагрузка на ключ VTf выше, чем на VT1 – VT3; необходимость одновременной работы ключа VTf и ключа фазы ограничивает гибкость управления, приводит к достаточно большему времени коммутации, возникновению тормозного момента, увеличению шума; нет алгоритма отрицательного контура.
Энергоэффективный преобразователь с накопительным конденсатором [10] также сбрасывает энергию в конденсатор для непосредственного питания фазных обмоток, но поддерживает его напряжение на уровне напряжения источника (в других схемах преобразователей с накопительным конденсатором напряжение конденсатора может в 2 раза превышает напряжение источника), что сильно упрощает систему управления преобразователя (рис. 2, д).
Рассмотрим режимы работы преобразователя. Режим 1 – в начальный момент конденсатор Сd заряжен и после открытия ключей VTd и VT1 начинает питать фазу 1 по цепи конденсатор Cd – ключ VTd – фаза 1 – ключ VT1 – конденсатор Сd, пока его напряжение не спадет до уровня напряжения источника. Далее источник через блокирующий диод VDb начинает подпитывать фазу 1 энергией по цепи источник Е – диод VDb – фаза 1 – ключ VT1 – источник Е (положительный контур). Режим 2 – ключ VTd открыт, ключ VT1 закрыт – нулевой контур – ток циркулирует по цепи фаза 1 – диод VD1 – VTd – фаза 1. Режим 3 – ключи VTd и VT1 закрыты – контур сохранения энергии – энергия, накопленная в обмотке фазы, заряжает конденсатор Cd, цепь фаза 1 – диод VD1 – конденсатор Сd – диод VDс – фаза 1, фаза 1 достаточно быстро размагничивается. Режим 4 – в то время как фаза 1 размагничивается, фазу 2 можно намагнитить, включив VT2. В течении этого периода ток через фазу 2 поддерживается на командном значении путем сброса любой дополнительной энергии в конденсатор.
Преимущества преобразователя: реализует алгоритмы контуров сохранения энергии, положительного и нулевого; поддерживается напряжение конденсатора на уровне напряжения источника, что значительно упрощает систему управления. Недостатки – не имеет алгоритма отрицательного контура.
Преобразователь Миллера (рис. 2, е). Рассмотрим режимы работы преобразователя. Режим 1 – открыты ключи VT1 и VT2 – положительный контур – цепь источник Е – ключ VT1 – фаза 1 – ключ VT2 – источник Е. Ключи VT1 и VT2 могут закрываться одновременно или поодиночке. Режим 2 – VT1 и VT2 закрываются одновременно – контуры сохранения энергии и отрицательный – цепь фаза 1 – диод VD2 – конденсатор С – диод VT4 – фаза 1. Режим 3 – VT1 открыт, VT2 закрыт – нулевой контур – цепь фаза 1 – диод VD1 – ключ VT1 – фаза 1; VT1 закрыт, VT2 открыт – нулевой контур – цепь фаза 1 – ключ VT2 – диод VD4 – фаза 1.
Достоинства преобразователя: малое количество ключей, малая стоимость; реализует все режимы работы; обладает повышенной энергоэффективностью; обладает полной функциональностью в 4 квадрантах; обеспечивает одинаковое, равное источнику, напряжение на всех устройствах. Этот преобразователь применяется для высоковольтных приводов, где стоимость является основным фактором, а пульсации крутящего момента не очень важны. Недостатки – невозможность работы с перекрытием фаз, что приводит к высокой пульсации крутящего момента; на высоких частотах вращения следующая фаза не может быть быстро включена, т. к. общий ключ VT1 закрыт и происходит размагничивание предыдущей фазы; общий ключ VT1 работает для всех фаз.
Преобразователи с общим ключом и преобразователи Миллера имеют схожие преимущества, но не обеспечивают независимость фаз ВИМ и их работу с перекрытием; преобразователи с накопительным конденсатором и его модификация с нулевым контуром позволяют обеспечить независимое управление фазами ВИМ, но имеют высокое рабочее напряжение. Эти недостатки затрудняют применение этих преобразователей. На рис. 2, ж представлена одна из схем преобразователя, не имеющая этих недостатков при сохранении ключей на q фаз, называющаяся преобразователем c минимальным количеством ключей и повышенным входным напряжением; на рис. 2, з – вторая схема – преобразователь c минимальным количеством ключей и повышенным импульсным входным напряжением.
В преобразователе c минимальным количеством ключей и повышенным входным напряжением ключ VTc, диод VDc, индуктор Lc и конденсатор Cc образуют ступень коррекции напряжения. Эта ступень изменяет напряжение источника Udc на напряжение Ui, которым питаются обмотки ВИМ и которое позволяет минимизировать потери при коммутации (например, создать одноимпульсный режим). Алгоритм работы преобразователя приведен в таблице.
Режимы работы преобразователя c минимальным количеством ключей и повышенным входным напряжением
Режим | VTc | VDc | iс | VT1 | VD1 | i1 |
1 | Открыт | Закрыт | >0 | Закрыт | Закрыт | 0 |
2 | Закрыт | Проводит | >0 | Закрыт | Закрыт | 0 |
3 | Закрыт | Закрыт | 0 | Закрыт | Закрыт | 0 |
4 | Открыт | Закрыт | >0 | Открыт | Закрыт | >0 |
5 | Открыт | Закрыт | >0 | Закрыт | Проводит | >0 |
6 | Закрыт | Проводит | >0 | Закрыт | Проводит | >0 |
7 | Закрыт | Закрыт | 0 | Закрыт | Проводит | >0 |
8 | Закрыт | Проводит | >0 | Открыт | Закрыт | >0 |
9 | Закрыт | Закрыт | 0 | Открыт | Закрыт | >0 |
В начальный момент времени открыт ключ VTc, ток течет по контуру источник Е – ключ VTc – индуктор Lc – конденсатор Сc – источник Е, конденсатор Сс заряжается (режим 1). Затем ключ VTc закрывается, обмотка индуктора Lс размагничивается по цепи индуктор Lc – конденсатор Сc – диод VDc – индуктор Lc, конденсатор Сс заряжается (режим 2–3). Затем открываются ключи VTc и VT1, по фазе 1 начинает протекать ток – цепь источник Е – ключ VTc – индуктор Lc – фаза 1 – ключ VT1 – источник Е (режим 4, положительный контур), конденсатор Сс дополнительно подмагничивает фазу 1 по цепи конденсатор Сc – фаза 1 – ключ VT1 – конденсатор Сc. Затем ключ VT1 закрывается; энергия, запасенная в фазе 1, циркулирует по контуру фаза 1 – диод VD1 – ключ VTс – индуктор Lc – фаза 1 (режим 5, нулевой контур). Во время режимов 6–7 все ключи закрываются, происходит размагничивание индуктора по цепи индуктор Lc – конденсатор Сc – диод VDc – индуктор Lc, в обмотке фазы 1 остается запасенная энергия. Затем открывается ключ VT1, ток начинает протекать по контуру конденсатор Сc – фаза 1 – ключ VT1 – конденсатор Сc, суммируется с током, возникающим в фазе 1, заряжает источник Е и конденсатор Сd по цепи фаза 1 – диод VD1 – источник Е/конденсатор Сd – ключ VT1 – фаза 1. Другие фазы работают аналогично.
Преимущества преобразователя: простота при обеспечении полной функциональности в 4 квадрантах и независимой работе фаз ВИМ; возможность реализации одноимпульсного режима работы за счет изменения входного напряжения Ui, что снижает потери при коммутации, приводит к повышению эффективности ВИП; конфигурация преобразователя позволяет осуществить автоматическое регулирование тока в фазах ВИП; возможность реализации бездатчиковой системы управления. Недостатки – напряжение коммутации ниже по сравнению с конфигурацией с 2 ключами на фазу; эффективность преобразователя в целом ниже, чем у преобразователей с другими схемами, из-за наличия ступени коррекции напряжения; схема реализует эффективный генераторный режим, но не имеет алгоритма отрицательного контура. Эта схема преобразователя подходит для ВИП недорогих, высокопроизводительных механизмов.
Преобразователь c минимальным количеством ключей и с повышенным импульсным входным напряжением: ключ VTc, диод VDc, индуктор L, выходной конденсатор C образуют ступень коррекции напряжения. Напряжение Ui ВИМ можно варьировать от нуля до 2Udc и более для получения желаемого входного напряжения на обмотках ВИМ. Фаза 1 получает питание после открытия ключа VT1 – по цепи «конденсатор С – фаза 1 – конденсатор С» протекает ток i1 напряжением Ui. Затем ключ VT1 закрывают и остаточный ток в фазе 1 заряжает источник Е и конденсатор Сd по цепи фаза 1 – диод VD1 – источник Е/конденсатор Сd – фаза 1 независимо от состояния ключа VTc. В это время может быть открыт ключ VT2 и питание получит фаза 2 – так в схеме обеспечивается независимая работа фаз. Для зарядки конденсатора С открывают ключ VTc, и ток начинает циркулировать по контуру источник E – ключ VTc – индуктор L – источник E, затем ключ VTc закрывается и энергия, запасенная в индукторе, заряжает конденсатор С по цепи индуктор L – конденсатор С – диод VDc – индуктор L.
Преимущества преобразователя: входное напряжение на фазах ВИМ может быть увеличено сверх напряжения источника, чтобы ускорить нарастание тока в фазах машины; схема позволяет реализовать работу ВИП в генераторном режиме. Недостатки – нет алгоритмов нулевого и отрицательного контуров.
Топологии преобразователей, приведенные выше, являются топологиями с «жесткой» коммутацией, т. к. во время переключения ключей токи ненулевые. Если в момент коммутации ток или напряжение равны нулю, то потери в ключах преобразователя равны нулю, а преобразователь называются резонансным. Такие преобразователи могут работать на высоких частотах, т. к. потери при коммутации очень малы. Недостаток этих преобразователей – номинальное напряжение в несколько раз больше, чем напряжение источника, из-за действия резонансного контура. На рис. 2, и приведен резонансный преобразователь, разработанный на основе преобразователя с накопительным конденсатором.
Рис. 2. Схемы преобразователей с (q + 1) ключами на q фаз: а – схема преобразователя с двойным размагничиванием в 3-фазном исполнении; б – схема преобразователя с общим ключом на 2 фазы в 3-фазном исполнении; в – схема преобразователя с накопительным конденсатором в 3-фазном исполнении; г – схема модифицированного преобразователя с накопительным конденсатором в 3-фазном исполнении; д – схема энергоэффективного преобразователя с накопительным конденсатором в 3-фазном исполнении; е – схема преобразователя Миллера в 3-фазном исполнении; ж – схема преобразователя c минимальным количеством ключей и повышенным входным напряжением в 3-фазном исполнении; з – схема преобразователя c минимальным количеством ключей и повышенным импульсным входным напряжением в 3-фазном исполнении; и – схема резонансного преобразователя с накопительным конденсатором в 3-фазном исполнении; к – резонансный преобразователь в 3-фазном исполнении
Резонансная часть схемы состоит из индуктора Lr, конденсатора Cr, ключа VTr и диода VDr. Фазы ВИМ соединены последовательно с ключами VT1 – VT3, диоды VD4 – VD5 управляют током фаз во время коммутации и рекуперируют избыточный ток резонансной схемы в источник Е.
Рассмотрим режимы работы преобразователя. Режим 1 – открыт ключ VT1 положительный контур – цепь источник Е – ключ VT1 – фаза 1 – источник Е. Режим 2 – закрытие VT1, остаточный ток фазы заряжает конденсатор Cr по цепи фаза 1 – диод VDr – конденсатор Cr – диод VD1 – фаза 1. Режим 3 – резонансный режим. При открытии ключа VTr конденсатор Cr и индуктор Lr соединены последовательно, что приводит к возникновению резонанса напряжений. Энергия, запасенная в конденсаторе Сr, переносится в индуктор Lr, диоды VD1 – VD3 и VDr находятся в режиме проводимости, ток течет от индуктора Lr к фазе 1 (по цепи индуктор Lr – ключ VTr – диод VD1 – фаза 1 – диод VDr – индуктор Lr), к источнику Е (по цепи индуктор Lr – ключ VTr – диод VD1 – фаза 1 – диод VD4 – источник Е – диод VDr – индуктор Lr). Ток, подаваемый на источник Е, – это избыточный ток, превышающий ток фазы. Во время резонанса полярность на конденсаторе Cr меняется на обратную, что способствует поглощению тока фазы при коммутации ключа VT1. Выключение ключей осуществляется при нулевом напряжении, т. к. диод VD1 открыт в течение периода восстановления энергии, что позволяет устранить потери при переключении фаз. Конденсатор Cr выбирается на напряжение, в 2–3 раза превышающее напряжение источника Е, что позволяет ему оперативно размагнитить фазу.
Резонансный преобразователь с (q + 2) ключами на q фаз (рис. 3, а). Конденсаторы Cr1 – Cr3 и индуктор Ldr составляют резонансную цепь. Схема частично резонансная, напряжение конденсатора Cr колеблется вблизи значений напряжения источника Udc, а ток индуктора Ldr резонирует от нуля до полного фазного тока во время каждого резонансного цикла.
Принцип работы преобразователя. Система управления открывает ключи VT4, VT1 и VT5. Резонансный ток начинает течь через индуктор Ldr, т. к. напряжения конденсатора Cr1 и источника Е равны. Режим продолжается до тех пор, пока резонансный ток через индуктор Ldr не станет равным нулю и ключи VT4, VT1 и VT5 не закроются. После этого конденсатор Cr1 начинает разряжаться через обмотку фазы, поскольку ее индуктивность намного выше, чем у индуктора Ldr. После того как разрядка конденсатора окончена, запитывается фаза 1: ключи VT4, VT1 и VT5 открыты, цепь источник Е – ключ VT4 – ключ VT1 – фаза 1 – ключ VT5 – источник Е. После закрытия ключей VT4 и VT5 происходит зарядка обратной полярностью конденсатора (цепь «фаза 1 – конденсатор Cr – фаза 1») и зарядка источника Е (цепь фаза 1 – диод VD1 – источник Е – диод VD2 – индуктор Ldr – ключ VT1 – фаза 1). Далее алгоритм повторяется. Преимущества преобразователя – высокая эффективность, низкое напряжение на ключах и простая конфигурация. Однако использование резонансных конденсаторов и индуктора, а также дополнительного ключа увеличивает стоимость преобразователя.
Преобразователи с 1.5q ключами на q фаз
Преобразователь с 1.5q ключами на q фаз и независимым контролем тока фазы (рис. 3, б) требует 3 ключа и 3 диода для 2 фаз и подходит только для ВИП с четным числом фаз. Ключи VT5 и VT6 работают для двух фаз и, соответственно, в 2 раза дольше ключей VT1 – VT4.
Режимы работы преобразователя [16]. Режим 1 – открыты ключи VT5, VT1 – положительный контур – цепь источник Е – ключ VT5 – фаза 1 – ключ VT1 – источник Е. Режим 2 – ключ VT5 закрыт, ключ VT1 открыт – нулевой контур – цепь фаза 1 – ключ VT1 – диод VD5 – фаза 1. Режим 3 – ключи VT5 и VT1 закрыты – отрицательный контур – цепь фаза 1 – диод VD1 – источник Е – диод VD5 – фаза 1.
Такая топология преобразователя и группировка фаз по две гарантируют их независимый контроль и позволяют реализовать все алгоритмы работы.
Рис. 3. Схемы преобразователей с (q + 2) ключами на q фаз и 1.5q ключами на q фаз: а – схема резонансного преобразователя с (q + 2) ключами на q фаз в 3‑фазном исполнении; б – схема преобразователя с 1.5q ключами на q фаз и независимым контролем тока фазы в 4-фазном исполнении
Преобразователи с 2q ключами на q фаз
Асимметричный (полумостовой, классический) преобразователь (рис. 4, а) имеет 2 ключа и 2 диода на фазу. При этом «верхний» ключ отвечает за выбор рабочей фазы, а «нижний» – за режим размагничивания.
Рассмотрим режимы работы преобразователя. Режим 1 – ключи VT1, VT2 открыты – положительный контур – цепь источник Е – ключ VT1 – фаза 1 – ключ VT1 – источник Е. Далее могут быть применены две стратегии управления: режим 2 и режим 3. Режим 2 – ключ VT1 закрыт, ключ VT2 открыт – нулевой контур – цепь фаза 1 – ключ VT2 – диод VD1 – фаза 1. Режим 3 – ключи VT1 и VT2 одновременно закрываются – контуры сохранения энергии и отрицательный – цепь фаза 1 – диод VD2 – конденсатор С / источник Е – диод VD1 – фаза 1.
Преимущества преобразователя: большая гибкость в управлении; возможность реализовать все режимы работы; фазы управляются независимо: если фаза ВИД повреждена, привод может продолжить работать с пониженной мощностью, чем обеспечивается максимальная отказоустойчивость; максимальные напряжения на элементах равны напряжению источника питания; обеспечивает большую скорость падения и нарастания тока; может быть развернут на любое количество фаз; позволяет реализовать генераторный режим работы; создает наименьший шум. Недостаток – стоимость, она увеличивается из-за применения двух ключей на фазу. За счет своих преимуществ асимметричный преобразователь получил наибольшее распространение в ВИП.
Сохранять энергию, запасенную в цепях ВИМ, проще применяя конденсаторы, т. к. эта энергия в дальнейшем может быть возвращена в фазу без использования дополнительных элементов. Преобразователи ВИП подразделяются на одноконденсаторные и мультиконденсаторные. Если напряжение конденсатора не контролируется во время зарядки и разрядки, то этот тип преобразователя называется пассивным, если контролируется – то активным.
Так, асимметричный мультиконденсаторный преобразователь с пассивным последовательным (разрядным) конденсатором (рис. 4, б) содержит дополнительный, соединенный последовательно с обмотками, повышающий конденсатор, который в момент отключения фаз заряжается остаточным током, размагничивая фазу. В момент включения фазы разрядный конденсатор позволяет создать импульс напряжения.
В асимметричном мультиконденсаторном преобразователе с пассивным параллельным (ударным) конденсатором (рис. 4, в) добавляется повышающий конденсатор, подключенный параллельно обмоткам и обеспечивающий возможность повышения напряжения. Диод VDa позволяет остаточной энергии фазы заряжать только ударный конденсатор Cb, следовательно, невозможно рекуперировать энергию в источник. В момент включения фазы напряжение ударного конденсатора подается на фазу. Данная схема обеспечивает большее повышенное напряжение, чем схема с последовательным пассивным конденсатором. Схема с последовательным пассивным конденсатором обеспечивает меньшее время размагничивания фазы, а схема с параллельным пассивным конденсатором – меньшее время намагничивания фазы. В этих схемах максимальное повышенное напряжение достигается подбором емкости конденсатора. Асимметричный мультиконденсаторный преобразователь с пассивным сериесно-параллельным конденсатором (рис. 4, г) содержит конденсатор. В нем напряжение намагничивания равно напряжению источника, а напряжение размагничивания в 2 раза превышает напряжение источника. Высокое напряжение размагничивания уменьшает время спадания тока, что позволяет увеличить время активности фазы.
Однако в 3 приведенных выше схемах пассивных преобразователей процесс зарядки-разрядки конденсатора не контролируется. На рис. 4 представлены схемы асимметричных мультиконденсаторных преобразователей с активными последовательным (рис. 4, д), сериесно-параллельным (рис. 4, е) и параллельным (рис. 4, ж, з) конденсаторами. Данные схемы работают аналогично соответствующим схемам асимметричных мультиконденсаторных преобразователей с пассивными конденсаторами, но ключ VTa позволяет контролировать процессы зарядки и разрядки конденсаторов, увеличивая гибкость системы управления ВИП.
Рис. 4. Схемы преобразователей с 2q ключами на q фаз: а – схема симметричного (полумостового) преобразователя в 3-фазном исполнении; б – схема асимметричного мультиконденсаторного преобразователя с пассивным последовательным конденсатором; в – схема асимметричного мультиконденсаторного преобразователя с пассивным параллельным конденсатором; г – схема асимметричного мультиконденсаторного преобразователя с пассивным сериесно-параллельным конденсатором; д – схема асимметричного мультиконденсаторного преобразователя с активным последовательным конденсатором; е – схема асимметричного мультиконденсаторного преобразователя с активным сериесно-параллельным конденсатором; ж, з – схемы асимметричных мультиконденсаторных преобразователей с активными параллельными конденсаторами
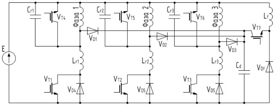
Квазирезонансный преобразователь (рис. 5). Схема работает следующим образом. При открытии ключа VT1 ток начинает протекать через фазу 1 по цепи источник Е – фаза 1 – индуктор Lr1 – ключ VT1 – источник Е. Когда ключ VT1 закрывается, вспомогательный ключ VT4 открывается для обеспечения режима нулевого контура (фаза 1 – ключ VT4 – фаза 1) [17]. Во время отключения фазы вспомогательный ключ VT4 не открывается, а энергия, накопленная на фазе 1, частично сбрасывается в конденсатор Cd через диод VD1 по цепи фаза 1 – диод VD1 – конденсатор Сd – диод VDf – индуктор Lf – фаза 1. Энергия, запасенная в конденсаторе, заряжает источник Е по цепи конденсатор Сd – ключ VT7 – индуктор Lf – источник Е – конденсатор Сd после открытия ключа VT7. Оставшаяся энергия фазы 1 (равная напряжению источника Е) гасится на элементах резонансного переключателя, схема которого обеспечивает коммутацию ключей при нулевом токе.
Рис. 5. Схема квазирезонансного преобразователя
Преимущества преобразователя – высокая эффективность, форсированное размагничивание фазы при коммутации, возможность реализации всех 4 алгоритмов работы. Недостатки – топология сложна, что делает преобразователь дорогостоящим, систему управления сложной.
Двухступенчатый преобразователь (рис. 6) не входит в представленную выше классификацию, однако должен быть упомянут. Он позволяет обмениваться энергией непосредственно между сетью переменного тока и ВИМ, но содержит большое количество силовых ключей и имеет высокую стоимость. Его применение нецелесообразно, если генераторный режим применяется редко.
Рис. 6. Схема двухступенчатого преобразователя
Первая ступень [18] – внешний преобразователь – управляемый выпрямительный / инверторный двухквадрантный преобразователь трансформирует входной трехфазный переменный ток с частотой 50 Гц в однофазный переменный различной частоты. Вторая ступень – машинный преобразователь – коммутирующая ступень, питающая непосредственно обмотки ВИМ. По сравнению с внешним преобразователем частота переключения машинного преобразователя очень низкая, поскольку используется только для коммутации фаз. Максимальные токи и напряжения обоих преобразователей равны.
Однако при разработке современных электроприводов помимо энергоэффективности актуальны и задачи обеспечения их надежной работы, а также снижения стоимости предлагаемых технических решений. Для повышения надежности в качестве электропривода предлагается использовать ВИП с преобразователем, содержащим 1 ключ для коммутации каждой из фаз [19] и позволяющим осуществлять полное резервирование всех компонентов каждой фазы, включая источники питания, при создании электромагнитного момента на валу.
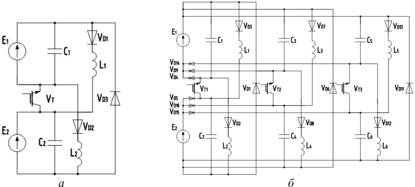
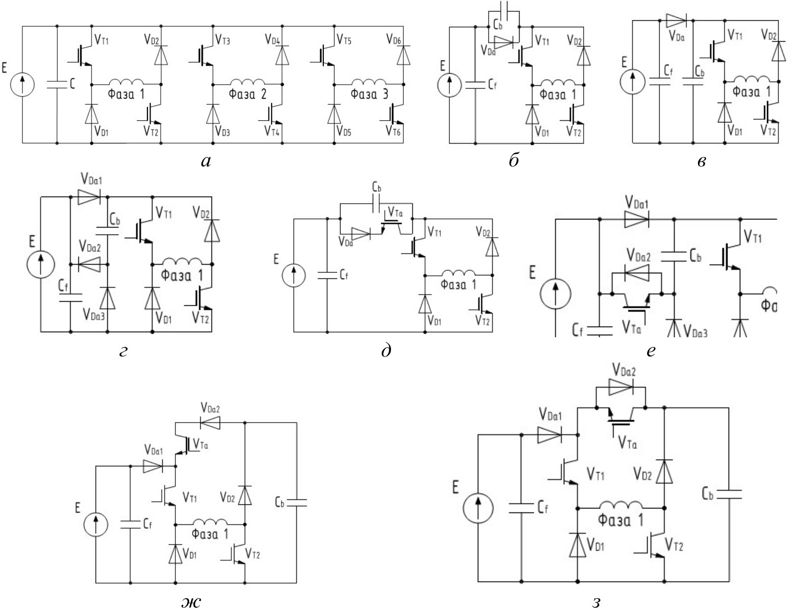
Одноключевая схема содержит два независимых гальванически развязанных источника постоянного напряжения, 2 конденсатора, диод, полупроводниковый ключ и статорную обмотку фазы ВИД, разделенную на 2 полуобмотки (рис. 7, а). Электропривод одноключевой работает следующим образом. В исходном состоянии, когда VT разомкнут, ток в полуобмотках L1 и L2 ВИД отсутствует, конденсаторы С1 и С2 заряжены. При замыкании VT через полуобмотки L1 и L2 протекает ток по следующим цепям: источник Е1 – диод VD1 – полуобмотка L1 – ключ VT – источник Е1; конденсатор С1 – диод VD1 – ключ VT – полуобмотка L1 – конденсатор С1, источник Е2 – ключ VT – диод VD2 – полуобмотка L2 – источник Е2; конденсатор С2 – ключ VT – диод VD2 – полуобмотка L2 – конденсатор С2. При этом в ВИД происходит преобразование электромагнитной энергии в механическую (положительные контуры напряжения). При размыкании VT энергия, накопленная в индуктивных полуобмотках L1 и L2, заряжает конденсаторы С1 и С2 по следующим цепям: полуобмотка L1 – конденсатор С2 – диод VD3 – диод VD1 – полуобмотка L1; полуобмотка L2 – диод VD3 – конденсатор C1 диод VD2 – полуобмотка L2 (контуры зарядки). Далее цикл повторяется. При разомкнутом ключе VT и переключении полярности источников отрицательное напряжение подается на фазу через диод VD3 (отрицательные контуры напряжения). Для реализации электропривода в многофазном исполнении в одноключевую схему необходимо добавить 2 диода, как показано на рис. 7, б [20, 21].
Рис. 7. Электропривод одноключевой: а – в однофазном исполнении; б – в многофазном исполнении
Рассчитаем параметры схемы электропривода одноключевого на примере работы одной фазы многофазного исполнения в разных режимах. Для этого рассмотрим ее схемы замещения для моментов открытия (рис. 8, а) и закрытия (рис. 8, б) транзистора.
Рис. 8. Схема замещения ВИМ с одноключевой схемой преобразователя
С помощью 1-го закона Кирхгофа составляем уравнения для узлов 1–4 (рис. 8, а), с помощью 2-го закона Кирхгофа – уравнения для контуров Е1 – R01 – Rc1 – C1 – Rd2 – E1; Е1 – R01 – Rd1 – R1 – L1 – Rt – Rd2 – E1; Е2 – R02 – Rd2 – Rc2 – C2 – E2; Е1 – R01 – Rd1 – R1 – L1 – Rt – Rd2 – E1. После преобразования полученных уравнений и приведения их к форме Коши добавляем выражение для электромагнитного момента и получаем систему уравнений для расчета электромагнитных и электромеханических процессов ВИП при открытии транзистора:
где ia1, ia2 – токи в соответствующих ветвях, А; Е1, Е2 – напряжение источников, В; Uс1, Uс2 – напряжение конденсаторов, В; R01, R02 – внутреннее активное сопротивление источников, Ом; Rс1, Rс2 – внутреннее активное сопротивление конденсаторов, Ом; Rd1, Rd2, Rd – внутреннее активное сопротивление диодов, Ом; R1, R2 – активное сопротивление полуобмоток, Ом; Rt – внутреннее активное сопротивление ключа, Ом; С1, С2 – емкости конденсаторов, Ф; Lg1, Lg2 – индуктивность полуобмоток, Н; J – момент инерции вращающихся частей ВИД, кг·м2; Md – момент, реализуемый фазой ВИД, Н·м; Mn – момент сопротивления, Н·м; Bt – коэффициент трения; ω – угловая скорость вращения ротора, рад/с; Ψ – потокосцепление, Вб; Θ– угол поворота ротора, эл. град.
Аналогично для режима закрытия транзистора. С помощью 1-го закона Кирхгофа составляем уравнения для узлов 1–6 (рис. 8, б), с помощью 2-го закона Кирхгофа – уравнения для контуров Е1 – R01 – Rc1 – C1 – Rd2 – E1; L1 – Rс2 – C2 – Rd – Rd1 – R1 – L1; Е2 – R02 – Rd2 – Rc2 – C2 – E2; L2 – Rd – Rc1 – C1 – Rd2 – R2 – L2. После преобразований получаем систему уравнений:
Предлагаемая схема обладает следующими достоинствами:
- Схема питания фазы ВИМ имеет один ключ на одну фазу.
- Данная схема может быть применена для ВИД с любым количеством фаз, что недоступно для ряда схемных решений (преобразователь с разделением звена постоянного тока, преобразователи с одним ключом, двумя диодами на фазу и со смежной работой фаз, преобразователь с 1.5q ключами на q фаз и независимым контролем тока фазы).
- Схема обеспечивает независимое управление фазами, что недоступно для ряда схемных решений (например, преобразователь с разделением звена постоянного тока, преобразователь с общим ключом на 2 фазы, преобразователь Миллера и др.).
- Схема позволяет реализовать 3 основных алгоритма работы преобразователя – возможность формирования всех трех контуров напряжения: положительного, отрицательного, сохранения энергии.
- Схема имеет возможность направлять энергию, запасенную в электромагнитном контуре ВИМ, в конденсатор / для пополнения энергии источников и, следовательно, для дальнейшего использования, чем повышает энергоэффективность привода.
Недостатки схемы:
- Схема требует два независимых гальванически развязанных источника питания. Однако это может быть обращено в преимущество. Так, при наличии двух источников происходит резервирование ВИП (если один источник выходит из строя, ВИП продолжит работать, потеряв мощность одной фазы).
- Схема не позволяет реализовать алгоритм работы нулевого контура.
Выводы
Проведем анализ представленных выше схем преобразователей и сравним их достоинства и недостатки с достоинствами и недостатками предлагаемого схемотехнического решения.
Приведенные выше одноключевые схемы (исключая предлагаемую схему) имеют меньшую стоимость за счет применения одного ключа, но не удовлетворяют нескольким основным требованиям эффективных преобразователей для ВИП, таким как независимая работа фаз, не позволяют формировать все 4 режима работы контуров (положительный, нулевой, отрицательный, контур сохранения энергии), обладают низкой эффективностью, а также имеют ограничение по числу фаз.
Схемы с ключами обладают одним или несколькими существенными недостатками: не обеспечивают независимую работу фаз, не реализуют один или несколько режимов работы, имеют напряжения значительно выше напряжения источника, имеют сложную и негибкую систему управления, высокие пульсации момента, достаточно большое время рассеивания и, следовательно, низкие скорости коммутации, обладают в целом меньшей эффективность и зачастую довольно высокой стоимостью (за счет применения дополнительных диодов, индукторов, конденсаторов).
Преобразователи с 1.5q ключами на q фаз и независимым контролем тока фазы обеспечивают независимый контроль и позволяют реализовать все алгоритмы работы, но подходят только для ВИП с четным числом фаз; часть ключей работают для двух фаз, что увеличивает нагрузку на них и снижает надежность привода.
Приведенные 2q ключевые схемы асимметричных преобразователей являются наиболее применимыми в настоящее время. Каждая из этих схем позволяет реализовать все основные алгоритмы работы, независимое управление фазой, регулирование тока, рекуперацию энергии источника (кроме асимметричного преобразователя с параллельным мультиконденсатором), а также обеспечивает повышенное напряжение при включении (кроме простого асимметричного преобразователя). Эти схемы отвечают требованиям высокопроизводительных приводов.
Квазирезонансный преобразователь обеспечивает высокую эффективность ВИП и быстрое размагничивание фазы при коммутации, возможность реализации всех 4 алгоритмов работы, но имеет высокие значения токов на конденсаторе; его топология сложна, что делает преобразователь дорогостоящим, а систему управления сложной.
Предлагаемая схема обладает следующими достоинствами: схема питания фазы ВИМ имеет один ключ на одну фазу; схема может быть применена для ВИД с любым количеством фаз; схема обеспечивает независимое управление фазами; схема позволяет реализовать 3 основных алгоритма работы преобразователя; схема имеет возможность направлять энергию, запасенную в электромагнитном контуре ВИМ, в конденсатор / для пополнения энергии источников. Эти достоинства недоступны для ряда схемных решений.
Однако предлагаемая схема имеет и недостатки: требует два независимых гальванически развязанных источника питания; не позволяет реализовать алгоритм работы нулевого контура.
Предлагаемая одноключевая схема наиболее удобна для питаемых от автономных источников электроэнергии (аккумуляторов, суперконденсаторов) электроприводов, т. к. удобно получить 2 одинаковых источника.
Об авторах
Владислав Юрьевич Смачный
Ростовский государственный университет путей сообщения
Автор, ответственный за переписку.
Email: smachney87@mail.ru
ORCID iD: 0000-0003-0771-1406
SPIN-код: 8838-2295
Scopus Author ID: 57220036105
начальник отдела трудоустройства и мониторинга карьеры центра развития карьеры РГУПС, ассистент кафедры «Технология металлов»
Россия, 344038, г. Ростов-на-Дону, пл. Ростовского Стрелкового Полка Народного Ополчения, 2Список литературы
- Птах Г.К. Вентильно-индукторный реактивный электропривод средней и большой мощности: зарубежный и отечественный опыт // Электротехника: сетевой электронный научный журнал. 2015. № 3. С. 23–33.
- Petrushin A., Voron O. Improving the Energy Efficiency of Electric Machines for Specialized Railway Rolling Stock // XVIII International Scientific Technical Conference Alternating Current Electric Drives(ACED). Ekaterinburg, 2021. Pp. 1–4.
- Switched reluctance motors offer simple design with effective power. https://acim.nidec.com/motors/products-services/switched-reluctance-motors (дата обращения: 19.04.2022).
- SR Drives is a leader in switched reluctance motor and drive technology. https://acim.nidec.com/drives/trusted-brands/sr-drives (дата обращения: 19.04.2022).
- Кузнецов В.А., Кузмичев В.А. Вентильно-индукторные двигатели. М.: МЭИ, 2003. 70 с.
- Петрушин А.Д., Пахомин С.А., Седов В.И., Щербаков В.Г. Тяговые электрические машины подвижного состава: учеб. пособие в 3 ч. Ч. III. Ростов-на-Дону: ФГБОУ ВПО РГУПС, 2013. 179 с.
- Petrushin A., Miroshnichenko E., Tchavychalov M. Increasing the Field Reliability of Traction Switched Reluctance Motor Drive of Railway Rolling Stock // Journal of Engineering and Applied Sciences. 2015. Vol. 10, №. 5. Pp. 102–106.
- Miller Т.J.E. Switched Reluctance motor and their Control. Glasgow: Magna Physics Publishing and Clarendon Oxford Press, 1993. 203 p.
- Mehta N.D., Haque A.M., Patel A.P. А review of switched reluctance motor converter topologies for au-tomotive applications // International Journal of Engineering Technology, Management and Applied Sciences. 2018. Vol. 6, № 2. Pp. 7–17.
- Torsten Wichert M.Sc. Design and construction modifications of switched re-luctance machines. Ph.D. Thesis. Warsaw. Warsaw University of Technology, Institute of Electrical Machines, 2008, 161 p.
- Jin-Woo Ahn. Switched reluctance motor // Torque Control, 2011, Ch. 8. Pp. 201–252.
- Suppharangsan W. A new switching technique for minimisation of dc-link ca-pacitance in switched reluctance machine drives. Ph.D. Thesis. Sheffield. The University of Sheffield, 2012. 270 p.
- Pollock C., Williams B.W. A unipolar converter for a switched reluctance motor // IEEE Transactions on Industry Applications, 1990. Vol. 26, № 2. Pp. 44–49.
- Archana G. Thosar, Rakesh D. Zalke. C-Dump converter for switched reluctance motor // 2nd IEEE International Conference on Recent Trends in Electronics, Information& Communication Technology (RTEICT), Bangalore, India, 2017. Pp. 1733–1738.
- Yong-Ho Yoon, Yuen-Chung Kim, Sang-Hoon Song, Chung-Yuen Won. Control of c-dump converters fed from switched reluctance motors on an automotive application // Journal of Power Electronics, 2005. Vol. 5, № 2. Pp. 120–128.
- Jin-Woo Ahn. Design and Drive Characteristics of Low Voltage 8/6 SRM for Fan Application // The Transactions of the Korean Institute of Electrical Engineers. 2014. Vol. 63, № 10. Pp. 1371–1376.
- Le-Huy H., Slimani K., Viarouge P. A current-controlled quasi-resonant converter for switched-reluctance motor // IEEE Transactions on industrial electronics. 1991. Vol. 38, № 5. Pp. 355–362.
- Rashidi A., Saghaiannejad S.M., Mousavi S.J. Acoustic noise reduction and power factor correction in switched reluctance motor drives // Journal of Power Electronics, 2011. Vol. 11, № 1. Pp. 37–44.
- Патент 2459341 (Ru), МПК H02K 29/00, H02Р 6/00, H02Р 25/08, H02K 19/06. Электропривод одноключевой. А.Д. Петрушин, Р.М. Девликамов, В.Ю. Смачный. № 2011119730/07; заявл. 16.05.2011; опубл. 20.08.2012. Бюл. № 23. 4 с.
- Патент 2704494 (Ru),H02K 29/00, H02P 25/086. Электропривод одноключевой многофазный. А.Д. Петрушин, В.Ю. Смачный. № 2019102994; заявл 04.02.2019; опубл. 29.10.2019. Бюл. № 31. 4 c.
- Petrushin A., Smachney V., Petrushin D. Research of options for maintaining the operability of the traction switched reluctance motors in emergencies // IOP Conference Series. Materials Science and Engineering. Bristol, 2020. Vol. 950. Pp. 1–8.
Дополнительные файлы











