Линейный двигатель постоянного тока системы стабилизации прецизионных объектов
- Авторы: Макаричев Ю.А.1, Ратцев Я.А.1
-
Учреждения:
- Самарский государственный технический университет
- Выпуск: Том 30, № 2 (2022)
- Страницы: 73-84
- Раздел: Электротехника
- URL: https://journals.eco-vector.com/1991-8542/article/view/109105
- DOI: https://doi.org/10.14498/tech.2022.2.6
- ID: 109105
Цитировать
Полный текст
Аннотация
Линейные двигатели постоянного тока (ЛДПТ) с ограниченным ходом якоря находят применение в механизмах, осуществляющих возвратно-поступательное движение рабочего органа или стабилизацию его положения в следящих системах. Использование ЛДПТ вместо двигателей вращательного движения с преобразователем в виде кривошипно-шатунного механизма, винтовой пары или других подобных механических систем приводит к существенному упрощению кинематической схемы, повышению КПД и, как правило, повышению точности работы комплекса и его надежности.
Однако существует ряд проблем при создании ЛДПТ, которые сдерживают внедрение этих безусловно перспективных электрических машин в некоторых специфических областях применения. Так, линейные двигатели систем стабилизации и виброзащиты прецизионных оптических комплексов кроме заданного номинального усилия должны обладать стабильной силовой характеристикой во всем диапазоне рабочего хода якоря. Кроме этого, двигатель должен обладать высоким электромагнитным и электромеханическим быстродействием. Остаются актуальными для двигателей и минимальные массогабаритные характеристики.
В статье изложены некоторые вопросы конструктивных решений для ЛДПТ высокого быстродействия, а также методов их расчета и математического моделирования. Приведены результаты численного моделирования электромагнитного поля двигателя и на основе полученных данных определены его статические силовые характеристики.
Верификация теоретических положений проведена в ходе экспериментальных исследований двигателя, спроектированного и изготовленного на одном из специализированных предприятий индустриального партнера. Испытания показали хорошую сходимость расчетных и экспериментальных характеристик машины. Разработанный двигатель не имеет аналогов среди машин, предназначенных для указанных целей.
Ключевые слова
Полный текст
Актуальность вопроса
Линейные электрические двигатели и генераторы находят применение в машинах и механизмах, где рабочий орган совершает возвратно-поступательное или линейное перемещение [1–8]. При этом за счет исключения из кинематической схемы промежуточного механизма преобразования вращательного движения в поступательное (кривошипно-шатунный механизм, передача винт-гайка и т. п.) удается не только упростить весь комплекс, но и во многих случаях добиться существенного повышения КПД установки [2]. В настоящей статье авторы не рассматривают такой класс линейных электродвигателей, как двигатели линейных приводов транспортных средств [5]. Предметом исследования выступают линейные электрические машины возвратно-поступательного движения с ограниченным ходом якоря [3, 6]. Как и большинство электрических машин, линейные двигатели могут работать не только в качестве приводов механизмов, но и в качестве генераторов [8]. Линейные генераторы используются, например, в возобновляемых источниках энергии, построенных на использовании энергии волн [6]. Другой областью применения линейных генераторов является их использование в качестве основного преобразователя в двигателях Стирлинга и двигателях внутреннего сгорания со свободным поршнем [8, 9]. И хотя некоторые технические проблемы в этих машинах еще не нашли удовлетворительного решения, научные разработки в этом направлении ведутся во многих странах [9].
Свойство обратимости линейных электрических машин часто используется в комплексах, где допускается изменение режима работы с двигательного на генераторный, например в электромагнитных демпферах, которые являются частью активной подвески современных автомобилей, или систем стабилизации космических и авиационных систем [23]. К таким машинам предъявляется ряд специальных требований, основные из которых:
- стабильность усилия во всем диапазоне хода якоря;
- отсутствие гистерезисных явлений;
- недопустимость зубцовых (шаговых) пульсаций электромагнитной силы;
- отсутствие люфта;
- максимальное электромагнитное и электромеханическое быстродействие.
Этим требованиям отвечают далеко не всякие типы линейных двигателей. Так, шаговые линейные двигатели отличаются высоким значением удельного по массе электромагнитного усилия, но при этом усилие дискретно изменяется, хотя и с весьма малым шагом, что делает невозможным применение шаговых двигателей для прецизионных механизмов [14].
Асинхронные линейные двигатели хорошо зарекомендовали себя в приводах подачи металлообрабатывающих станков [3, 4, 10, 11, 23], но для работы в качестве электромагнитного демпфера мало пригодны из-за низкого электромагнитного быстродействия и большой инерционности подвижного элемента. Этими же недостатками отличается и индукторный тип линейных двигателей.
Лишенным перечисленных недостатков является линейный двигатель постоянного тока (ЛДПТ) с беспазовым (полым) якорем и возбуждением от постоянных магнитов (рис. 1). Этот тип машины отличает высокое электромагнитное быстродействие, обусловленное тем, что обмотка якоря находится не в пазах ферромагнитного сердечника, а непосредственно в воздушном зазоре. Поэтому собственная индуктивность якоря минимальна. Она почти на порядок меньше, чем в аналогичных двигателях с зубчатым якорем.
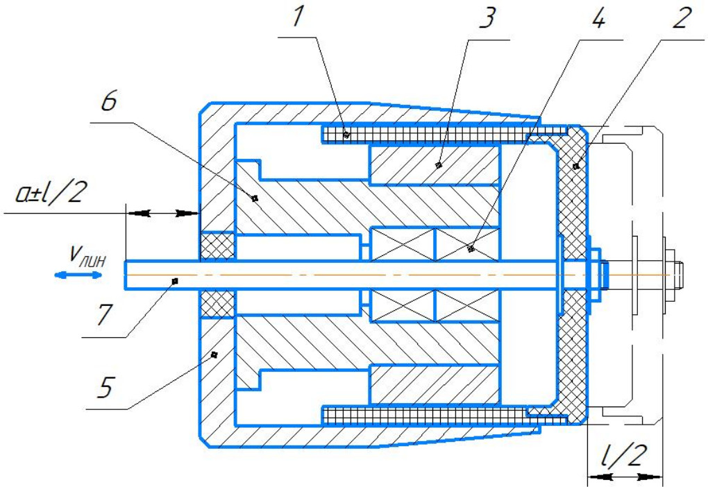
Рис. 1. Линейный двигатель постоянного тока с полым якорем: 1 – катушка полого якоря; 2 – основание катушки; 3 – постоянный магнит; 4 – шарикоподшипники линейного типа; 5 – наружный магнитопровод; 6 – внутренний магнитопровод; 7 – рабочий шток
Другим достоинством двигателя является малая масса и инерционность полого якоря: подвижный элемент не содержит массивного магнитопровода и состоит только из самой катушки и конструктивных элементов с малой массой. Этот факт значительно повышает электромеханическое быстродействие двигателя. Конкретные цифры приведены в конце статьи.
Беспазовая конструкция якоря исключает зубцовые пульсации электромагнитного усилия, так как обмотка якоря многослойная, состоящая из нескольких сотен относительно тонких витков.
Из недостатков двигателя следует отметить большую величину немагнитного зазора между внешним и внутренним статорами, которая включает не только два воздушных зазора, но и толщину обмоточного слоя якоря. Абсолютная величина немагнитного зазора для рассматриваемого двигателя превышает 4 мм. Это требует для получения приемлемого уровня индукции в зазоре мощной системы возбуждения. Очевидным решением проблемы является применение высокоэнергетических постоянных магнитов для индуктора. Таким требованиям отвечают магниты на основе Sm-Co или Nd-Fe-B. Причем самарий-кобальтовые магниты хотя и имеют меньшую коэрцитивную силу, но отличаются лучшей температурной стабильностью.
Перечисленные выше свойства линейного двигателя постоянного тока с полым якорем и возбуждением от постоянных магнитов позволили сделать однозначный выбор в пользу этого типа машины для использования его в качестве электромагнитного демпфера подавления вибраций прецизионной оптической платформы с функцией корректировки ее положения в пространстве в заданном диапазоне.
Основы электромагнитного расчета
В научно-технических публикациях практически полностью отсутствуют методика и алгоритмы проектирования короткоходовых линейных двигателей с полым немагнитным якорем. Поэтому приведем основные соотношения для расчета главных параметров машины, основанные на известных электромагнитных соотношениях из теории электрических машин и общей электротехники.
Допущения, принятые для предварительного расчета:
- характеристика размагничивания материала индуктора (сплав КС-37) линейная;
- рассеяние магнитного потока учитывается постоянным коэффициентом kσ, величина которого не зависит от положения якоря;
- падение магнитного потенциала в стальных участках магнитопроводов учитывается постоянным коэффициентом kμ, не зависящим от реакции якоря;
- в электромагнитном взаимодействии участвуют только проводники, находящиеся непосредственно под полюсом.
Как показало дальнейшее численное моделирование магнитного поля, сделанные допущения не вносят значительных погрешностей в расчет.
Исходными параметрами при расчете являются, как правило, значения, определяемые техническим заданием: номинальное усилие F, Н; номинальное напряжение питания U, В; рабочий ход якоря l, м. Кроме этого в ТЗ могут быть ограничены габариты и потребляемая мощность двигателя.
Расчет начинается с определения величины магнитной индукции в рабочем зазоре
, (1)
где – остаточная индукция постоянного магнита, Тл; – коэрцитивная сила, А/м; – коэффициент рассеяния магнитной системы; – коэффициент насыщения магнитной цепи; – полный немагнитный зазор, м; – предварительное значение высоты магнита, м.
Кольцевые магниты с радиальной намагниченностью нестандартных размеров промышленностью не изготавливаются. Поэтому индуктор набирается из призматических магнитов, намагниченных по меньшей стороне. Количество и размеры плиток выбираются из предлагаемого сортамента по условиям размещения на наружном диаметре внутреннего магнитопровода. Для снижения величины технологического зазора магниты могут обрабатываться по радиусу внутренней стороны якорной катушки.
Магнитный поток машины, Вб:
,
где – количество магнитов, определяемое из условия размещения; и – ширина и длина магнитов, м.
В беспазовых машинах расчет диаметра провода обмотки полого якоря должен учитывать несколько ограничений. Во-первых, проводники якоря в одном слое должны располагаться рядно, с минимальными технологическими промежутками. Во-вторых, диаметр проводника детерминированно связан с номинальным усилием якоря при заданном магнитном потоке и напряжении питания. В-третьих, от диаметра провода зависит число слоев обмотки и величина высоты обмоточного слоя якоря. И, конечно, сечение проводника должно быть проверено на допустимую плотность тока и тепловой фактор:
, м,
– заданное усилие, Н; – длина катушки якоря с учетом рабочего хода, м; – удельное сопротивление материала обмотки, Ом∙м; – напряжение питания, В; – средний диаметр обмотки, м.
Из условия размещения проводников определяется число слоев обмотки якоря
,
где – высота обмоточного слоя, м; – коэффициент заполнения медью радиальный; – диаметр изолированного провода, м.
Активное сопротивление обмотки якоря определяется из полученных ранее величин:
.
Расчет магнитной цепи и размеров магнитопроводов проводится по методике, традиционной для электрических машин, с особенностями, определяемыми конструкцией линейного двигателя.
Численное моделирование магнитного поля двигателя
Электромагнитный расчет основных параметров и геометрических размеров ЛДПТ содержит ряд упрощающих допущений, которые требуют проверки более точными методами расчета. Стандартом для таких уточнений в настоящее время общепризнан расчет магнитного поля методом конечных элементов (МКЭ). Для реализации метода существует ряд программных продуктов, прошедших проверку многочисленными практическими проектами, основанными на МКЭ. Авторы использовали для поверочного расчета программный комплекс ELCUT.
Магнитостатическая задача решалась в осесимметричной постановке при допущении, что геометрическая модель имеет центральную симметрию по оси двигателя z. Физические свойства блоков постоянны для любого радиус-вектора r и не зависят от угловой координаты φ.
На рис. 2 представлена геометрическая модель ЛДПТ, имеющего следующие параметры, определенные техническим заданием:
- максимальное тяговое усилие 20 Н;
- напряжение питания 27 В;
- наружный диаметр машины 69 мм;
- рабочий ход якоря ±8 мм;
- свободный ход якоря ±18 мм;
- высота обмоточного слоя якоря 3,5 мм.
Рис. 2. Геометрическая модель ЛДПТ
На рис. 2 расчетные блоки имеют физические свойства, представленные в таблице.
Физические свойства блоков геометрической модели
№ | Блок | Физические свойства | Источник поля |
1 | Катушка якоря | , А/м2 | |
2 | Магнит | Hc, А/м; Br, Тл | |
3 | Магнитопровод | Нелинейный материал, | – |
4 | Воздух | – |
На ребре, определяющем границу расчета, задано граничное условие первого рода: равенство векторного магнитного потенциала нулю.
Результаты численного моделирования поля
Картина линий магнитной индукции, полученная по результатам численного решения осесимметричной магнитостатической задачи, представлена на рис. 3. Наибольшее насыщение наблюдается в спинке внутреннего магнитопровода. Здесь максимальная индукция достигает в некоторых точках 2,15 Тл, а средняя индукция в наиболее напряженном сечении составила 2,05 Тл. И хотя этот участок имеет малую протяженность (около 10 мм), его МДС составляет 170 А – почти 20 % от суммарной МДС стальных участков магнитопровода.
Рис. 3. Картина линий магнитной индукции при центральном положении якоря
Из анализа картины поля можно найти узкие места магнитной системы и недоиспользованные участки.
Кроме представленных на рис. 3 результатов численного расчета поля при центральном положении якоря относительно магнитов была решена магнитостатическая задача для смещения якоря по оси z в пределах рабочего хода, определенного техническим заданием. Для рассматриваемого ЛДПТ рабочий ход составляет ±8 мм. Для предельных и промежуточных смещений якоря были определены все интегральные и точечные параметры машины: индукции по блокам, напряженности, МДС и магнитные потенциалы по участкам цепи, мощность тепловыделения, индуктивность катушки и ее изменение при движении ротора.
Наибольший интерес представляет расчет пондеромоторной силы якоря в функции смещения. В аналитическом расчете учесть изменение основного потокосцепления и потоков рассеяния при движении якоря не представляется возможным из-за сложности реальной геометрии магнитной системы. Поэтому в аналитическом («инженерном») расчете значение пондеромоторной силы не зависит от положения якоря. На рис. 4 расчетному значению силы соответствует пунктирная горизонтальная прямая fрасч. В реальной машине несмотря на принятые конструктивные меры отклонения от постоянного значения силы, развиваемой якорем при движении, имеются. Это наглядно показывают результаты численного моделирования. На рис. 4 сплошная линия fмод поднимается от значения 21,2 Н при максимальном отрицательном смещении до значения 23,9 Н при максимальном положительном смещении. Знать изменение значения силы при движении якоря необходимо, чтобы корректно определить параметры системы управления двигателем и при необходимости их корректировать.
На рис. 4 изображены точки fэксп, полученные при испытании опытного образца двигателя.
Рис. 4. Расчетные и экспериментальные зависимости усилия от рабочего смещения якоря от центрального положения
Расхождение кривой, полученной аналитически, с результатами численного моделирования и экспериментальными данными составило в максимуме 19,5 и 11 % соответственно. Такие погрешности не могут быть признаны удовлетворительными. Основная причина, вызвавшая такое расхождение, – выбор значений коэффициентов в выражении (1), не имеющий достаточного обоснования. Если со значением коэффициента рассеяния
,
принятым в аналитическом расчете и полученным при численном моделировании, расхождение составило всего 0,2 %, то задать точно на первом этапе проектирования значение коэффициента насыщения магнитной цепи не представляется возможным:
,
– суммарная МДС цепи; – МДС воздушного зазора.
Расхождение между принятым значением и полученным при моделировании составило 18,2 %, что и вызвало расхождение итоговых результатов.
После корректировки значений коэффициентов, принятых априорно в ходе аналитического расчета, по результатам численного моделирования полученные силовые характеристики и другие расчетные параметры уложились в поле допуска ±2,5 %, что для инженерного расчета вполне допустимо.
По результатам проведенного исследования был спроектирован, изготовлен и испытан линейный двигатель постоянного тока со следующими техническими характеристиками:
- номинальное усилие, Н - 20
- рабочий ход якоря, мм - ±8
- напряжение питания, В - 27
- ток при номинальном усилии, А - 0,81
- наружный диаметр, мм - 69
- длина в среднем положении якоря, мм - 90
- потребляемая мощность при номинальном усилии, Вт - 23
- масса, кг - 1,8
- электромагнитная постоянная времени, мс - 2,8.
Проведенные стендовые испытания и испытания на реальной нагрузке полностью подтвердили заявленные характеристики и параметры двигателя.
Основные результаты и выводы
- Для быстродействующих приводов линейного перемещения с повышенными требованиями по стабильности усилия и перемещения линейные двигатели постоянного тока с полым якорем имеют ряд преимуществ перед другими типами машин. Это малые значения электромагнитной постоянной обмотки якоря из-за ее незначительной индуктивности, а также малая инерционность якоря, в котором нет подвижного магнитопровода. Из-за отсутствия зубцов на якоре нет и соответствующих пульсаций при его перемещении.
- Аналитический расчет линейного двигателя сопровождается априорным выбором многих значений расчетных коэффициентов и констант, что не позволяет на первом этапе получить удовлетворительные по точности результаты. Поэтому аналитический расчет должен в обязательном порядке дополняться численным моделированием электромагнитных процессов МКЭ. По результатам моделирования значения априорных величин корректируются и расчет уточняется.
- Представленная методика была апробирована при разработке ЛДПТ для системы стабилизации оптико-механической системы. Результаты испытания двигателя подтвердили заявленные характеристики, а методика расчета была принята в качестве базовой для проектирования серии.
Об авторах
Юрий Александрович Макаричев
Самарский государственный технический университет
Автор, ответственный за переписку.
Email: info@eco-vector.com
заведующий кафедрой «Электромеханика и автомобильное электрооборудование», доктор технических наук, профессор
Россия, 443100, г. Самара, ул. Молодогвардейская, 244Ярослав Алексеевич Ратцев
Самарский государственный технический университет
Email: makarichev2801@mail.ru
магистрант
Россия, 443100, г. Самара, ул. Молодогвардейская, 244Список литературы
- Баль В.Б., Геча В.Я., Гончаров В.И. и др. Линейные электрические машины возвратно-поступательного действия – области применения // Вопросы электромеханики. Труды ВНИИЭМ. М.: Научно производственная корпорация «Космические системы мониторинга, информационно-управляющие и электромеханические комплексы» им. А.Г. Иосифьяна, 2015. Т. 149. С. 3–17.
- Серебреницкий П.П. Линейные двигатели нового поколения // «Военмех» им. Д.Ф. Устинова. 2019. doi: https://electroprivod.ru/linear_public.htm
- Цилиндрический линейный двигатель – новый этап эволюции электроэрозионных станков. // doi: https://www.abamet.ru/press/article/provolochno-vyreznye/tsilindricheskiy-lineynyy-dvigatel
- Линейные серводвигатели серии QUICKSHAFT // doi: https: //likemall.ru /hotaliexpress /i32960047091x42
- Соколов М.М., Сорокин Л.К. Электропривод с линейными асинхронными двигателями. М.: Энергия, 1979. 152 с.
- Polinder Henk at al. Conventional and Tfpm Linear Generators for DirectDrive Wave Energy Conversion // Ieee transactions on energy conversion. 2005. Vol. 20. № 2.
- Сарапулов Ф.Н., Сарапулов С.Ф., Шимчак П. Математические модели линейных индукционных машин на основе схем замещения. Екатеринбург: ГОУ ВПО УГТУ-УПИ, 2005. 431 с.
- Wisuwat Plodpradistha. Study of Tubular Linear Induction Motor for Pneumatic Capsule Pipeline system. Ph.D. Dissertation, Department of electrical Engineering, University of Missouri-Columbia, May 2002.
- Henry Jr., Brandhorst W., Peter Jr., Chapman A. New 5kW free-piston Stirling space convertor developments // Science Direct, Acta Astronautica 63 (2008), 342–347 рр.
- Viet Nam Hoang, Design of Single-Sided Linear Induction Motor, Bachelor of Electrical Engineering Project, School of Information Technology and electrical Engineering, University of Queensland, 2003.
- Вунна Шве. Линейный асинхронный двигатель быстродействующих механизмов: Автореф. дис. … канд. техн. наук. МЭИ технический университет, 2008. 19 с.
- Балагуров В.А., Галтеев Ф.Ф., Ларионов А.Н. Электрические машины с постоянными магнитами. М.-Л.: Энергия, 1964. 480 с.
- Zubkov Yu.V., Makarichev Yu.A, Ivannikov Yu.N. Comparison of surface-mounted permanent magnet and interior-mounted permanent magnet starters for gas turbine engines electrical start // International Conference on Electrotechnical Complexes and Systems, 2019. doi: 10.1109/ICOECS46375.2019.8950010
- Исмагилов Ф.Р. Электрические системы с высококоэрцитивными постоянными магнитами. М.: Машиностроение, 2014. 267 с.
- Кулон Ж.-Л., Сабоннадьер Ж.-К. Метод конечных элементов и САПР: Пер. с франц. М.: Мир, 1989.
- Pirisi A., Gruosso G., Zich E.R. Novel Modelling Design of 3ph Tubular PM Linear generator for Marine Applications / Politecnico di Milano. International Conference on Power Engineering, Energy and Electrical Drives, 2009. doi: 10.1109/POWERENG.2009.4915209.
- Henry Jr., Brandhorst W., Peter Jr., Chapman A. New 5kW free-piston Stirling space convertor developments // Science Direct, Acta Astronautica 63 (2008), 342–347 рр.
- Dukhanin V.I. Automotive reciprocating alternator. Design Analysis // International Scientific and Technical Conference of Automotive Engineer’s Association “Motor Vehicle and Tractor Industry in Russia: Development Priorities and Manpower Training” Dedicated to the 145 / Anniversary of MGTU ‘MAMI’ [Moscow State University of Mechanical Engineering]. Nov. 17, 2010.
- Иванова И.А. Исследование и разработка магнитоэлектрического линейного генератора для преобразования энергии морских волн // Дис. … канд. техн. наук. СПб., 2006.
- Lee Seungho and Kim Won-Jong. Active Suspension Control with Direct-Drive Tubular Linear Brushless Permanent-Magnet Motor – 2009 // American Control Conference, Hyatt Regency Riverfront, St. Louis, MO, USA, 2009, June 10–12.
- Kosaka Hidemasa at al. Development of Free Piston Engine Linear Generator System Part 1 – Investigation of Fundamental Characteristics // SAE International, 2014.
- Нейман Л.А. Линейные синхронные электромагнитные машины для низкочастотных ударных технологий: Дис. … докт. техн. наук. НГТУ, 2018. 400 с.
- Нугуманов Р.Р. Совершенствование привода жерновой мельницы применением плоского линейного асинхронного двигателя: Дис. … канд. техн. наук. Уфа. 2016. 125 с.
- Слободзян Н.С. Прецизионное управление линейным приводом механизма с параллельной структурой космического применения: Дис. … канд. техн. наук. – СПб., 2021. 166 с.
Дополнительные файлы







