Automatic control system of modular induction complex for heating viscous liquid
- Authors: Danilushkin A.I.1, Danilushkin V.A.1
-
Affiliations:
- Samara State Technical University
- Issue: Vol 30, No 2 (2022)
- Pages: 6-20
- Section: Informatics, Computer Science and Control
- URL: https://journals.eco-vector.com/1991-8542/article/view/109893
- DOI: https://doi.org/10.14498/tech.2022.2.1
- ID: 109893
Cite item
Full Text
Abstract
The article deals with the controlling problem for the indirect induction heating process of viscous non-conductive liquids during their transportation through a pipeline system. Complex nonlinear processes occurring in the system «induction heater – metal pipe wall – fluid flow» characterize the plant. Due to the complexity of the process and the impossibility of obtaining transfer functions in an analytical form, we use transition functions obtained by calculation using a numerical model to evaluate the dynamic properties of the plant. The significant technological restrictions imposed on the process parameters complicate the effective control system implementing. These restrictions include, first of all, the restriction on the maximum temperature of the liquid boundary layer in contact with the heat transfer surface of the pipe. The technological requirements implementation is only possible in a multi-section heater with autonomous power sources. Significant non-uniform temperature of the fluid flow due to low thermal conductivity makes necessary distributed temperature measurement to estimate the mean temperature in the controlled flow cross section. The study of the dynamic properties of the heater is carried out with relation to the liquid temperature at certain fixed points of the flow cross section at the outlet of each heater section. It is noted that an adequate assessment of the mean flow temperature over the cross section, it is sufficient to have four control points for which the parameters of the transfer functions are determined. To calculate the mean temperature over the flow cross section, the experimentally obtained dependence is approximated by a piecewise linear function consisting of straight-line segments with ends at the temperature measurement points. The paper presents a structure model of the plant consisting of three heating sections. The block diagram of each section of the plant is a set of elementary links – aperiodic and delay links. To study the dynamic properties of an automatic control system for a multi-section heater, a dynamic model of the system was used implemented using the programming and numeric computing platform MATLAB® and environment for modeling dynamic nonlinear systems - Simulink®.
Full Text
Введение
Перекачка нефти и вязких нефтепродуктов по трубопроводам требует установки компрессорных агрегатов большой мощности. Для снижения энергозатрат при транспортировке и увеличения производительности трубопровода используют специальные мероприятия, среди которых наиболее эффективным является уменьшение вязкости перекачиваемой жидкости путем подогрева после компримирования и на линейном участке трубопроводной системы.
Для нагрева нефти и вязких нефтепродуктов разработаны нагревательные устройства различного конструктивного исполнения, основанные на преобразовании электрической энергии в тепло в специальных тепловыделяющих элементах и передачи его в нагреваемую жидкость [1–9].
Все предлагаемые конструктивные решения независимо от способа преобразования электроэнергии в тепло должны учитывать ряд ограничений, обусловленных физическими свойствами транспортируемой нефти. Из-за высокой вязкости при практически реализуемых скоростях потока течение жидкости носит ламинарный характер. Расчеты температурных полей в потоке жидкости показывают, что вследствие низкой теплопроводности ее нагрев характеризуется большим перепадом температур по сечению потока [10–12]. Максимальная температура теплопередающей поверхности нагревателя (стенки трубы) ограничена предельно допустимой температурой пограничного слоя жидкости. В связи с этим для достижения требуемой средней по сечению потока температуры жидкости на выходе длина нагревателя может составлять от 8 до 16 м в зависимости от производительности и физических характеристик перекачиваемой жидкости. Реализация нагревателей такой протяженности возможна только в виде многосекционных нагревательных систем.
Основная часть
На рис. 1 представлена функциональная схема индукционной нагревательной системы, состоящей из трех индукционных нагревателей с автономными источниками питания.
Рис. 1. Функциональная схема многосекционного индукционного нагревателя
В процессе работы трубопроводной системы возможны различные по уровню отклонения температурного режима, обусловленные внешними возмущениями. Возмущающие воздействия на объект в процессе нагрева – вариации различных энергетических, технологических и других параметров всего комплекса оборудования – могут достигать значительной величины. К таким возмущающим воздействиям относятся: колебания напряжения сети ( от ), изменение скорости потока жидкости, изменение физических свойств перекачиваемой жидкости, вариация температуры жидкости на входе в трубопровод, колебания температуры окружающей среды и другие. Некоторые из этих возмущений могут контролироваться в процессе работы, другие являются случайными и неконтролируемыми. Для решения задачи стабилизации средней температуры потока жидкости в выходном сечении в условиях внешних возмущений требуется создание системы автоматического регулирования. В многосекционном нагревателе возможны различные варианты построения системы регулирования в зависимости от уровня возмущений, мощности источника питания и др. Принципиально при автономном управлении каждой секции все возмущения можно компенсировать системой автоматического регулирования выходной секции, однако технологические ограничения на температуру пограничного слоя жидкости, а следовательно, на температуру стенки трубы в большинстве случаев не позволяют использовать полностью энергетические возможности источника питания и обеспечить требуемое значение средней температуры жидкости на выходе из каждой секции. При этом по мере прохождения потока жидкости от входа к выходу погрешность накапливается. Компенсация всех накопившихся в предыдущих секциях отклонений должна быть обеспечена системой автоматического регулирования выходной секции нагревателя. Для синтеза системы необходимо выполнить идентификацию процесса косвенного индукционного нагрева потока жидкости.
Исследование динамических свойств объекта
В установившемся режиме функционирования многозонной системы индукционного нагрева можно с достаточной степенью точности считать, что такие параметры процесса, как теплоемкость, теплопроводность, остаются постоянными в пределах каждой секции. Процесс косвенного индукционного нагрева потока жидкости описывается системой нелинейных дифференциальных уравнений в частных производных, включающих уравнения Максвелла электромагнитного поля, уравнения теплопроводности Фурье и уравнения Навье – Стокса. Решение ряда частных задач исследования электромагнитных и температурных полей с учетом нелинейных зависимостей физических свойств перекачиваемой жидкости от температуры получено численными методами [11–14].
Разработка и исследование системы модального управления многосекционным индукционным нагревателем нефти для одной частной реализации представлены в работе [15].
Процесс преобразования электромагнитной энергии в тепловую носит нелинейный характер, поскольку мощность, передаваемая электромагнитным полем, зависит от электрофизических и теплофизических свойств металла, которые, в свою очередь, являются нелинейной функцией температуры [16]. Для исследуемых технологических процессов в рабочем диапазоне температур указанной зависимостью можно пренебречь и считать электрофизические свойства металла постоянными. Далее, в связи с тем, что электромагнитная постоянная времени системы «индуктор – металл» несоизмеримо меньше (на 2–3 порядка) тепловой постоянной времени объекта, электромагнитные процессы в системе «индуктор – стенка трубы» можно считать безынерционными. С учетом этих допущений звено «индуктор – стенка трубы» по каналу «напряжение – мощность источников внутреннего тепловыделения» можно представить безынерционным звеном. Таким образом, динамику процесса определяют тепловые процессы, обусловленные тепломассопереносом от стенок трубы в поток жидкости.
Учитывая сложность процессов, включающих процесс преобразования электромагнитной энергии в тепло в стенке трубы, передачу тепловой энергии от стенки трубы в поток жидкости с неравномерным распределением скорости по сечению потока, определение передаточных функций исследуемого объекта аналитическим путем не представляется возможным. Для определения передаточных функций исследуемого объекта в работе используется переходная функция, полученная расчетным путем с помощью численной модели, предложенной в [11]. При численном моделировании процесса для некоторых частных значений аргумента находятся соответствующие частные значения функции, при этом возможен учет практически всех существенных нелинейностей в системе.
Исследование динамических свойств трехсекционного нагревателя проводится относительно температуры жидкости в определенных фиксированных точках поперечного сечения потока на выходе из каждой секции.
На рис. 2 показано расположение точек контроля по радиальной координате потока жидкости.
Рис. 2. Схема расположения точек контроля температуры
Начальное состояние характеризуется постоянной средней скоростью м/с потока жидкости и мощностью, равной 0,8 от номинального значения. Температура жидкости в установившемся режиме перед началом эксперимента в точках контроля приведена в табл. 1. Контроль температурного распределения в идеальном варианте предполагает использование датчиков температуры, распределенных по всему сечению. В реальной ситуации о характере температурного распределения можно судить по измерению температуры в ограниченном числе точек контроля. Выбор числа и координат точек отбора импульса управления существенно влияет на качество работы замкнутой системы регулирования. Для адекватной оценки средней по сечению температуры потока необходимо иметь как минимум четыре точки контроля, причем параметры передаточных функций для каждой точки определяются ее радиальной координатой.
Таблица 1. Температура жидкости в установившемся режиме
№ секции | Температура в точках контроля, ºС | |||
Точка 1 | Точка 2 | Точка 3 | Точка 4 | |
1 секция | 74 | 58 | 42 | 36 |
2 секция | 82 | 63 | 59 | 52 |
3 секция | 84 | 74 | 68 | 62 |
После установления стационарного режима мощность источников тепла одной секции скачком увеличивается на 15 %. Переходные функции для температуры в указанных точках при скачкообразном переходе на новый установившийся режим для третьей секции нагревателя представлены на рис. 3. Здесь кривые 1–4 описывают поведение температуры в контрольных точках в выходном сечении потока жидкости в соответствии со схемой их расположения, представленной на рис. 2. Горизонтальные участки переходных функций объекта учитывают ограниченность длины секции нагревателя. Время прохождения потока жидкости через нагреватель равно . Здесь – длина секции нагревателя, – средняя скорость потока жидкости.
Рис. 3. Переходные функции для температуры жидкости на выходе третьей секции нагревателя
Расчеты показывают, что для конкретных параметров объекта скорости в контролируемых точках потока по радиусу отличаются незначительно, поэтому скорость течения для всех контролируемых точек можно принять одинаковой.
По графику переходной функции определены передаточные функции объекта для каждой контролируемой координаты объекта. Полученные передаточные функции описывают динамические свойства объекта в области малых отклонений регулируемой величины от установившегося значения, т. е. соответствуют линеаризованной модели объекта. С учетом времени «транспортного» запаздывания , равного времени прохождения потока жидкости через нагреватель, передаточная функция для различных координат точек контроля температуры принимает вид, аналогичный [17]
.
Здесь – коэффициент передачи звена «напряжение на индукторе – температура жидкости в n-ной точке контроля», – радиальная координата точки контроля, – звено «транспортного» запаздывания, – постоянная времени для соответствующей точки n, обусловленная тепловой инерцией объекта.
В качестве регулируемого параметра рассматривается средняя температура потока жидкости на выходе из нагревателя. В качестве управляющего воздействия рассматривается мощность, подводимая к индуктору. Остальные воздействия – температура на входе в нагреватель, нестабильность физических свойств жидкости, вариация средней скорости потока и т. д. – рассматриваются как возмущения.
На рис. 4 представлена структурная схема автономной секции нагревателя.
Рис. 4. Структурная схема автономной секции нагревателя
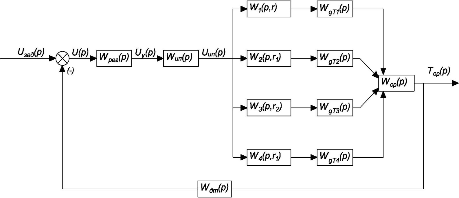
Здесь – передаточная функция для температуры трубы относительно мощности, подводимой к индуктору; , , , – передаточные функции для температуры жидкости соответственно в точках 1–4 контроля. Звено характеризует транспортное запаздывание, где – время прохождения каждого сечения потока жидкости со скоростью через нагреватель длиной .
В работе приведены результаты численных экспериментов по определению вида и параметров передаточных функций для трехсекционного индукционного нагревателя с последовательным включением секций. Вид аппроксимированной передаточной функции, а также численные значения постоянных времени, времени запаздывания и коэффициентов передачи для каждой секции нагревателя приведены в табл. 2–4.
Таблица 2. Параметры передаточных функций первой секции нагревателя
Точка контроля | Вид передаточной функции | , с | , с | , с | |
Стенка трубы | 1,12 | 0 | 0 | ||
Термопара 1 | 0,004 | 0 | 32 | ||
Термопара 2 | 0,00373 | 18 | 0 | 32 | |
Термопара 3 | 0,0036 | 21 | 5 | 32 | |
Термопара 4 | 0,00326 | 32 | 8 | 32 |
Таблица 3. Параметры передаточных функций второй секции нагревателя
Точка контроля | Вид передаточной функции | , с | , с | , с | |
Стенка трубы | 1,12 | 0 | 0 | ||
Термопара 1 | 0,0039 | 0 | 32 | ||
Термопара 2 | 0,0037 | 24 | 0 | 32 | |
Термопара 3 | 0,0034 | 28 | 7 | 32 | |
Термопара 4 | 0,0028 | 34 | 9 | 32 |
Таблица 4. Параметры передаточных функций третьей секции нагревателя
Точка контроля | Вид передаточной функции | , с | , с | , с | |
Стенка трубы | 1,12 | 0 | 0 | ||
Термопара 1 | 0,0037 | 0 | 32 | ||
Термопара 2 | 0,0035 | 18 | 0 | 32 | |
Термопара 3 | 0,003 | 23 | 6 | 32 | |
Термопара 4 | 0,0027 | 29 | 11 | 32 |
Синтез системы автоматического управления с обратной связью по средней по сечению потока жидкости температуре
Центральной задачей синтеза является построение такой структуры системы автоматического управления нагревательной установкой, которая обеспечивает нагрев жидкости до заданной температуры с заданной точностью при действующих на систему возмущениях с учетом ограничения на температуру стенки трубы. В качестве управляющего воздействия в исследуемой установке рассматривается напряжение, подводимое к индуктору.
Структурная схема системы автоматического регулирования с обратной связью по средней температуре потока жидкости на выходе из нагревателя для автономной секции представлена на рис. 5. Здесь – передаточная функция звена «напряжение на индукторе – удельная мощность нагрева»; , , , – передаточные функции для температуры соответственно в точках 1–4 потока жидкости относительно мощности нагрева; – передаточная функция датчика температуры; – передаточная функция регулятора; – звено, учитывающее «транспортное» запаздывание относительно средней температуры жидкости на выходе из нагревателя.
Рис. 5. Структурная схема системы регулирования одной секцией индукционным нагревателем
В предлагаемой системе сигнал, пропорциональный средней по сечению потока жидкости температуре на выходе из нагревателя, формируется с помощью термопар, установленных на выходе из нагревателя в различных точках по сечению потока. Как показывают эксперименты, для оценки средней температуры достаточно иметь четыре установленных на определенном расстоянии датчика температуры жидкости.
Средняя по сечению температура потока жидкости определяется по формуле
.
Распределение температуры по радиусу аппроксимируется кусочно-линейной функцией, состоящей из отрезков прямых с концами в точках измерения температуры:
где - количество точек измерения температуры по радиусу потока.
Коэффициенты и определяются из выражений
; .
После выполнения интегрирования формула для вычисления средней температуры принимает вид:
Передаточная функция для средней температуры потока жидкости, учитывающая «транспортное» запаздывание, в реальном масштабе времени в системе автоматического управления, представленной на рис. 4, реализована в вычислительном блоке .
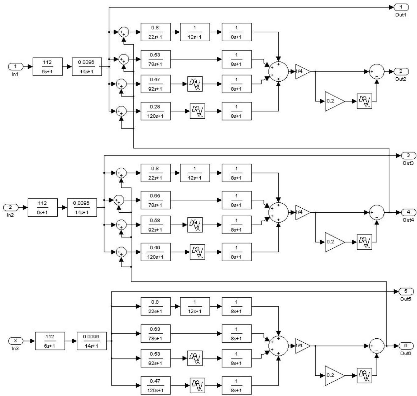
На рис. 6 приведена развернутая модель объекта управления, состоящего из трех секций.
Рис. 6. Модель объекта для средней по сечению температуры жидкости
Структурная схема каждой секции объекта управления представляет собой совокупность элементарных звеньев – апериодических и звеньев запаздывания. Выходной координатой объекта является средняя по сечению потока температура. Для моделирования системы управления использовались возможности среды технологических расчетов – Matlab®, а также сопутствующей системы для моделирования динамических нелинейных систем – Simulink® [18].
В объекте отсутствуют перекрестные связи, есть только прямые связи с выхода предыдущей секции нагревателя на вход последующей, что и отражено на структурной схеме объекта.
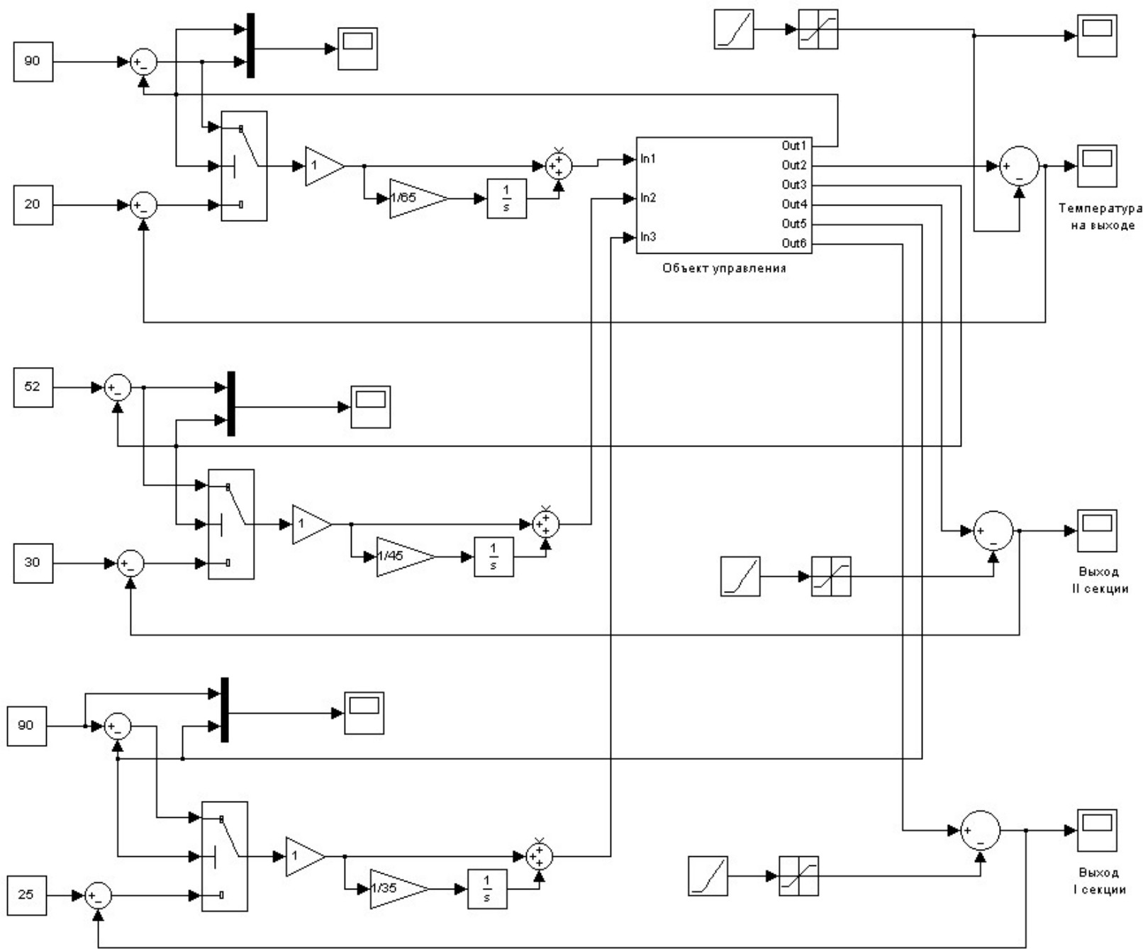
Для оценки качественных показателей системы автоматического управления использовалась динамическая модель системы, приведенная на рис. 7.
Рис. 7. САР температуры, реализованная в приложении Simulink пакета Matlab
С помощью модели был проведен ряд численных экспериментов по отработке ПИ-регулятором различных возмущений, которые могут возникнуть в системе. Аппроксимация транспортного запаздывания производилась разложением в ряд Паде второго порядка. Результаты моделирования системы показали, что при соответствующем подборе параметров регулятора для исследуемой технологической установки обеспечивается устойчивость системы регулирования. Переходный процесс носит затухающий колебательный характер с максимальным отклонением регулируемого параметра не более 5 %.
Исследуемая система управления имеет три независимых канала регулирования по числу индукционных нагревателей в линии. Каждый канал регулирования имеет ПИ-регулятор, который обеспечивает стабилизацию температуры жидкости на выходе из нагревателя при действии возмущений, обусловленных изменением скорости потока жидкости, начальной температуры на входе в нагреватель, физических характеристик жидкости (удельной теплоемкости, теплопроводности, плотности и др.).
В процессе отработки управляющего сигнала (при выходе на установившийся режим работы, при изменении производительности установки) температура трубы может превысить максимально допустимое значение, приводящее к недопустимому перегреву прилегающего к стенке трубы слоя нефти. Для ограничения температуры стенки трубы в процессе выхода на установившийся режим на предельно допустимом уровне в систему управления введен второй контур регулирования по температуре стенки трубы, который работает только в случае выхода температуры стенки трубы на ограничение. Переключение системы с одного контура на другой осуществляется автоматически с помощью компаратора, на вход которого подаются два сигнала – один задает предельно допустимую температуру трубы, второй контролирует фактическую температуру трубы.
При превышении температурой стенки трубы заданного значения сигнал с выхода компаратора инициирует переключение системы регулирования на работу в режиме стабилизации температуры стенки трубы. Распределение температурного поля в зависимости от функции распределения внутренних теплоисточников рассчитывается с помощью инструментария Matlab для решения дифференциальных уравнений в частных производных – PDE Toolbox (Partial Differential Equation Toolbox).
Заключение
Анализ температурного распределения в потоке нагреваемой жидкости показывает, что вследствие низкой теплопроводности ее нагрев характеризуется большим перепадом температур по сечению потока. Наличие жестких ограничений на температурный режим при нагреве нефти и вязких нефтепродуктов в процессе перекачки обусловливает необходимость применения протяженных нагревателей значительной длины для достижения требуемой средней температуры жидкости. Реализация нагревателей такой протяженности возможна только в виде многосекционных нагревательных систем. Полученные расчеты температуры и поля скоростей в потоке вязкой жидкости показали, что вследствие высокой вязкости и низкой теплопроводности нефти при строгом ограничении на температуру теплоносителя глубина прогрева потока жидкости незначительна. Существенная неравномерность температурного распределения по сечению потока не позволяет оценивать температурный режим по контролю в одной точке. Предложена оценка средней по сечению температуры жидкости на основании аппроксимации экспериментально полученной функции распределения температуры жидкости по сечению в виде кусочно-линейной зависимости. На основании численных экспериментов по переходной функции объекта получены передаточные функции системы «индуктор – металл – жидкость» для фиксированных координат по сечению потока жидкости. Передаточная функция объекта по каналу «мощность внутренних источников тепла – температура жидкости» представлена в виде комбинации параллельно соединенных апериодических звеньев и звеньев запаздывания. Реализована структура замкнутой системы автоматического регулирования средней по сечению потока жидкости температуры. Анализ качественных показателей работы разработанной системы регулирования при отработке возмущающих воздействий по различным каналам воздействий показал удовлетворительное качество работы системы.
About the authors
Aleksandr I. Danilushkin
Samara State Technical University
Author for correspondence.
Email: aidanilushkin@mail.ru
Dr. Sci. (Techn.), Professor
Russian Federation, 244, Molodogvardeyskaya st., Samara, 443100Vasiliy A. Danilushkin
Samara State Technical University
Email: aidanilushkin@mail.ru
PhD (Techn.), Associate Professor
Russian Federation, 244, Molodogvardeyskaya st., Samara, 443100References
- Industrial heating of long pipelines using SKIN systems / Electrotechnical portal of the Russian market [Electronic resource]. www.elec.ru (date of access: 10.10.2014).
- Strupinsky M.L., Khrenkov N.N., Kuvaldin A.B. Design and operation of electric heating systems in the oil and gas industry. M.: Infra-Engineering, 2015. 272 р.
- Wacker B., Karmeileopardus D., Trautmann B., Helget A., Torlak M. Electromagnetic Heating for In- Situ Production of Heavy Oil and Bitumen Reservoirs, SPE-148932, 2011.
- Special systems and technologies [Electronic resource]. www.sst.ru (accessed 01.05.2018).
- Jaber Taheri – Shakib, Ali Shekarifard, HassanNaderi. Experimental investigation of comparing electromagnetic and conventional heating effects on the unconventional oil (heavy oil) properties // Based on heating time and upgrading. V. 228, 2018. Pp. 243–253.
- Konesev S.G., Khlyupin P.A. Ecological heating systems for oil transport and storage facilities // Life Safety. 2012. № 7. Pp. 35–42.
- Shishkin N.D. The use of induction heating of oil during its transportation from fields in the Northern Caspian // Vestnik ASTU. 2011. № 3. Pp. 52–56.
- Trofimenko K.V., Shishkin N.D. Development of the design and evaluation of the parameters of the induction heater for oil and oil products // Vestnik ASTU. 2012. № 1(53). Pp. 78–83.
- Danilushkin A.I., Krivosheev V.E., Vasiliev I.V. Multisectional installation of indirect induction heating of liquid // Vestnik SamGTU. Series: Technicheskie Nauki, 2018. № 1(57).
- Pp. 92–101.
- Chekalkin A.L., Guryanov D.S. Increasing the reliability of the operation of the oil heating station of the NPS "Chikshino" // Science and technology of pipeline transportation of oil and oil products, 2011. №. 2. Pp. 80–83.
- EHR Funds Innovative Technology Improvement Product Development Program for Heavy Oil Production in Saskatchewan, Canada // EHR Enhanced Hydrocarbon Recovery Inc. http://www.hydrocarbonrecovery.com/EHR/News%20PDF's/07–20–12%20EHR%20sponsors
- %20new%20heavy%20oil%20technology%20research.pdf
- Bazarov A.A. The system of induction heating of a moving fluid // Vestnik SamGTU. Series: Technicheskie Nauki. 2005. № 37. Pp. 12–17.
- Bazarov A.A., Danilushkin A.I., Danilushkin V.A., Vasiliev I.V. Modeling of electromagnetic processes in a multilayer three-phase cylindrical induction system // Vestnik SamGTU. Series: Technicheskie Nauki. 2017. № 3(55). Pp. 50–60.
- Guseva M.A., Danilushkin I.A. Construction of numerical-analytical models of heat exchanger apparatus // Problems of control, transmission and processing of information. Tr. international, scientific conf. Saratov: Sarat. state tech. un-t, 2009. Pp. 168–170.
- Guseva M.A. Synthesis of a modal control system for a multi-section induction oil heater // Vestnik SamGTU. Series: Technicheskie Nauki. 2011. № 4(32). Pp. 150–157.
- Nemkov V.S., Demidovich V.B. Theory and calculation of induction heating devices. L.: Energoatomizdat, 1988. 280 p.
- Bazarov A.A., Danilushkin A.I., Danilushkin V.A. Complex modeling and control of the process of continuous induction heating of ferromagnetic blanks // Vestnik SamGTU. Series: Technicheskie Nauki. 2016. № 2(50). Pp. 128–139.
- ELCUT. Modeling of two-dimensional fields by the finite element method. User's manual. Version 5.9. St. Petersburg: Production cooperative TOR, 2009.
Supplementary files










