Применение устройств STATCOM для регулирования напряжения в энергосистеме с помощью метода поиска летучей мыши
- Авторы: Алехин Р.А.1, Кубарьков Ю.П.1
-
Учреждения:
- Самарский государственный технический университет
- Выпуск: Том 28, № 1 (2020)
- Страницы: 87-99
- Раздел: Электротехника
- URL: https://journals.eco-vector.com/1991-8542/article/view/35225
- ID: 35225
Цитировать
Полный текст
Аннотация
Современные энергосистемы характеризуются динамичным изменением всех входящих в них компонентов: появляется большое количество крупных промышленных потребителей, производятся регулярные работы по вводу в работу нового или модернизации старого израсходовавшего свой ресурс оборудования, разрабатываются новые концепции по созданию и управлению энергосистемами. Все эти действия приводят к значительному усложнению топологии энергосистем, а также к повышению трудоемкости проектирования новых и диспетчеризации имеющихся систем. При увеличении нагрузок увеличиваются системные потери и значительно ухудшается профиль напряжения во всех узлах энергосистемы. Электрическая энергия постоянно рассеивается в электрических сетях на уровнях передачи и распределения. Потери мощности в распределительной сети из-за более низкого уровня напряжения и более высокого отношения активного сопротивления к реактивному по сравнению с уровнем магистральных сетей являются более значительными. Кроме того, потери мощности вынуждают электрические станции придерживаться большей генерации активной и реактивной мощностей, что приводит к повышенному использованию топлива и росту тарифов для конечного потребителя. В сложившейся ситуации использование традиционных методов для нахождения оптимальных условий работы энергосистем становится неэффективным. Наибольшую популярность для решения подобных проблем приобрели эвристические, а затем и метаэвристические оптимизационные методы, способные найти решение, близкое к глобальному оптимиуму. В статье представлено решение проблемы оптимизации уровней напряжения в энергосистеме с помощью метода поиска летучей мыши и выполнено сравнение полученных результатов с методом оптимизации роя частиц. Рассматриваемый метод показал более высокие оптимизационные качества, что свидетельствует о его пригодности для решения подобных задач.
Ключевые слова
Полный текст
Введение
Энергосистемы по всему миру являются весьма динамично развивающимися техническими комплексами. С ростом населения, а также регулярным появлением все большего количества производств с высоким потреблением электроэнергии увеличивается и суммарная нагрузка, а структура распределительной системы становится все более сложной. К тому же регулярно появляются новые технологии, улучшающие различные показатели электроэнергии. Так, по всему миру наметилась тенденция к переходу от использования централизованных электрических станций к созданию небольших сетей с собственной генерацией небольшой мощности, как правило, использующих для выработки возобновляемых источников энергии (ветер, солнечное излучение, термальные источники и др.) Подобные комплексы объединены в термин «распределенная генерация». Однако эксплуатация и модернизация таких динамичных систем ставит перед сетевыми компаниями, проектными, а также исследовательскими организациями новые задачи. При увеличении нагрузок увеличиваются системные потери, значительно ухудшается профиль напряжения во всех узлах энергосистемы. Электрическая энергия постоянно рассеивается в электрических сетях на уровнях передачи и распределения. Потери мощности в распределительной сети из-за более низкого уровня напряжения и более высокого отношения R/X по сравнению с уровнем передачи являются более значительными. Кроме того, потери мощности вынуждают электрические станции придерживаться большей генерации активной и реактивной мощностей, что, в свою очередь, приводит к повышенному использованию ископаемого топлива, а также повышению тарифов на электроэнергию для конечного потребителя. Опрос показывает, что до 70 % общих потерь мощности в энергосистеме относятся к распределительной сети [1–2]. Потери активной мощности, связанные с распределительной сетью, в основном связаны с электрическим сопротивлением и обычно привлекают больше внимания со стороны распределительных сетевых компаний.
Целью данной статьи является применение оптимизационного метода поиска летучей мыши для задачи снижения отклонений уровней напряжения от заданных значений во всех узлах энергосистемы, а также его сравнение с методом оптимизации роя частиц.
Устройства компенсации реактивной мощности
К способам борьбы с потерями электрической энергии и отклонениями уровней напряжений в электрических сетях относятся [3]:
- изменение коэффициентов трансформации у трансформаторов. В зависимости от модели трансформатора возможно регулирование как под нагрузкой, так и с отключением нагрузки на момент переключений;
- изменение тока возбуждения генераторов на электрических станциях;
- применение различных компенсирующих устройств, приводящих к перераспределению перетоков реактивной мощности.
Традиционно размещение устройств компенсации реактивной мощности является основным методом снижения потерь в распределительных системах [4]. Возможны два типа установки подобных устройств: последовательная и поперечная. Они изменяют параметры системы так, чтобы обеспечить высокую компенсацию реактивной мощности.
Для оптимизации пропускной способности линии передачи используется шунтирующая и последовательная компенсация. Используя контроллеры FACTS, можно управлять такими переменными, как величина напряжения и фазовый угол на выбранном фрагменте сети, импеданс линии. Есть пять хорошо известных устройств FACTS, используемых энергетиками для этой цели. К таким устройствам относятся статический вариатор (SVC), статический синхронный компенсатор (STATCOM), тиристорный конденсатор с последовательным управлением (TCSC), статический синхронный последовательный компенсатор (SSSC) и унифицированный контроллер потока мощности (UPFC). Стабилизация напряжения происходит, когда система загружена выше предельной максимальной нагрузки. В настоящее время для анализа этой проблемы предложены различные методы. Большинство из этих методов основаны на идентификации системного равновесия, когда соответствующие якобианы становятся единичными. Эти точки равновесия обычно называют точками нестабильного напряжения и могут быть математически связаны с разветвлением опорного узла. Точки нестабильного напряжения также известны как точки максимальной нагрузки.
Производство и передача электроэнергии – сложный процесс, требующий совместной работы многих компонентов энергосистемы для максимизации производительности. Одним из компонентов, составляющих основную часть, является реактивная мощность в системе. В большинстве случаев требуется стабилизировать напряжение для передачи активной мощности по линиям. Нагрузки, такие как нагрузки двигателя и другие, требуют реактивной мощности для их работы. Чтобы повысить производительность систем электропитания переменного тока, необходимо эффективно управлять этой реактивной мощностью.
Есть два аспекта проблемы компенсации реактивной мощности: компенсация нагрузки и поддержка напряжения.
Компенсация нагрузки состоит из улучшения коэффициента мощности, балансировки активной мощности, потребляемой от источника питания, лучшего регулирования напряжения и т. д. При больших колебаниях нагрузки стабилизация напряжения состоит в уменьшении колебаний напряжения на данном участке линии передачи. Можно использовать два типа компенсации: последовательную и шунтирующую. При этом изменяются параметры системы и обеспечивается оптимальная компенсация. В последние годы были разработаны статические компенсаторы VAR, такие как тиристорный конденсатор с последовательным управлением (TCSC) и статические компенсаторы реактивной мощности STATCOM. Они вполне удовлетворительно выполняют работу по потреблению или генерации реактивной мощности с более быстрым откликом по времени и относятся к гибким системам передачи переменного тока (FACTS). Это позволяет увеличить передачу полезной мощности по линии передачи и значительно улучшить стабильность за счет регулировки параметров, управляющих энергосистемой.
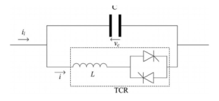
TCSC является контроллером серии FACTS. Он может увеличить пропускную способность, уменьшить потери в системе, улучшить стабильность системы, улучшить профиль напряжения линий. Это лучшее устройство для контроля потока мощности в линии электропередачи. TCSC состоит из последовательного конденсатора, индуктора, тиристорного регулятора. Последовательный компенсирующий конденсатор соединен последовательно с линией передачи, а TCR подключен непосредственно параллельно с конденсатором.
Не требуется никаких сопряженных устройств, таких как высоковольтный трансформатор. TCR состоит из переменного индуктора и тиристоров [2, 14].
Схема TCSC приведена на рис. 1. Это устройство может быстро изменять реактивное сопротивление линии передачи и изменять поток энергии в линии передачи. Работа TCSC может быть объяснена с помощью анализа цепей. TCR (рис.2) – индуктивное реактивное сопротивление, контролируемое углом зажигания [6].
Рис. 1. Простая схема TCSC
Рис. 2. Эквивалентная схема TCR
Статические синхронные компенсаторы (STATCOM)
STATCOM позволяет существенно увеличить пропускную способность активной мощности через линии электропередачи в установившихся режимах и значительно улучшить устойчивость энергосистемы путем регулировки таких параметров, как ток, напряжение, фазовый угол и полное сопротивление [6]. Эти устройства являются дополнением к традиционному управлению энергосистемой, но благодаря быстродействию контроллеров возможно использование устройств STATCOM для повышения стабильности энергосистемы за счет улучшенного демпфирования колебаний мощности. Достигается это путем регулирования перетоков полной мощности и уменьшения низкочастотных колебаний в сети. С точки зрения динамической устойчивости энергосистемы STATCOM обеспечивает лучшие демпфирующие характеристики, чем другие устройства, входящие в концепцию FACTS, статические тиристорные компенсаторы [7–8].
За счет своих конструктивных особенностей такие устройства используются для регулирования перетоков реактивной мощности в системе независимо от других параметров системы. STATCOM не имеет собственных источников генерации активной мощности на стороне постоянного тока и не может обмениваться активной мощностью с системой переменного тока.
STATCOM включает в себя трехфазный инвертор, основанный на биполярных транзисторах с изолированным затвором, конденсатор постоянного тока, который обеспечивает напряжение постоянного тока для инвертора, связующий реактор, который связывает выход инвертора со стороной источника переменного тока, а также трансформатор связи устройства с сетью высокого напряжения. Состав STATCOM представлен на рис. 3. На стороне конденсатора трехфазное напряжение генерируется инвертором, а фаза синхронизируется с источником питания со стороны переменного тока [9–11].
Рис. 3. Устройство STATCOM
В случае отставания фазы напряжения в сети от фазы на устройстве STATCOM представляется для энергосистемы в виде емкостного элемента и вырабатывает реактивную мощность. В обратном случае STATCOM становится индуктивным элементом и происходит потребление реактивной мощности из сети.
Математическая модель
Задача поиска оптимальных уровней напряжений в узлах энергосистемы с распределенной генерацией подразумевает использование для этих целей устройств компенсации реактивной мощности. Для правильного оценивания эффективности выполняемых в ходе экспериментов действий необходим выбор корректных математических функций. Для поставленной задачи невозможен выбор только одной функции, так как изменение и контроль только за одним параметром – уровнем напряжения в энергосистеме – приводит к значительным изменениям других параметров энергосистемы, которые могут поставить под сомнение эффективность применяемых действий. С этой целью в работе рассматриваются две целевые функции.
Целевая функция, учитывающая суммарные отклонения уровней напряжения от заданных значений:
(1)
целевая функция, учитывающая суммарные перетоки активной мощности по всем линиям в энергосистеме:
(2)
где i и j – номера линий и узлов в энергосистеме соответственно;
M и N – общее количество узлов и линий электропередач в энергосистеме соответственно;
Uj и Uj зад – напряжение в узле и заданное напряжение в соответствующем узле;
Ri и Ii – активное сопротивление и ток в соответствующей линии электропередач.
Оценка эффективности выполнения операций оптимизации выполняется с помощью минимизации фитнес-функции (функции пригодности), в которую указанные выше целевые функции включены с различными весовыми коэффициентами. Фитнес-функция позволяет объединить в простом и пригодном для анализа уравнении все множество переменных многомерного пространства решения, коим является модель энергосистемы. Фитнес-функция представлена в формуле [12]
(3)
где W1, W2 – весовые коэффициенты:
(4)
Надлежащее выполнение расчетов невозможно без учета различных режимных ограничений. В силу наличия в энергосистемах большого количества оборудования различного назначения и конфигурации все оно имеет свои эксплуатационные пределы, при выходе за которые возможно быстрое сокращение сроков службы устройств, их поломка и возникновение аварийной ситуации.
Наиболее значимые ограничения представлены в формулах (5) – (9):
(5)
(6)
(7)
(8)
(9)
где
Uj – напряжение в узле j;
Si – переток полной мощности по линии электропередачи i;
Pj, Qj – выработка активной и реактивной мощности в узле j соответственно;
Ti – номер отпайки РПН/ПБВ трансформатора или автотрансформатора i.
Метод поиска летучей мыши
В связи со значительным ростом производительности электронно-вычислительных машин, обусловленного развитием микропроцессорных устройств, у ученых по всему миру появилась возможность выполнять моделирование сложных систем большой размерности, затрачивая гораздо меньше времени на проведение расчетов. Общий алгоритм оптимизационного метода применительно к поставленной задаче следующий.
На схеме (рис. 4): fi и β – частота издаваемого летучей мышью i звука и произвольное число из интервала (0; 1) соответственно;
– величина изменения, текущий объем и лучшее значение компенсации реактивной мощности в узле i соответственно;
rand и ri – произвольное число от 0 до1 и частота импульсов летучей мыши i соответственно;
и rand1 – громкость летучей мыши i на итерации k, средняя громкость всех летучих мышей и произвольное число в диапазоне (-1; 1) соответственно;
α и γ – константы [13–18].
Рис. 4. Блок-схема алгоритма поиска летучей мыши
Все это способствовало бурному развитию специального раздела математики – оптимизации и появлению большого количества эвристических и метаэвристических оптимизационных методов.
Данные методы способны не вполне точно, но с достаточной степенью приближения находить решение широкого круга задач, в том числе и в сфере электроэнергетики. В основе многих оптимизационных методов лежат явления и процессы, происходящие в природе. К их числу относится и метод поиска летучей мыши.
Концепция метода поиска летучей мыши заключается в применении отличительных качеств данного вида животных – использовании эхолокации при поиске пищи и ориентации в пространстве. Во время перемещения в пространстве мыши, обнаружив интересующие их места, переходят к более детальному изучению небольшой области. Для выполнения таких действий летучие мыши в процессе поиска способны изменять частоту и громкость звука, а также частоту испускаемых импульсов.
Исследуемая энергосистема
Для выполнения оценки эффективности метода поиска летучей мыши для задачи сокращения отклонений уровней напряжения в узлах энергосистемы от заданных значений использовалась модель энергосистемы, представленная на рис. 5. Данная модель включает в себя 50 узлов классов напряжения 220/110/35/10/6 кВ и содержит как потребителей, так и генерирующее оборудование.
Рис. 5. Схема исследуемой энергосистемы
Для компенсации реактивной мощности в энергосистеме используются устройства СТАТКОМ.
Результаты расчетов
Для выполнения сравнительного анализа рассчитывались три режима:
- расчет без устройств компенсации реактивной мощности в сети;
- расчет с помощью алгоритма поиска летучей мыши;
- расчет с помощью метода оптимизации роя частиц.
Результаты проведенных расчетов представлены на рис. 5–10.
По полученным графикам видно, что после выполнения всех итераций фитнес-функция алгоритма поиска летучей мыши имеет меньшее значение по сравнению с методом роя частиц. Значения напряжений в большинстве узлов энергосистемы по методу поиска летучей мыши отклоняются от заданных значений на меньшую величину по сравнению с другим рассматриваемым методом.
Рис. 6. Фитнес-функции оптимизационных методов
Рис. 7. Отклонения уровней напряжений в узлах 110 кВ
Рис. 8. Отклонения уровней напряжений в узлах 35 кВ
Рис. 9. Отклонения уровней напряжений в узлах 10 кВ
Рис. 10. Отклонения уровней напряжений в узлах 6 кВ
Заключение
Представленные результаты подтверждают, что алгоритм поиска летучей мыши применим для задач стабилизации уровней напряжения в узлах энергосистемы при заданных значениях мощности в узлах нагрузок, а также для оптимального распределения реактивной мощности в энергосистеме. В сравнении с методом оптимизации роя частиц, являющегося одним из наиболее популярных в данной области, рассматриваемый метод показывает лучшие оптимизационные качества. Применение данного метода позволит увеличить пропускную способность линий электропередач, а также сократить потери электроэнергии при её передаче. Полученные данные создают задел для дальнейшего использования алгоритма поиска летучей мыши для более широкого круга электроэнергетических задач, а также его дальнейшей модернизации.
Об авторах
Роман Александрович Алехин
Самарский государственный технический университет
Автор, ответственный за переписку.
Email: journal@eco-vector.com
аспирант
Россия, 443100, г. Самара, ул. Молодогвардейская, 244Юрий Петрович Кубарьков
Самарский государственный технический университет
Email: journal@eco-vector.com
(д.т.н., проф.), профессор кафедры «Электрические станции»
Россия, 443100, г. Самара, ул. Молодогвардейская, 244Список литературы
- Sarfi R.J., Salama M.M.A., Chikhani A.Y. A survey of the state of the art in distribution system reconfigu-ration. Electr. Power Syst. Res., 1994. Vol. 4, no. 1. Pp. 61–70.
- Gallego R.A., Monticelli A., Romero R. Optimal capacitor placement in radial distribution networks. IEEE Trans. Power Sys., 2001. Vol. 16, no. 4. Pp. 630–637.
- Кудрин Б.И. Электроснабжение промышленных предприятий: Учебник для вузов. М.: Энергоатом-издат, 1995. 446 с.
- Natesan R. and Radman G. Effects of STATCOM, SSSC and UPFC on Voltage Stability, Proceedings of the system theory thirty – Sixth southeastern symposium, 2004, pp. 546–550.
- Talebi N., Ehsan M., Bathaee S.M.T. Effects of SVC and TCSC Control Strategies on Static Voltage Col-lapse Phenomena, IEEE Proceedings, Southeast Con, Mar 2004, pp. 161–168.
- Kazemi A., Vahidinasab V. and Mosallanejad A. Study of STATCOM and UPFC Controllers for Voltage Stability Evaluated by Saddle – Node Bifurcation Analysis, First International Power and Energy Coference PECon/IEEE, Putrajaya, Malaysia, November 28–29, 2006, pp. 191–195.
- Arthit Sode-Yome, Nadarajah Mithulananthan and Kwang Y. Lee. Static Voltage Stability Margin En-hancement Using STATCOM, TCSC and SSSC, IEEE/PES Transmission and Distribution Conference & Exhibition, Asia and pacific, Dalian Chine, 2005, pp. 1–6.
- Cañizares A., Cavallo C., Pozzi M., and Corsi S. Comparing Secondary Voltage Regulation and Shunt Compensation for Improving Voltage Stability and Transfer Capability in the Italian Power System. Electric Power Systems Research, Vol. 73, No. 1, pp 67–76, January, 2005.
- Chang C.F. Reconfiguration and Capacitor Placement for Loss Reduction of Distribution Systems by Ant Colony Search Algorithm. IEEE Trans. Power Sys, 2008. Vol. 23 no. 1. Pp. 1747–1755.
- Dehini R., Chellali B., Bassou C. Simulation of Distribution Static Compensator (DSTATCOM) to Improve Power Quality. Arabian Journal for Science and Engineering, 2012. Vol. 38, no. 1. Pp. 3051–3058.
- Tyll H.K., Schettler F. Power System Problems solved by FACTS Devices. Power Systems Conference and Exposition, 2009. IEEE/PES Power Systems Conference and Exposition, 2009. Vol. 1, no. 1. Pp. 1–5.
- Perron M., Ghahremani E., Heniche A., Kamwa I., Lafond C., Racine M., Akremi H., Cadieux P., Lebeau S., Landry S. Wide-area voltage control system of flexible AC transmission system devices to prevent voltage collapse. ET Generation, Transmission &Distribution, 2017. Vol. 11, no. 18. Pp. 4556–4564.
- Eltamaly A.M., Elghaffar A.N. Load Flow Analysis by Gauss-Seidel Method; A Survey. International Journal of Mechatronics, Electrical and Computer Technology, 2017. Vol. 1, no. 1. Pp. 1–8.
- Urmila B., Mohini, Kiran R., Anju G. Transient stability enhancement of multi machine system using static VAR compensator. International Journal of Engineering Research and General Science, 2015. Vol. 3, no. 3. Pp. 1068–1076.
- Fandi G., Muller Z., Straka L., Svec J. FACTS devices influence on power losses in transmission systems. 15th International Scientific Conference on Electric Power Engineering (EPE), 2014. Vol. 1, no. 1. Pp. 29–33.
- Okeke T.U., Zaher R.G. Flexible AC Transmission Systems (FACTS). International Conference on New Concepts in Smart Cities: Fostering Public and Private Alliances (SmartMILE), 2013. Vol. 1, no. 1. Pp. 1–4.
- Chebbo A.M., Irving M.R. Combined Active and Reactive Dispatch – Part 1: Problem Formulation and Solution Algorithm. IEEE Proc. Generat. Transm. Distribut., 2002. Vol. 142, no. 4, Pp. 393–400.
- Yang X.S. BAT Algorithm for Multiobjective Optimization. Int. J. Bio-Inspired Comput., 2011. Vol. 3, No. 5, Pp. 267–274.
Дополнительные файлы



