Research of the control system for liquids level maintenance in tanks
- Authors: Abakumov A.M.1, Kuznetsov P.K.1, Kurgan V.P.1, Goryachkin A.A.1
-
Affiliations:
- Samara State Technical University
- Issue: Vol 29, No 1 (2021)
- Pages: 104-119
- Section: Electrical Engineering
- URL: https://journals.eco-vector.com/1991-8542/article/view/60065
- DOI: https://doi.org/10.14498/tech.2021.1.8
- ID: 60065
Cite item
Full Text
Abstract
The problems of controlling the operating modes of pumping units with a frequency-controlled drive based on an asynchronous short-circuited motor are considered. The specific features of the requirements for the control process quality indicators of liquid level stabilization control system for the reservoirs are discussed. Mathematical models of functionally necessary parts of the system are obtained in the form of transfer functions: a frequency-controlled drive with scalar control, a generalized control object, and a feedback sensor. The linearized model of the controlled object taking into consideration a nonlinear dependence of the the torque at the motor shaft on rotational speed is obtained in the form of a transfer function of the aperiodic unit. A block diagram of a closed loop liquid level control system has been developed. It is shown that the use of standard settings for the system under consideration, focused on maximum performance achievement, can leads to unacceptable values of control action speed variations and hence to generation of hydraulic shocks that decreases a wear of kinematic parts of the unit. A method for the synthesis of the controller is proposed, which takes into account the limitations on the quality indicators of the transient process of a speed variation of the pump unit when control system counteracts main disturbances. The synthesis of controller is carried out for an example of a specific installation and the results of modeling transients of a control system and perturbing effects are discussed.
Full Text
В последние десятилетия у нас в стране и за рубежом значительное внимание уделяется применению частотно-регулируемого привода (ЧРП) для совершенствования режимов работы вентиляторных и насосных установок, широко используемых в промышленности, ЖКХ, сельском хозяйстве и потребляющих около 40 % вырабатываемой в стране электроэнергии [1–4, 5–10, 13, 16–18].
Управление частотой вращения центробежных нагнетательных установок позволяет существенно снизить расход электроэнергии и повысить эффективность управления технологическими режимами.
По результатам энергетических обследований [3, 6, 7], многие установки водоснабжения, в том числе в сфере ЖКХ, работают со значительным превышением напора, что приводит к существенным бесполезным затратам электроэнергии и утечкам воды. В этих условиях модернизация действующих приводов насосов с нерегулируемыми асинхронными короткозамкнутыми двигателями путем установки преобразователей частоты позволяет понизить напор в трубопроводной системе за счет снижения скорости насосных агрегатов до требуемых значений. При этом благодаря кубической зависимости мощности центробежных нагнетателей от скорости достигается значительный энергосберегающий эффект.
Наряду с отмеченными простыми техническими решениями в насосных установках используются замкнутые системы автоматического управления режимами работы насосных агрегатов [3, 6, 7, 9, 10, 15–18]. Они предназначены преимущественно для решения одной из следующих задач.
- Стабилизация давления в определенной точке гидравлической сети, в частности в так называемой «диктующей» точке разветвленной трубопроводной сети. Такие системы обеспечивают комфортные условия водоснабжения потребителей и дают дополнительную экономию электроэнергии по сравнению с вариантом простого снижения напора за счет уменьшения скорости насосного агрегата установки водоснабжения.
- Стабилизация уровня жидкости в напорных и приемных резервуарах. Применение таких систем должно обеспечивать прежде всего нормальное протекание технологического процесса и предотвращать возникновение аварийных ситуаций в условиях изменения отбора или притока жидкости. Дополнительно, как правило, достигается энергосберегающий эффект.
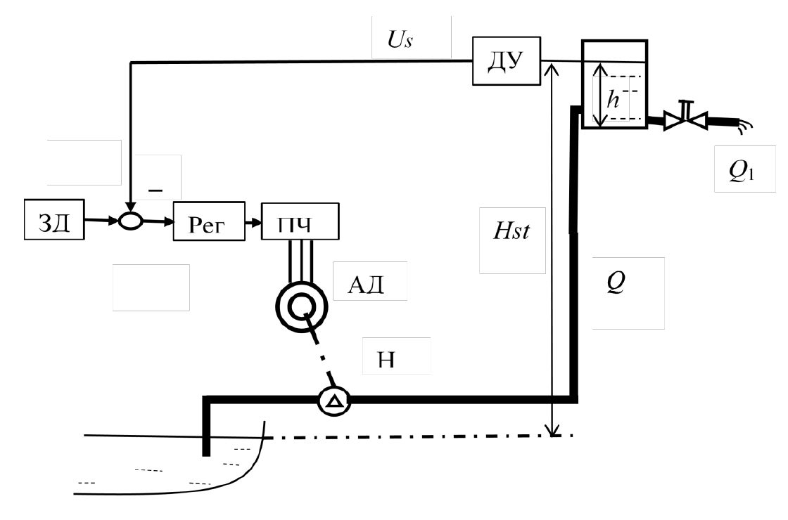
Системы стабилизации уровня жидкости в резервуарах широко используются в промышленности и сфере ЖКХ. В насосных установках, подающих воду потребителям через аккумулирующую емкость (резервуар, напорную башню и т. п. (рис. 1)), жидкость забирается из источника, например водоема, и подается насосным агрегатом в выше расположенную напорную емкость.
Если потребление (отбор) жидкости Q1 равно подаче Q, то уровень h в аккумулирующей емкости остается постоянным. Поскольку расход жидкости, как правило, изменяется, возникает задача управления подачей (производительностью) насосного агрегата с целью поддержания постоянного уровня. Стабилизация уровня исключает переполнение емкости и создает комфортные условия для потребителей. С энергетической точки зрения желательно поддерживать минимальный уровень жидкости в накопительной емкости – в этом случае высота подъема и расход энергии будут минимальными, что обеспечит дополнительный энергосберегающий эффект.
Наряду с рассмотренной задачей системы стабилизации уровня используются в установках для откачки жидкости из приемных резервуаров: для откачки грунтовых вод в горной промышленности, в канализационных насосных станциях и др. В этом случае необходимо поддерживать требуемый уровень жидкости в резервуаре, из которого производится откачка. Для таких установок аварийным является не только режим переполнения резервуара, но и режим, когда уровень снижается ниже допустимого и жидкость не поступает во всасывающий патрубок насоса.
С точки зрения синтеза САУ задачи аналогичны. Для определенности далее рассматривается задача стабилизации уровня жидкости в напорном резервуаре.
Одним из вариантов ее решения является использование релейного способа управления. В этом случае на напорной емкости устанавливаются датчики максимального и минимального уровня, с помощью которых формируются сигналы на включение/отключение насосного агрегата.
Релейная система проста в реализации, но при переменном графике потребления число включений/отключений двигателя в сутки, как показывает опыт эксплуатации подобных установок [6, 7], может достигать 50...100. Такой режим работы приводит к повышенному износу насосного агрегата, дополнительным потерям электроэнергии в пусковых режимах, а для агрегатов мощностью больше 150…200 кВт является недопустимым.
В этих условиях целесообразно использование замкнутых систем стабилизации уровня на базе частотно-регулируемого привода. Однако при их внедрении, как отмечено в [6, 7], возникают проблемы с обеспечением необходимой статической точности и устойчивости САУ, что делает актуальной задачу анализа динамических характеристик ее элементов и разработки методики синтеза подобных систем.
Функциональная схема системы (см. рис. 1) содержит: насос Н, приводимый в движение асинхронным двигателем АД; преобразователь частоты ПЧ; датчик уровня ДУ; задатчик уровня ЗД; регулятор Рег.
Рис. 1. Функциональная схема системы стабилизации уровня жидкости в аккумулирующей емкости
Математическая модель объекта управления
Для рассматриваемой задачи регулирующим воздействием на объект управления является скорость ω насосного агрегата, определяющая напор насоса и подачу Q жидкости в емкость; основным возмущающим воздействием служит расход (отбор) жидкости Q1.
Напор насоса уравновешен статическим напором и потерями напора в элементах гидравлической системы, которые зависят от квадрата подачи [4, 6, 7, 12]:
где S – суммарное гидравлическое сопротивление насоса и трубопровода.
Если принять, что при номинальной скорости насосного агрегата обеспечивается номинальная подача, то согласно (1) значение гидравлического сопротивления
При использовании регулируемого привода напор насоса в соответствии с уравнением подобия [3, 6, 7] определяется фиктивным напором и зависит от квадрата относительной угловой скорости:
и уравнение (1) с учетом (3) преобразуется к виду:
В рассматриваемом объекте изменение статического напора (см. рис. 1) равно изменению уровня жидкости в емкости: . Линеаризовав уравнение (4), после преобразований приращение подачи с учетом (2) можно представить в виде
где
и – значения скорости и подачи в точке линеаризации (в рабочей точке).
Соотношению (5) соответствуют звенья 1, 2 и первый узел алгебраического суммирования сигналов на структурной схеме (рис. 2).
Приращение объема жидкости в баке определяется подачей и расходом:
или в операторной форме
Рис. 2. Структурная схема объекта управления
Тогда динамические свойства звена 3, устанавливающего взаимосвязь между приращением объема жидкости и разностью подачи и расхода , можно отразить передаточной функцией интегрирующего звена (см. рис. 2):
Приращение уровня жидкости в емкости связано с приращением ее объема соотношением
где B – площадь поверхности зеркала жидкости в резервуаре.
Взаимосвязь этих переменных показана на структурной схеме звеном 4 с коэффициентом передачи
В соответствии со структурной схемой (см. рис. 2) объекту управления присуща отрицательная обратная связь. Ее действие, например, в случае возрастания уровня жидкости в баке приводит к уменьшению разности напора насоса и статического напора и снижению подачи.
Согласно полученной структурной схеме передаточная функция объекта по управляющему воздействию
где постоянная времени объекта
Математическая модель ЧРП
Исполнительным элементом в рассматриваемой САУ является ЧРП, с помощью которого создается регулирующее воздействие на объект управления.
Для центробежных насосов момент статического сопротивления при нулевом статическом напоре зависит от квадрата относительной частоты вращения и снижается при уменьшении частоты. Такой характер нагрузки и невысокие требования к диапазону регулирования и точности поддержания скорости позволяют применять для привода насосов простые приводы со скалярным управлением.
Используя модель ЧРП со скалярным управлением, рассмотренную в [15], структурную схему линеаризованной системы частотного управления асинхронным двигателем для приращения переменных представим в виде, приведенном на рис. 3.
Рис. 3. Структурная схема ЧРП
Схема отражает динамические свойства ЧРП для рабочего участка характеристики двигателя.
Электромагнитная и электромеханическая инерционность АД отражены на структурной схеме передаточными функциями апериодического и интегрирующего звеньев:
где – жесткость линеаризованной механической характеристики:
– максимальный (критический) момент АД;
– синхронная угловая скорость АД при номинальной частоте напряжения на статоре;
– критическое скольжение АД;
– электромагнитная постоянная АД:
– электромеханическая постоянная АД:
J – приведенный момент инерции двигателя и механизма.
На схеме показан также динамический момент:
Указанные звенья и связи отражают динамические свойства АД для случая, когда момент сопротивления механизма не зависит от скорости. Для насосов механический момент на валу в соответствии с формулой подобия [3, 6, 7] зависит от квадрата скорости:
где – номинальный момент двигателя.
Линеаризовав последнее соотношение, получим:
где
Эквивалентная передаточная функция участка структурной схемы, охваченного обратной связью с коэффициентом :
где
Передаточная функция двигателя с учетом зависимости момента сопротивления от скорости на основе структурной схемы (рис. 3) будет:
где
Динамические свойства преобразователя частоты описываются передаточной функцией
где и – коэффициент передачи и постоянная времени ПЧ.
Передаточная функция электропривода
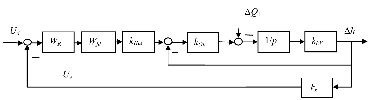
С учетом изложенного структурная схема системы стабилизации, замкнутой обратной связью по уровню с коэффициентом передачи , показана на рис. 4.
Рис. 4. Структурная схема системы стабилизации уровня жидкости в резервуаре
Синтез регулятора
Стандартные методы синтеза регуляторов [11] ориентированы на достижение высокого быстродействия при отработке задающего воздействия. Высокое быстродействие достигается за счет компенсации «больших» постоянных времени в контуре регулирования и форсировки регулирующего воздействия на объект управления.
Рассматриваемая система стабилизации должна обеспечить прежде всего высокую точность отработки основного возмущения в условиях ограничений на перерегулирование и скорость изменения регулирующего воздействия, обусловленных необходимостью предотвращения гидравлических ударов и повышенного износа звеньев кинематической цепи насосного агрегата.
В связи с этим синтез регулятора целесообразно вести, рассматривая динамические характеристики системы по возмущающему воздействию для выходной координаты – скорости насосного агрегата.
Перенеся возмущение на второй блок сравнения (см. рис. 3), структурную схему системы относительно рассматриваемых переменных можно преобразовать к виду, показанному на рис. 5.
Рис. 5. Преобразованная структурная схема системы стабилизации уровня жидкости в резервуаре
Динамические характеристики рассматриваемой системы определяются прежде всего свойствами замкнутого контура. В соответствии со структурной схемой (см. рис. 5) передаточная функция нескорректированного контура в разомкнутом состоянии:
Как показал численный анализ, постоянная времени объекта управления на несколько порядков превышает постоянные времени звеньев ЧРП, что позволяет на этапе синтеза регулятора пренебречь последними и упрощенно принять:
где коэффициент усиления разомкнутого контура
Требуемый апериодический характер переходного процесса изменения скорости при отработке ступенчатого возмущения в замкнутой системе можно получить [11, 14], выбрав эталонную (желаемую) передаточную функцию разомкнутого контура в виде передаточной функции интегрирующего звена:
При этом динамические свойства замкнутого контура будут эквивалентны свойствам апериодического звена с передаточной функцией
с постоянной времени
Рассматриваемый переходный процесс в системе будет протекать по экспоненциальному закону с известным максимальным ускорением, равным , и заканчиваться для 5%-й зоны допустимых отклонений за время
Передаточную функцию регулятора несложно найти, приравняв передаточные функции (10) разомкнутой скорректированной системы и эталонной (11):
откуда
Последнее выражение соответствует передаточной функции ПИ-регулятора
Для компенсации «большой» постоянной времени объекта следует принять постоянную времени дифференцирующей составляющей регулятора
Наличие интегральной составляющей регулятора обеспечивает астатизм системы. Постоянная времени интегральной составляющей определяется соотношением
Учитывая формулы (12) и (14), для определения следует задаться требуемым (желаемым) временем регулирования и рассчитать постоянную времени интегрирования регулятора:
Назначая (выбирая) значение , следует учитывать, что увеличение снижает динамические нагрузки в насосном агрегате, но приводит к увеличению динамического отклонения уровня жидкости в резервуаре при отработке возмущения.
Переходный процесс изменения скорости насосного агрегата при отработке задающего воздействия определяется передаточной функцией замкнутой системы, которая при пренебрежении инерционностью звеньев электропривода приводится к виду:
Дифференцирующее звено ( в числителе полученной передаточной функции как раз и позволяет скомпенсировать большую постоянную времени объекта управления и получить высокое быстродействие при отработке задающего сигнала. Однако этот эффект достигается за счет форсированного изменения скорости насосного агрегата, что нежелательно и, в принципе, не требуется для рассматриваемой системы.
Требуемый апериодический характер изменения скорости при отработке сигнала задания достигается включением на входе системы фильтра с передаточной функцией апериодического звена с постоянной времени :
Естественно, в результате такого решения увеличивается время переходного процесса.
Моделирование системы стабилизации уровня жидкости
В качестве примера при моделировании рассмотрена установка с насосным агрегатом АК 50-250/263/37,0/2 со следующими техническими данными:
Агрегат оснащен приводным двигателем АИР200M2 с номинальными данными:
Площадь зеркала аккумулирующей емкости принята B=10 м2.
По приведенным выше выражениям рассчитаны значения параметров математической модели системы:
Расчетные значения постоянной времени для двух принятых величин желаемых значений =3с и 6с составляют соответственно 15,6с и 31,2с.
Графики переходных процессов изменения скорости при скачке основного возмущения – расхода жидкости на 0,5Qном приведены на рис. 6.
Время регулирования для расчетного значения постоянной времени регулятора составляет 3 с; при двукратном увеличении время регулирования возрастает в два раза, до 6 с. Инерционность ЧРП, как и предполагалось, не оказывает существенного влияния на переходный процесс.
Рис. 6. Графики изменения скорости насосного агрегата при скачке расхода жидкости на 0,5 Qном: кривая 1 – =15,6 с; кривая 2 = 31,2 с
Графики переходных процессов изменения уровня жидкости в резервуаре при скачке расхода жидкости для тех же значений показаны на рис. 7.
Как следует из графиков, максимальное динамическое отклонение (провал) уровня составляет 0,001 м для кривой 1 и 0,002 м для кривой 2. Следовательно, величина динамического провала вполне приемлема, а увеличение ведет к примерно пропорциональному возрастанию динамического провала или выброса уровня.
Переходные процессы изменения скорости насосного агрегата и уровня жидкости при скачке сигнала задания для системы стабилизации в силу самого назначения системы имеют второстепенной значение. В этом случае также желательно, чтобы процесс изменения скорости насосного агрегата протекал без перегулирования.
Рис. 7. Графики изменения уровня жидкости в емкости при скачке расхода жидкости на 0,5 Qном: кривая 1 – =15,6 с; кривая 2 – =31,2 с
График изменения скорости для рассматриваемого переходного процесса в системе с фильтром по выражению (16) на входе системы показан рис. 8. Он характеризуется интенсивным нарастанием скорости на начальном участке с последующим «дотягиванием» до установившегося значения.
Рис. 8. График изменения скорости при скачке сигнала задания в системе с фильтром на входе
Расчетный график переходного процесса изменения уровня жидкости в резервуаре в замкнутой системе управления при скачке сигнала задания показан на рис. 9.
Время отработки сигнала задания определяется постоянной времени объекта Tо≈6000 с и, как следует из графиков, составляет около 18000 с. Уменьшить его можно за счет форсировки переходного процесса изменения скорости, т.е. создания повышенных нагрузок на насосный агрегат. Такое решение должно обосновываться требованиями конкретной установки.
Отметим еще одну особенность подобных систем.
Возможны ситуации, когда расход жидкости Q1 из емкости относительно невелик. В этом случае подача Q и скорость насосного агрегата снижаются. Скорость агрегата при регулировании не должна быть меньше некоторой допустимой по условиям нормального режима работы насоса [6, 7]. Поэтому при снижении скорости до некоторой определенной минимальной величины электропривод в таких системах переводится в так называемый «спящий» режим – скорость двигателя устанавливается равной нулю. Работа привода возобновляется, когда отклонение уровня жидкости превысит допустимое значение.
Рис. 9. График изменения уровня жидкости в емкости при скачке сигнала задания в системе с фильтром на входе
Такая система имеет зону нечувствительности, которая дополнительно к динамической ошибке определяет наибольшее отклонение уровня жидкости в резервуаре от заданного значения.
По литературным данным [6, 7], допустимое отклонение для САУ уровня не должно превышать ±10…50 мм. В современных системах эти значения могут быть значительно уменьшены. Однако высокая точность достигается непрерывным изменением скорости насосного агрегата, что приводит к дополнительным знакопеременным нагрузкам элементов кинематической схемы и их повышенному износу. Поэтому в некоторых случаях рекомендуется устанавливать повышенную зону нечувствительности САУ.
Выводы
Линеаризованная модель объекта управления системы стабилизации уровня жидкости в резервуаре получена в виде апериодического звена первого порядка, параметры которого зависят от номинальных значений напора и подачи насосного агрегата, статического напора и площади резервуара. Постоянная времени объекта управления, как правило, на несколько порядков превышает постоянные времени исполнительного элемента и датчика обратной связи, что позволяет на этапе синтеза регулятора использовать упрощенную модель системы. Рассмотрена методика синтеза регулятора с учетом ограничений на скорость изменения регулирующего воздействия на объект управления при отработке основного возмущения – изменения отбора жидкости из резервуара. Результаты моделирования системы управления с выбранным ПИ-регулятором для конкретной установки свидетельствуют о достижении требуемых показателей качества регулирования при отработке возмущающего и задающего воздействий.
About the authors
Aleksandr M. Abakumov
Samara State Technical University
Email: abakumov-am@yandex.ru
Dr. Sci. (Techn.), Professor
Russian Federation, 443100, Samara, Molodogvardeyskaya st., 244Pavel K. Kuznetsov
Samara State Technical University
Email: epa@samgtu.ru
Dr. Sci. (Techn.), Professor
Russian Federation, Russia, 443100, Samara, Molodogvardeyskaya st., 244Vladimir P. Kurgan
Samara State Technical University
Email: epa@samgtu.ru
Ph.D. (Techn.), Associate Professor
Russian Federation, 443100, Samara, Molodogvardeyskaya st., 244Alecsandr A. Goryachkin
Samara State Technical University
Author for correspondence.
Email: gor.al.al@yandex.ru
SPIN-code: 1951-4865
Student
Russian Federation, 443100, Samara, Molodogvardeyskaya st., 244References
- Kozachenko V.F., Mikolayenko V.P., Kudryashov A.L. Mikroprotsessornaya sistema kontrolya dlya preobrazovateley chastoty dlya ispol'zuyemykh na zavodakh asinkhronnykh elektricheskikh dvigatelyakh nasosov i ventilyatorov. Elektrotekhnika. 2005. № 7. Рр. 29–33.
- Gavrilov D.P., Barabanov V.G. Razrabotka i issledovaniye sistemy upravleniya nasosnoy ustanovkoy Vestnik YUUrGU. Seriya «Mashinostroyeniye». 2017. T. 17, № 2. Рр. 11–19.
- Il'inskiy N.F., Moskalenko V.V. Elektroprivod: energo- i resursosberezheniye. М.: Akademiya, 2008. 208 р.
- Kedrov V.S. Vodosnabzheniye i vodootvedeniye. 2-ye izd., pererab. i dop. M.: Stroyizdat, 2002. 336 р.
- Kopyrin V.G., Borodatskiy Ye.V. Avtomatizatsiya nasosnoy stantsii s primeneniyem chastotno-reguliruyemogo elektroprivoda. Silovaya elektronika. 2006. № 7. Рр. 33–35.
- Leznov B.S. Chastotno-reguliruyemyy elektroprivod nasosnykh ustanovok. M.: Mashinostroyeniye, 2013. 176 р.
- Leznov B.S. Energosberezheniye i reguliruyemyy elektroprivod. M.: Energoatomizdat, 2006. 242 р.
- Lepeshkin A.V., Mikhaylin A.A., Sheypak A.A. Gidravlika i gidropnevmoprivod: Gidravlicheskiye mashiny i gidropnevmoprivod / Pod red. A.A. Sheypaka. M.: MGIU, 2003. 352 р.
- Lysenko O.A., Degtyarev A.V., Khamitov R.N. Modelirovaniye elektrotekhnicheskogo kompleksa v sisteme «asinkhronnyy dvigatel' – tsentrobezhnyy nasos». Izvestiya Transsiba. 2013. № 3 (15). Рр. 35–40.
- Lysenko O.A., Khamitov R.N. Sistema stabilizatsii napora ustanovok tsentrobezhnykh nasosov so skalyarnym upravleniyem chastoty vrashcheniya asinkhronnogo dvigatelya. Izvestiya Transsiba. 2013. № 4(16). Рр. 25–30.
- Metody klassicheskoy i sovremennoy teorii avtomaticheskogo upravleniya: Sintez regulyatorov sistem avtomaticheskogo upravleniya / pod red. K.A. Pupkova, N.D. Yegupova. M.: Izd-vo MGTU im. N.E. Baumana, 2004. 616 s.
- Pavlinova I.I., Bazhenov V.I., Gubiy I.G. Vodosnabzheniye i vodootvedeniye. 4-ye izd., pererab. i dop. M.: Yurayt, 2013. 472 р.
- Petrov D.N., Serbin Yu.V. Reguliruyemyy privod v nasosnykh ustanovkakh. Silovaya elektronika. 2005. № 4. Рр. 27–30.
- Rapoport E.Yа. Sistemy podchinennogo regulirovaniya elektroprivodov postoyannogo toka: konspekt lektsiy. Kuybyshev: KPTI, 1985. 56 р.
- Terekhov V.M., Osipov O.I. Sistemy upravleniya elektroprivodov. M.: Akademiya, 2005. – 304 р.
- Fashchilenko V.N. Reguliruyemyy elektroprivod nasosnykh i ventilyatornykh ustanovok gornykh predpriyatiy: Ucheb. posobiye. M.: Gornaya kniga, 2011. 260 р.
- Wei H., Li P., Jia H. Variable Structure Robust Design for Variable Frequency Pump-control-motor SpeedGoverning System. Nongye Jixie Xuebao / Transactions Agricultural Machinery. 2009. Vol. 40. № 10. Pр. 188–192.
- Xiuhe L. Section Variable Frequency Speed Regulation Control Applied in Pump Energy Saving. International Conference on Computer, Mechatronics, Control and Electronic Engineering, Changchun. 2010. Vol. 3. № 610276. Pр. 431–434
Supplementary files












