Adaptive system for maintaining the quality of the field oil treatment
- Authors: Konygin S.B.1, Konovalenko D.V.1, Kryuchkov D.A.1
-
Affiliations:
- Samara State Technical University
- Issue: Vol 28, No 4 (2020)
- Pages: 32-49
- Section: Informatics, Computer Science and Control
- URL: https://journals.eco-vector.com/1991-8542/article/view/61105
- ID: 61105
Cite item
Full Text
Abstract
The paper deals with the issues of creating an adaptive system for maintaining the quality of field oil treatment. The proposed system is based on a mathematical model of the oil preparation process, which allows predicting the quality indicators of commercial products. To prevent the deviation of the commercial oil quality indicators from the standard values, the system predicts new values of the technological regime parameters and the time of their correction. The mathematical model of the process is implemented in a software product for modeling and calculating processes and devices "MiR PiA Process". The proposed system constantly adapts the mathematical model to the real operating mode of the installation on the basis of instrumentation and automation data, as well as periodically obtained results of laboratory analyzes.
Full Text
Одной из актуальных проблем промысловой подготовки нефти является то, что в определенные периоды времени не удается получить товарную нефть, соответствующую нормативным требованиям. К основным причинам можно отнести изменение состава и расхода исходной сырой нефти, меняющиеся погодные условия и различные нарушения в работе оборудования [1]. Все это приводит к необходимости постоянной корректировки режима работы установки подготовки нефти (УПН) [2]. Однако поиск необходимых значений параметров режима сопряжен с проведением большого количества сложных технологических расчетов [3–5], что затруднительно в условиях промысла.
Ранее в работах [6–7] было предложено одно из решений, способное оказать персоналу УПН поддержку в поиске новых значений параметров технологического режима. Данная статья является развитием этого решения. В ней рассматривается создание адаптивной системы поддержания качества (АСПК) подготовки нефти к транспортировке. АСПК представляет собой специализированную компьютерную программу, которая интегрируется в действующую АСУТП установки. Ее целью является прогнозирование значений давления насыщенных паров (ДНП) и содержания сероводорода в товарной нефти и выдача рекомендаций по корректировке режима работы УПН в случае их отклонения от нормативных значений.
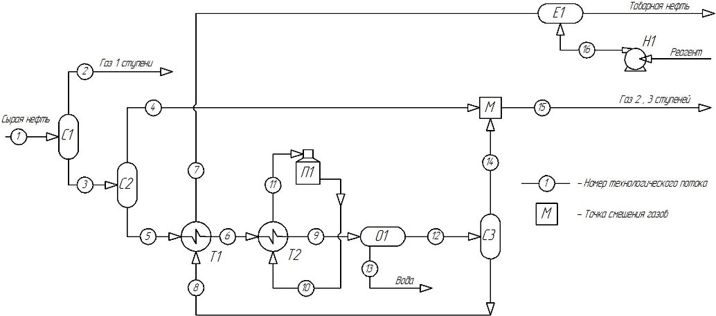
Технологическая схема процесса подготовки представлена на рис. 1. Сырая нефть проходит три ступени сепарации С1, С2, С3, на которых последовательно понижается давление. В результате из нее удаляется попутный нефтяной газ, содержащий сероводород. Для доведения ДНП нефти до нормативного значения перед третьей ступенью сепарации С3 предусмотрен ее нагрев в теплообменниках Т1 и Т2. Теплообменник Т1 служит для предварительного подогрева за счет рекуперации тепла. Окончательный нагрев нефти в Т2 производится с помощью промежуточного теплоносителя, приходящего из печи П1. Повышение температуры также улучшает процесс отстаивания воды в отстойнике О1. Оставшийся сероводород нейтрализуется химическим реагентом, подаваемым насосом Н1 в емкость Е1.
Рис. 1. Схема технологического процесса подготовки нефти
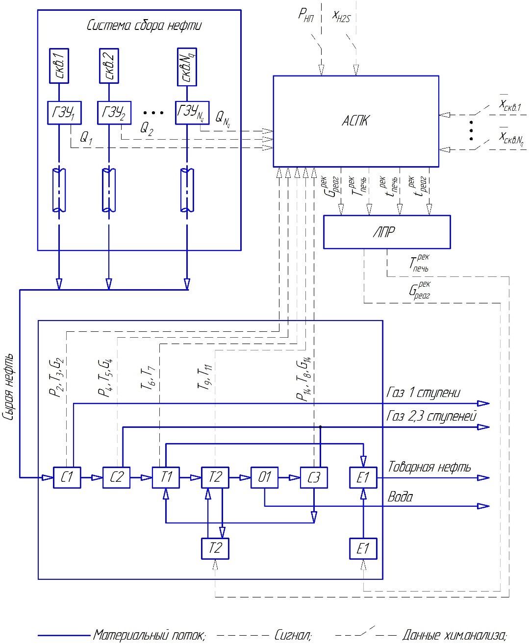
Схема интеграции АСПК в систему сбора и подготовки нефти показана на рис. 2. Объектом управления является технологический процесс подготовки нефти. Его спецификой является то, что показатели качества целевой продукции не могут быть измерены непосредственно в ходе процесса, а определяются в химических лабораториях. Поэтому управление процессом по отклонению этих параметров от нормативных значений в настоящее время не представляется возможным.
В этой связи предлагаемая АСПК представляет собой систему управления по возмущающим воздействиям. Непосредственно измеряемыми параметрами возмущающих воздействий являются значения расходов нефти Qq ( – номер скважины, Nq – общее количество скважин), поступающие с групповых замерных установок (ГЗУ). Возмущающие воздействия со стороны окружающей среды и изменения эффективности работы оборудования могут быть косвенно отражены реальными значениями непосредственно измеряемых параметров технологического режима. Для сепаратора С1 такими параметрами являются температура T3, давление Р2 и расход G2 выходящих потоков (индексы соответствуют номерам потоков на рис. 1). Аналогично для сепараторов С2 и С3 такими параметрами будут Т5, Р4, G4 и Т8, Р14, G14 соответственно. Для теплообменников T1 и T2 это температуры выходящих потоков T6, T7 и T9, T11 соответственно.
Химические составы пластовых нефтей (Nj – количество веществ в химическом составе) очень медленно изменяются с течением времени, поэтому принимаются в АСПК постоянными. Однако при необходимости их значения могут быть скорректированы в процессе работы АСПК (например, при вводе в эксплуатацию новых скважин).
Рис. 2. Схема интеграции АСПК в систему сбора и подготовки нефти
Данные по показателям качества товарной нефти (давление насыщенных паров Рнп и содержание сероводорода xН2S), периодически получаемые из химических лабораторий, вносятся в АСПК и используются для уточнения параметров математической модели.
АСПК работает в непрерывном режиме и в зависимости от сложности установки и быстродействия компьютера предлагает лицу, принимающему решение (ЛПР), результаты своей работы с периодичностью в несколько минут.
Особенностью объекта управления является его линейная технологическая структура, т. е. в нем поток нефти движется последовательно от входа к выходу (без рециклов и т. п.). Таким образом, работу объекта управления можно условно представить в виде некого конвейера, а поступающий в него непрерывный поток нефти – в виде последовательности порций определенного состава. При этом каждая порция нефти последовательно проходит ряд операций: отделение газа, нагрев, отделение воды, отделение газа и нейтрализация сероводорода. Поэтому работа АСПК может быть сведена к определению двух групп параметров:
1) параметры режима (при поступлении порции нефти на каждую операцию в ней должны быть созданы определенные термобарические условия, совокупность которых обеспечит качество готовой продукции);
2) временные параметры (УПН должна успевать изменить термобарические условия в каждом аппарате к моменту поступления в него новой порции нефти другого состава).
Разработанная АСПК выдает рекомендации для ЛПР по температуре теплоносителя на выходе из печи и расходу реагента для нейтрализации сероводорода . Значения давлений на ступенях сепарации поддерживаются соответствующими подсистемами стабилизации имеющейся АСУТП на уровне регламентных значений и не меняются с течением времени. Процесс сепарации является адиабатическим, поэтому каждому составу поступающей порции нефти будет соответствовать вполне определенное значение температуры теплоносителя и расхода реагента. Они могут быть определены с помощью математической модели, описывающей квазистационарный процесс подготовки нефти данного состава.
В ходе оценки временных параметров АСПК, во-первых, прогнозирует составы поступающей нефти и соответствующие показатели качества готовой продукции и с упреждением на некоторое время. Для этого АСПК по модели квазистационарного процесса выполняет ряд расчетов на ожидающиеся в ближайшее время составы нефти. Исходя из этих прогнозов ЛПР имеет возможность по своему запросу получить от АСПК рекомендуемые значения параметров технологического режима и для любой ожидающейся порции нефти для времени tвыбр.
Во-вторых, АСПК определяет время внесения этих изменений ( и ) в технологический режим. В силу того, что [8]:
1) изменение расходов нефти, поступающей на установку, как правило, происходит не чаще, чем раз в сутки;
2) влияние погодных условий характеризуется преимущественно суточной периодичностью (день/ночь);
3) диапазон изменений температур теплоносителя, как правило, находится в пределах 10 °С, что позволяет достаточно быстро менять режим,
примем допущение пренебрежимо малой инерционности системы подачи реагента и малой инерционности конура нагрева теплоносителя в сравнении с временами изменения возмущающих параметров.
Исходя из вышесказанного алгоритм для ЛПР строим следующим образом.
При отсутствии резких изменений расходов добываемой нефти производится постоянная корректировка технологического режима на основании прогноза на время, равное длительности разогрева контура теплоносителя. За это время существенного изменения параметров работы технологического оборудования не произойдет.
Кроме этого, постоянно анализируется прогноз работы системы сбора нефти на более длительный период времени. При появлении резких изменений добычи нефти оценивается запас времени до момента, когда будет требоваться смена режима. В течение этого периода принимается решение о необходимости реагирования на данные изменения (например, кратковременные отклонения могут быть проигнорированы). Кроме того, значения новых параметров технологического режима постоянно уточняются АСПК по мере приближения нефти другого состава к УПН.
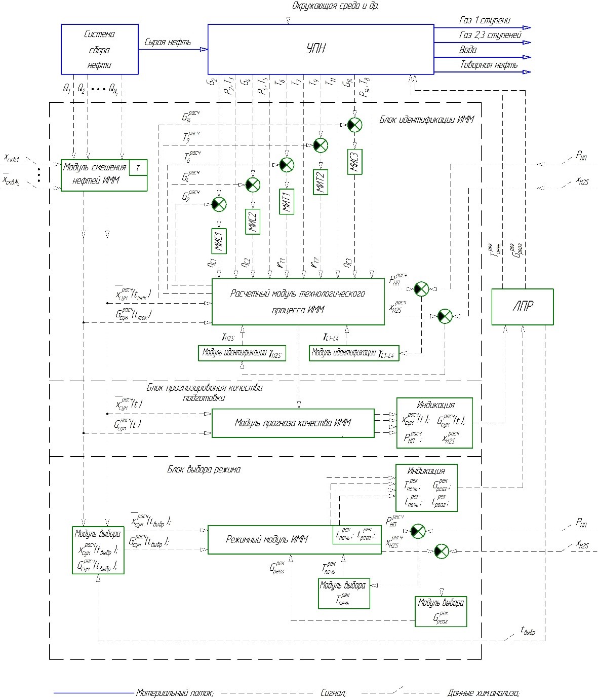
Схема АСПК промысловой подготовки нефти показана на рис. 3. Данные о расходах Qq с ГЗУ поступают в модуль смешения нефтей идентифицируемой математической модели (ИММ). На их основании рассчитывается мольный расход и состав поступающей на подготовку суммарной нефти, которые передаются в расчетный модуль технологического процесса ИММ. В него же поступают данные о текущих значениях параметров технологического режима (P2, T3, G2, P4, T5, G4, P14, T8, G14, T6, T7, T9, T11). На их основе прогнозируются показатели качества готовой продукции: давление насыщенных паров и содержание сероводорода .
Эти данные поступают в режимный модуль ИММ для сравнения с нормативными значениями и . В случае их отклонения определяются новые значения управляющих параметров: температуры теплоносителя на выходе из печи и расхода реагента для нейтрализации сероводорода . В этом же модуле определяются времена внесения изменений в режим работы установки и . В конечном итоге вся информация передается персоналу УПН, который принимает решение и вносит необходимые изменения в технологический процесс с помощью действующей системы АСУТП.
При периодическом появлении новых результатов лабораторных анализов качества товарной нефти Pнп и xH2S и их отклонения от расчетных значений модули идентификации и проводят корректировку поправочных коэффициентов (см. ниже).
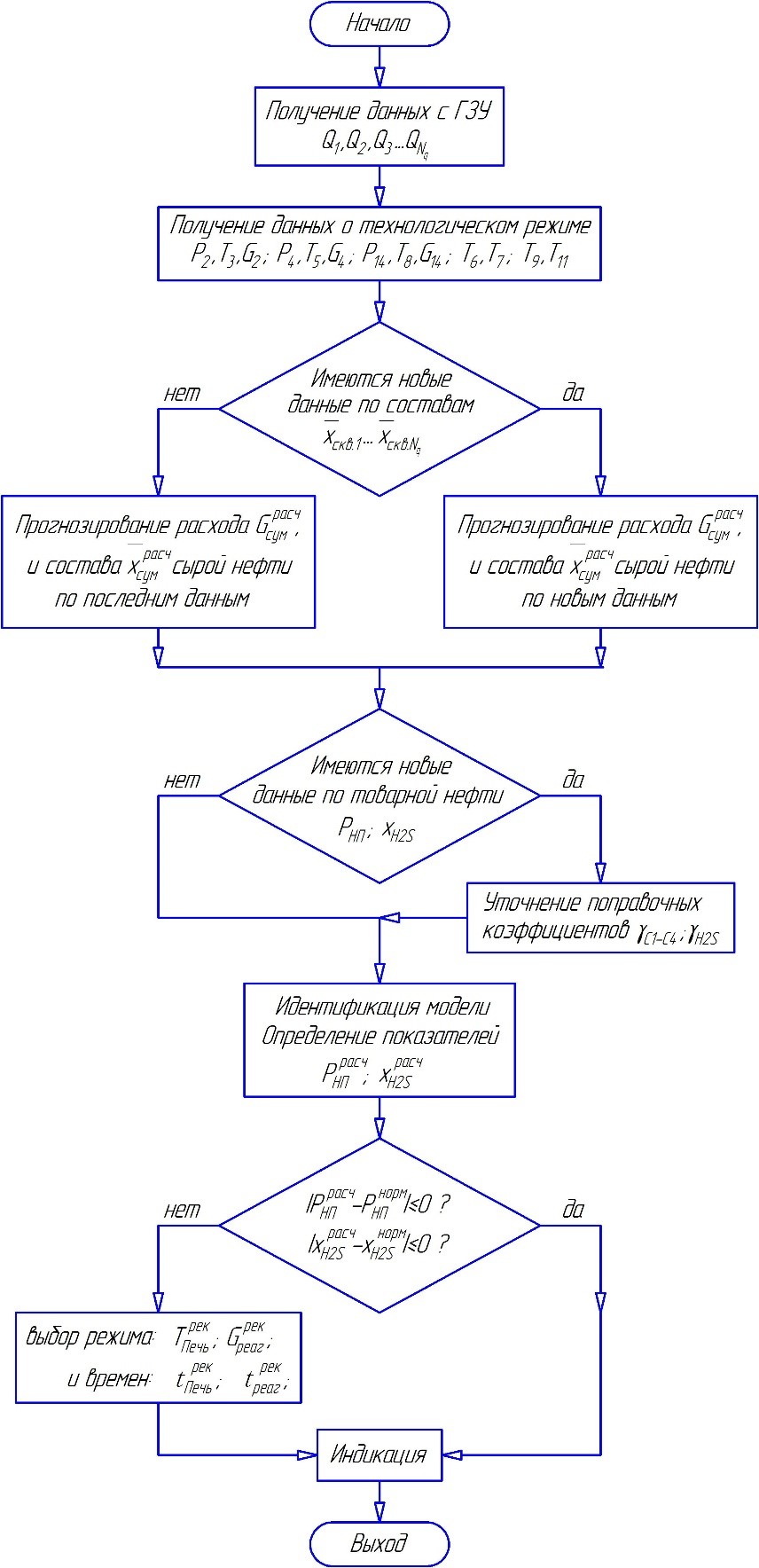
Описанный алгоритм работы АСПК представлен на рис. 4.
Особенностью модуля смешения нефтей ИММ является то, он отражает различное удаление нефтедобывающих скважин от УПН и смешение в трубопроводах системы сбора потоков добытой жидкости в различных сочетаниях. В этой связи для прогнозирования состава и расхода суммарной сырой нефти необходимо учитывать задержки tсбор, связанные с движением жидкости по трубопроводам [9].
Для анализа система сбора нефти представляется в виде бинарного дерева, т. е. в каждый трубопровод нефть поступает из двух предыдущих трубопроводов (см. рис. 5). В этом случае расчет процесса смешения для системы сбора в целом может быть сведен к рекурсивному расчету смешения потоков в элементе, представленном на рис. 6.
Рис. 3. Схема АСПК промысловой подготовки нефти:
tтек – текущий момент времени; tвыбр – выбранный ЛПР момент времени;
МИС1, МИС2, МИС3 – модули идентификации параметров сепараторов С1, С2, С3;
МИТ1, МИТ2 – модули идентификации параметров теплообменников Т1, Т2
Рис. 4. Алгоритм работы АСПК
Для расчетного элемента объемный расход жидкости на выходе будет равен
.(1)
Время задержки tсбор, затрачиваемое на прохождение жидкости по трубопроводу, определяется из интегрального уравнения, описывающего процесс заполнения трубопровода объемом Vтр:
. (2)
Так как расходы входящих потоков нефти Qтр1(t) и Qтр2(t) являются положительными величинами, то уравнение (2) всегда имеет единственное решение.
Рис. 5. Расчетная схема бинарного дерева системы сбора нефти
Рис. 6. Расчетный элемент системы сбора нефти
Вычисленное из (2) время tсбор задержки (для каждого трубопровода оно свое) позволяет определить состав потока, выходящего из трубопровода в момент времени t:
.(3)
В формуле (3) химический состав выражен в объемных долях веществ в жидкости. После завершения расчета процесса смешения он переводится в мольные доли.
Для трубопроводов, в которых не происходит смешения, а поступает нефть со скважины, для расчета принимается Qтр2(t) = 0. Суммарные расход и состав сырой нефти будут равны расходу и составу потока, выходящего из корневого трубопровода.
ИММ технологического процесса связывает показатели качества товарной нефти с параметрами исходного сырья и режима работы технологического оборудования:
,(4)
.(5)
Она базируется на материальных и тепловых балансах, фазовых равновесиях и теплопередаче. Общая модель технологического процесса включает модели всех аппаратов, участвующих в нем.
Математическая модель сепаратора определяет расходы Gm, Gn и составы выходящих из него газа и жидкости в зависимости от условий в нем:
;(6)
;(7)
;(8)
;(9)
;(10)
;(11)
,(12)
где Hk, Hm, Hn – энтальпии потоков;
ei – мольная доля газа;
fj – константы фазового равновесия веществ;
f nj, fmj – фугитивности веществ;
hi – испарительный КПД;
gj – поправочные коэффициенты;
i – номер аппарата;
j – номер вещества;
k, m, n – номера потоков (см. рис. 1).
Для сепаратора С1: i=1, k=1, m=2, n=3, для сепаратора С2: i=2, k=3, m=4, n=5, для сепаратора С3: i=3, k=12, m=14, n=8.
Математическая модель теплообменника [10] связывает температуры Tm, Tu выходных потоков с тепловой нагрузкой E аппарата:
;(13)
;(14)
;(15)
;(16)
;(17)
;(18)
,(19)
где K – коэффициент теплопередачи;
r – термическое сопротивление загрязнений;
F – поверхность теплообмена;
DT – средняя разность температур;
i – номер аппарата (см. ниже);
k, m, n, u – номера потоков (см. ниже и рис. 1).
Для теплообменника Т1: i=1, k=6, m=5, n=7, u=8, для теплообменника Т2: i=2, k=6, m=9, n=10, u=11.
Математическая модель отстойника определяет расходы и составы выходящих из него жидкостей:
;(20)
;(21)
(22)
(23)
;(24)
где b – номер вещества H2O. Для отстойника О1: k=9, m=12, n=13 (см. рис. 1).
Математическая модель точки смешения газов сепарации определяет расход и состав суммарного газа:
;(25)
;(26)
.(27)
Для точки смешения М: k=15, m=4, n=14 (см. рис. 1).
Математическая модель печи связывает параметры входного и выходного потоков теплоносителя и тепловую мощность:
;(28)
;(29)
(30)
.(31)
Для печи П1: i=1, k=10, m=11 (см. рис. 1).
Математическая модель емкости нейтрализации определяет необходимый расход реагента для очистки от сероводорода:
,(32)
где – удельный расход реагента;
– номер вещества H2S.
Для емкости нейтрализации Е1: i=1, k=7, n=16 (см. рис. 1).
В основу расчета фазовых равновесий и теплофизических свойств материальных потоков положено кубическое уравнение состояния Пенга – Робинсона [11–12]. Согласно этому уравнению зависимости фугитивностей и энтальпий от температуры определяются выражениями [10]:
, (33)
. (34)
В уравнениях (33)–(34) параметры a, a, A, B, D определяются через температуры, давления и критические свойства веществ по известным формулам [11]. Сжимаемость фаз Z рассчитывается путем решения кубического уравнения [11]
.(35)
Зависимость энтальпии идеального газа Hид(T) от температуры представляет собой аппроксимацию экспериментальных данных для химических веществ [13].
В силу сложности моделируемого процесса и многокомпонентности фаз аналитическое решение уравнений (6)–(35) является крайне затруднительной задачей. Для численного решения используется специализированный программный продукт «МиР ПиА Процесс» [14]. Он позволяет проводить численное моделирование технологических процессов и аппаратов в различных отраслях промышленности [15–16]. Модель УПН, реализованная с помощью программного продукта «МиР ПиА Процесс», представлена на рис. 7.
Для корректного прогнозирования показателей качества готовой продукции параметры математической модели необходимо идентифицировать в режиме реального времени согласно текущему режиму работы технологического оборудования.
Для идентификации моделей каждого из сепараторов C1, C2, C3 (модули МИС1 – МИС3 на рис. 3) используются измеренные данные о температуре T3, T5, T8, давлении P2, P4, P14 и расходе газа на выходе G2, G4, G14. При этом значения температур T3, T5, T8 и давлений P2, P4, P14 напрямую вносятся в математическую
Рис. 7. Модель УПН, реализованная с помощью программного продукта «МиР ПиА Процесс».
модель (6)–(35). Затем определяется значение испарительного КПД ступени сепарации hi, при котором расчетный расход газа равен реальному Gm. Это равенство обеспечивается за счет уменьшения констант фазового равновесия fj на величину испарительного КПД:
.(35)
Типовая зависимость расчетного расхода газа от величины КПД приведена на рис. 8а. Монотонный характер этой зависимости позволяет найти единственное решение задачи идентификации модели сепаратора.
Схожим образом проводится идентификация модели теплообменников (модули МИТ1 – МИТ2, рис. 3). При этом для каждого из них используются измеренные значения температур выходных потоков. Здесь варьируемой величиной выступает коэффициент термических сопротивлений загрязнений r, влияющий на общий коэффициент теплопередачи аппарата. Величина коэффициента r находится из условия равенства расчетной выходной температуры потока реальному значению.
Типовая зависимость выходной температуры от коэффициента r также носит монотонный характер (рис. 8б), что позволяет найти единственное решение задачи.
Результатом решения уравнений (6)–(35) является определение значений показателей качества товарных потоков. Эти данные поступают в блок выбора режима для сравнения с нормативными значениями (см. рис. 3). В случае отклонения найденных значений от нормативных режимный модуль ИММ определяет температуру теплоносителя на выходе из печи и расход реагента для нейтрализации сероводорода . Эта задача имеет единственное решение и не требует применения многомерных методов поиска. Это возможно, так как зависит только от , а рассчитывается исходя из остаточного содержания сероводорода при температуре .
Поэтому в первую очередь определяется температура Tпечь теплоносителя на выходе из печи, обеспечивающая требуемое значение давление насыщенных паров . Решение этой обратной задачи осуществляется в режимном модуле ИММ методом многократного решения прямой задачи.
Рис. 8. Типовые зависимости, получаемые и используемые в ходе идентификации моделей сепаратора (а) и теплообменника (б)
На рис. 9 показан типовой график зависимости давления насыщенных паров от температуры теплоносителя. Монотонный характер представленной зависимости позволяет легко определить решение Tпечь, например методом половинного деления.
Рис. 9. Зависимость давления насыщенных паров от температуры теплоносителя
После определения температуры теплоносителя рассчитывается количество реагента, необходимого для нейтрализации сероводорода , по формуле (31).
Рис. 10. Временные диаграммы изменения потоков УПН и транспортных задержек управляющих воздействий
Представленная выше математическая модель (6)–(35) описывает стационарный режим работы УПН, а корректировки технологического режима должны вноситься в разных точках технологической схемы. Время их внесения рассчитывается с учетом временной задержки на транспортировку. Это время определяется на основе модели идеального вытеснения и индивидуально для каждой конкретной УПН. На рис. 10 показаны типовые временные диаграммы изменения потоков УПН и транспортных задержек управляющих воздействий. Эти временные диаграммы относятся к простейшему случаю скачкообразного изменения состава исходной нефти (график а). При этом изменение давления насыщенных паров товарной нефти и содержания сероводорода в ней происходит синхронно в конце цикла подготовки (графики б и в). График г отображает время внесения корректировки расхода реагента . Изменение температуры нагрева нефти осуществляется с учетом инерции контура нагрева (график д).
Если, как отмечалось ранее, инерционность подачи реагента в модели (6)–(35) не учитывается, то изменение расхода реагента происходит в момент поступления потока новой нефти в емкость Е1. Однако в силу определенной инерционности контура нагрева теплоносителя регулировка печи должна происходить заблаговременно. Тогда для определения времени упреждения применяется эмпирическая формула, описывающая изменение во времени температуры потока 9, выходящего из теплообменника Т2 (см. рис. 11), как апериодического звена с запаздыванием
,(36)
где , – начальное и конечное значения температуры, соответствующие старому и новому технологическому режиму;
– постоянная времени контура циркуляции теплоносителя, определяемая экспериментально для конкретной УПН.
Рис. 11. График переходного процесса в теплообменнике T2
Тогда время упреждения для печи будет равно (при допустимом отклонении температуры на 0,1 °С)
.(37)
Как отмечалось выше, внедрение АСПК не отменяет необходимости периодического проведения лабораторных анализов. Их результаты используются для уточнения параметров gj математической модели (6)–(35). Необходимость проведения корректировки обусловлена тем, что в ходе эксплуатации меняются параметры технологического оборудования, что влияет на интенсивность испарения отдельных веществ [17]. В случае отклонения расчетного давления от действительного проводится корректировка значения для легких компонентов от метана (C1) до бутана (C4) включительно. В случае отклонения расчетного содержания сероводорода от действительного проводится корректировка значения gH2S для сероводорода. Решение этих обратных задач проводится аналогично решению обратной задачи по определению температуры теплоносителя на выходе из печи.
Наибольшую практическую пользу внедрение предложенной АСПК может принести для УПН, получающих сырую нефть с небольшого числа скважин. Эти установки являются наиболее чувствительными, так как изменение объемов добычи или остановка на ремонт даже одной скважины может оказать существенное влияние на состав исходной нефти. Однако и для больших УПН внедрение АСПК является актуальным, так как позволит избежать получения некондиционной нефти при авариях в системе сбора нефти, а также при резкой смене параметров окружающей среды.
About the authors
Sergey B. Konygin
Samara State Technical University
Author for correspondence.
Email: info@eco-vector.com
Dr. Sci. Techn., Professor
Russian Federation, 244, Molodogvardeyskaya st., Samara, 443100, Russian FederationDenis V. Konovalenko
Samara State Technical University
Email: info@eco-vector.com
Senior Lecture
Russian Federation, 244, Molodogvardeyskaya st., Samara, 443100, Russian FederationDmitry A. Kryuchkov
Samara State Technical University
Email: info@eco-vector.com
Ph.D. Techn, Associate Professor
Russian Federation, 244, Molodogvardeyskaya st., Samara, 443100, Russian FederationReferences
- Gumovsky O.A. Method of maintaining the quality of marketable oil at the oil treatment plant under conditions of changing properties of raw materials. Scientific works of TatNIPIneft. – Kazan, 2013. – No. 81. – Р. 420–427.
- Verevkin A.P. Operational control of technological processes of oil preparation according to technical and economic indicators / A.P. Verevkin, I.D. Yeltsov, Yu.I. Zozulya, O.V. Kiryushin // Automation, telemechanization and communication in the oil industry. Moscow: VNIIOENG, 2006. No. 3. P. 48–53.
- Artyushkin I.V. Neural network control system for the process of thermochemical dehydration of oil emulsions: dissertation of the candidate of technical sciences: 05.13.06 / Artyushkin Ilya Vyacheslavovich. – Samara, 2018. – 136 p.
- Kuzichkin A.A. An adaptive reforming process control system with an identifiable model: dissertation of the candidate of technical sciences: 05.13.06 / Kuzichkin Alexey Anatolyevich, Samara 2018. – 137 p.
- Putokhin V.S. Statistical model of oil treatment process control. – RNTS VNIIOENG. Ser. "Automation and telemechanization of the oil industry", 1979, No. 9, p. 9–12.
- Konovalenko D.V. Decision support system for oil treatment using the digital twin of the technological unit // Modeling, optimization and information technologies. 2020. – № 1 (28). – Р. 23–24.
- Konovalenko D.V., Konygin S.B. The system for maintaining the quality of oil for oil preparation using a mathematical model in the control system // Collection of articles of the XXX international scientific and practical conference "EurasiaScience". – Moscow: "Research and Publishing Center" Actuality.RF, 2020. – Pp. 60–62.
- Tronov V.P. Field treatment of oil. – Kazan: FEN, 2000. – 416 p.
- Konovalenko D.V., Konygin S.B. Model of oil mixing taking into account transport delay // Collection of scientific articles on the results of the sixth international scientific conference "Priority areas of innovative activity in industry". – Kazan, 2020. – Рр. 93–95.
- Ivanyakov S.V., Ignatenkov Yu.I., Konovalenko D.V. Modeling the operation of plate heat exchangers in a double-circuit water supply system // Bulletin of the Samara State Technical University. Technical Science Series, 2017. – No. 2 (54). – Рр. 196–199.
- Wayles S. Phase equilibria in chemical technology. – M.: Mir, 1989. – Vol. 1. – 304 p.
- Gurevich G.R., Brusilovsky A.I. A reference manual for calculating the phase state and properties of gas-condensate mixtures. – M.: Nedra, 1984. – 264 p.
- Konygin S.B., Konovalenko D.V. The system of automated testing of the database on the thermophysical properties of substances // Bulletin of the Samara State Technical University. Technical Science Series, 2018. – No. 1 (57). – p. 177–180.
- Konygin S.B., Kryuchkov D.A. Modeling and calculation of processes and devices (MiR PiA). Certificate of state registration of the computer program No. 2015613176.
- Konygin S.B., Konovalenko D.V. The use of the "MiR PiA" software package for modeling the operation of the oil stabilization unit // Proceedings of the conference "Ashirovskie readings", Tuapse, 2019. – V. 1. – No. 1 (11). – Pp. 348–349.
- Konygin S.B., Konovalenko D.V. Using the software complex "MiR PiA" to simulate the operation of a low-temperature condensation unit // Proceedings of the conference "Ashirovskie readings", Tuapse, 2019. – V. 1. – No. 1 (11). – Рp. 360–362.
- Lesukhin S.P. Intensification of heat and mass transfer processes in oil field treatment technology based on the principle of gas-liquid interaction on vertical contact grids: dissertation of Dr. Tech. Sciences: 05.17.08 / Lesukhin Sergey Petrovich. – Samara, 2000. – 372 p.
Supplementary files














