Синтез релейной системы с переменным гистерезисом как альтернатива скользящему режиму управления
- Авторы: Рагазин Д.А.1, Чостковский Б.К.1
-
Учреждения:
- Самарский государственный технический университет
- Выпуск: Том 28, № 4 (2020)
- Страницы: 50-61
- Раздел: Информатика, вычислительная техника и управление
- URL: https://journals.eco-vector.com/1991-8542/article/view/61144
- ID: 61144
Цитировать
Полный текст
Аннотация
Предложены и исследованы алгоритмы управления релейными системами с отрицательным переменным гистерезисом в статической характеристике управляющего устройства и переменной структуре, которые обеспечивают упрощение регулирующего устройства за счет исключения переменной времени из закона управления. Проведено сравнение со скользящим режимом управления, использующим производную в законе управления. Описанные алгоритмы управления рассмотрены на примере системы вентиляции и отопления с трехпозиционным клапаном в качестве управляющего устройства. Цифровое моделирование разработанных алгоритмов подтверждает эффективность их использования применительно к широкому классу управляемых объектов по целому ряду качественных показателей функционирования релейных систем автоматического регулирования. Показано, что переходные характеристики систем автоматического управления при одинаковых начальных условиях имеют монотонный характер и одинаковое время переходного процесса. При этом управление с отрицательным переменным гистерезисом проще в реализации и последующей настройке
Полный текст
Системы с переменной структурой, введенные в теорию и практику автоматического регулирования С.В. Емельяновым [1], позволяют во многих случаях существенно повысить эффективность управления динамическими объектами. Идея их построения состоит в организации нескольких структур регулятора и смене их путем переключения в процессе управления объектом таким образом, чтобы в наибольшей степени использовать положительные свойства каждой из структур.
Практическая ценность релейных систем с переменной структурой определяется возможностью обеспечения в них адаптивности, инвариантности, линеаризации и понижения порядка за счет организации скользящих и квазискользящих процессов в замкнутой системе [2, 3, 4].
Существенным преимуществом релейного управления является также значительное упрощение исполнительных управляющих устройств, обеспечивающих возможность получения заданных динамических свойств системы при малых весах и габаритах.
В последние годы развитие компьютерных технологий, разработка методов анализа и синтеза нелинейных систем позволили повысить качество результатов исследований, увеличить разнообразие исследуемых систем, привели к повышению интереса исследователей к переключающимся и гибридным системам, образованным подсистемами различных типов и уровней иерархии [5].
В практических задачах автоматизации часто приходится сталкиваться с релейными системами управления.
Рассмотрим структуру, представленную на рис. 1 функциональной схемой.
Рис. 1. Функциональная схема рассматриваемой системы автоматического регулирования
Здесь Р – регулятор, ОУ – линейная часть объекта управления, В – величина управляющего воздействия («полка» реле), sign() – знаковая функция, принимающая значения +1 или -1. x0 – задающее воздействие, х1 – регулируемая координата, U – управляющее воздействие.
Подобную структуру имеют простейшие объекты управления, в качестве управляющего механизма в которых используется трехпозиционный клапан, имеющий на входе только два дискретных сигнала: открывать и закрывать.
В качестве примера можно рассмотреть систему вентиляции и отопления производственного помещения или лаборатории (рис. 2).
Рис. 2. Система вентиляции и отопления:
1 – приточный вентилятор; 2 – насос; 3 – водяной калорифер; 4 – трехпозиционный клапан; 5 – термостат угрозы заморозки; 6 – датчик температуры наружного воздуха; 7 – датчик температуры приточного воздуха; 8 – датчик температуры воздуха в помещении; 9 – вытяжной вентилятор
Выходным воздействием в указанной системе служит температура воздуха в обслуживаемом помещении. Особенностью подобных систем является непредсказуемый ступенчатый характер возмущающего воздействия (включение дополнительных обогревателей, теплопотери при открытии ворот и т. д.), а также требования к монотонности переходного процесса без перерегулирования.
Внешними возмущающими воздействиями для обслуживаемого помещения являются тепловая, влажностная и аэродинамическая нагрузки. Внутренними возмущающими воздействиями являются тепловая, влажностная и аэродинамическая нагрузки самого помещения. Входными воздействиями для описываемой системы являются температура, влажность и расход поступающего воздуха [6]. Выходными воздействиями являются температура, влажность и аэродинамическая нагрузка воздуха в обслуживаемом помещении. В системах комфортного кондиционирования для стабилизации заданного состояния в общем случае можно использовать все три управляющих воздействия. Возможность применения каждого из них определяется как исходными данными и наложенными ограничениями, так и соображениями экономии. Т. к. в описываемых системах влажностная и газовая нагрузка постоянны, обычно подобные системы рассматриваются как системы стабилизации температуры. Из-за высоких капитальных затрат и сложностей управления системы стабилизации температуры за счет изменения расхода приточного воздуха используются редко. Наиболее распространенными являются системы стабилизации температуры в помещении по каналу изменения температуры приточного воздуха. Такие системы наиболее полно исследованы как объекты автоматизации [6].
Обслуживаемое помещение характеризуется рассредоточенными показателями воздуха. Учет рассредоточенных характеристик затруднен, поэтому помещение при решении задач автоматического регулирования рассматривается как объект с сосредоточенными параметрами, т. е. температура и влажность воздуха определяются в наиболее типичной (рабочей) зоне [6].
Кроме того, в подобных системах пренебрегают постоянными времени исполнительных механизмов и запаздываниями, т. к. они пренебрежимо малы по сравнению с постоянной времени помещения. Учитывая, что для помещений характерны периоды изменения составляющих тепловой нагрузки от нескольких минут до часов, в задачах с такими периодами колебаний можно пренебречь инерционностью ограждений и представить помещение апериодическим звеном первого порядка [6].
Целью данной работы является разработка и исследование релейных с переменным гистерезисом и дискретно-непрерывных законов и алгоритмов управления динамическими объектами при ограниченном доступе к измерительной информации о состоянии системы.
При формировании закона управления подобным объектом управления удобно использовать скользящий режим. Применение скользящих режимов в системах автоматического управления, предложенных В.И. Уткиным [2], получило большое развитие в теории и практике автоматического управления [7, 8, 9, 10], в том числе в системах кондиционирования [11]. Широкое распространение применения скользящего режима управления обусловлено его простотой, надежностью и инвариантностью к возмущающим воздействиям, а также возможностью получения монотонного характера переходных процессов [12].
Однако использование скользящего режима имеет ряд недостатков: переключение релейного элемента с бесконечной частотой в процессе управления, дифференцирование управляемой величины. Использование дополнительных алгоритмов для подавления высокочастотных колебаний в процессе управления усложняет систему и может влиять на качество регулирования. Кроме того, для реализации алгоритма управления рассматриваемыми простыми объектами управления обычно используются устройства, которые обладают меньшей вычислительной мощностью и функционалом, с целью уменьшения стоимости системы автоматического регулирования. В подобных устройствах отсутствуют часы реального времени, необходимые для реализации функции дифференцирования. Кроме того, время выполнения цикла программы также непостоянно либо вовсе неизвестно. Соответственно, данные устройства не позволяют использовать функции времени в законах управления и на них оказывается невозможным реализовать скользящий режим или ПИД-регулирование.
Поэтому управление, реализующее системы с переменным гистерезисом, основанные на использовании в обратной связи только регулируемой координаты и ее экстремальных значений [3, 13, 14], особенно актуально из-за более простой технической и алгоритмической реализации по сравнению с алгоритмами, использующими производную выходного воздействия в законе управления.
В настоящей статье рассматриваются релейные системы автоматического управления с законом управления:
. (1)
Переключения управления происходят всякий раз, когда функция переключения обращается в ноль.
Рассмотрим две различных функции переключения:
В первом случае рассмотрим управление, использующее скользящий режим. Функция переключения имеет вид [12]
, (2)
где ,
– заданное конечное состояние (задающее воздействие).
Во втором случае рассмотрим релейную систему с переменной структурой и переменным гистерезисом релейной характеристики управляющего устройства [3], функция переключения которого может быть представлена в виде
,(3)
где – постоянный коэффициент, -1<k<1;
– заданное конечное состояние;
– экстремальные значения регулируемой координаты (ее максимум или минимум ), ближайшие к рассматриваемому моменту времени t экстремальные значения x1(t) (локальные максимумы и минимумы ), достигаемые в момент τ<t на предшествующей стадии процесса управления и фиксируемые по принципу запоминания экстремума в системах экстремального регулирования:
, и
, и , (4)
где
Согласно (3) и (4) получаем гистерезисную характеристику U(x) алгоритма управления (1):
(5)
где , .
Если коэффициент k установлен в диапазоне переключения управления (1) происходят с опережением по отношению к величине (причем это опережение поставлено в линейную зависимость от амплитуды
автоколебаний ), а при - – с запаздыванием. При уравнение (3) описывает нелинейность типа «идеальное реле».
В соответствии c (3)–(4) ширина зоны гистерезиса и ее границы скачкообразно изменяются в процессе управления при появлении новых точек локальных экстремумов кривой x1(t) переходного процесса.
Регулятор (1) с функцией переключения (3) при изменении коэффициента в диапазоне обеспечивает переключение управления с опережением по отношению к задающему воздействию x0, что равносильно введению производной в закон управления.
Рис. 3. Статическая характеристика релейного регулятора с переменным гистерезисом
На рис. 6–7 представлены результаты моделирования (фазовая траектория ошибки и переходная характеристика) управления объектом, представленном на рис. 1. Рассматриваемый объект управления линейный и описывается дифференциальным уравнением второго порядка:
, (6)
с параметрами Т0 = 4с; k0 = 1.
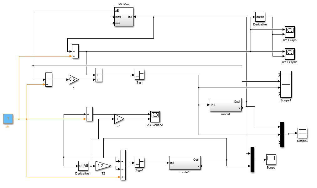
Будем использовать и сравнивать управляющие воздействия (2) и (3) при различных коэффициентах указанных функций управления. Для этого построим Simulink-модель, представленную на рис. 4 и 5.
Рис. 4. Модель системы в Simulink
Рис. 5. Модель блока определения экстремумов
В данной модели реализовано два одинаковых объекта управления (5) с различными законами управления (2) и (3). Чтобы сравнить два алгоритма управления, помимо одинаковых начальных условий будем настраивать управляющие устройства таким образом, чтобы первое переключение релейного элемента происходило одновременно.
А.
Б.
Рис. 6. Результаты моделирования при Т2=1,2; k=0,5:
а – фазовые траектории; б – переходный процесс;
1 – , 2 –
А.
Б.
Рис. 7. Результаты моделирования при Т2=2; k=0,685:
а – фазовые траектории; б – переходный процесс;
1 – ; 2 –
А.
Б.
Рис. 8. Результаты моделирования при Т2=4,4; k=0,9:
а – фазовые траектории; б – переходный процесс;
1 – ; 2 –
Из полученных результатов моделирования видно, что переходный процесс в случае использования управления (3) близок к монотонному. Длительность переходного процесса в случае квазискользящего режима практически не отличается от такового в скользящем режиме (не более 3 %). При этом отсутствует необходимость дифференцирования выходной координаты, как и любых других вычислений, связанных с реальным временем, что существенно упрощает (а следовательно, и удешевляет) управляющее устройство. Кроме того, в отличие от скользящего режима, в процессе управления отсутствуют переключения релейного элемента с бесконечной частотой и связанная с этим необходимость использования дополнительных алгоритмов, предохраняющих от поломок реальные управляющие устройства. На рис. 9 представлены результаты моделирования управляющего воздействия U(t) для модели, переходные процессы которой представлены на рис. 8.
Рис. 9. Переключение релейного элемента:
а –; б –
На рис. 9а видны переключения релейного элемента в скользящем режиме при управлении (2). Высокочастотные переключения релейного элемента начинаются после первого же переключения, и график переходного процесса сливается в сплошную полосу. На рис. 9б видно, что при использовании в законе управления функции переключения (3) постоянные высокочастотные переключения релейного элемента отсутствуют, поэтому дополнительных алгоритмов для предотвращения этих колебаний вводить не требуется. При этом следует помнить, что в установившемся режиме высокочастотные колебания присутствуют как при управлении (2), так и при управлении (3). Однако эти колебания легко устраняются введением простой зоны нечувствительности.
Таким образом, использование квазискользящего режима позволяет добиться сходных характеристик переходного процесса. При этом алгоритм легко реализуем в ПЛК и более простых управляющих устройствах, в которых невозможно реализовать регулирование, использующее в своем алгоритме время (ПИД-регулирование или скользящий режим). Кроме того, использование управления (3) позволяет получить переходный процесс, близкий к монотонному при любых начальных условиях. Также преимуществом управления (3) является простота его настройки, позволяющая получить желаемый переходный процесс без определения параметров объекта управления.
Полученные результаты могут быть использованы при синтезе терминальных систем позиционирования динамических объектов с целью достижения заданного быстродействия [15].
Об авторах
Дмитрий Александрович Рагазин
Самарский государственный технический университет
Автор, ответственный за переписку.
Email: info@eco-vector.com
к.т.н., доцент
Россия, Россия, 443100, г. Самара, ул. Молодогвардейская, 244Борис Константинович Чостковский
Самарский государственный технический университет
Email: info@eco-vector.com
д.т.н., проф., доцент
Россия, Россия, 443100, г. Самара, ул. Молодогвардейская, 244Список литературы
- Емельянов С.В. Системы автоматического управления с переменной структурой. – М.: Наука, 1970. – 598 с.
- Уткин В.И. Скользящие режимы в задачах оптимизации и управления. – М.: Наука, 1981. – 368 с.
- Рагазин Д.А., Вохрышев В.Е. Квазискользящие процессы в релейных системах с отрицательным переменным гистерезисом // Вестник Самарского государственного технического университета. Сер. Технические науки. – 2008. – № 1(21). – С. 5–9.
- Методы современной теории автоматического управления. – Т. 5 / Под ред. К.А. Пупкова, Н.Д. Егупова. – М.: Изд. МГТУ им. И.Э. Баумана, 2004. – 784 с.
- Феофилов С.В. Анализ автоколебаний в системах с трехпозиционным релейным элементом и цифровым управлением // Вестник ТулГУ. Сер. Системы управления. Вып. 1. – Тула: Изд-во ТулГУ, 2008. – С. 161–165.
- Бондарь Е.С. и др. Автоматизация систем вентиляции и кондиционирования воздуха: Учеб. пособие. – К.: Аванпост-Прим, 2005. – 560 с.
- Кочетков С.А., Уткин В.А. Инвариантность в системах с неидеальными релейными элементами // УБС. – № 27 (2009). – С. 117–168.
- Симоньянц Р.П., Аверьянов П.В. Синтез релейного управления ориентацией и стабилизации космического аппарата, обеспечивающий высокое качество без применения датчиков скорости // Вестник МГТУ им. Н.Э. Баумана, разд. «Авиационная и ракетно-космическая техника». – 2018. – № 3(120). – С. 104–119.
- Utkin V., Jurgen G., Jingxin S. Sliding mode Control in Electro-Mechanical Systems. Second edition. Boca Ration, London, New York: Taylor & Francis Group. 2009. 504 p.
- Shtessel Y., Edvards C., Fridman L., Levant A. Sliding mode Control and Observation. New York, Heidelberg, Dordrecht: Springer. 2010. 369 p.
- Utkin V.I., Chang H.-C., Keyhani A. Sliding mode control for automobile air conditioner, IFAC 2002. Barcelona, Spain.
- Рагазин Д.А., Вохрышев В.Е. Скользящие режимы в системах управления // Актуальные проблемы педагогики и психологии высшей школы: сб. науч. статей. – Самара: Изд-во СГАКИ, 2008 (Сер. «Академические тетради». Вып. 6). – С. 179–187.
- Вохрышев В.Е. Самонастраивающиеся алгоритмы устранения статических ошибок в автоматических линейных и автоколебательных нелинейных системах стабилизации динамических объектов // Вестник Самарского государственного технического университета. Сер. Технические науки. – 2012. – № 4(36). – С. 19–24.
- Бакланов А.С., Вохрышев В.Е. Релейные системы с переменной структурой и пассивной адаптацией // Вестник Самарского государственного технического университета. Сер.: Технические науки. – 2015. – № 2 (46). – С. 7–12. ISSN 1991-8542.
- Чостковский Б.К., Колпащиков С.А. Синтез цифрового регулятора терминальной системы позиционирования динамического объекта // Вестник Самарского государственного аэрокосмического университета им. С.П. Королева. – 2010. – № 2. – С. 238–240.
Дополнительные файлы















