Simulation and research of the power supply system for multigenerator microwave heating installation
- Authors: Artyukhov I.I.1, Zemtsov A.I.2, Pylskaya E.K.1, Molot S.V.1
-
Affiliations:
- Yuri Gagarin State Technical University of Saratov
- Syzran Branch of Samara State Technical University
- Issue: Vol 28, No 4 (2020)
- Pages: 106-117
- Section: Electrical Engineering
- URL: https://journals.eco-vector.com/1991-8542/article/view/61165
- ID: 61165
Cite item
Full Text
Abstract
The task is to study electromagnetic processes in the power supply system of a dielectric heating installation, in which a group of industrial packaged magnetrons creates microwave oscillations. A simulation model of the power supply system for multigenerator microwave heating installation was created in the Matlab&Simulink programming environment. The model allows you to obtain information of voltage and current instantaneous and integral values in the power supply system, and to calculate energy characteristics of the system. Simulation was carried out for the case when the sources of microwave oscillations are "2M164" packaged magnetrons. Based on the simulation results, the influence of the mains voltage parameters on the operating mode of the microwave installation was determined also the need for voltage stabilization was shown to ensure the preset operating mode of the installation. It is shown that the pulsed operation mode of magnetrons is the cause of the consumed current distortion and the current presence in the neutral wire.
Keywords
Full Text
Введение
СВЧ диэлектрический нагрев позволяет эффективно реализовывать широкий спектр технологий. Основные преимущества использования СВЧ-нагрева в термических процессах обусловлены особенностями поглощения СВЧ-энергии. СВЧ-энергия преобразуется в теплоту внутри вещества, что приводит к значительной экономии энергии и сокращению времени процессов [1, 2].
Прогресс в разработке генераторов СВЧ-колебаний и хорошие поглощательные свойства многих материалов привели к созданию промышленных установок различного назначения, в том числе конвейерного типа мощностью в десятки киловатт [3]. Большое число таких установок используется, в частности, для термообработки сельскохозяйственной продукции и пищевых продуктов, которые обычно содержат много воды и поэтому хорошо поглощают СВЧ-энергию [4–6].
СВЧ-установка конвейерного типа представляет собой сложную систему, в процессе работы которой необходимо распределить СВЧ-энергию, вырабатываемую одним или несколькими СВЧ-генераторами согласно требованиям технологического процесса. Возможен вариант, когда СВЧ-колебания создаются одним мощным генератором и распределяются затем с помощью волноводной системы. Однако СВЧ-установки конвейерного типа чаще всего выполняют мультигенераторными [7], причем для равномерной загрузки сети количество генераторов принимают кратным трем [8].
Для создания источников СВЧ-энергии в настоящее время имеется широкая гамма электронных приборов. В установках небольшой мощности наиболее часто применяют пакетированные магнетроны (со встроенными магнитами). Для установок большой мощности применяются магнетроны с электромагнитами. В последнее время получают также применение магнетроны комбинированного типа, в которых постоянные магниты дополняются электромагнитами для обеспечения регулировочных свойств.
В качестве источников СВЧ-энергии в установках конвейерного типа часто применяют пакетированные магнетроны мощностью 1,5–2 кВт. Выбор в пользу таких магнетронов объясняется несколькими факторами, один из которых – воздушное охлаждение анода и катода. Магнетроны, позволяющие получить СВЧ-колебания мощностью 3 кВт и более, требуют для своей работы две системы охлаждения. Водяное охлаждение применяется для анода, принудительное воздушное – для катодного блока, где размещается фильтр для защиты от радиопомех. Наличие системы водяного охлаждения заметно усложняет конструкцию СВЧ-установки.
В настоящее время известно много работ, посвященных теоретическому и экспериментальному исследованию схем источников питания, которые применяются в СВЧ-печах бытового назначения, например [9–11]. Процессы в системах электропитания магнетронов для СВЧ-установок промышленного назначения изучены в гораздо меньшей степени. Имеющейся в литературе информации недостаточно для разработки и проектирования мультигенераторных СВЧ-установок. Поэтому было поставлена задача разработать модель, которая позволяет проводить исследования характеристик системы электропитания группы магнетронов для различных сочетаний параметров ее элементов и питающей сети.
Система электропитания магнетронных генераторов
Для функционирования пакетированного магнетрона необходимы два источника питания. Один из них обеспечивает накал катода, другой создает необходимую разность потенциалов между анодом и катодом магнетрона. Так как анод магнетрона соединяется с корпусом СВЧ-установки, то цепь питания накала оказывается под высоким напряжением.
В СВЧ-печах бытового назначения традиционно применяется схема, которая содержит один трансформатор с двумя вторичными обмотками. Низковольтная обмотка обеспечивает накал катода, высоковольтная обмотка с помощью удвоителя напряжения запитывает анодную цепь магнетрона.
Для функционирования магнетронов промышленного назначения требуется более сложная схема организации потоков энергии, так как в соответствии с требованиями на эксплуатацию этих магнетронов необходимо разделить во времени процессы подогрева катода и подачи высокого напряжения на анодную цепь. Кроме того, должна быть предусмотрена возможность регулирования напряжения накала при изменении режима работы магнетрона по анодной цепи.
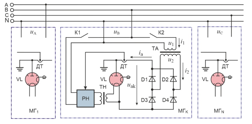
Схема электропитания СВЧ-установки, в состав которой входят N магнетронных генераторов пакетированного типа, показана на рис. 1. Эта схема разработана в соответствии с требованиями на эксплуатацию магнетрона TOSHIBA 2М164, который генерирует СВЧ-колебания в диапазоне частот от 2440 до 2460 МГц. Средняя выходная мощность магнетрона составляет 1300…1600 Вт [12].
Необходимое для накала катода напряжение снимается со вторичной обмотки трансформатора ТН, первичная обмотка которого через регулятор напряжения РН и коммутатор К1 подключена к сети. Регулятор напряжения необходим для изменения напряжения накала в процессе разогрева катода и выхода магнетрона VL на рабочий режим.
Для магнетрона 2М164 необходим предварительный прогрев катода в течение некоторого времени (не менее 3 секунд). Поэтому при включении системы электропитания магнетрона VL сначала срабатывает коммутатор К1, в результате чего на цепь накала катода подается напряжение, действующее значение которого составляет 3,6…4,4 В. Затем с помощью коммутатора К2 на анодную цепь подается напряжение, которое создается высоковольтным мостовым выпрямителем D1-D4, присоединенным ко вторичной обмотке повышающего трансформатора ТА.
Имитационная модель системы электропитания
Для разработки и проектирования СВЧ-установки необходима информация об электромагнитных процессах, происходящих в системе электропитания, о том, как меняется их характер при изменении параметров сети и элементов системы. Такая информация может быть получена путем имитационного моделирования исследуемого объекта в программном комплексе MATLAB+Simulink [13].
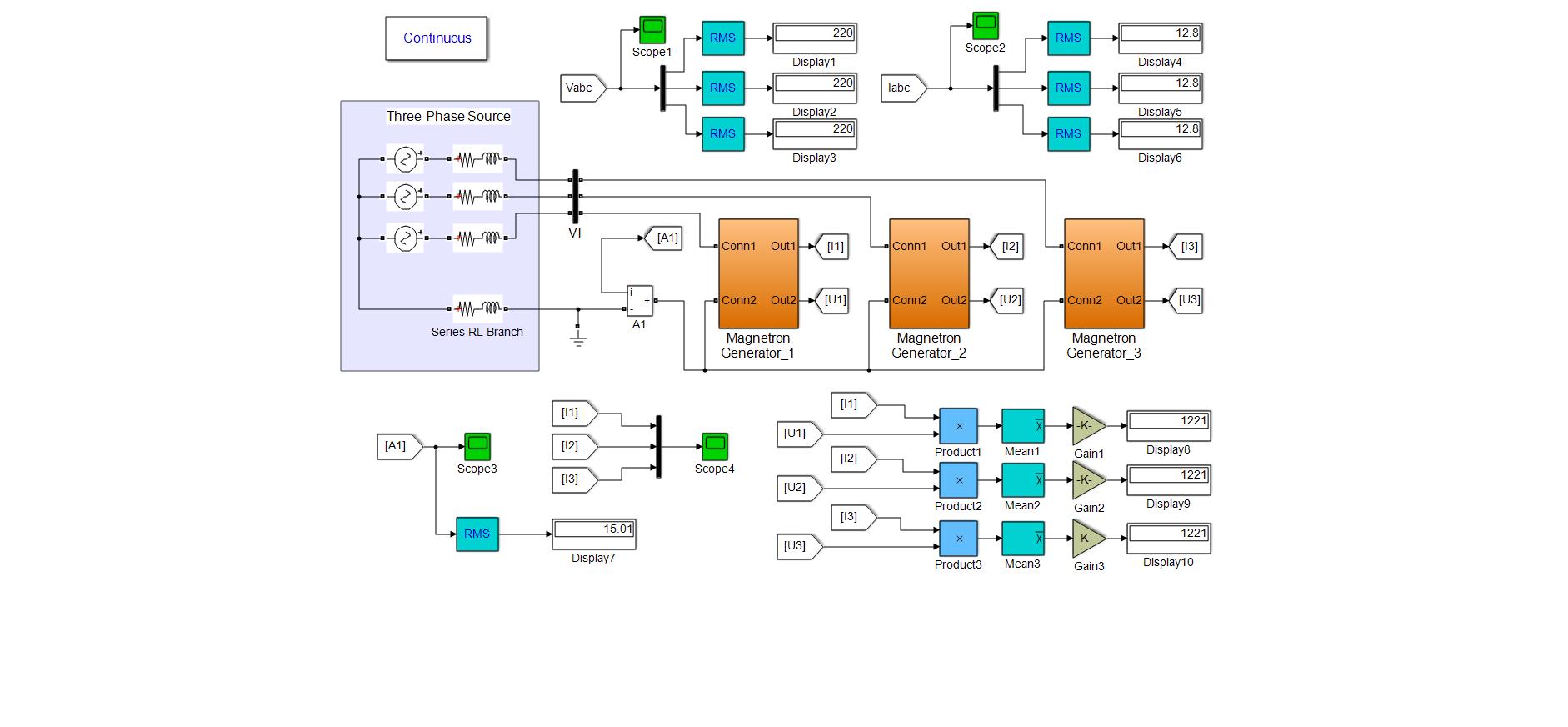
Схема модели для исследования системы электропитания СВЧ-установки на базе трех магнетронов 2М164 показана на рис. 2. Заметим, что при ее составлении не учтены элементы цепи накала, так как они потребляют очень малую часть энергии по сравнению с цепями анодного питания.
Сеть промышленной частоты (блок Three-Phase Source) представлена тремя источниками переменного напряжения с последовательно соединенными активно-индуктивными сопротивлениями. Такая модель сети позволяет оперативно изменять ее параметры и проводить исследования несимметричных режимов.
Магнетронные генераторы представлены субсистемами Magnetron Generator (рис. 3), в состав которых входят блоки, моделирующие пакетированный магнетрон с источником анодного напряжения.
Рис. 2. Имитационная модель системы электропитания
Рис. 3. Схема субсистемы Magnetron Generator
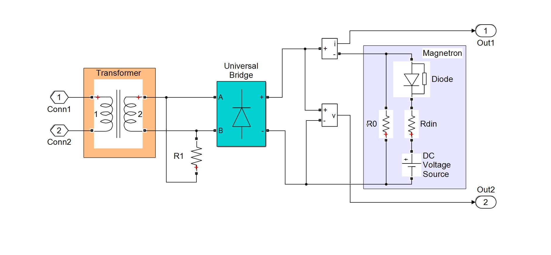
При моделировании пакетированного магнетрона использован подход, подразумевающий кусочно-линейную аппроксимацию его вольт-амперной характеристики (ВАХ) [14]. Идеализированная ВАХ магнетрона состоит из двух участков, сопряжение которых происходит в точке, соответствующей пороговому напряжению . Если напряжение между анодом и катодом магнетрона меньше порогового значения , то генерации СВЧ-колебаний не происходит. Сопротивление между анодом и катодом магнетрона составляет сотни кОм. Участок ВАХ магнетрона в этом режиме описывается уравнением
.
При достижении напряжением на магнетроне порогового значения возникают колебания, следствием которых является протекание анодного тока . Уравнение ВАХ для участка генерации колебаний имеет вид
,
где – динамическое сопротивление магнетрона;
– анодный ток в точке перегиба ВАХ.
В режиме генерации СВЧ-колебаний происходит резкое уменьшение сопротивление магнетрона как нагрузки источника анодного питания. Поэтому небольшие изменения анодного напряжения приводят к существенным изменениям анодного тока.
Как показано на рис. 3, магнетрон моделируется схемой замещения в виде последовательно соединенных диода (блок Diode), динамического сопротивления (блок Rdin) и включенного во встречном направлении источника постоянного напряжения (блок DC Voltage Source), величина которого соответствует пороговому напряжению U0 моделируемого магнетрона. Параллельно указанной цепочке включен резистор R0. Для магнетрона 2М164 на основании его паспортных характеристик были приняты следующие значения: U0=3100 В; Rdin=100 Ом; R0=100 кОм.
Цепь анодного питания моделируют блоки Transformer и Universal Bridge. Параметры блока Transformer представлены в табл. 1. В настройках блока Universal Bridge принято, что падение напряжение на каждом из диодов высоковольтного моста составляет 15 В.
В составе модели на рис. 2 имеются также блоки RMS, предназначенные для расчета действующих значений напряжений и токов. Кривые фазных напряжений и линейных токов можно видеть на экранах виртуальных осциллографов Scope с номерами 1 и 2. Их действующие значения отображаются в окнах блоков Display с номерами 1–3 и 4–6 соответственно. Информацию о токе нулевого провода позволяют получить Scope3 и Display7. На экране виртуального осциллографа Scope3 в результате моделирования можно наблюдать анодные токи магнетронов.
В модель включены также элементы (блоки Product, Mean и Gain), с помощью которых вычисляется выходная мощность магнетронного генератора. На основании характеристик магнетрона 2М164 было сделано допущение о том, что его КПД является постоянной величиной. При моделировании эта величина задается в блоке Gain. Информация о мощности генераторов отображается дисплеями 8–10.
Таблица 1
Параметры блока Transformer
Параметр | Единица измерения | Значение |
Номинальная мощность | В·А | 3200 |
Частота | Гц | 50 |
Параметры первичной обмотки | ||
Номинальное напряжение | В | 220 |
Индуктивность рассеяния | Гн | 3,6·10-3 |
Сопротивление обмотки | Ом | 0,6 |
Параметры вторичной обмотки | ||
Номинальное напряжение | В | 3100…3500 |
Индуктивность рассеяния | Гн | 1,3 |
Сопротивление обмотки | Ом | 135 |
Параметры цепи намагничивания | ||
Индуктивность | Гн | 8 |
Сопротивление | Ом | 1·104 |
Результаты моделирования системы электропитания
Одна из задач моделирования состояла в определении влияния сетевого напряжения на режим работы СВЧ-установки. При проведении численных экспериментов было принято, что индуктивность и активное сопротивление источника энергии составляют 50 мкГн и 0,02 Ом соответственно.
На рис. 4 показаны графики зависимости выходной мощности магнетрона от сетевого напряжения в относительных единицах
Зависимости рассчитаны для ряда значений коэффициента трансформации
где – количество витков первичной и вторичной обмоток соответственно.
Для удобства восприятия и анализа информации на графиках указаны параметры k, обратные коэффициенту трансформации n.
Графики на рис. 4 показывают, что режим работы магнетрона очень сильно зависит от величины сетевого напряжения. Отклонения сетевого напряжения даже в пределах ±10 % от номинального значения, что допускает ГОСТ 32144-2013 «Нормы качества электрической энергии в системах электроснабжения общего назначения», могут привести либо к аварийной ситуации из-за перегрузки магнетрона, либо к существенному уменьшению его выходной мощности. При этом на режим работы магнетрона влияют параметры повышающего трансформатора.
Например, для трансформатора, у которого на холостом ходу напряжение на вторичной обмотке в k=15 раз больше напряжения на первичной обмотке, при номинальном значении сетевого напряжения выходная мощность составляет 1400 Вт. При снижении напряжения на 10 % мощность станет менее 800 Вт, т. е. уменьшится более чем на 43 %. Увеличение сетевого напряжения всего на 6 % приведет к работе магнетрона в предельно допустимом режиме.
Изменение параметра k в пределах ±0,9 относительно значения k=15 приводит к изменению мощности на ±400 Вт относительно значения 1400 Вт. Чтобы исключить аварийный режим работы, можно выбрать трансформатор с параметром k=14,1. Однако в этом случае отклонения сетевого напряжения в пределах, допускаемых ГОСТ 32144-2013, приведут к изменению выходной мощности магнетрона в диапазоне от 500 до 1800 Вт.
Рис. 4. Зависимость выходной мощности магнетрона от напряжения сети
На основании анализа результатов моделирования может быть дана следующая оценка влияния сетевого напряжения на режим работы СВЧ-установки: изменение напряжения на 1 % приводит к изменению мощности генератора на 4–5 %. Поэтому система электропитания СВЧ-генераторов должна быть оснащена стабилизатором напряжения. Возможные варианты решения проблемы предполагают также использование тиристорных регуляторов напряжения с импульсно-фазовой системой управления [15, 16].
Разработанная модель позволяет исследовать влияние несимметрии напряжений сети на работу СВЧ-установки. В табл. 2 приведены результаты расчета для ситуации, когда на одной из фаз сети напряжение имеет номинальное значение, а на двух других фазах напряжения отличаются на +2 и -2 % от номинального значения. Напряжение на вторичной обмотке трансформатора составляло 3300 В.
Результаты моделирования показывают, что из-за несимметрии напряжений сети мощность СВЧ-генератора, подключенного к фазе В, уменьшилась на 11,7 % относительно мощности генератора, работающего от фазы А. При этом мощность генератора, получающего питание от фазы С, увеличилась на 11,4 %.
Таблица 2
Влияние несимметрии напряжений
Фаза | Фазное напряжение, В | Линейный ток, А | Выходная мощность, Вт |
А | 220 | 12,81 | 1221 |
В | 215,6 | 11,56 | 1078 (-11,7 %) |
С | 224,4 | 14 | 1361 (+11,4 %) |
Осциллограммы анодных токов магнетронов для смоделированной ситуации с несимметрией напряжений показаны на рис. 5.
Рис. 5. Осциллограммы анодных токов при несимметрии напряжений сети
(по оси абсцисс – время в миллисекундах)
Важным вопросом при разработке СВЧ-установки является определение влияния системы электропитания магнетронов на сеть.
На рис. 6 показаны полученные в результате моделирования осциллограммы напряжений и токов на входе установки, а также нулевого провода. Нелинейность ВАХ магнетрона приводит к импульсному характеру тока, потребляемого из сети. Поэтому в спектре потребляемого тока наряду с основной гармоникой присутствуют высшие гармоники с нечетными номерами.
С помощью встроенного в MATLAB инструмента FFT (быстрое преобразование Фурье) произведен гармонический анализ кривой тока, потребляемого из сети (рис. 7). Результаты анализа показали, что наиболее интенсивной является третья гармоника. Для рассмотренного варианта моделирования системы электропитания она составила 42,58 % относительно первой гармоники. Суммарный коэффициент гармонических составляющих потребляемого тока равен 43,58 %.
Наличие третьей гармоники в потребляемых токах приводит к тому, что по нейтральному проводу протекает ток, частота которого равна 150 Гц, а действующее значение соизмеримо с действующим значением линейных токов. Для рассмотренного примера моделирования действующие значения потребляемых токов составили 12,8 А. Ток нейтрального провода достиг значения 15 А.
Протекание тока 150 Гц значительной величины по нейтральному проводу необходимо учитывать при проектировании сети, от которой предполагается питание мультигенераторной СВЧ-установки рассмотренного типа.
Рис. 6. Осциллограммы напряжений и токов
(по оси абсцисс – время в миллисекундах)
Рис. 7. Гармонический состав потребляемого тока
Необходимость соединения первичных обмоток в «звезду» у повышающих трансформаторов обусловлена тем, что серийные образцы этих трансформаторов изготавливают с первичной обмоткой, рассчитанной на напряжение 220 В. С одной стороны, это позволяет унифицировать оборудование для различных типов СВЧ-установок. С другой стороны, указанное соединение первичных обмоток обеспечивает электробезопасность высоковольтных установок путем заземления одного из выводов первичной обмотки трансформатора.
Заключение
Для исследования системы электропитания, обеспечивающей функционирование пакетированных магнетронов в мультигенераторной СВЧ технологической установке, разработана имитационная модель в среде MATLAB с пакетом расширения Simulink. При моделировании пакетированного магнетрона использован подход о кусочно-линейной аппроксимации его ВАХ. На основании результатов имитационного моделирования рассчитаны характеристики системы электропитания. Установлено, что в результате отклонения сетевого напряжения на 1 % изменения выходной мощности установки составляют от 4 до 5 %.
Из-за импульсного режима работы магнетронов потребляемые из сети токи имеют несинусоидальную форму. Их спектр содержит нечетные гармонические составляющие, причем наиболее интенсивной является гармоника с номером 3.
Наличие в спектре потребляемых токов третьей гармоники приводит к возникновению тока в нейтральном проводе, причем величина этого тока может превышать линейные токи.
About the authors
Ivan I. Artyukhov
Yuri Gagarin State Technical University of Saratov
Author for correspondence.
Email: ivart54@mail.ru
Dr. Sci. Techn., Professor
Russian Federation, 77, Politechnicheskaya st., Saratov, 410054, Russian FederationArtem I. Zemtsov
Syzran Branch of Samara State Technical University
Email: artex283@mail.ru
Ph.D. Techn., Associate Professor
Russian Federation, 45, Sovetskaya st., Syzran, 446001, Russian FederationElena K. Pylskaya
Yuri Gagarin State Technical University of Saratov
Email: ekpylskaya@mail.ru
Ph.D. Phys.& Math., Associate Professor
Russian Federation, 77, Politechnicheskaya st., Saratov, 410054, Russian FederationSvetlana V. Molot
Yuri Gagarin State Technical University of Saratov
Email: sve_1992@mail.ru
Assistant
Russian Federation, 77, Politechnicheskaya st., Saratov, 410054, Russian FederationReferences
- Okress E. Microwave Power Engineering. Vol. 1. New York: Acad. Press, 1968.
- Arkhangel'skij Yu.S. Spravochnaya kniga po SVCH elektrotermii. Saratov: Nauchnaya kniga, 2011. 506 s. (In Russian).
- Morozov O., Kargin A., Savenko G., Trebuh V., Vorob'ev I. Promyshlennoe primenenie SVCH-nagreva // Elektronika: Nauka, Tekhnologiya, Biznes. 2010. № 3. Р. 2–6. (In Russian).
- Methlouthi A., Rouaud O., Boillereaux L. Microwave Applicator with Conveyor Belt System // Mi-crowave Journal, May 12, 2011 [Электронный ресурс]. – Режим доступа: https://www.microwavejournal.com/articles/12469-microwave-applicator-with-conveyor-belt-system.
- Puangsuwan K., Tongurai C., Chongcheawchamnan M. Design of Microwave Heating Continuous Belt System for Palm fruit // Proceedings of the 2015 Asia-Pacific Microwave Conference (APMC). doi: 10.1109/APMC.2015.7413502.
- Massalfa Microwave [Электронный ресурс]. – Режим доступа: http://www.massalfa.org/factory-22110-microwave-dryer.
- Artyukhov I.I., Zemtsov A.I. Napravleniya sovershenstvovaniya mul'tigeneratornyh SVCH elektrotekhnologicheskikh ustanovok // Vestnik Saratovskogo gosudarstvennogo tekhnicheskogo universiteta. 2011. T. 1. № 3(54). Р. 149–154. (In Russian).
- Bahani B., Bouzit A., Chraygane M., Ferfra M., Ghazal N. El., Belhaiba A. Modeling of a New High Voltage Power Supply for Microwave Generators with Three Magnetrons // International Journal of Electrical and Computer Engineering (IJECE). 2013. Vol. 3, N. 2. Pp. 164–170.
- Kako H., Nakagawa T., Narita R. Development of Compact Inverter Power Supply for Microwave Oven // IEEE Transactions on Consumer Electronics. Vol. 37. N. 3. Pp. 611–616.
- Surducan V., Surducan E., Ciupa R. Variable Power, Short Microwave Pulses Generation Using a CW Magnetron // Advances in Electrical and Computer Engineering. 2011. Vol. 11. Iss. 2. Pp. 49–54.
- Zhang Y., Chen Y., Zhang B. Modeling and Analysis of the Stable Power Supply Based on the Mag-netic Flux Leakage Transformer // 2014 International Power Electronics and Application Conference and Exposition, Shanghai. Pp. 614–618.
- TOSHIBA Industrial Magnetron 2М164. [Электронный ресурс]. – Режим доступа: http://www.hokuto.co.jp/eng/products/ind_magnetron/pdf/2М164_E.pdf
- CHernyh I.V. Modelirovanie elektrotekhnicheskih ustrojstv v MATLAB, SimPowerSystems i Sim-ulink. Moscow.: DMK Press; St. Petersburg: Piter, 2008. 288 р. (In Russian).
- Yang Y.-R. A Magnetron Power Supply with Transition-Mode Zero-Voltage-Switching Inverter // Journal of Energy and Power Engineering. 2013. Vol. 7. Iss. 8. Pp. 1571–1577.
- Heggannavar M., Kulkarni H. Design of Magnetron Power Source from Three phase Supply // 2015 International Conference on Energy Systems and Applications. Pune, 2015. Pp. 552–556.
- Artyukhov I.I., Zemtsov A.I., Gordeev E.S. Imitatsionnaya model' reguliruemogo istochnika anodnogo napryazheniya dlya paketirovannogo magnetrona promyshlennogo naznacheniya // Voprosy elektrotekhnologii. 2016. № 4(13). Р. 33–38. (In Russian).
Supplementary files










