Feedback control of operating gates of a shipping lock using a system of rules
- Authors: Danilushkin I.A.1, Kolpashchikov S.A.1, Rogachev G.N.1
-
Affiliations:
- Samara State Technical University
- Issue: Vol 31, No 3 (2023)
- Pages: 43-54
- Section: Information Technology and Communications
- URL: https://journals.eco-vector.com/1991-8542/article/view/625677
- ID: 625677
Cite item
Full Text
Abstract
The problem of positional control of the working gates of a shipping lock as a multidimensional control object with lumped parameters is considered. A general formulation of the problem is given, including requirements for the final and intermediate states. When solving the problem, it is proposed to use a productive model of the regulator in the form of a system of rules. The numerical method for solving the problem is based on representing the control algorithm in the form of an a priori non-fixed and time-varying system of rules determined during the control process. The presented results of numerical modeling confirm the effectiveness of the proposed method for determining the positional control of objects of this type.
Full Text
Введение
Повсеместное распространение сетевых систем как совокупности подсистем, соединенных физическими или информационными связями, привело к появлению ряда новых задач теории управления. Вопросам анализа и синтеза подобных систем посвящен ряд работ [1−12]. В этих работах также отмечается, что современные системы управления являются гибридными, непрерывно-дискретными. Подсистемы с непрерывными сигналами отражают физические законы функционирования объектов управления, а дискретные подсистемы моделируют работу цифровых управляющих устройств.
Общая схема многомерного нелинейного объекта управления представлена на рис. 1. Поведение непрерывных подсистем – объектов управления (ОУ) с сосредоточенными параметрами – может быть описано векторной системой уравнений вида
Ẋ = F(X, U), Y = Ф(X). (1)
В выражении (1) X– вектор состояний ОУ, U – вектор управляющих воздействий, Y– вектор выходных величин. Выражение (1) является стандартной формой математической модели, представляющей ОУ в пространстве состояний. Вид оператора определяет динамику ОУ. Оператор Ф определяет измеряемые координаты ОУ и зависит от состава используемых датчиков. Его задание не представляет сложности, за исключением тех случаев, когда состав набора датчиков выясняется в ходе решения задачи проектирования. В большинстве инженерных приложений для решения задач управления сложным объектам используются имитационные модели. Разработка адекватной имитационной модели ОУ является сложной самостоятельной задачей, первым этапом работ по автоматизации технологического процесса [12].
Рис. 1. Общая схема многомерного нелинейного объекта управления
Два основных класса гибридных систем – это системы программного управления и системы позиционного управления [13] (рис. 2, 3).
Рис. 2. Система программного управления
Рис. 3. Система позиционного управления
В силу цифрового характера регулятора управляющие воздействия U являются элементами множества кусочно-постоянных функций с конечным на интервале регулирования числом переключений. В силу непрерывного характера объекта управления (ОУ) переменные состояния X и измеряемые (выходные) переменные Y есть элементы множества непрерывных функций. Алгоритм работы цифрового регулятора системы программного управления состоит в выработке в тактовые моменты времени t0, t1, .... tQ-1. управляющих сигналов U(t0), U(t1),.... U(tQ-1). Сигнал U(ti) действует на объект управления вплоть до наступления следующего тактового момента ti+1. Поиск всей совокупности управляющих сигналов U(τ), τ = [t0, tQ] происходит до начала процесса управления (до момента t0) или во время процесса управления (в моменты t1, i = 0,1,2,...., Q-1) исходя из требований к поведению объекта управления с использованием модели объекта и окружающей среды. Алгоритм работы цифрового регулятора системы позиционного управления U(τ,Y(τ)), τ = [t0, tQ] отличается от алгоритма программного управления лишь тем, что применяемая информация в виде модели объекта и среды дополняется сигналами обратных связей.
Задача управления, таким образом, состоит в определении набора управляющих сигналов U(τ,Y(τ)), τ = [t0, tQ], для программного регулятора или U(τ,Y(τ)), τ = [t0, tQ] для позиционного регулятора. Применительно к гибридным сетевым системам эта задача оказывается качественно более сложной по сравнению с аналогичными задачами управления непрерывными или дискретными системами ввиду целого ряда принципиальных особенностей гибридных систем, связанных с наличием в них существенным образом взаимодействующих непрерывных и дискретных подсистем, сочетанием непрерывной динамики управляемых процессов с дискретными процедурами получения информации о параметрах объекта, вычисления по этим данным управляющих воздействий и передачи их на исполнительные устройства. К такого рода особенностям также относят существенное влияние характеристик и свойств информационных каналов и сетевых связей на формирование управляющих алгоритмов; влияние определяющего характера эффекта квантования сигналов по времени и по уровню на качественные показатели систем; влияние на качество систем целого комплекса сильнодействующих специфических возмущающих факторов, таких, в частности, как случайные временные задержки и частичные потери информации при передаче управляющих воздействий. В стандартных промышленных регуляторах (ПИД, lead-lag, линейно-квадратичных) поиск управляющих сигналов, осуществляемый в ходе технологического процесса, происходит по заранее установленной несложной формуле, время вычисления управляющих сигналов мало. Это создает иллюзию непрерывности процесса управления, хотя фактически имеет место многократно повторяющаяся ступенчатая процедура вида «наступление очередного тактового момента времени – вычисление очередного сигнала управления – применение этого управления к объекту вплоть до наступления следующего тактового момента». При использовании нестандартных подходов к синтезу регуляторов систем управления (адаптивные регуляторы, регуляторы с прогнозирующей моделью в контуре и т. п.) время вычисления очередного сигнала управления может быть существенно большим, однако эффектом «запаздывания» при вычислении сигналов управления в темпе с управляемым процессом, как правило, пренебрегают, за исключением случаев, когда принципиальную роль играет ограничение на время принятия управленческих решений. Особенно это касается обладающих признаками сложных систем многомерных технических объектов, управление которыми должно осуществляться в реальном времени.
Постановка задачи
В когнитивной науке, исследующей процессы познания, существует деление знаний на декларативные и императивные [13]. Декларативный (лат. Declarativus – провозглашающий) – содержащий общие положения и заявления без их обоснования и конкретизации. Императивный (лат. imperativus – повелительный) – требующий подчинения, исполнения. Их различие состоит в том, что декларативные знания – это правила связи, а императивные – это правила преобразования. Знание об объекте декларативно, если оно описывает, каков он, а не как его создать (добыть, получить). Эти знания представляют собой утверждения об объектах, их свойствах и отношениях между ними. По сути, это факты из предметной области, фактические знания. Однако знание может быть представлено не только в форме статичных структур (декларативное знание), но и в форме операций (императивное или процедурное знание). Такие знания имеют активную природу. Они определяют представления о средствах и путях как получения новых знаний, так и проверки существующих. Императивные (процедурные) знания описывают правила преобразования объектов предметной области. Это могут быть рецепты, алгоритмы, методики, инструкции, стратегии принятия решений. Примером императивного знания являются системы продукций, т. е. наборы пар типа «условие» – «действие». Если на вход системы продукций попадает одно из «условий», то оно автоматически приводит к соответствующему «действию».
В теории управления традиционно используется один из декларативных способов представления знания об управляющем устройстве. Например, указывается тип регулятора, описывающее его динамику дифференциальное или разностное уравнение, передаточная функция. Для дискретных линейных систем используют описание с помощью разностных уравнений, z-преобразований, модифицированных z - преобразований. Если регулятор нелинеен, применяют модели в виде нелинейных дифференциальных уравнений с нелинейностью, заданной аналитически или графически. Императивная форма используется довольно редко, в основном в регуляторах, основанных на логике (булевой или нечеткой). Имеющееся разнообразие способов описания регуляторов порождает множество различных методов их анализа и синтеза, единый подход к решению этого круга задач отсутствует. Конструктивным способом преодоления этой проблемы может стать более широкое использование императивного метода описания регуляторов систем управления. В качестве императивной формы задания регулятора выберем систему продукций, набор правил вида «условие – действие». Условная (если, IF) часть каждого правила – антецедент (antecedens – предшествовать) – определяет, когда регулятор должен использовать данное правило. Вторая часть (то, THEN) – консеквент (соnsequens – последствия) – описывает соответствующее действие.
Императивный подход сводит задачу описания регулятора вне зависимости от его формы к заданию системы продукций как одного или нескольких правил вида «условие – действие». Под условием понимается логическое высказывание. Оно определяет правило перехода регулятора от фазы ожидания к фазе реагирования. В свою очередь, «действие» – правило (алгоритм) вычисления реакции системы управления на стимул и применения (видоизменения) этой реакции в течение следующей фазы ожидания. Такой метод описания регуляторов можно назвать продукционным.
Цель настоящей статьи – демонстрация эффективности процедуры предлагаемого подхода применительно к проблеме синтеза цифрового регулятора для позиционного управления рабочими воротами судоходного шлюза, являющимися многомерным объектом управления с сосредоточенными параметрами. Рассматриваемый метод базируется на представлении алгоритмов управления в виде априори не фиксируемых и переменных во времени систем правил. Метод обеспечивает построение в темпе с управляемым процессом непосредственно на цифровом регуляторе реализующих эти алгоритмы вычислительных процедур, формируемых по информации о свойствах среды с учетом особенностей, обусловленных цифровым характером устройств управления [10, 11].
Описание рабочих ворот судоходного шлюза как объекта управления
Судоходные шлюзы являются неотъемлемой частью инфраструктуры внутренних водных путей России. Стабильность и устойчивость работы этих сооружений напрямую определяет качество работы водного транспорта, нарушения приводят к аварийным ситуациям.
Основное внимание в известных авторам работах уделяется исследованиям гидродинамических процессов в камере судоходного шлюза при гидростатических и гидродинамических нагрузках [14]. В настоящем исследовании рассматривается система управления, призванная предотвратить возможные нарушения синхронности силовых элементов, отвечающих за подъем щита рабочих ворот.
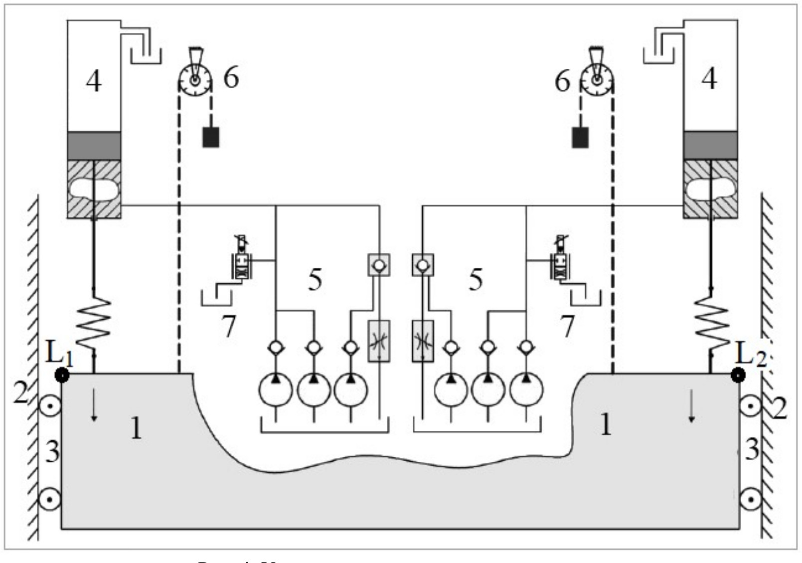
Упрощенная схема системы подъема ворот представлена на рис. 4. Ворота 1 перемещаются по направляющим 2 с помощью подпружиненных тележек 3. Положение «левой» и «правой» сторон ворот может быть представлено координатами L1 и L2. При рассинхронизации работы гидроподъемников возможно образование перекоса ворот, приводящее к их заклиниванию и выходу из строя. По нормативам перекос между сторонами ворот |L1 – L2| не должен превышать 60 мм.
Перемещение щита рабочих ворот осуществляется с помощью двух независимых гидроцилиндров 4, установленных по обеим сторонам шлюза. Управление подачей масла в каждый из гидроцилиндров осуществляется маслонапорными установками 5.
Рис. 4. Упрощенная схема системы подъема ворот
Контроль за положением рабочих ворот происходит с помощью сельсинов 6. В случае возникновения перекоса при подъеме щита рабочих ворот на опережающей стороне открывается золотник синхронизации 7, обеспечивающий сброс давления в гидроцилиндре и снижение скорости подъема опережающей стороны. Аналогичным образом контролируется перекос при опускании щита рабочих ворот.
Математическая модель рабочих ворот как объекта управления в пространстве состояний представлена системой
(2)
где – ускорение, скорость и положение центра тяжести рабочих ворот; – угловое ускорение, угловая скорость и угол наклона рабочих ворот; m и Ψ – их масса и момент инерции; a1, a2, a3, a4, b1, b2, b3, b4, k1, k2 – параметры, зависящие от геометрии ворот и распределения массы по объему. Действующая на ворота подъемная сила может быть условно разделена на две составляющие u1 и u2, приложенные к «левой» и «правой» сторонам ворот. Положения «левой» и «правой» сторон ворот (координаты L1 и L2) могут быть вычислены по формулам L1 = L + l sin θ/2 и L2 = L + l sin θ/2, где l – длина ворот. Интересующая нас величина перекоса ворот может быть вычислена по формуле |L1 – L2| = l sin θ. Причина возникновения перекоса – в отличии величин, составляющих управление переменных u1 и u2, что может быть вызвано физическим износом гидроподъемников или действием каких-либо возмущений.
Системные связи рабочих ворот как объекта управления в пространстве состояний представлены на рис. 5. Требования к поведению объекта управления состоят в поддержании перекоса между сторонами ворот |L1 – L2| < 60 мм на протяжении всего времени регулирования.
Рис. 5. Системные связи объекта управления «рабочие ворота»
Описание процедуры синтеза продукционного регулятора системы управления
В работе рассмотрена задача позиционного управления подъемом рабочих ворот судоходного шлюза как многомерного объекта управления с сосредоточенными параметрами.
Проблема синтеза системы продукций регулятора – это задача определения алгоритма работы цифрового позиционного регулятора как набора управляющих сигналов (в общем случае векторных) U(ti,Y(ti)), i = 0,1,...., Q –1, действующих на объект управления на временных интервалах [ti, ti+1] от момента t0 начала процесса до момента tQ его окончания. Начальные условия имеют вид L1,2(t0) = 0. Окончание процесса определяется условием L1,2(tQ) = 10 м. Алгоритм должен обеспечивать требование |L1 – L2| ≤ 0,06 м на протяжении всего процесса.
Система правил работы цифрового позиционного регулятора на каждом временном шаге задается следующим образом: «если max(L1, L2) < 10 м и |L1 – L2| ≤ 0,06 м, то u1(t) = umax, u2(t) = umax», «если max(L1, L2) < 10 м и L1 – L2 > 0,06 м, то u1(t) = 2(L1, L2), u2(t) = umax», «если max(L1, L2) < 10 м и max(L1, L2) < 10 м и L2 – L1 > 0,06 м, то u1(t) = umax, u2(t) = 2(L1 – L2)», «если L1 ≥ 10 м и L2 < 10 м, то u1(t) = 0, u2(t) = umax», «если L2 ≥ 10 м и L1 < 10 м, то u2(t) = 0, u1(t) = umax», «если L2 ≥ 10 м и L1 ≥ 10 м, то u1(t) = 0, u2(t) = 0», t ∈ [ti, ti+1), i = 0,1, ... Q – 1.
Использование такого способа позволяет скорректировать управление в случаях отклонения траектории процесса от желаемой вследствие неточности модели или воздействия возмущающих факторов. Однако вычисление сигнала управления происходит в тактовые моменты времени не мгновенно, возникает определенное временное запаздывание. При значительной сложности вычислений этот факт должен быть принят во внимание.
Осуществить верификацию разработанной позиционной системы управления можно с применением набора блоков Stateflow программного комплекса MATLAB-Simulink. Модель разработанной системы управления представлена на рис. 6, 7. Графики перекоса ворот в системе при различном характере возмущающих воздействий показаны на рис. 8, 9.
Рис. 6. Simulink-модель системы управления
Рис. 7. Stateflow-диаграмма регулятора
Рис. 8. Графики возмущающего воздействия и вызванного им перекоса ворот, синусоидальное воздействие амплитудой
Рис. 9. Графики возмущающего воздействия и вызванного им перекоса ворот, воздействие генератора равномерно распределенных в диапазоне +0.06 м случайных чисел
Заключение
Рассмотрена задача позиционного управления рабочими воротами судоходного шлюза как многомерным объектом с сосредоточенными параметрами. Формулировка задачи и требования к конечному и промежуточным состояниям учитывают весь комплекс технологических требований. В качестве ресурсов управления используются два канала управления с несколькими вариантами воздействия по каждому из каналов. Для получения информации о ходе технологического процесса, применяемой в расчетах управляющих воздействий, используются показания датчиков положения, размещенных в характерных точках рабочих ворот. На каждом временном шаге срабатывания регулятора управляющий сигнал зависит от координат L1, L2 объекта управления и корректируется по мере нарушения технологических требований. Представлены результаты численного моделирования, подтверждающие эффективность предлагаемого подхода. Численный метод решения задачи базируется на представлении алгоритма управления в виде априори не фиксируемой и переменной во времени системы правил, определяемых в ходе технологического процесса. Дальнейшее исследование будет посвящено анализу качества работы системы управления в условиях неопределенностей, связанных с неточностью модели объекта.
About the authors
Ivan A. Danilushkin
Samara State Technical University
Email: idanilushkin@mail.ru
(Ph.D. (Techn.)), Associate Professor
Russian Federation, 244, Molodogvardeyskaya st., Samara, 443100Sergey A. Kolpashchikov
Samara State Technical University
Email: skolpaschikov@mail.ru
(Ph.D. (Techn.)), Head of Department
Russian Federation, 244, Molodogvardeyskaya st., Samara, 443100Gennadiy N. Rogachev
Samara State Technical University
Author for correspondence.
Email: grogachev@mail.ru
(Dr. Sci. (Techn.)), Professor
Russian Federation, 244, Molodogvardeyskaya st., Samara, 443100References
- Karpov Yu.G., Pariyskaya E.Yu. Kachestvennyj analiz gibridnyh sistem [Qualitative analysis of hybrid systems] // Proceedings of St. Petersburg State University. Computing, measuring and control systems. St. Petersburg, 1994. No. 449. Pp. 16–20. (In Russian).
- Wong W.S., Brockett R.W. Systems with Finite Communication Bandwidth Constraints–II: Stabilization with Limited Information Feedback // IEEE Transactions on Automatic Control. 1999. Vol. 44 (5). Pp. 1049–1053.
- Polderman J.W., Willems C. Introduction to Mathematical Systems Theory: A Behavioral Approach. Texts in Applied Mathematics. Vol. 26. New York: Springer-Verlag, 1998. 424 p.
- Seiler P., Sengupta R. An H∞ Approach to Networked Control // Transactions on Automatic Control. 2005. Vol. 50 (3). Pp. 356–364.
- Hespanha J., Naghshtabrizi P., Xu Y. A Survey of Recent Results in Networked Control Systems // Proc. of IEEE Special Issue on Technology of Networked Control Systems. 2007. Vol. 95 (1). Pp. 138–162.
- Hespanha J.P., Ortega A., Vasudevan L. Towards the Control of Linear Systems with Minimum Bit-rate // Int. Symp. on the Mathematical Theory of Networks and Systems. 2002. Pp. 1–15.
- Elia N., Mitter S.K. Stabilization of Linear Systems with Limited Information // IEEE Transactions on Automatic Control. 2001. Vol. 46 (9). Pp. 1384–1400.
- Tatikonda S., Mitter S. Control Under Communication Constraints // IEEE Transactions on Automatic Control. 2004. Vol. 49 (7). Pp. 1056–1068.
- Caspi P., Maler O. From Control Loops to Real-Time Programs // Handbook of Networked and Embedded Control Systems. Basel: Birkhauser, 2008. Pp. 395–418.
- Montestruque L.A., Antsaklis P.J. State and Output Feedback Control in Model-based Networked Control Systems // Proceedings of the 41st IEEE Conference on Decision and Control. 2002. Vol. 4. Pp. 1620–1625.
- Kolesov Yu.B., Senichenkov Yu.B. Modelirovanie sistem. Dinamicheskie i gibridnye sistemy [Systems modeling. Dynamic and hybrid systems]. St. Petersburg: BHV-Petersburg, 2006. 224 p. (In Russian).
- Branicky M.S., Liberatore V., Phillips S.M. Networked Control System Co-Simulation for Co-Design // Proceedings of the 2003 American Control Conference. 2003. Vol. 4. Pp. 3341–3346.
- Rogachev G.N. Produkcionnyj metod opisaniya, analiza i sinteza avtomaticheskih regulyatorov nepreryvno-diskretnyh sistem upravleniya [Productive method of description, analysis and synthesis of automatic controllers of continuous-discrete control systems] // Cloud of Science. 2014. Vol. 1. No. 1. Pp. 17–40. (In Russian).
- Melnikov E., Danilushkin I., Kolpashchikov S., Morozov V., Krasnoshchekov I. Sistema upravleniya verhnimi rabochimi vorotami sudohodnogo shlyuza [Control system for the upper working gates of a shipping lock] // Modern automation technologies. 2014. No. 2. Р. 66–71. (In Russian).
Supplementary files












