Инициализация множества начальных планов ремонтов генерирующего оборудования энергосистем при использовании метаэвристических подходов оптимизации на примере метода дифференциальной эволюции
- Авторы: Губин П.Ю.1, Обоскалов В.П.1,2
- 
							Учреждения: 
							- Уральский федеральный университет, УралЭНИН
- Научно-инженерный центр «Надежность и ресурс больших систем и машин» Уральского отделения РАН
 
- Выпуск: Том 29, № 2 (2021)
- Страницы: 6-23
- Раздел: Информатика, вычислительная техника и управление
- URL: https://journals.eco-vector.com/1991-8542/article/view/64945
- DOI: https://doi.org/10.14498/tech.2021.2.1
- ID: 64945
Цитировать
Полный текст
Аннотация
Одним из возможных подходов к планированию ремонтов оборудования электроэнергетических систем является применение эвристических методов, которые основаны на итерационном преобразовании множества допустимых решений. При этом эффективность метода во многом зависит от выбора начального множества допустимых планов (инициализация метода). Широко принятая сегодня методика, согласно которой исходное множество строится на основе псевдослучайной равномерной генерации управляющих переменных, в ряде случаев является лишь паллиативным решением поставленной задачи.
В данной статье на примере решения задачи планирования ремонтов генерирующего оборудования методом дифференциальной эволюции предлагается альтернативная процедура инициализации расчета. Сущность метода заключается в получении начальных планов ремонта с помощью нормально распределенных случайных отклонений от предварительного субоптимального решения, рассчитываемого с применением метода направленного поиска. Применение данного подхода позволяет улучшить вероятностные показатели результирующего плана ремонтов, а именно снизить медианное значение целевой функции и ее коэффициент вариации, а также максимизировать вероятность получения комбинации моментов вывода из работы энергоблоков, полностью удовлетворяющей накладываемым на результат планирования эксплуатационным ограничениям.
Полный текст
Введение
Вычислительные ресурсы, которые предоставляет современный персональный компьютер рядового пользователя, на порядки превосходит расчетные возможности вычислительных устройств второй половины ХХ века. Революция вычислительных мощностей, с одной стороны, позволила менее критично относиться к системе допущений, направленных на снижение вычислительных затрат, а с другой, что представляется особенно важным в рамках данного исследования, открыла возможность использования вероятностно-статистических и эвристических методов и алгоритмов поиска решений сложных технических задач, что, как правило, приводит к повышению качества решения. Прозрачность функционирования и простота реализации этих подходов, а также результативность их применения полностью компенсируют основной недостаток статистических методов – увеличение длительности расчетов. Это предопределило расширение спектра задач науки и техники, для решения которых сегодня используются данные методы.
В электроэнергетике сегодня предложен целый ряд технических решений, базирующихся на генетических, эволюционных и прочих вероятностных алгоритмах. Здесь можно упомянуть следующие области применения обсуждаемых методов в задачах управления, планирования и оптимизации режимов энергосистем: выбор оптимальной конфигурации сети по критерию минимума потерь мощности и обеспеченности уровней напряжения [1, 2]; выбор мощности и места установки средств компенсации реактивной мощности [3, 4]; выбор мощности и места установки возобновляемых источников электроэнергии [5, 6]; прогнозирование энергопотребления [7]; настройка параметров регулировочного оборудования энергосистем [8] и др. В представленной работе основное внимание уделяется применению эвристических алгоритмов поиска решения в приложении к задаче планирования ремонтов генерирующего оборудования энергосистем.
Выбор плана ремонтов генераторов заключается в определении оптимальных моментов отключения энергоблоков ЭЭС для восстановительных работ. В качестве критериев оптимизации, как правило, применяются: максимум обеспеченности заявок на ремонт оборудования; минимум математического ожидания недоотпуска электроэнергии [9]; минимум затрат на производство электроэнергии [10, 11]; минимум вероятности появления дефицита мощности в ЭЭС; оптимальный резерв мощности в ЭЭС [10] и др. [12]. Трудность решения этих задач классическими методами заключается, с одной стороны, в дискретном характере управляющих переменных, а с другой – в многоэкстремальности пространства решений. Достаточно сказать, что при решении задачи планирования ремонтов 10 энергоблоков на горизонте 1 год с недельной дифференциацией периода планирования полным перебором возможных вариантов требуется рассмотрение (анализ допустимости и эффективности плана) более чем возможных комбинаций, что практически невозможно (и нецелесообразно) в современных условиях. С учетом специфики учитываемых ограничений (неопределенность объема и длительности ремонта, возможностей ремонтной базы и др.), а также преимуществ эвристических методов излишним становится обоснование того, что методики, основанные на использовании таких методов, предлагаются международным научным сообществом в качестве инструментария планирования ремонтов [13–15].
Погружаясь в детали исследований применимости эвристических методов в электроэнергетике, можно обратить внимание на то, что в большинстве случаев на этапе инициализации некоторым образом выбирается начальный набор вариантов (эволюционные и генетические алгоритмы) или единственная начальная точка (метод симуляции отжига). Как правило, исходный набор управляющих переменных формируется случайным образом в диапазоне допустимых значений в соответствии с равномерным вероятностным распределением [13, 16–20]. В частности, возвращаясь к задаче планирования ремонтов, для некоторого энергоблока, ремонт которого требуется выполнить с 10-й по 30-ю недели периода планирования, начальное решение определяется на основе псевдослучайного выбора, равномерно распределенного на рассматриваемом интервале момента времени вывода энергоблока в ремонт. Данный подход к инициализации в полной мере соответствует философии метаэвристических методов, согласно которой во многом успешность оптимизационного процесса определяется многообразием первоначальных решений. Тем не менее такой ход рассуждений не всегда может быть целесообразен с точки зрения результативности решения задачи поиска оптимума.
В данной работе для формирования начального множества планов ремонтов генерирующего оборудования и получения заданного количества опорных векторов предлагается и исследуется возможность применения метода направленного поиска порядка [21] с последующей генерацией нормально распределенных случайных отклонений. В качестве эвристического метода в исследовании используется метод дифференциальной эволюции [22] в приложении к задаче планирования ремонтов [9.
Далее в работе последовательно рассмотрены: постановка задачи планирования ремонтов с кратким описанием методов направленного поиска и дифференциальной эволюции, предлагаемый подход к инициализации расчета, методика экспериментов, выводы по работе.
Задача планирования ремонтов: постановка, методы решения
Постановка задачи планирования ремонтов генерирующего оборудования по критерию минимума математического ожидания (МО) недоотпуска электроэнергии детально рассмотрена в [9, 23]. Далее приводится ее сокращенная версия.
Задача. Определить план ремонтов основного оборудования ЭЭС, удовлетворяющий заданному критерию оптимизации.
Критерий. Минимум МО недоотпуска электроэнергии за расчетный период при вероятностном характере нагрузки.
Математический метод. На этапе оптимизации плана – метод дифференциальной эволюции [22]; на этапе инициализации и разработки вариантов плана – методы направленного поиска 1-го и 2-го порядков [23].
Варьируемые переменные. Моменты вывода в ремонт генерирующих агрегатов, .
Горизонт планирования. Период времени T (1 год), в рамках которого должны быть выполнены все ремонтные работы. Интервал дискретности принимается равным одной неделе (T = 52).
Целевая функция. Для учета требований, предъявляемых к результирующему плану ремонтов, используется целевая функция , включающая величину недоотпуска электроэнергии , а также функцию штрафов , которую, в свою очередь, можно представить в виде суммы штрафов по каждому из ограничений
, (1)
где – целевая функция оптимизации решаемой задачи (в данном работе – минимум МО недоотпуска электроэнергии, но в общем случае это может быть иная функция, например максимум прибыли генерирующих компаний [9] или минимум расхода топлива [11]);
– штрафная функция, минимум которой соответствует отсутствию нарушений заданных ограничений;
– расчетная величина, характеризующая степень нарушения ограничения m для рассматриваемой версии плана ремонтов;
– коэффициент составляющей штрафной функции, масштабирующий нарушения к единицам целевой функции.
В качестве критерия оптимизации используется критерий минимума МО суммарного недоотпуска электроэнергии за расчетный период, то есть основной акцент при планировании ремонтов электротехнического оборудования ставится на задаче обеспечения надежности функционирования ЭЭС. При этом функция рассчитывается следующим образом:
, (2)
Согласно [24] для отдельной реализации плана ремонтов
, (3)
где – МО максимума мощности нагрузки в неделю w;
– располагаемая мощность генерации в неделю w;
– среднеквадратичное отклонение (СКО) нагрузки в неделю w;
и – соответственно функции распределения и плотности вероятности мощности нагрузки.
Величина рассчитывается в зависимости от вида ограничения.
Ограничения. При планировании ремонтов энергоблоков нами учитываются следующие ограничения:
- Все ремонты длительностью должны быть выполнены в пределах допустимого расчетного периода . Ограничение учитывается косвенно. В частности, если значения варьируемых переменных выходят за пределы разрешенного интервала, то они приравниваются ближайшей границе .
- Для генераторов, относящихся к некоторому району либо узлу энергосистемы , суммарная располагаемая мощность не должна быть меньше порогового значения . Степень нарушения этого ограничения для энергосистемы, состоящей из энергорайонов , может быть рассчитана следующим образом:
, (4)
где – мощность отдельного энергоблока;
– число энергоблоков;
– минимально допустимая располагаемая генерирующая мощность энергорайона ;
– вспомогательная переменная, идентифицирующая состояние генерирующего агрегата k группы в неделю w: если генератор k находится в ремонте, то , в противном случае – .
- Ограничение ремонтной базы вводится в задачу в виде возможного числа одновременно выполняемых ремонтов оборудования класса , определяемого числом ремонтных бригад . Таким образом, для генераторов системы:
. (5)
Допущения. Для всех генераторов расчетный период ограничивается интервалом , т. е. все ремонты должны быть выполнены в пределах 1 года без дополнительных ограничений. Нагрузка описывается нормальным вероятностным распределением с индивидуальными МО и дисперсией для каждой недели.
Отдельного упоминания требует то, что при планировании ремонтов не учитывается неравномерность недельного графика нагрузки, а в качестве МО и дисперсии нагрузки для каждой недели принимаются вероятностные параметры максимальной за недельный период мощности [9]. В общем случае МО недоотпуска электроэнергии на недельном интервале
где t – номер часа недели ;
– число часов недельного максимума дефицита мощности.
Неопределенность для прогнозных на год вперед почасовых значений нагрузки энергосистемы, относительно которой рассчитывается величина , существенно больше неопределенности МО (3). В то же время величина в период ремонтной кампании колеблется в узком диапазоне, что позволяет с учетом сказанного выше принять ее постоянной для всех недель w ремонтного периода . В результате при выборе дискретности периода ремонтов предпочтение следует отдать недельному интервалу постоянства состояний системы.
Следует заметить, что согласно действующему законодательству, регламентирующему правила вывода объектов электроэнергетики в ремонт [25], планирование ремонтов субъектами оперативно-диспетчерского управления должно проводиться в два этапа: составление сводного годового графика в год, предшествующий планируемому, и составление сводного месячного графика на предстоящий месяц с учетом предложений о выводе в ремонт от заявителей и действующего сводного годового графика ремонтов. Отсюда задача планирования ремонтов разбивается на два этапа: планирование ремонтов с годовым упреждением и коррекция ранее разработанного плана на месячном интервале. Поскольку годовой план ремонтов в дальнейшем уточняется, то требования по результирующей точности к нему снижаются, что обосновывает недельную дискретность планового периода. Коррекция плана ремонтов оборудования на месячном периоде является самостоятельной задачей, возможно с иным математическим обеспечением.
Методы планирования ремонтов генерирующего оборудования
В работе для планирования ремонтов применяются два математических метода – метод направленного поиска и метод дифференциальной эволюции.
Метод направленного поиска предложен, описан и исследован в работах [21, 23]. Данный подход можно подразделить на два этапа: на первом из них производится сортировка перечня генераторов, подлежащих ремонту (в начале перечня оказываются энергоблоки с наибольшей располагаемой мощностью, наиболее надежные и подлежащие самому длительному ремонту), а на втором итерационно производится последовательный полный перебор всех возможных сочетаний моментов отключения d генераторов с фиксацией моментов выше стоящих в списке агрегатов. В зависимости от числа генераторов d, участвующих в комбинаторной группе на каждой итерации второго этапа расчета, определяется порядок метода: один генератор – метод 1-го порядка, два генератора – метод 2-го порядка, три генератора – метод 3-го порядка и т. д. Как правило, при повышении порядка повышается качество решения, но при этом нелинейно увеличиваются вычислительные затраты [23].
Метод дифференциальной эволюции – это эвристический метод, обеспечивающий в ходе итерационного процесса постепенное приближение к некоторому оптимальному решению [22]. Последовательность действий, регламентируемых этим методом, можно кратко описать в виде следующей последовательности шагов:
- Инициализируется набор начальных планов ремонтов, представленных векторами варьируемых переменных – популяция. Как было показано при обзоре существующих подходов, наиболее распространенным способом инициализации является генерация в допустимом диапазоне значений начальных вариантов решений методом генерации псевдослучайных чисел.
- Дополнительно каждому элементу популяции (плану) случайным образом выбираются два других вектора и . Для этой тройки определяется промежуточный вектор :
, (7)
где – коэффициент скрещивания, в общем случае единый для всех элементов. Если в результате выполнения операции (7) один или несколько моментов отключения энергоблоков выходят за предел допустимого диапазона, то эти моменты заменяются предельными значениями. Таким образом обеспечивается косвенный учет ограничений на допустимый период вывода в ремонт генерирующих агрегатов.
- Путем случайного замещения части варьируемых переменных вектора переменными вновь полученного промежуточного вектора определяется новый элемент популяции . Если , то вектор-потомок заменяет вектор в множестве возможных решений. Если – вектор отбрасывается.
- Шаги 2 и 3 повторяются до тех пор, пока не будет выполнено одно из следующих условий:
4.1. на протяжении итерационных расчетов целевая функция остается неизменной (популяция остановилась в развитии);
4.2. достигнуто предельное число итераций расчета .
В работе [9] алгоритм реализации метода дифференциальной эволюции в приложении к задаче планирования ремонтов генерирующих агрегатов разбирается детально. Кроме того, там показано влияние величины коэффициента скрещивания и величины популяции на эффективность расчетной процедуры. В следующем разделе описывается предлагаемая методика инициализации процедуры поиска оптимального плана ремонтов.
Методика инициализации метода дифференциальной эволюции
Как отмечалось во введении, в подавляющем большинстве случаев принято в качестве начального множества решений на этапе инициализации принимать вектор варьируемых переменных, равномерно распределенных в области допустимых значений. Нами рассматривается возможность использования метода инициализации, основанного на случайном рассеивании возможных начальных решений в окрестности субоптимального, предварительно полученного вектора моментов отключения энергоблоков. Для формирования такого вектора предлагается использовать метод направленного поиска 1-го порядка. Множество случайных отклонений определяется на базе нормального распределения Гаусса, где дисперсия моментов вывода агрегатов в ремонт определяется исходя из соответствующей длительности ремонта. Идея, лежащая в основе предлагаемого подхода, заключается в том, что случайные отклонения одновременно обеспечивают и разнообразие исходных точек процесса оптимизации, и их локализацию в сравнительно небольшой области пространства решений. При этом простой в реализации и вычислительно эффективный метод направленного поиска, практически не увеличивая общие вычислительные затраты, позволяет получить более качественное решение, обеспечивающее большую вероятность определения глобального оптимума. Далее приводится рассматриваемый пошаговый алгоритм инициализации процедуры планирования.
- Для списка генераторов, подлежащих ремонту, выполняется планирование ремонтов методом направленного поиска 1-го порядка, результатом чего является вектор моментов вывода агрегатов в ремонт.
Создается «сырая» популяция , представляющая собой матрицу с одинаковыми столбцами, равными :
, (8)
где n – число генераторов, подлежащих ремонту; s – величина популяции; – момент вывода в ремонт i-го энергоблока согласно j-му варианту плана ремонтов.
- На базе матрицы формируется начальная популяция согласно преобразованию:
, (9)
где – сгенерированное согласно нормальному вероятностному распределению (10) с нулевым МО и СКО псевдослучайное отклонение момента вывода в ремонт генератора i вектора популяции j:
(10)
где – среднеквадратичное отклонение момента вывода в ремонт i-го генератора, пропорциональное с коэффициентом длине интервала, в течение которого должен быть окончен ремонт i-го генератора. Поскольку после задания отклонений моменты вывода в ремонт могут оказаться ненатуральными числами , значения в матрице популяции округляются до ближайших целых значений.
Таким образом, все элементы начальной популяции случайны, но при этом локализованы в окрестности некоторого субоптимального решения. Такое ограничение начального пространства состояний имеет своей целью увеличить интенсивность поиска в сравнительно малой области, включающей в себя глобальный оптимум при сохранении числа необходимых итераций расчета.
Экспериментальная часть и дальнейший обзор результатов направлены на анализ результативности применения предлагаемой методики.
Методика эксперимента и тестовая модель
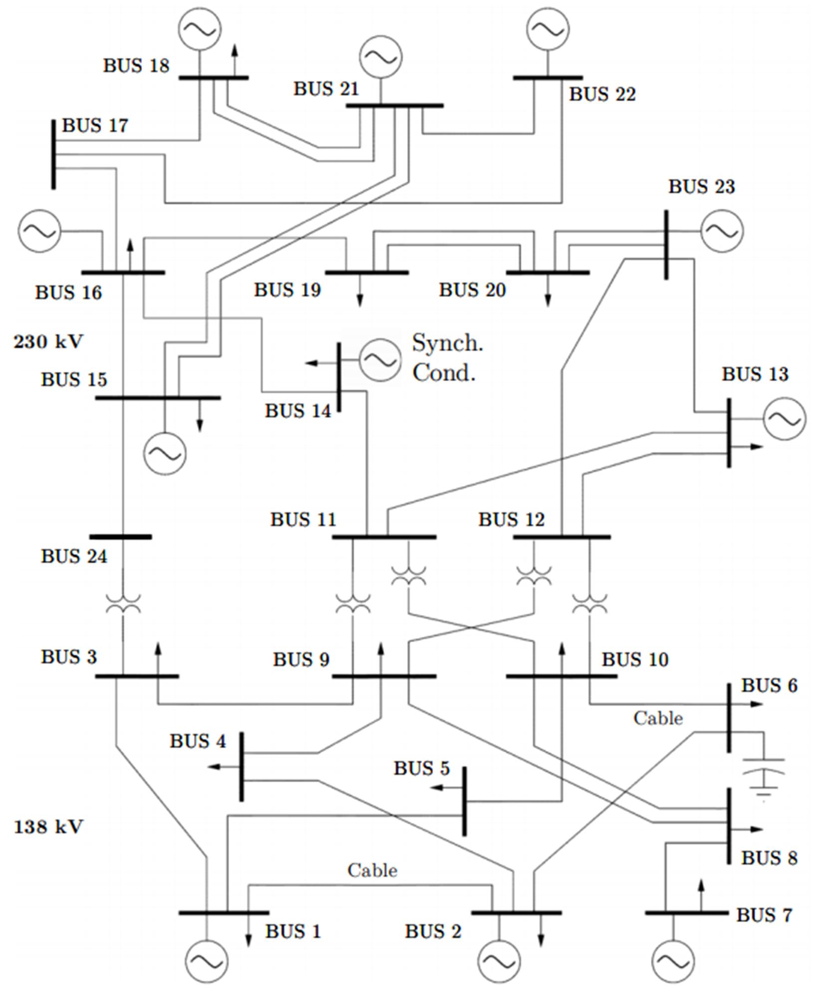
В представленной работе в качестве тестовой модели используется сдвоенная тестовая схема (TS1) IEEE RTS [26]. Подробное описание данной модели, перечень генераторов, подлежащих ремонту, а также результаты планирования, полученные с помощью метода дифференциальной эволюции, приводятся в работе [9]. На рис. 1 представлена схема данной тестовой модели.
Рис. 1. Однолинейная схема TS1
В таблице представлена сводная информация об ограничениях, накладываемых на план ремонтов энергоблоков, в ходе вычислительных экспериментов, когда это оговаривается.
Рассматриваемые ограничения планирования ремонтов
| Тип ограничения | Пороговое значение | Весовой коэффициент штрафа | 
| Число ремонтных бригад | 2,00 | |
| Минимальная мощность сети 138 кВ | = 780 МВт | 0,45 | 
С целью анализа эффективности предлагаемой процедуры инициализации проведены два вычислительных эксперимента:
- Выполняются последовательные 100 расчетов плана ремонтов генераторов системы при значениях коэффициента
,
а также для случая, когда все начальные элементы популяции генерируются случайным образом по традиционной методике. Такой расчет выполняется для двух сценариев, согласно которым на шаге 0 предложенной методики используются соответственно методы направленного поиска 1-го или 2-го порядков.
- Выполняются последовательные 100 расчетов плана ремонтов генераторов системы с учетом ограничений, представленных в таблице, также для случая, когда все начальные элементы популяции генерируются случайным образом по традиционной методике и при значениях коэффициента
.
Результатом описанного вычислительного эксперимента являются значения общей целевой функции и ее составляющих: целевой функции надежности и штрафной компоненты, а также расчетные вероятности нахождения плана, удовлетворяющего всем ограничениям без штрафа .
- Выполняются последовательные 100 расчетов плана ремонтов генераторов системы при случайных равномерно распределенных в диапазоне [0; 1] значениях коэффициента скрещивания (7) для двух сценариев: первый – когда начальная популяция генерируется по традиционной методике, т. е. случайно; и второй – когда для получения исходного множества решения используется предлагаемая методика инициализации с методом направленного поиска 1-го порядка и коэффициентом .
С использованием результатов вычислений, выполненных в ходе описанных экспериментов, получены поля корреляции и коробчатые диаграммы для исследуемых величин, анализ которых производится в следующем разделе.
Анализ результатов
Зависимость результатов планирования ремонтов без учета ограничений от базового метода инициализации и коэффициента . Первый вычислительный эксперимент направлен на то, чтобы показать, влияет ли вообще подход к инициализации на результаты дальнейшего выбора плана ремонтов и имеет ли значение, какой метод использовать для поиска начальной точки, вокруг которой рассеивается популяции в дальнейшем, – метод направленного поиска 1-го или 2-го порядка.
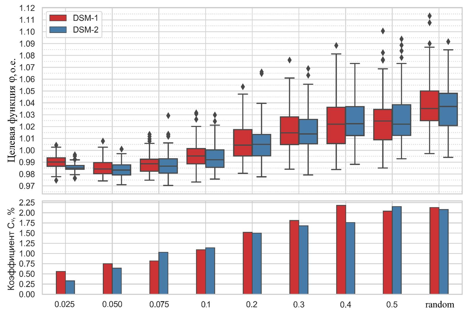
Рис. 2, представляющий коробчатые диаграммы, построенные по результатам проведенного эксперимента, а также гистограмму расчетных коэффициентов вариации , содержит ответ на поставленные вопросы. Здесь конечная оптимизированная целевая функция пересчитана в относительные единицы относительно величины, соответствующей плану с шага 1 процедуры инициализации.
Рис. 2. Коробчатые диаграммы целевой функции и коэффициенты вариации для двух подходов к инициализации расчета: традиционного (random) и предлагаемого , и для методов инициализации: направленного поиска 1-го (DSM-1) и 2-го (DSM-2) порядков
В первую очередь на основании диаграмм можно говорить о том, что предлагаемая методика задания начального множества решений эффективна по сравнению с традиционным рассеиванием точек в пространстве допустимых решений. В частности, при любом коэффициенте медиана результирующей целевой функции оказывается лучше, чем в традиционном случае (крайние правые ящики на рис. 2). Кроме того, в последнем сценарии вероятность получения решения, превосходящего результаты применения инициализирующего метода направленного поиска, оказывается достаточно мала, в особенности по сравнению со случаем , когда уже медиане соответствует значение лучшее по сравнению с начальным.
Если говорить о сопоставлении эффективности методов получения начальной точки инициализации – методов направленного поиска 1-го и 2-го порядков, то следует заметить, что принципиальной разницы в результатах не наблюдается. Практически всегда с учетом вероятности результаты планирования двумя методами оказываются сопоставимыми. Отсюда требуемые методом 2-го порядка сравнительно большие вычислительные затраты не оправдываются и в качестве вспомогательной расчетной процедуры рекомендуется применение более простых методов 1-го порядка.
Зависимость результатов планирования ремонтов с учетом эксплуатационных ограничений от коэффициента . Результаты первого вычислительного эксперимента, рассматривающего влияние коэффициента на результаты планирования без учета эксплуатационных ограничений, не разрешают вопрос оценки эффективности однозначно в пользу предлагаемого подхода, поскольку исключение из анализа ограничений может привести к изменению наблюдаемого ранее порядка вещей. В этой связи второй эксперимент направлен на оценку применимости метода при условии необходимости учета ограничений на ремонтную мощность системы (количество ремонтных бригад) и минимально допустимую с точки зрения управления режимом располагаемую мощность генераторов сети 138 кВ тестовой модели. На рис. 3 продемонстрированы коробчатые диаграммы z-оценок целевой функции и ее составляющих для заявленного выше ряда значений коэффициента , а также гистограмма расчетной вероятности получения по результатам расчетов плана ремонта, удовлетворяющего всем заявленным ограничениям (плана, для которого штрафная составляющая целевой функции ).
Корреляционные зависимости штрафной и надежностной элементов целевой функции от степени начального рассеивания решений задачи различны по своему характеру. Так, в частности, для составляющей h сохраняется выявленная в первом эксперименте тенденция к росту коэффициента вариации и медианного значения по мере роста коэффициента вплоть до равномерно случайного разброса начальных решений. При этом выбор наилучшего с этой точки зрения коэффициента становится менее очевидным, чем в случае, представленном на рис. 2.
Для штрафной составляющей целевой функции, напротив, характерны резкое снижение неопределенности при увеличении степени рассеивания элементов матрицы-популяции и в равной мере быстрое снижение медианного значения штрафа. Это обстоятельство объяснимо. Поскольку инициализация методом направленного поиска подразумевает нахождение начального плана без учета ограничений, все полученные решения оказываются локализованы в некоторой окрестности этой исходной точки пространства состояний. Если в случаях отсутствия ограничений или их слабого влияния на результаты планирования описанное расположение обеспечивает нахождение наилучших решений вблизи глобального оптимума и фактически сводит задачу к локальному поиску, то при наличии жестких ограничений, когда оптимальный с учетом требований эксплуатации план сильно отличается от начального, локализация становится, наоборот, дополнительным препятствием на пути к наилучшему компромиссу. Действительно, в последнем случае близость к оптимальному с точки зрения надежности варианту приводит также к удалению от решения учитывающего ограничения на число ремонтных бригад, минимальную располагаемую мощность систем и пр.
Наглядным примером этому служит графическое представление результатов эксперимента на рис. 3 для штрафной составляющей целевой функции при значениях коэффициента и : в первом случае начальные вариации плана ремонтов оказываются расположены чрезмерно близко друг к другу для того, чтобы в ходе дальнейшего итерационного процесса обеспечить выполнение заявленных эксплуатационных ограничений несмотря на то, что вероятностные показатели для надежностной составляющей h в данном случае оказываются наилучшими. Во втором случае при относительно небольшом увеличении фактора рассеивания дисперсии z-оценок целевой функции и штрафа оказываются на порядок меньше, что справедливо и для медианных значений.
Рис. 3. Коробчатые диаграммы z-оценок целевой функции и ее составляющих h и для предлагаемого и традиционного (random) подходов с учетом ограничений; гистограмма вероятности p получения решения, удовлетворяющего всем ограничениям
Тем не менее следующие два наблюдения позволяют говорить об эффективности предлагаемого подхода к инициализации. Во-первых, медианное значение и дисперсия целевой функции оказываются минимальными для значения коэффициента . При дальнейшем увеличении этого параметра рассеивание штрафной составляющей практически не меняется, но ухудшаются надежностные показатели результирующего плана ремонтов. Во-вторых, при той же величине оказывается максимальной вероятность достижения решения, для которого штраф , т. е. выполняются все накладываемые на задачу эксплуатационные ограничения. Таким образом, можно говорить о том, что и в случае учета ограничений существует оптимальное с точки зрения планирования значение коэффициента .
Взаимосвязь процедуры инициализации и настроек метода дифференциальной эволюции. Цель заключительного вычислительного эксперимента – выяснить, может ли быть достигнута аналогичная показанной в предыдущем разделе эффективность традиционной процедуры инициализации при отличных от прошлого сценария настройках метода дифференциальной эволюции, в частности при ином функциональном представлении коэффициента скрещивания . Поля корреляции целевой функции оптимизации в относительных единицах и коэффициента скрещивания для двух сценариев представлены на рис. 4.
Рис. 4. Диаграммы рассеяния целевой функции относительно коэффициента скрещения для двух подходов к инициализации расчета: традиционного (random) и предлагаемого ()
Рис. 4 является убедительным доказательством того, что показанная сравнительная непродуктивность традиционной методики не вызвана ошибочным выбором параметров метода дифференциальной эволюции. Действительно, во всем рассматриваемом диапазоне значений коэффициента скрещивания F решения, полученные после формирования множества начальных решений по исследуемому методу, превосходят результаты применения традиционного подхода. Более того, рассеяние последних в несколько раз превосходит аналогичную величину для нового метода.
Заключение
В исследовании предложен метод инициализации процедуры планирования ремонтов на базе методов направленного поиска и дифференциальной эволюции и доказана его эффективность по сравнению с существующим наиболее распространенным подходом. Результаты экспериментов показывают, что для инициализации наиболее целесообразно использование метода направленного поиска 1-го порядка как наиболее простого и достаточно эффективного для задания начального плана ремонтов. В частности, модификация позволяет получить более качественное решение с меньшим по сравнению с классическим методом коэффициентом вариации результирующей целевой функции, а в случае рассмотрения эксплуатационных ограничений – максимизировать вероятность получения решения, обеспечивающего их выполнение. В заключение показано, что предлагаемый подход сохраняет свою эффективность при любых настройках метода дифференциальной эволюции.
Об авторах
Павел Юрьевич Губин
Уральский федеральный университет, УралЭНИН
							Автор, ответственный за переписку.
							Email: p-tul@yandex.ru
				                	ORCID iD: 0000-0002-3736-652X
				                																			                								
аспирант
Россия, 620002, г. Екатеринбург, ул. Мира, 19Владислав Петрович Обоскалов
Уральский федеральный университет, УралЭНИН; Научно-инженерный центр «Надежность и ресурс больших систем и машин» Уральского отделения РАН
														Email: vpo1704@mail.ru
				                	ORCID iD: 0000-0001-9850-3375
				                																			                								
д.т.н., проф., профессор кафедры «Автоматизированные электрические системы» УралЭНИН
Россия, 620002, г. Екатеринбург, ул. Мира, 19; 620049, г. Екатеринбург, ул. Студенческая, 54АСписок литературы
- Мартынюк М.В. Адаптация генетического алгоритма для решения задач управления состоянием электрической сети // Информатика и управление в технических и социальных системах. – 2019. – № 3. – С. 47–56.
- Metia A., Ghosh S. A Literature Survey on Different Loss Minimization Techniques used in Distribution Network // International Journal of Scientific Research and Education. 2015. Vol. 3, no. 6. Pp. 3861–3877.
- Влацкая Л.А., Семенова Н.Г. Применение генетических алгоритмов в задачах оптимизации размещения компенсирующих устройств // Электротехнические системы и комплексы. – 2019. – № 4. – С. 21–28.
- Mahdad B. Optimal reconfiguration and reactive power planning-based fractal search algorithm: A case study of the Algerian distribution electrical system // Engineering Science and Technology, an International Journal. 2019. Vol. 22, no. 1. Pp. 78–101.
- Кычкин А.В., Чудинов А.В. Применение генетического алгоритма для оптимизации размещения альтернативных источников энергии в локальном сегменте активно-адаптивной сети // Системы. Методы. Технологии. – 2016. – № 1. – С. 76–82.
- Shi R., Cui C., Su K., Zain Z. Comparison Study of Two Meta-heuristic Algorithms with Their Applications to Distributed Generation Planning // Energy Procedia. 2011. Vol. 12, no. 1. Pp. 245–252.
- Abido M.A. An efficient heuristic optimization technique for robust power system stabilizer design // Electric Power Systems Research. 2001. Vol. 58, no. 1. Pp. 53–62.
- Rekha, Kumar A., Singh A.K. Optimization of Controller Parameters for Non-Linear Power Systems Using Different Optimization Techniques // International Journal of Engineering Research & Technology. 2013. Vol. 2. no. 6. Pp. 228–233.
- Губин П.Ю., Обоскалов В.П. Применение метода дифференциальной эволюции в задаче планирования ремонтов генерирующего оборудования // Изв. РАН. Энергетика. – 2021. – № 2. – С. 1–14.
- Воропай Н.И., Федотова Г.А. Планирование ремонтов электрогенерирующего оборудования в рыночной среде с учетом надежности // Автоматика и телемеханика. – 2010. – № 7. – С. 179–184.
- Saraiva J.T., Pereira M.L., Mendes V.T., Sousa J.C. A Simulated Annealing based approach to solve the generator maintenance scheduling problem // Electric Power Systems Research. 2011. Vol. 81. Pp. 1283–1291.
- Александров О.И. Дискретизация плана ремонтов основного оборудования в электроэнергетической системе // Энергетика. Известия вузов и энергетических объединений СНГ. – 2017. – № 4. – С. 320–333.
- Saber A.Y., Senjyu T., Yona A., Funabashi T. Unit commitment computation by fuzzy adaptive particle swarm optimization // IET Generation, Transmission and Distribution. 2007. Vol. 1. Pp. 456–465.
- Satoh T., Nara K. Maintenance Scheduling by Using Simulated Annealing Method // IEEE Transactions on Power Systems. 1991. Vol. 6. Pp. 850–857.
- Volkanovski A., Mavko B., Bosevski T., Causevski A., Cepin M. Genetic algorithm optimization of the maintenance scheduling of generating units in a power system // Reliability Engineering and System Safety. 2008. Vol. 93. Pp. 757–767.
- Balaji G., Balamurugan R., Lakshminarasimman L. Mathematical approach assisted differential evolution for generator maintenance scheduling // Electrical Power and Energy Systems. 2016. Vol. 82. Pp. 508–518.
- Suresh K., Kumarappan N. Hybrid improved binary swarm optimization approach for generation maintenance scheduling problem // Swarm and Evolutionary Computation. 2013. Vol. 9. Pp. 69–89.
- Lakshminarayanan S., Kaur D. Optimal maintenance scheduling of generator units using discrete integer cuckoo search optimization algorithm // Swarm and Evolutionary Computation. 2018. Vol. 9. Pp. 89–98.
- Schlunz E.B., Vuuren van J.H. An investigation into the effectiveness of simulated annealing as a solution approach for the generator maintenance scheduling problem // Electrical Power and Energy Systems. 2013. Vol. 53. Pp. 166–174.
- El-Amin I., Duffuaa S., Abbas M. A Tabu search algorithm for maintenance scheduling of generating units // Electric Power System Research. 2000. Vol. 54. Pp. 91–99.
- Арзамасцев Д.А., Жукова А.П., Обоскалов В.П. Применение методов направленного поиска для планирования капитальных ремонтов основного оборудования энергосистем // Применение математических методов и вычислительной техники в энергетике. – 1973. – С. 3–7.
- Storn R., Price K. Differential Evolution – A Simple and Efficient Adaptive Scheme for Global Optimization over Continuous Spaces // Journal of Global Optimization. 1997. Vol. 11. Pp. 341–359.
- Gubin P.Y., Oboskalov V., Mahnitko A., Varfolomejeva R. An Investigation into the Effectiveness of the Directed Search Method for Optimal Generating Equipment Maintenance by EENS Criteria // Proceeding of the IEEE RTUCON. 2019. Riga, Latvia, October 2019.
- Обоскалов В.П., Кокин С.Е., Кирпикова И.Л. Применение вероятностно-статистических методов и теории графов в электроэнергетике. – Екатеринбург, 2016. – 271 с.
- Постановление Правительства РФ от 30.01.2021 № 86 «Об утверждении Правил вывода объектов электроэнергетики в ремонт и из эксплуатации, а также о внесении изменений в некоторые акты Правительства Российской Федерации по вопросу совершенствования порядка вывода объектов электроэнергетики в ремонт и из эксплуатации» // Собрание законодательства РФ. 08.02.2021. № 1. Ст. 985.
- Grigg C., Wong P. The IEEE reliability test system – 1996. A report prepared by the reliability test system task force of the application of probability methods subcommittee // IEEE Transactions on Power Systems. 1999. Vol. 14. Pp. 1010–1020.
Дополнительные файлы
 
				
			 
						 
					 
									
 
  
  
  Отправить статью по E-mail
			Отправить статью по E-mail 





