Structural and parametric synthesis of the control system of the unobserved output for the object with distributed parameters
- Authors: Tychinin A.A.1, Tychinina Y.A.2, Ragazin D.A.2
-
Affiliations:
- «TM-service»
- Samara State Technical University
- Issue: Vol 29, No 1 (2021)
- Pages: 58-72
- Section: Informatics, Computer Science and Control
- URL: https://journals.eco-vector.com/1991-8542/article/view/65237
- DOI: https://doi.org/10.14498/tech.2021.1.5
- ID: 65237
Cite item
Full Text
Abstract
Method of synthesis of a control system for the object with the distributed parametres, providing compensation of dynamic properties of the object and giving to it of properties of standard model of a set. The system possesses the property of an adaptability to parametrical interference of the object. Control along the unobservable coordinate of the object is implemented by synthesizing a chain structure that implements a transfer function close to the inverse transfer function of the object. Weak sensitivity to parametric instability is provided by solving the inverse problem of dynamics. As an example, the heating of a massive billet in a convection oven is considered.
Keywords
Full Text
Введение
Современная наука имеет мощный математический аппарат для описания объектов с распределенными параметрами. Существуют различные подходы к задачам синтеза систем управления такими объектами.
Большинство подходов обладает общим недостатком – в них не учитывается параметрическая нестабильность объектов. Все модели объектов и алгоритмы управления рассчитываются с учетом допущений о постоянных или кусочно-постоянных физических параметрах объекта. Например, в задаче нагрева массивных заготовок объект рассматривается как распределенный и необходимо учитывать распределение температуры по его толщине. Подобные допущения о постоянстве теплофизических параметров вносят погрешность в математическое описание объекта управления.
При разработке систем управления таким объектом прибегают, как правило, к аналитическим методам, которые также базируются на допущении постоянства теплофизических параметров.
Еще одной проблемой при построении таких систем может быть необходимость управления ненаблюдаемой координатой объекта – например, температурой в середине объекта, измерить которую не представляется возможным. Приходится определять ее косвенно, прибегая к аналитическим методам.
Проблема инвариантности в системах управления широко рассматривается в современной науке, например в [1–4].
Применительно к объектам с сосредоточенными параметрами известна задача синтеза системы управления методами обратной динамики и задача компенсации динамических свойств объекта нахождением близкой к обратной передаточной функции с помощью цепных (периодических) структур.
Применительно к задачам управления метод обратной динамики подразумевает определение закона управления путем нахождения дифференциального уравнения, описывающего поведение управляемой величины по заданным требованиям к показателям качества, последующего вычисления по этому уравнению старшей производной и подстановки ее вместо старшей производной в уравнение объекта.
Такой метод был предложен Л.М. Бойчуком [5] для определения структуры при синтезе нелинейных систем управления. Широкому распространению метода способствовали работы П.Д. Крутько [6, 7].
Задача нахождения обратной передаточной функции объекта относится к классу «некорректных» и не имеет точного решения. Проблема состоит в необходимости компенсации динамических свойств объекта и, как следствие, в выполнении операций точного дифференцирования.
Идеальное дифференцирующее звено реализовать невозможно, поэтому, как правило, прибегают к различным приближенным способам реализации оператора дифференцирования. Большинство из них состоит в использовании метода малого параметра, где наличие малого коэффициента позволяет задать системе некоторый запас устойчивости, снизив при этом точность реализации.
Задачам нахождения обратных передаточных функций и решению некорректных задач посвящены работы Б.М. Менского, А.Н.Тихонова [8–12].
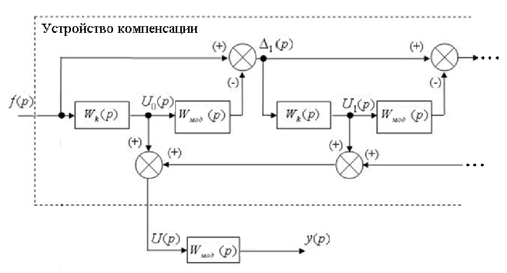
Для решения задачи компенсации динамических свойств объекта возможно использовать цепную схему, где последовательно соединены одинаковые звенья и каждое последующее звено все больше приближает структуру к обратной функции объекта [13–19].
Постановка задачи
Для синтеза системы управления процессом нагрева массивной металлической заготовки относительно ненаблюдаемой координаты (нагрев центральной точки) предлагается последовательно решать следующие задачи:
- Разработка математической модели распределенного объекта с граничным управлением первого рода.
- Разработка динамических структур, близких к обратной передаточной функции объекта.
- Определение эталонной траектории изменения регулируемого параметра (температура в центре заготовки) и на основе обратной передаточной функции определение управляющего воздействия (температура на поверхности заготовки), обеспечивающего требуемый характер поведения ненаблюдаемой фазовой координаты.
- Математическое описание объекта управления в граничных условиях третьего рода (конвективный нагрев в газовой печи).
- Структурно-параметрический синтез системы граничного управления с обратной связью по температуре поверхности заготовки методом обратной динамики.
В результате получим систему управления нагревом ненаблюдаемой координаты объекта с обратной связью по температуре поверхности заготовки и температурой печи в качестве управляющего воздействия.
Как будет показано ниже, такая система будет обладать слабой чувствительностью к параметрическим возмущениям объекта управления.
Структура предлагаемого подхода представлена на рис. 1.
Рис. 1. Структура системы управления внутренней координатой объекта
В качестве объекта управления рассматривается массивная неограниченная пластина из алюминиевого сплава Д16, нагреваемая по толщине. В таблице приводятся принятые в расчетах характеристики нагреваемой заготовки.
Характеристики нагреваемых заготовок сплава Д16 (АА2024)
Параметр | Значение |
2R, толщина заготовки, мм | 250 |
λ, коэффициент теплопроводности, Вт/м·0С | 130 |
ρ, плотность, кг/м3 | 2800 |
с, теплоемкость, Дж/кг·0С | 922 |
а, коэффициент температуропроводности, м2/с | 49·10–6 |
Объект управления описывается сначала в граничных условиях первого рода (управление температурой внутренней координаты по температуре поверхности). Затем осуществляется переход к управлению граничной температурой объекта с управляющим воздействием по температуре конвекционной печи. Для этого объект описывается в граничных условиях третьего рода.
Решение поставленной задачи
Решением первой краевой задачи (1) построена модель объекта с управлением по температуре поверхности пластины [20]:
(1)
В (1) a=const – заданный постоянный коэффициент.
Краевая задача (1) может быть представлена в стандартной форме с однородными граничными и нулевыми начальными условиями:
(2)
где – стандартизирующая функция [20]:
(3)
Здесь и – дельта-функции временного и пространственного аргументов соответственно, сосредоточенные в точках t=0 и x=R, и – производная по х от .
Переход к изображениям по Лапласу в уравнениях (2) приводит к следующему выражению для передаточной функции объекта управления (1) с граничным управляющим воздействием в форме ее разложения в бесконечный ряд по собственным функциям первой краевой задачи [20]:
, (4)
где и – изображения и .
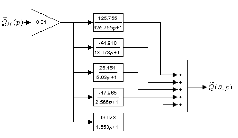
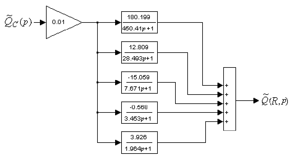
Модель объекта построена в соответствии с передаточной функцией (4) с учетом характеристик, приведенных в таблице. При построении модели (рис. 2) ограничились пятью слагаемыми бесконечного ряда.
Задачу компенсации динамических свойств объекта и получения приближенной обратной передаточной функции выполним с помощью цепной структуры [19, 22] (рис. 3), где последовательно соединены одинаковые звенья и каждое последующее звено все больше приближает структуру к обратной функции объекта [14–19, 21].
Рис. 2. Модель объекта управления для нагрева центра пластины при граничных условиях первого рода
Рис. 3. Система компенсации динамических свойств объекта
На рис. 3 – передаточная функция модели объекта управления, а – передаточная функция корректирующего звена, описываемая уравнением
(5)
Коэффициент С варьируется в диапазоне [01). При С=1 система оказывается физически нереализуемой. В данном подходе необходимо подобрать коэффициент С таким образом, чтобы система была устойчивой и реализуемой (например, в части ограничений на величину управляющего воздействия). Увеличением количества ячеек периодической структуры в устройстве компенсации добиваются приемлемой точности. При этом чем ближе значение коэффициента С к 1, тем выше скорость сходимости.
Несложно показать, что при бесконечном увеличении количества ячеек периодической структуры и при значениях С, принадлежащих указанному диапазону, передаточная функция структуры стремится к обратной передаточной функции модели объекта:
(6)
Из (6) получаем:
(7)
Из (5) следует, что
(8)
где С принадлежит диапазону [0…1).
Тогда в (7) при количестве ячеек n→∞ имеем сумму бесконечной геометрической прогрессии, знаменатель которой по абсолютной величине меньше единицы:
(9)
Известно, что сумма бесконечно убывающей геометрической прогрессии равна первому члену этой прогрессии, деленному на разность между единицей и знаменателем этой прогрессии.
Таким образом, при бесконечном количестве ячеек структуры, представленной на рис. 3, она с абсолютной точностью реализует обратную передаточную функцию объекта управления при любом значении коэффициента :
(10)
На рис. 3 устройство компенсации включено последовательно с моделью объекта управления. Такое соединение при идеальной реализации компенсирующего устройства имеет единичную передаточную функцию и должно повторить входное воздействие .
В качестве объекта управления рассматривалась модель поведения регулируемой температуры в центре пластины:
(11)
Построен динамический компенсатор центра пластины при нагреве в граничных условиях 1-го рода (рис. 4) и найдена необходимая траектория изменения температуры поверхности заготовки.
Значение коэффициента С=0.7 выбрано из соображений устойчивости системы.
Рис. 4. Динамический компенсатор температуры центра пластины в процессе нагрева при граничных условиях 1-го рода
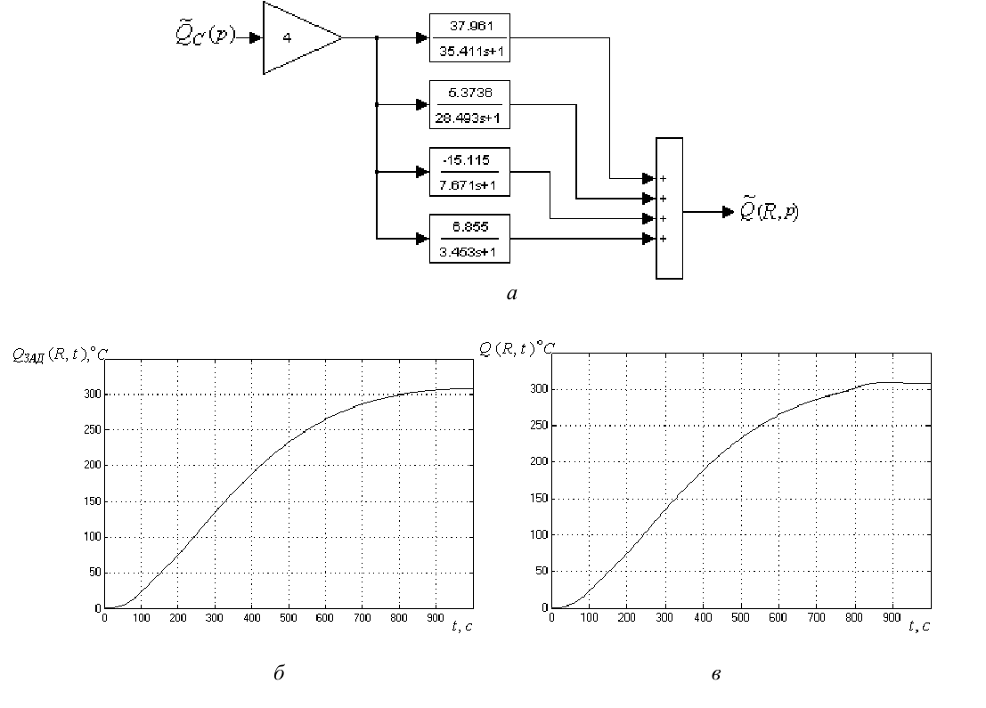
На рис. 5 приведена переходная характеристика эталонной модели полученной реакции на выходе модели объекта; управляющее воздействие – температура поверхности пластины, а также относительная погрешность, полученная при значении коэффициента С=0,7 и количестве ячеек 1 и 3.
Получена передаточная функция изменения граничной температуры нагреваемой заготовки с учетом заданной эталонной траектории температуры в центральной точке объекта (12). Она соответствует модели системы, представленной на рис. 4 с моделью распределенного объекта управления, представленного на рис. 2.
(12)
Рис. 5. Переходная характеристика эталонной модели (а), синтезированной системы (б), найденный закон изменения граничной температуры (в), погрешность отработки сигнала эталонной модели при 1 ячейке компенсационной структуры (г), при 3 ячейках компенсационной структуры (д)
(13)
Решением третьей краевой задачи (13) построена модель объекта [6] для температуры поверхности той же самой заготовки с управлением по температуре печи (рис. 6).
В (13) a=const – заданный постоянный коэффициент.
Стандартная форма уравнений объекта (13) опять представляется в виде (2), где теперь стандартизирующая функция отличается от (3) и записывается следующим образом [20]:
(14)
Передаточная функция объекта опять представляется в форме бесконечного ряда [20]:
(15)
При построении модели, как и в прошлый раз, ограничились пятью слагаемыми. Также учтены характеристики, приведенные в таблице.
Рис. 6. Модель объекта управления для температуры поверхности пластины при граничных условиях третьего рода
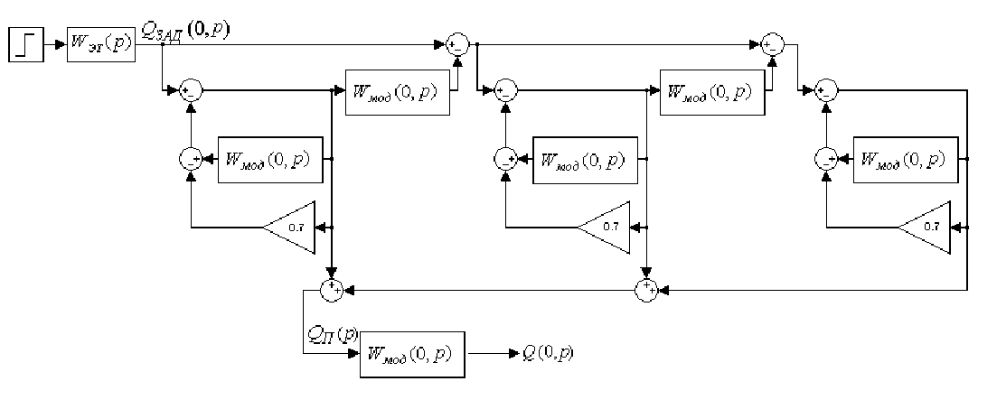
Для синтеза системы управления, адаптивной к параметрическим возмущениям объекта, воспользуемся методами обратной динамики [5–7, 13].
Задача сводится к минимизации квадратичного отклонения значений производных для выходов эталонной модели и объекта управления соответственно.
Для этого предполагается минимизировать функционал (16) по градиентной схеме (17).
(16)
(17)
Здесь – сигнал на выходе эталонной модели. За эталонную модель принимается передаточная функция (12).
Из (16) и (17) получаем:
(18)
На основе уравнения (18) выполним структурный синтез системы управления. Для этого проинтегрируем почленно уравнение эталонной модели (12), выделив ее выход . Подставим его в (18) и выполним замену , обеспечив обратную связь по управляемой величине.
Указанные действия выполняются непосредственно при построении структуры системы управления (рис. 7).
На рис. 7: – температура центра пластины; – температура ее поверхности; – передаточная функция модели объекта управления в условиях третьей краевой задачи; – граничное управляющее воздействие по температуре печи; – передаточная функция модели объекта управления от температуры поверхности к температуре центра в условиях первой краевой задачи.
Следует обратить внимание, что коэффициенты синтезированной структуры соответствуют коэффициентам эталонной модели и не зависят от параметров самого объекта. Благодаря этому система получает свойство слабой чувствительности к параметрическим возмущениям.
Для проверки работоспособности системы в условиях параметрической нестабильности объект управления подменяли аналогичным объектом, но с другими параметрами (рис. 8а).
Требуемая переходная характеристика температуры поверхности заготовки и полученная при замене объекта моделью с другими теплофизическими параметрами представлены на рис. 8б и 8в.
Представленные переходные характеристики подтверждают слабую чувствительности синтезированной системы к параметрическим возмущениям объекта управления.
На полученных моделях проверялась способность системы отрабатывать другие виды возмущений. Для примера рассмотрено возмущение по входу объекта (помехи по температуре печи), которое может быть вызвано притоком воздуха разной температуры в печь извне.
Рис. 7. Структурная схема системы управления по температуре в центре заготовки (а), заданная переходная характеристика для температуры в центре пластины (б), полученная переходная характеристика (в), относительная погрешность синтезированной системы (г)
На рис. 9 представлено случайное воздействие на температуру печи и относительное отклонение от эталонной траектории температуры ненаблюдаемой координаты распределенного объекта (нагреваемой заготовки).
Рис. 8. Параметрические возмущения объекта управления (а), заданная переходная характеристика для температуры на поверхности пластины (б), полученная переходная характеристика при параметрических возмущениях (в)
Рис. 9. Случайное воздействие на входе объекта управления (а), относительное отклонение от эталонной траектории (б)
Выводы
В работе выполнен синтез системы управления ненаблюдаемой координатой объекта с распределенными параметрами. Синтезированная система обладает свойством адаптивности к параметрическим возмущениям объекта управления. Рассматривался процесс нагрева массивной неограниченной пластины по толщине. В качестве материала для нагреваемой заготовки использован сплав Д16.
Для модели объекта управления в граничных условиях первого рода с помощью периодических структур получена близкая к обратной передаточная функция и найдено такое поведение граничной температуры, которое обеспечивает требуемый нагрев ненаблюдаемой центральной точки объекта.
Это поведение граничной температуры принято за эталонную модель, на основе которой решена обратная задача динамики для того же объекта, но в граничных условиях третьего рода (управление температурой поверхности с помощью температуры конвекционной печи).
В ходе исследования выявлены также основные ограничения предложенного подхода:
–порядок эталонной модели должен быть не ниже порядка объекта управления;
–инерционность эталонной модели не должна быть ниже инерционности объекта управления.
About the authors
Aleksandr A. Tychinin
«TM-service»
Author for correspondence.
Email: vest_teh@samgtu.ru
Ph.D. (Techn.), Head of Department
Russian Federation, 157, 6th proseka, Samara, 443029Yulia A. Tychinina
Samara State Technical University
Email: vest_teh@samgtu.ru
Ph.D. (Techn.), Associate Professor
Russian Federation, 244, Molodogvardeyskaya st., Samara, 443100Dmitry A. Ragazin
Samara State Technical University
Email: vest_teh@samgtu.ru
Ph.D. (Techn.), Associate Professor
Russian Federation, 244, Molodogvardeyskaya st., Samara, 443100References
- Nesterov V. N. Modeling of invariant and quasi-invariant systems based on the multichannel principle. Applied Physics and Mathemat-ics. 2020. Vol. 5. Pp. 32–35. (InRussian).
- Apolonsky V.V., Kopylova L.G., Ttararykin S.V. Development and research of selective-invariant electromechanical systems with adap-tation of regulators to change of speed level.
- Bulletin of the russian academy of sciences. Ser. control theory and systems. 2020. Vol. 5. Pp. 28–43. (InRussian).
- Hien Vu Anh, Yagodkina T.V. Synthesis adaptive modal regulator for invariant system on the basic of tracking system. Fundamental research. 2016. Vol. 6–1. Pp. 52–57. (InRussian).
- Kharkov V.P. Adaptive control of a dynamic system based on inverse problems of dynamics. Proceedings of the International Symposium "Reliability and Quality", Penza, 2016, Vol. 2. Pp. 176–177. (In Russian).
- Boychuk L.M. Method of structural synthesis of nonlinear automatic control systems. M.: Energiya, 1971.
- Krutko P.D. Inverse problems of the dynamics of controlled systems. Linear models. Moscow: Nauka, 1987. 304 p.
- Krutko P.D. Inverse problems of dynamics in the theory of automatic control. Mashinostroenie, 2004. 576 p.
- Mensky B.M. The principle of invariance in automatic control. M.: Mechanical engineering, 1972, 235 p.
- Tikhonov A.N., Samarsky A.A. Equations of mathematical physics. M.: Nauka, 1966. 724 p.
- Tikhonov A.N., Arsenin V.Ya. Methods for Solving Ill-Posed Problems. M.: Nauka, 1979.
- Tikhonov A.N., Goncharovsky A.V., Stepanov V.V., Yagola A.G. Numerical Methods for Solving Ill-Posed Problems. M.: Nauka, 1990.
- Tikhonov A.N., Kalner V.D., Glasko V.B. Mathematical modeling of technological processes and the method of inverse problems in mechanical engineering. M.: Mechanical Engineering, 1990.
- Kim D.P. Automatic control theory. M.: FIZMATLIT, 2004. 464 p.
- Tychinin A.V. Methods of inverse problems of dynamics in problems of synthesis of control systems for a distributed object. - steel. Vestnik Samgtu. Ser. Technical Sciences. 2005. Vol. 39. Pp. 21–25. (In Russian).
- Tychinin A.V. Adaptability in problems of synthesis of control systems for a distributed object. Modern techniques and technologies CTT'2006 // proceedings of the XII International scientific-practical conference of students, graduate students and young scientists, Tomsk 2006. Pр. 188–189.
- Tychinin A.V. Synthesis of control systems for a distributed control object by solving the inverse problem of dynamics. Proceedings of the fifth All-Russian scientific conference with international participation "Mathematical modeling and boundary value problems". Samara, 2008. Рр. 128–130.
- Tychinin A.V., Tychinina Yu.A. Structural and Parametric Synthesis of a Distributed Parameter Object Control System. Vestnik Samgtu. Ser. Technical Sciences. 2009. Vol. 1(23). Pp. 74–79. (In Russian).
- Tyan V.K. Theory of periodic structures in ill-posed problems of synthesis of invariant and autonomous control systems. Vestnik Samgtu. Ser. Technical Sciences. 2006. Vol. 41. Pp. 47–54. (In Russian).
- Tyan V.K. Structural representation of the inverse operator in a Banach space. Vestnik Samgtu. Ser. Technical Sciences. Ser. Physics and mathematics. 2007. Vol. 1(14). Pp. 197–199.
- Rapoport E.Ya. Structural modeling of objects and control systems with distributed parameters: Textbook. allowance. M.: Vyssh. shk., 2003. 299 p.
- Rapoport E.Ya., Tyan V.K. Achieving a given invariance in stochastic combined control systems. Kuibyshev Polytechnic Institute. Dep. AT VINITI 20.06.89, No. 4089-B89.
- Rapoport E.Ya. Analysis and synthesis of automatic control systems with distributed parameters: Textbook. allowance. M.: Vyssh. shk., 2005. 292 p.
Supplementary files












