Способ уменьшения амплитуд высших гармоник в выходном напряжении частотного преобразователя
- Авторы: Стариков А.В.1, Лисин С.Л.1, Беляева О.С.1, Кирдяшев В.А.1
- 
							Учреждения: 
							- Самарский государственный технический университет
 
- Выпуск: Том 29, № 1 (2021)
- Страницы: 120-132
- Раздел: Электротехника
- URL: https://journals.eco-vector.com/1991-8542/article/view/65262
- DOI: https://doi.org/10.14498/tech.2021.1.9
- ID: 65262
Цитировать
Полный текст
Аннотация
Современные низковольтные частотные преобразователи, построенные по принципу автономных инверторов с широтно-импульсной модуляцией, обладают большими амплитудами высших гармоник в выходном напряжении. Это негативно сказывается на работе асинхронного или синхронного двигателя, подключенного к такому преобразователю, поскольку вызывает снижение коэффициента полезного действия машины переменного тока. Произведен анализ причин плохого гармонического состава выходного напряжения традиционных инверторов с синусоидальной широтно-импульсной модуляцией; отмечено, что основной из них является введение «мертвого» времени при переключении полумостов каждый период модуляции. Предложен способ синусоидальной модуляции, не требующий введения «мертвого» времени. Рассмотрены режимы функционирования силовых транзисторов при таком способе коммутации и диаграммы управляющих сигналов. Найдены аналитические выражения, позволяющие определить действующее значение выходного напряжения частотного преобразователя и коэффициенты высших гармоник при предлагаемом способе коммутации силовых транзисторов. Определена основная причина низкого действующего значения фазного напряжения на выходе инвертора при синусоидальной широтно-импульсной модуляции – неэффективное использование периода коммутации. Предложен способ синусоидальной модуляции, не требующий введения «мертвого» времени, повышающий действующее значение выходного напряжения и уменьшающий в 75 раз суммарный коэффициент гармонических составляющих. Приведены диаграммы сигналов, управляющих силовыми транзисторами и обеспечивающих снижение амплитуд высших гармоник на выходе частотного преобразователя. Произведена аппроксимация гармоническим рядом Фурье выходного напряжения инвертора, получающегося в случае применения предложенного способа коммутации силовых транзисторов. Отмечено, что для технической реализации синусоидальной модуляции, обеспечивающей малые амплитуды высших гармоник, необходимы только два широтно-импульсных модулятора.
Полный текст
Подавляющее большинство современных частотных преобразователей построены по принципам автономных инверторов с широтно-импульсной модуляцией [1–8]. При этом исторически сложилось, что изначально использовалась так называемая -коммутация силовых транзисторов [8], простая в своей технической реализации, но обладающая плохим гармоническим составом выходного напряжения. Например, амплитуда пятой гармоники такого частотного преобразователя составляет 20 % от амплитуды первой [2, 9], что негативно сказывается на потере энергии в нагрузке.
Поэтому на смену частотным преобразователям с -коммутацией силовых транзисторов пришли инверторы с синусоидальной широтно-импульсной модуляцией (ШИМ) [1–9]. Однако недостатками традиционной синусоидальной ШИМ являются низкое выходное напряжение, максимальное действующее значение которого составляет 182 В при подключении частотного преобразователя к трехфазной сети 380 В, и большие амплитуды высших гармоник [1]. Последнее связано с тем, что, как правило, необходимое напряжение на статорных обмотках асинхронного двигателя, подключенного к инвертору, формируется посредством подключения фазы статорной обмотки двигателя переменного тока то к плюсу, то к минусу источника постоянного напряжения каждый период ШИМ. Например, для формирования синусоидального напряжения на фазе асинхронного двигателя каждый период модуляции переключаются транзисторы и частотного преобразователя (рис. 1) с переменной скважностью. То есть используется симметричный закон коммутации силовых транзисторов полумоста, причем нулю напряжения будет соответствовать скважность . В связи с этим на каждом периоде ШИМ вынуждены вводить так называемое «мертвое» время, необходимое для создания выдержки между процессами выключения и включения транзисторов полумостов, а это негативно влияет на гармонический состав выходного напряжения [1].
Рис. 1. Упрощенная силовая схема частотного преобразователя
В результате, как показывают натурные эксперименты [10], в инверторах с традиционной синусоидальной модуляцией при максимальном напряжении амплитуда третьей гармоники достигает 8 % от амплитуды первой, пятая гармоника составляет 12 %, а седьмая – 5 %.
Одним из подходов к улучшению гармонического состава выходного напряжения частотного преобразователя является применение таких законов коммутации силовых транзисторов, при которых отсутствует необходимость введения «мертвого» времени. Примером могут служить инверторы с трапецеидальной формой фазного напряжения, имеющие нулевую третью гармонику и амплитуду пятой гармоники порядка 4 % [11–14].
Дальнейшего уменьшения коэффициентов высших гармоник в выходном сигнале частотного преобразователя можно достичь за счет применения такой синусоидальной ШИМ, при которой не требуется использования «мертвого» времени при переключении транзисторов полумостов. Для достижения этого должны быть реализованы следующие режимы функционирования силовых транзисторов (табл. 1).
Таблица 1
Режимы функционирования силовых ключей
| , рад. | 0 – | – | – | – | – | – | 
| Режим VT1 | Выкл. | Выкл. | Выкл. | |||
| Режим VT2 | Выкл. | Выкл. | Выкл. | |||
| Режим VT3 | Выкл. | Выкл. | Выкл. | |||
| Режим VT4 | Выкл. | Выкл. | Выкл. | |||
| Режим VT5 | Выкл. | Выкл. | Выкл. | |||
| Режим VT6 | Выкл. | Выкл. | Выкл. | 
Как и при -коммутации транзисторов, период выходного напряжения делится на 6 частей длительностью .
Скважность открытого состояния транзисторов и определяется по формуле
,
где – сигнал, определяющий величину (амплитуду) фазного напряжения;
– угол поворота вектора напряжения;
– заданная частота напряжения на выходе инвертора;
– период широтно-импульсной модуляции.
Скважность транзисторов и должна быть равна
,
а скважность транзисторов и определяется выражением
.
Из табл. 1 видно, что транзисторы каждого полумоста переключаются всего два раза за период выходного напряжения, причем в момент переключения скважность открывающегося транзистора должна быть равна нулю. Поэтому при частотах ШИМ до 20 кГц введения «мертвого» времени либо не требуется, либо задержка на включение должна работать всего 6 раза за период синусоиды.
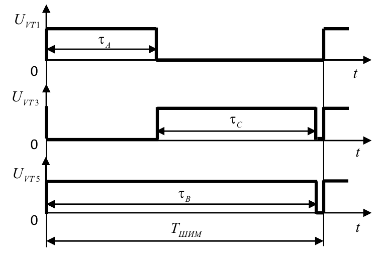
Для реализации алгоритма синусоидальной модуляции, представленного в табл. 1, необходимо иметь 3 широтно-импульсных модулятора, синхронизированных по времени. Пример временных диаграмм сигналов управления силовыми транзисторами , и для , обеспечивающих требуемые режимы функционирования, приведен на рис. 2, причем высокому уровню сигналов , и соответствует открытое состояние этих транзисторов.
Рис. 2. Сигналы управления силовыми транзисторами при
Длительности управляющих импульсов равны
(1)
Анализ упрощенной принципиальной схемы и временных диаграмм, приведенных на рис. 1 и 2, показывает, что часть периода ШИМ транзисторы и подключают к плюсу источника постоянного напряжения фазы A и C статора асинхронного двигателя, а транзистор соединяет фазу B и минус этого источника. В результате, если пренебречь индуктивностью, напряжение относительно нулевой точки обмоток асинхронного двигателя, соединенных в «звезду», делится таким образом, что на фазах A и C выделяется напряжения линии постоянного тока, причем со знаком плюс, а на фазе B – – со знаком минус. Часть периода ШИМ, когда транзистор выключен и работают только VT3 и , напряжение делится пополам между фазами B и С. В остальное время периода ШИМ напряжение на всех обмотках равно нулю.
Прослеживая работу транзисторов за период синусоиды, можно сделать вывод, что напряжение на выходе частотного преобразователя представляет собой кусочно-постоянную функцию, принимающую значения 0, , и . Поэтому максимальное среднеквадратическое (действующее) значение фазного напряжения будет определяться выражением
, (2)
где
;
– частота широтно-импульсной модуляции;
.
Подсчет по формуле (2) показывает, что при В, Гц, кГц и максимальное действующее значение фазного напряжения на выходе частотного преобразователя при рассматриваемом способе коммутации силовых транзисторов составит В. Это является большим недостатком, поскольку требует завышения мощности исполнительного двигателя на 40–50 %.
Тем не менее, поскольку большой интерес представляет гармонический состав выходного напряжения инвертора, найдем аналитическое выражение для коэффициентов высших гармоник при предлагаемой синусоидальной модуляции, не требующей введения «мертвого» времени:
(3)
где n – номер коэффициента (гармоники).
Следует отметить, что выходное фазное напряжение при рассматриваемом способе коммутации транзисторов представляет собой нечетную функцию. Поэтому четные коэффициенты гармонического ряда Фурье равна нулю, а нечетные определяются по формуле (3). Расчет по полученному аналитическому выражению коэффициентов с номерами с 1 по 301 позволил построить график фазного напряжения с учетом процесса широтно-импульсной модуляции (рис. 3), причем численные значения коэффициентов с 1 по 39 приведены в табл. 2. На графике хорошо прослеживаются 96 импульсов за период синусоиды и получаемая амплитуда напряжения, что позволяет сделать вывод об адекватности формулы (3) реальным процессам, протекающим в силовой части инвертора.
Рис. 3. Аппроксимация рядом Фурье фазного напряжения, формируемого широтно-импульсной модуляцией при законе коммутации, приведенном на рис. 2
Таблица 2
Значения коэффициентов ряда Фурье
при Гц, кГц,,
| В | В | В | В | 
| В | В | В | В | 
| В | В | В | В | 
| В | В | В | В | 
| В | В | В | В | 
Анализ данных табл. 2 показывает, что действительно исключение «мертвого» времени при синусоидальной модуляции улучшает гармонический состав выходного напряжения инвертора, но незначительно, амплитуда 5-й гармоники уменьшается лишь до 10,8 %.
Если рассматривать частотный преобразователь как элемент системы электроснабжения, то также представляет интерес определение в соответствии с ГОСТ 32144-2013 суммарного коэффициента гармонических составляющих по формуле [15]
, % . (4)
В соответствии с данными табл. 2 по выражению (4) подсчитан этот коэффициент, который оказывается равным %. Это позволяет сделать вывод, что в качестве источника системы электроснабжения инвертор с законом коммутации транзисторов, представленным на рис. 2, не соответствует требованию ГОСТ 32144-2013, по которому значение для сетей 0,38 кВ не должно превышать 8 %. Следует также обратить внимание и на низкое действующее значение максимально достижимого фазного напряжения.
Анализ причин, приводящих к этому, позволяет сделать вывод, что часть периода ШИМ используется неэффективно, поскольку наблюдается состояние, когда оказывается включенным только один транзистор.
Однако система уравнений (1) и временные диаграммы, приведенные на рис. 2, показывают, что при всегда соблюдается условие или .
Рис. 4. Предлагаемый подход к подаче сигналов управления силовыми транзисторами при
Аналогичные соотношения могут быть получены для всего спектра возможных значений угла . Это позволяет предложить следующий подход к формированию синусоидальной ШИМ, представленный диаграммами сигналов управления силовыми транзисторов на рис. 4.
То есть предлагается в диапазоне углов импульс на открытие транзистора подавать при выключении транзистора . При таком управлении транзисторными ключами синусоидальное фазное напряжение, формируемое с помощью ШИМ, представляет собой кусочно-постоянную функцию , принимающую только два значения 0 и на различных участках угла (рис. 5).
Рис. 5. Форма усредненного фазного напряжения на выходе частотного преобразователя при предлагаемом законе коммутации транзисторов, определенная на половине периода
Следует отметить, что на рисунке отражен случай, соответствующий максимальной величине амплитуды напряжения и отношению частот ШИМ и выходного напряжения, равному 96. То есть если максимальное напряжение соответствует номинальной частоте Гц, то при этом кГц.
Формула для определения среднеквадратического значения фазного напряжения
. (5)
Подсчет по формуле (5) при Гц, кГц и В показывает, что максимальная величина действующего значения фазного напряжения, которая может быть получена при предлагаемом способе коммутации силовых транзисторов, составляет В. То есть за счет более эффективного использования периода ШИМ при работе силовых транзисторов действующее значение фазного напряжения возрастает, причем опять же не используется процедура введения «мертвого» времени при переключении транзисторов каждого полумоста.
Для определения гармонического состава выходного напряжения частотного преобразователя, формирующего фазное напряжение с помощью синусоидальной модуляции по законам, определяемым табл. 1 и рис. 4 и 5, найдено аналитическое выражение для нечетных коэффициентов гармонического ряда Фурье
. (6)
Следует отметить, что формула (1) справедлива именно для .
Для оценки адекватности формулы (6) по полученным с ее помощью коэффициентам построена аппроксимация фазного напряжения на выходе инвертора гармоническим рядом Фурье (рис. 6).
Рис. 6. Аппроксимация рядом Фурье фазного напряжения, формируемого инвертором при предлагаемом законе широтно-импульсной модуляции
Таблица 3
Значения коэффициентов ряда Фурье в случае применения предлагаемого закона коммутации силовых транзисторов при Гц, кГц,,
| В | В | В | В | 
| В | В | В | В | 
| В | В | В | В | 
| В | В | В | В | 
| В | В | В | В | 
Приведенная кривая является графическим отображением суммы из 301 члена ряда. Значения коэффициентов ряда Фурье с номерами с 1 по 39 приведены в табл. 3. Амплитуда первой гармоники фазного напряжения получилась равной 257,362 В, что на 20 % больше по сравнению с аналогичным параметром, представленным в табл. 2, а коэффициенты высших гармоник, наоборот, во много раз меньше. Действительно, суммарный коэффициент гармонических составляющих, посчитанный по формуле (4), равен %, что в 75 раз меньше полученного при неэффективном использовании периода ШИМ.
Проведенное исследование позволяет сделать вывод, что предлагаемый закон коммутации транзисторов, представленный в табл. 1 и на рис. 4, является эффективным способом уменьшения амплитуд высших гармоник в выходном напряжении частотного преобразователя. Кроме того, следует отметить, что для его технической реализации необходимо только 2 широтно-импульсных модулятора, синхронизированных по времени.
Об авторах
Александр Владимирович Стариков
Самарский государственный технический университет
							Автор, ответственный за переписку.
							Email: vest_teh@samgtu.ru
				                					                																			                								
д.т.н., проф., заведующий кафедрой «Электропривод и промышленная автоматика»
Россия, 443100, г. Самара, ул. Молодогвардейская, 244Сергей Леонидович Лисин
Самарский государственный технический университет
														Email: vest_teh@samgtu.ru
				                					                																			                								
к.т.н., доцент кафедры «Электропривод и промышленная автоматика»
Россия, 443100, г. Самара, ул. Молодогвардейская, 244Ольга Сергеевна Беляева
Самарский государственный технический университет
														Email: vest_teh@samgtu.ru
				                					                																			                								
аспирант
Россия, 443100, г. Самара, ул. Молодогвардейская, 244Виктор Александрович Кирдяшев
Самарский государственный технический университет
														Email: vest_teh@samgtu.ru
				                					                																			                								
аспирант
Россия, 443100, г. Самара, ул. Молодогвардейская, 244Список литературы
- Анучин А.С. Системы управления электроприводов. – М.: Изд. дом МЭИ, 2015. – 373 с.
- Соколовский Г.Г. Электроприводы переменного тока с частотным регулированием. – М.: Академия, 2006. – 265 с.
- Калачев Ю.Н. Векторное регулирование (заметки практика). – М.: ЭФО, 2013. – 63 с.
- Титяев Д.К., Мирошник Д.Н. Сравнительный анализ векторной и традиционной широтно-импульсной модуляции //Автоматизация технологических объектов и процессов. – Донецк: ДонНТУ, 2004. – С. 301–306.
- Герасимов И. Преимущества пространственно-векторной модуляции // Конструктор. Машиностроитель. – 2013. – № 4. – С. 24–25.
- Коротков А.А., Виноградов А.Б. Новый алгоритм векторного формирования ШИМ высоковольтного преобразователя с минимизацией коммутационных потерь // Вестник ИГЭУ. – 2013. – Вып. 4. – С. 1–7.
- Паршин М.В., Самохвалов Д.В., Скурихин В.А. Сравнение КПД ШИМ синхронных электроприводов // Робототехника и техническая кибернетика. – 2014. – № 4 (5). – С. 73–74.
- Михайлов О.П. Автоматизированный электропривод станков и промышленных роботов. – М.: Машиностроение, 1990. – 304 с.
- Стариков А.В., Лисин С.Л., Рокало Д.Ю. Анализ качества выходного напряжения частотных преобразователей с простейшими законами коммутации силовых транзисторов // Вестник Самарского государственного технического университета. Сер.: Технические науки. – 2018. – № 2 (58). – Самара: СамГТУ, 2018. – С. 128–134.
- Кустов Д.А. Техническое диагностирование системы ПЧ-АД: магистерская диссертация. – Челябинск: ЮУрГУ, 2017. – 89 с.
- Стариков А.В., Кузнецов В.В., Рокало Д.Ю. Анализ гармонического состава трапецеидального фазного напряжения, формируемого частотным преобразователем // Вестник Самарского государственного технического университета. Сер.: Технические науки. – 2017. – № 3 (55). – С. 75 – 79.
- Патент России № 2216850, МПК H03K7/08. Цифровой модулятор для преобразователя частоты асинхронного электродвигателя / А.В. Стариков, В.А. Стариков (Россия) // Опубл. 20.11.2003, Бюл. № 32.
- Патент России № 2844070, МПК H03K7/08. Цифровой модулятор для преобразования частоты / С.Л. Лисин, Д.Ю. Рокало, А.В. Стариков (Россия) // Опубл. 07.02.2018, Бюл. № 4.
- Стариков А.В., Лисин С.Л., Рокало Д.Ю. Влияние широтно-импульсной модуляции на гармонический состав выходного напряжения частотного преобразователя // Вестник Самарского государственного технического университета. Сер.: Технические науки. – 2019. – № 1 (61). – С. 153–166.
- ГОСТ 32144-2013. Нормы качества электроэнергии в системах электроснабжения общего назначения. – М.: Стандартинформ, 2014. – 16 с.
Дополнительные файлы
 
				
			 
						 
					 
									
 
  
  
  Отправить статью по E-mail
			Отправить статью по E-mail 







