Система диагностики оборудования линии по производству керамзита при проведении технического обслуживания и ремонта
- Авторы: Чунихина Е.А.1, Фадеев А.С.1
-
Учреждения:
- Самарский государственный технический университет
- Выпуск: Том 32, № 4 (2024)
- Страницы: 42-52
- Раздел: Информационные технологии и коммуникации
- URL: https://journals.eco-vector.com/1991-8542/article/view/678985
- DOI: https://doi.org/10.14498/tech.2024.4.3
- EDN: https://elibrary.ru/CIMPLF
- ID: 678985
Цитировать
Полный текст
Аннотация
В статье рассмотрен метод контроля за состоянием оборудования электропривода, который позволит отслеживать его режим работы в реальном времени. В процессе работы предлагается учитывать эксплуатационные характеристики электропривода. В рамках работы была проанализирована конструкция ленточного конвейера с точки зрения его надежности. На основе известных зависимостей были разработаны математические модели, описывающие наработку до отказа элементов, что способствует повышению адекватности оценки сроков службы оборудования при оценке факторов его работы. Для проведения исследований была синтезирована структурная схема системы автоматического управления диагностикой и восстановлением исправности электропривода. Этот подход демонстрирует прогрессивные и современные способы обеспечения надежности технологического оборудования, что, в свою очередь, оптимизирует работу системы технического обслуживания и ремонта (ТОиР) на основе фактического состояния оборудования. Предлагаемая система диагностики играет важную роль в снижении простоев и уменьшении эксплуатационных затрат при использовании электроприводов на предприятиях. С её помощью предприятия смогут более эффективно планировать техническое обслуживание и наиболее эффективно обеспечивать ресурсы электроприводов, что приведёт к увеличению общей производительности и снижению рисков, связанных с внезапными отказами.
Ключевые слова
Полный текст
Современная автоматизация снижает степень участия человека в производственном процессе, ввиду чего снижается контроль за техническим состоянием оборудования [1]. В связи с этим остро встает вопрос контроля и мониторинга технологического оборудования, что вызвано требованиями к его безотказной работе. Исключения остановки оборудования по причине его отказа можно достичь, например, с помощью прогнозирования момента отказа технологических машин на основании непрерывного мониторинга режимов их работы и состояния с целью выбора наиболее благоприятного времени для выведения оборудования в ремонт [2].
Известно, что техническое обслуживание оборудования может осуществляться [3] по отказам, регламенту или фактическому состоянию. Проведение технического обслуживания и ремонта (ТОиР) оборудования по отказу не подразумевает какого-либо контроля технологического оборудования, но при этом отказы возникают непредсказуемо по времени и объему. Это влечет экономические затраты на ремонт и остановку производства с последующим смещением сроков выполнения заказов. При регламентном проведении ТОиР зачастую происходит замена еще исправных деталей и узлов оборудования, что приводит к увеличению эксплуатационных затрат. Для выполнения технической диагностики перед ТОиР необходимо провести диагностирование состояния оборудования, что влечет дополнительные затраты, но позволяет спланировать время проведения ТОиР и с большой долей вероятности спрогнозировать время на выполнение заказов предприятия.
Авторами статьи для контроля за состоянием оборудования электропривода предлагается интегрировать в технологический процесс автоматизацию мониторинга за его работой. Это позволит отслеживать в реальном времени режимы работы электропривода и, аккумулируя полученные данные, прогнозировать его работу.
В процессе работы необходимо учитывать эксплуатационные характеристики, такие как значения рабочих токов и токов утечки, напряжений, момента вращения, температуры корпуса и элементов электропривода. Их изменение позволит идентифицировать режим работы электропривода и определить среднее время работы до отказа [4].
Для определения показателей надежности электропривода с целью снижения затрат на эксплуатацию предлагается оснастить его устройством, которое условно назовем прибором идентификации неисправностей (ПИН). Данное устройство позволит непрерывно осуществлять измерение и запись технических параметров (питающее напряжение и потребляемый ток, мощность, коэффициент мощности, частота вращения вала двигателя, температуры двигателя и редуктора, уровень шума и вибрации механической части привода, вращающий момент и некоторые другие) электропривода. Кроме того, обеспечивается возможность введения в ПИН сведений о необходимых регламентных работах, например замене масла, протяжке болтовых соединений, смазке открытых передач и др.
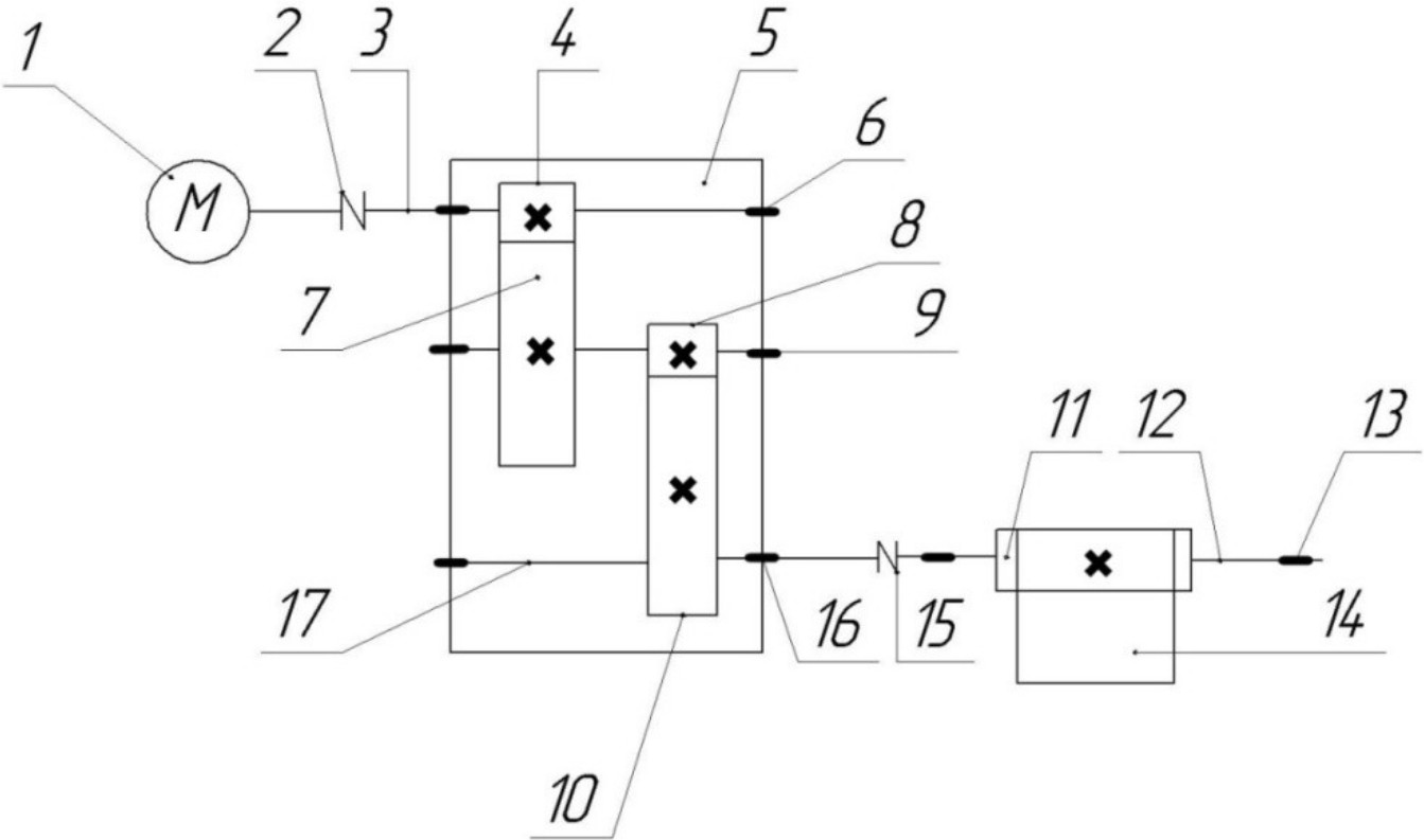
Для решения поставленных задач на первом этапе был рассмотрен ленточный конвейер (рис. 1), в котором с точки зрения надежности можно выделить несколько однотипных элементов, а именно подшипник, вал, муфту, зубчатую передачу и двигатель [5-9]. При проведении дальнейших исследований примем муфту и зубчатую передачу абсолютно надежными. Математическое описание процесса изменения показателей надежности подшипника и двигателя будем определять по методике, приведенной в [10], а вала – по методике из [11]. Особенностью модели является то, что все элементы (вал, подшипник, двигатель, обмотка) имеют одинаковые математические описания, независимо от места применения. Отличия состоят лишь в числовых характеристиках модели.
Рис. 1. Кинематическая схема конвейера: 1 – электродвигатель; 2 – муфта упругая; 3 – вал быстроходный; 4 – вал-шестерня быстроходной ступени; 5 – корпус редуктора; 6 – подшипниковый узел с глухой крышкой; 7 – зубчатое колесо быстроходной ступени; 8 – вал-шестерня тихоходной ступени; 9 – вал-шестерня промежуточный; 10 – зубчатое колесо тихоходной ступени; 11 – барабан приводной ленточного конвейера; 12 – вал приводного барабана; 13 – опора подшипниковая приводного барабана; 14 – лента питателя; 15 – муфта упругая; 16 – подшипниковый узел со сквозной крышкой с уплотнением; 17 – вал тихоходный
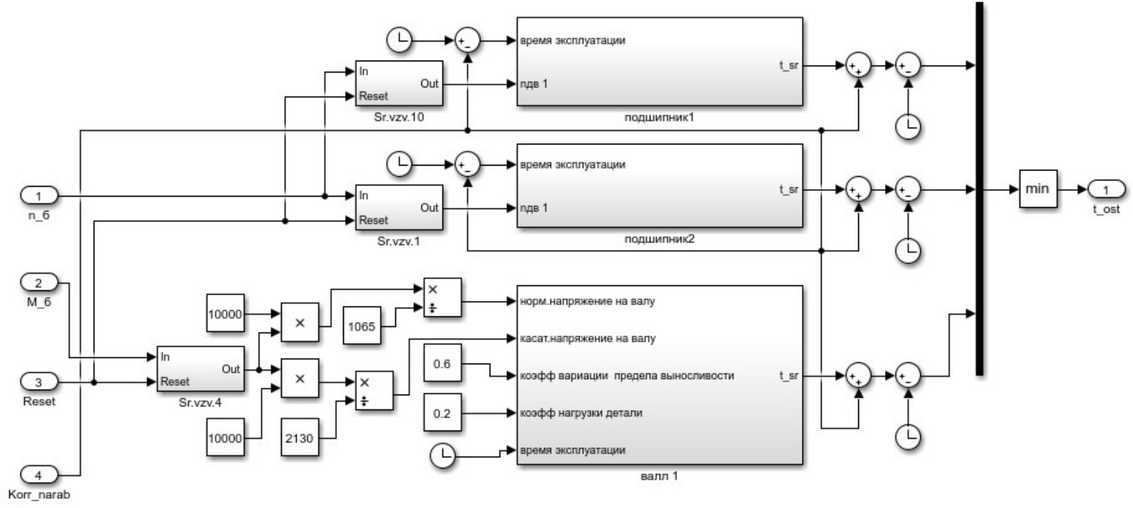
На основании зависимостей, представленных в [10] и [11], построим математические модели наработки до отказа асинхронного двигателя, приводного барабана и редуктора. Примем, что электродвигатель с точки зрения надежности состоит из вала, двух подшипников и обмотки. Поэтому для моделирования двигателя используем модель надежности вала, две модели надежности подшипника и одну модель надежности изоляции (рис. 2). Так как определение показателей надежности сопряжено с изменениями температуры, то необходимо добавить блок моделирования температуры обмоток «Расчет температуры» исходя из их параметров: индуктивности фаз обмотки , , ; потребляемых токов , , ; температуры окружающей среды и других [12].
Рис. 2. Вычислительная модель асинхронного двигателя
В структуре (см. рис. 2) присутствуют блоки Servise, введенные для восстановления надежности системы и моделирующие процесс ремонта или восстановления. Также в модели имеются блоки расчета механических параметров вращения вала. На основании полученных выходных данных остаточной наработки в блоке Min выбирается минимальное значение, которое считается конечным для данного узла.
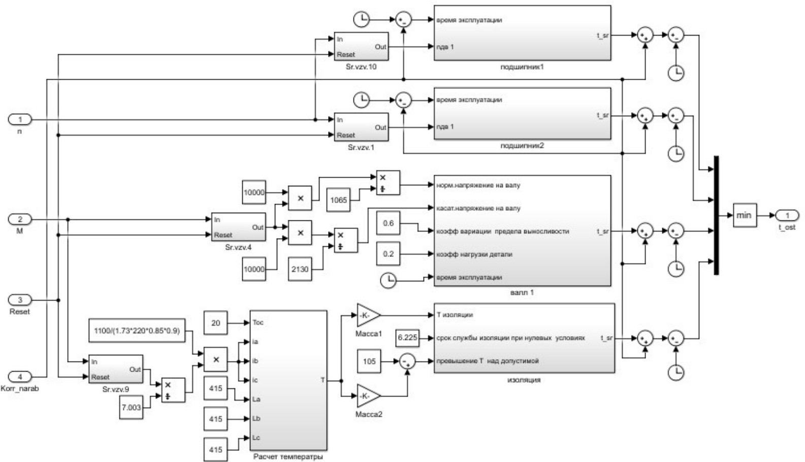
Редуктор с точки зрения надежности состоит из трех валов, шести подшипников и двух зубчатых передач. Тогда для моделирования надежности редуктора выбираются три модели надежности вала и шесть моделей надежности подшипника (рис. 3). Блоки, обеспечивающие работу подсистем определения надежности отдельных узлов и выходные блоки, аналогичны блокам, рассмотренным выше и учтенными при моделировании асинхронного двигателя (см. рис. 2).
Рис. 3. Вычислительная модель редуктора
Барабан с точки зрения надежности состоит из одного вала и двух подшипников. Тогда для моделирования надежности редуктора применим одну модель надежности вала и две модели надежности подшипника (рис. 4). Блоки, обеспечивающие работу подсистем определения надежности отдельных узлов и выходные блоки, аналогичны рассмотренным при моделировании асинхронного двигателя (см. рис. 2).
Рис. 4. Вычислительная модель барабана конвейера
После моделирования наработки до отказа каждого из узлов производится выбор из выходных сигналов минимального – он и будет выходным сигналом остаточного времени наработки.
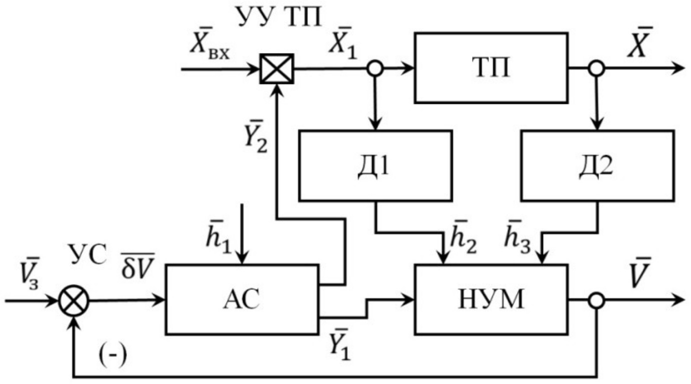
Для проведения следующего этапа исследований разработана структурная схема системы автоматического управления (САУ) диагностики надежности электроприводов (рис. 5). Здесь блок моделирует технологический процесс (ТП) в рассматриваемом случае, процесс работы электропривода конвейера [3], входные координаты которого контролируется датчиками Д1, а выходные – датчиками Д2. Кроме того, координата формируется из координаты , обеспечивая дискретное управление ей посредством сигнала . Параметры надежности устройств, участвующих в технологическом процессе, моделируются с помощью блока «Надежность узлов машин» (НУМ). В этом блоке реализованы все функции надежности узлов, объектов, устройств и машин технологического процесса. Выходной координатой НУМ являются параметры надежности узлов, учитываемыми в процессе работы возмущениями – сигналы и с датчиков Д1 и Д2. Входным воздействием на НУМ является – это операции технического осмотра, обслуживания и ремонта, которые позволят привести показатели надежности машин технологического процесса к заданным в технической документации значениям (пределам). Сигналы и формируются административной системой АС, в которую входят логические и вероятностные функции, обеспечивающие проведение своевременных процедур по восстановлению надежности устройств технологического процесса с учетом ряда производственных факторов . Работа АС основывается на сигнале отклонения , который является разностью заданных в технической документации значений и полученных с НУМ параметров надежности [13].
Рис. 5. Структура САУ диагностики надежности электроприводов
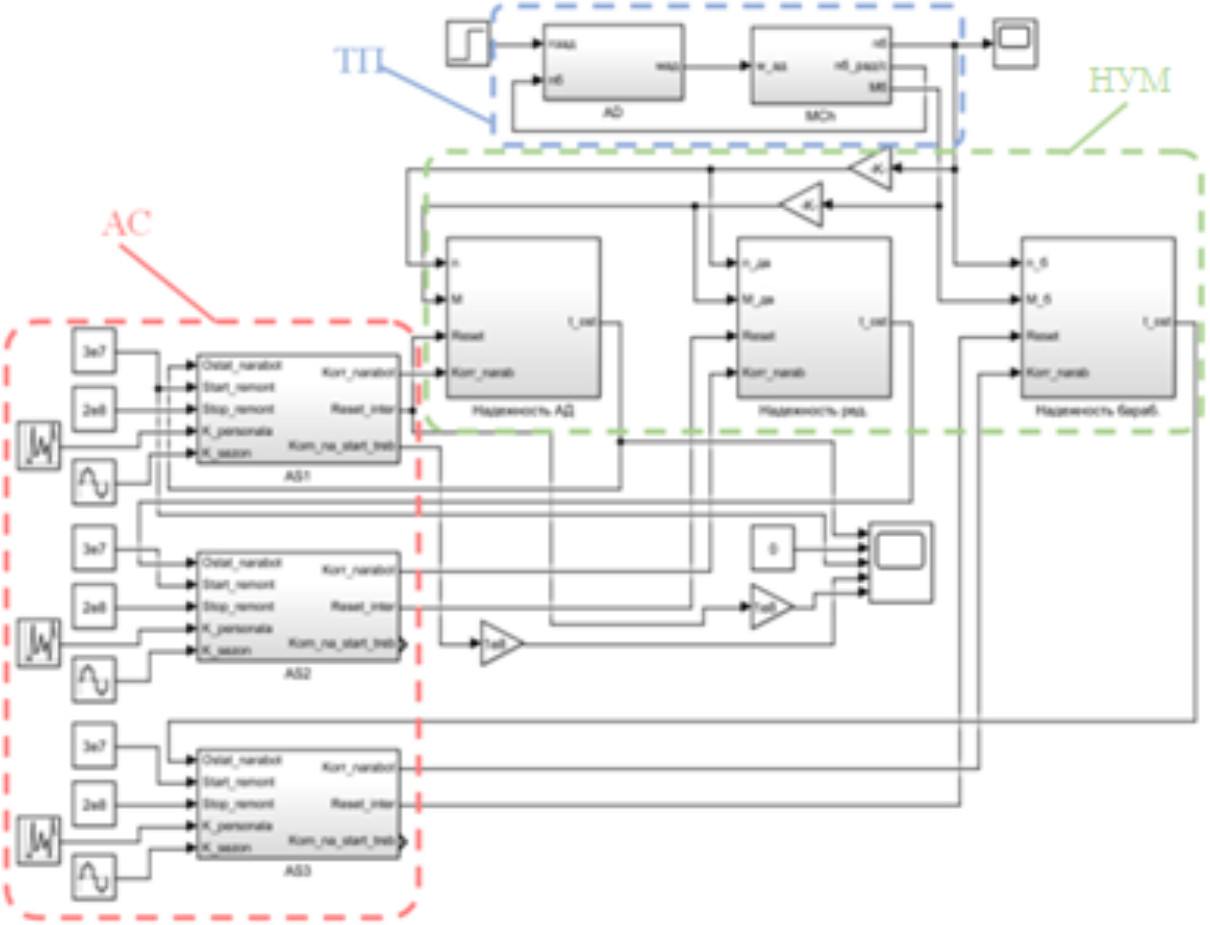
На основании структуры САУ (см. рис. 5) создана вычислительная модель автоматизированной системы управления показателями надежности электропривода конвейера (рис. 6). В состав конвейера входят асинхронный двигатель и механическая часть. В блок НУМ введены модели надежности асинхронного двигателя, редуктора и приводного барабана конвейера. В блоке АС предусмотрено по одному блоку административной системы на каждый механизм.
Рис. 6. Вычислительная модель автоматизированной системы управления показателями надежности электропривода конвейера
Административная структура (АС) имеет стохастический характер работы [14]. То есть при приближении времени ожидаемого отказа объекта автоматизации АС обеспечит начало выполнения процедуры с некоторой вероятностью и процедура будет завершена успешно за некоторый интервал времени с определенной вероятностью.
Начало выполнения работ зависит от ряда факторов: вида операции (осмотр, техническое обслуживание (ТО) без остановки объекта, ТО с остановкой объекта, ремонт); количества и квалификации персонала, задействованного в операции; загруженности оборудования и технического персонала в текущий момент времени; годового план проведения на ТОиР; наличия накопителей и дублирования оборудования в технологической линии [15].
Настройка АС выполняется за счет задания коэффициентов, которые определяют вероятности начала выполнения работ, направленных на увеличение надежности оборудования в зависимости от ранее обозначенных факторов. Более подробно работа АС будет показана в отдельной статье.
Работу построенной вычислительной модели оценим по графику изменения времени наработки до отказа, приведенному на рис. 7. На графике видно, что наработка (линия 1 периода I) уменьшается с течением времени и при достижении минимального уровня надежности (линия 4) должен начаться процесс восстановления объекта. Но в этот момент времени производить восстановление объекта не представляется возможным по причинам, описанным ранее в общих принципах действия АС. В случае, когда ситуация позволяет, происходит восстановление объекта, которому соответствует растущая линия 2 на рис. 7. При этом восстановление объекта происходит до начального уровня наработки. Также на графике показан период восстановления асинхронного двигателя (линия 3 на рис. 7), в котором объект выведен из работы и происходит восстановление его показателя надежности. На периодах II и III процессы повторяются.
Рис. 7. Результат работы модели автоматизированной системы управления показателями надежности электропривода конвейера: 1 – наработка до отказа АД; 2 – время восстановления ресурса АД; 3 – момент обозначения периода проведения восстановления АД; 4 – заданный уровень надежности, при достижении которого требуется проводить восстановление ресурса АД
Особенности настройки автоматической системы, приведенной на рис. 6, заключаются в том, чтобы выбрать такой минимальный уровень надежности (линия 4 на рис. 7) и такие значения коэффициентов величин, отражающих стохастические процессы в АС, при которых начало ремонта возможно отложить на некоторое время, не доводя объект до отказа. Анализируя графики, приведенные на рис. 7, можем заключить, что для данного случая это выполняется.
Выводы
На примере керамзитового производства показана возможность применения САУ и диагностики надежности электропривода для реализации прогрессивного способа обеспечения показателей надежности технологического оборудования, которое заключается в обеспечении работы системы ТОиР по фактическому состоянию. Также показана методика составления общей модели надежности оборудования из типовых элементов прогнозирования надежности элементов. Показана структура САУ диагностики надежности электроприводов и выполнено вычислительное моделирование работы такой системы на примере электродвигателя конвейера. Результатом явился график изменения времени наработки до отказа при длительности моделирования 450·106 с, при этом САУ обеспечила вывод в ремонт оборудования три раза, не снизив остаточное время наработки до отказа ниже 0,28·107 с.
Об авторах
Елизавета Александровна Чунихина
Самарский государственный технический университет
Автор, ответственный за переписку.
Email: karno1753@yandex.ru
аспирант кафедры «Механизация, автоматизация и энергоснабжение строительства»
Россия, 443100, г. Самара, ул. Молодогвардейская, 244Александр Сергеевич Фадеев
Самарский государственный технический университет
Email: fas2204@mail.ru
кандидат технических наук, доцент кафедры «Механизация, автоматизация и энергоснабжение строительства»
Россия, 443100, г. Самара, ул. Молодогвардейская, 244Список литературы
- Галицков К.С., Фадеев А.С. Структурный синтез технологического комплекса глиноподготовки в условиях нестационарности влажности сырья при производстве керамзита // Строительные материалы. 2022. № 5. С. 40-44. doi: 10.31659/0585-430X-2022-802-5-40-44. EDN: RQJKEW.
- Барлоу Р.Э., Прошан Ф. Статистическая теория надежности и испытания на безотказность. Пер. с англ. И.А. Ушакова. М.: Наука, 1984. 327 с.
- Фадеев А.С., Самохвалов О.В. Надежность систем автоматического управления технологическими процессами: учебно-методическое пособие. Самара: СамГТУ, 2022. 75 с.
- Карабан В.И. Диагностика и надёжность автоматизированного технологического оборудования: учебное пособие. Старый Оскол: ТНТ, 2009.
- Самохвалов О.В. Автоматизация технологического процесса обжига при производстве керамзита заданной прочности: дис. … канд. техн. наук: 05.13.06. Самара, 2018. 214 с. EDN: TRARVI.
- Онацкий С.П. Производство керамзита. 3-е изд., перераб. и доп. М.: Стройиздат, 1987. 333 с.
- Персиянов А.Н. Производство и применение керамзита. Куйбышев: Куйбышевское кн. изд-во, 1961. 46 с.
- Белов М.П., Новиков А.Д., Рассудов Л.Н. Автоматизированный электропривод типовых производственных механизмов и технологических комплексов: учебник для вузов. 3-е изд. М.: Академия, 2007. 576 с. EDN: QMJURZ.
- Галицков С.Я., Галицков К.С., Масляницын А.П. Динамика асинхронного двигателя. Самара: СГАСУ, 2004. 97 с. EDN: SZIHFL.
- Галицков К.С., Фадеев А.С., Ильина Е.А. Математическое моделирование изменения показателей надежности элементов электропривода конвейера // Традиции и инновации в строительстве и архитектуре. Строительство и строительные технологии. Сборник статей 80-й Юбилейной всероссийской научно-технической конференции / Под ред. М.В. Шувалова, А.А. Пищулева, А.К. Стрелкова. Самара: СамГТУ, 2023. С. 928–935. EDN: JURJTD.
- Сызранцева К.В., Черная Л.А. Оценка надежности валов по критерию усталостной прочности при случайном режиме нагружения // Известия высших учебных заведений. Машиностроение. 2013. № 5. С. 34–38. EDN: QAKCDX.
- Галицков К.С., Шломов С.В. Идентификация одного класса объектов управления с переменными параметрами // Традиции и инновации в строительстве и архитектуре: материалы 70-й Всерос. науч.-техн. конф. Самара: СГАСУ, 2013. С. 461-463. EDN: TLLICD.
- Ильина Е.А., Ленивцев А.Г. Разработка системы автоматического управления пассажирским лифтом // Механизация и автоматизация строительства: сб. ст. Самара: СамГТУ, 2020. С. 391-395. EDN: AEJBUV.
- Воронов А.А. Теория автоматического управления. Ч. I, II. М.: Высшая школа, 1986.
- Шубин М.В. Автоматическая система упреждения аварий (разрушения огнеупорной футеровки) мощных вращающихся печей: автореф. дис. … канд. техн. наук: 05.11.13. М., 2010. 28 с. EDN: QGZMZP.
Дополнительные файлы










