Повышение эффективности контура регазификации, работающего по двухкаскадному циклу Брайтона, для криогенной системы хранения энергии
- Авторы: Благин Е.В.1, Угланов Д.А.1, Кузнецова Е.П.1, Галкина Н.В.1, Кудинов И.В.2
-
Учреждения:
- Самарский национальный исследовательский университет им. академика С.П. Королёва
- Самарский государственный технический университет
- Выпуск: Том 33, № 2 (2025)
- Страницы: 94-108
- Раздел: Энергетика и электротехника
- URL: https://journals.eco-vector.com/1991-8542/article/view/681976
- DOI: https://doi.org/10.14498/tech.2025.2.6
- EDN: https://elibrary.ru/KUQSAM
- ID: 681976
Цитировать
Полный текст
Аннотация
В настоящее время вопрос компенсации неравномерности нагрузки на энергосети является одним из ключевых направлений развития энергетической отрасли. Одним из решений этой проблемы является применение криогенной системы хранения энергии, которая позволяет хранить энергию в виде сжиженного газа. Основным недостатком такой системы является относительно низкий коэффициент аккумулирования, и в данной работе предлагается повысить его за счет использования двухкаскадного цикла Брайтона в составе контура регазификации. В результате технико-экономического анализа был получен фронт парето-эффективных конфигураций контура, определены рабочие тела для верхнего и нижнего каскадов, найдена рентабельность установок.
Полный текст
Введение
Согласно сценарию развития мировой энергетики до 2050 года (рис. 1), по данным РЭА Минэнерго России [1] современное развитие технологий ведет к постоянному росту потребления энергии. В условиях современного развития энергетики одной из ключевых задач становится обеспечение стабильности энергосистем и энергетических комплексов на основе возобновляемых источников энергии, подверженных колебаниям из-за непостоянства солнечной и ветровой генерации. Традиционные методы хранения энергии, такие как литий-ионные аккумуляторы и гидроаккумулирующие станции, сталкиваются с ограничениями, включая географическую зависимость, дефицит ресурсов и проблемы утилизации. Это стимулирует поиск инновационных решений, способных обеспечить масштабируемость, высокий КПД и экологичность. Одним из перспективных направлений являются криогенные системы хранения энергии (КСХЭ), использующие сжиженные газы (например, воздух или азот) в качестве энергоносителя.
Рис. 1. Динамика конечного потребления электроэнергии
Криогенный энергетический комплекс позволяет получать температуры, которые могут быть недостижимы при использовании традиционных энергетических установок, и таким образом расширить возможности научных исследований и промышленных процессов [2].
Принцип работы КСХЭ основан на запасании энергии посредством сжижения газа при низких температурах (около -196 °C для азота) с последующим восстановлением энергии через регазификацию и расширение рабочего тела в турбине. Однако эффективность таких систем во многом зависит от термодинамического цикла, применяемого на этапе регазификации. В последние годы внимание исследователей привлекло использование цикла Брайтона [3, 4], традиционно применяемого в газотурбинных установках, для повышения эффективности процесса преобразования энергии. В отличие от цикла Ренкина [5, 6], который доминирует в классических КСХЭ, цикл Брайтона позволяет эффективнее использовать тепловую энергию окружающей среды и остаточное тепло, интегрируя компрессоры и турбины в замкнутый контур. Это открывает возможности для повышения КПД системы за счет улучшенного управления фазовыми переходами и минимизации потерь.
Современные достижения в области материаловедения (например, криогенно-стойкие сплавы) и технологий теплообмена способствуют преодолению исторических ограничений КСХЭ, таких как сложности управления экстремальными температурами и высокая стоимость инфраструктуры. Внедрение цикла Брайтона в контуры регазификации не только повышает энергоэффективность, но и расширяет потенциал интеграции КСХЭ в гибридные энергосистемы, включая комбинацию с ВИЭ и промышленными объектами, выделяющими низкопотенциальную энергию (например, теплота вторичных источников энергии).
В данной статье анализируются конструктивные особенности криогенных систем хранения энергии с регазификацией на основе цикла Брайтона, оценивается их термодинамическая эффективность и практическая применимость. Рассматриваются ключевые аспекты проектирования, в частности тепловых потоков, управления фазовыми переходами и адаптации компонентов цикла Брайтона к криогенным условиям. Особое внимание уделено потенциалу таких систем в контексте декарбонизации энергетики и их роли в обеспечении гибкости современных интеллектуальных энергосистем. Результаты исследования демонстрируют, что интеграция цикла Брайтона в КСХЭ может стать значимым шагом в развитии устойчивых и экономически viable технологий хранения энергии.
Существует объективная потребность реализации идеи использования низкопотенциального тепла криогенных продуктов и установок, основанных на утилизации части ранее затраченной на ожижение газа энергии. Благодаря криогенным температурам воздуха в сжиженном состоянии цикл получения электроэнергии может осуществляться за счет широко доступных источников теплоты при температуре окружающей среды и выше. Это не только устраняет необходимость в сжигании углеводородного топлива, связанном с образованием выбросов вредных веществ, но также позволяет рекуперировать теплоту низкотемпературных потоков, например отводимого тепла.
Криогенные системы аккумулирования энергии на воздухе в сжиженном состоянии могут быть использованы с любыми гибридными энергетическими установками: солнечными, ветровыми, геотермальными, биогазовыми – для балансировки энергосистемы и сокращения выбросов вредных веществ. Кроме того, они могут быть интегрированы в существующие промышленные газовые энергоустановки.
Криогенный аккумулятор представляет собой систему накопления энергии, которая состоит из ожижителя газа, емкости для хранения криопродукта и контура регазификации. Впервые концепция использования емкости с криогенной заправкой [7] была предложена в [8]. Рабочий процесс криогенной системы аккумулирования энергии сжатия воздуха в компрессоре состоит из трех основных циклов: цикла зарядки, цикла накопления и цикла разрядки.
Производство электроэнергии является традиционным и эффективным методом использования холодной энергии.
Выбор правильного цикла для более эффективного использования энергии связан с качеством источника тепла цикла. Исследования показали, что цикл Ренкина наиболее подходит при низком качестве источника, в то время как цикл Брайтона подходит при утилизации среднего или высококачественного источника тепла [9].
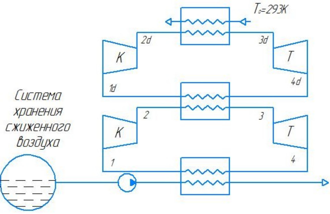
Схема системы регазификации, работающей по двухкаскадному циклу Брайтона
На рис. 2 представлена схема системы регазификации, рабочим веществом которой является сжатый воздух в компрессоре. Принцип работы данной силовой установки аналогичен принципу работы установки, работающей по закрытому циклу Брайтона. Различия заключаются в том, что тепло к рабочему телу, которое охлаждается сжатием воздуха в компрессоре, подводится не из окружающей среды, а от другого рабочего тела, которое, в свою очередь, осуществляет закрытый цикл Брайтона и уже к которому подводится тепло от окружающей среды.
Рис. 2. Схема системы регазификации, работающей по каскадному циклу Брайтона
Криогенная силовая установка (рис. 3) совершает работу по каскадному циклу, нижний каскад и верхний каскады которого осуществляют закрытый цикл Брайтона. Применение каскадной схемы позволяет реализовывать большую часть процессов в двухфазной области рабочих тел, что, в свою очередь, позволяет уменьшить потери необратимости и повысить энергетическую эффективность установок.
Рис. 3. Изображение процессов смешанного каскадного цикла Ренкина – Брайтона на Т-S диаграмме
Процессы закрытого цикла Брайтона:
- адиабатный процесс (1–2) показывает процесс сжатия воздуха в компрессоре;
- участок (2–3) соответствует изобарному процессу подвода тепловой энергии в теплообменном аппарате;
- адиабатный процесс (3–4) соответствует расширению газа в турбине;
- изобарный процесс (4–1) соответствует процессу отвода теплоты и конденсации рабочего тела.
Аналогичные процессы происходят во втором каскаде:
- адиабатный процесс (1d–2d) показывает процесс сжатия воздуха в компрессоре;
- участок (2d–3d) соответствует изобарному процессу подвода тепловой энергии в теплообменном аппарате;
- адиабатный процесс (3d–4d) соответствует расширению газа в турбине;
- изобарный процесс (4d–1d) соответствует процессу отвода теплоты и конденсации рабочего тела.
Исходные данные и алгоритм расчета параметров рабочего процесса
Исходные данные для термодинамического расчета представлены в таблице.
Исходные данные
Рабочее вещество | , кг/с | , К | , К | , К | |||||
Воздух | 1 | 77 | 293 | 0,92 | 0,89 | 1…10 | 1…50 | 1 | 150…200 |
Расчет нижнего каскада. Температура в точке 1 находится по сумме параметров температуры кипения жидкого азота и минимального установленного температурного напора :
К.
Давление в точке 1 определяется из следующих соображений.
С помощью справочных данных находятся термодинамические параметры, используемые для расчета цикла Брайтона: энтальпия в точке 1 , энтропия , плотность .
Давление в точке 2:
.
Энтропия в точке 2 равна энтропии в точке 1: .
Энтальпию в точке 2s найдем по значению энтропии и :
.
Данное значение энтальпии соответствует идеальному (изоэнтропному) процессу сжатия. В действительности процесс проходит с небольшим увеличением энтропии, которое характеризуется относительным КПД компрессора:
.
Итоговую температуру в точке 2 можно определить по давлению и энтальпии .
Давление в точке 3 будет равно давлению в точке 2, а давление в точке 4 будет равно давлению в точке 1, так как все они находятся на соответствующих линиях изобарного процесса:
, .
Температуру найдем по справочным данным, воспользуясь найденными ранее параметрами энтальпии и давления .
Аналогичным образом будут найдены энтальпия в точке 3 и энтропия по известным параметрам температуры и давления .
Работа турбины в идеальном случае осуществляется по изоэнтропийному процессу, тогда .
Энтальпию в точке 4 найдем по значению энтропии и :
.
Энтальпия с учетом влияния коэффициента полезного действия турбины будет найдена по следующей формуле:
.
Температура в точке 4 с учетом влияния неидеального процесса расширения в турбине будет найдена по найденным ранее параметрам давления и энтальпии.
Расчет верхнего каскада. Температуру в точке , соответствующей максимальному нагреву газа, найдем как разность между температурой окружающей среды и минимальным установленным температурным напором :
K.
Определение температуры в точке находится по сумме параметров температуры кипения рабочего тела нижнего каскада и минимального установленного температурного напора :
.
Давление в точке принимаем равным 100 000 Па.
Давление в точке 2:
.
Энтропия в точке 2 равна энтропии в точке 1: .
Энтальпию в точке 2s найдем по значению энтропии и :
.
Данное значение энтальпии соответствует идеальному (изоэнтропному) процессу сжатия. В действительности процесс проходит с небольшим увеличением энтропии, которое характеризуется относительным КПД компрессора:
Итоговую температуру в точке 2 можно определить по давлению и энтальпии .
Давление в точке будет равно давлению в точке , а давление в точке будет равно давлению в точке , так как все они находятся на соответствующих линиях изобарного процесса:
; .
Температуру найдем по справочным данным, воспользуясь найденными ранее параметрами энтальпии и давления . Аналогичным образом будут найдены энтальпия в точке и энтропия по известным параметрам температуры и давления .
Работа турбины в идеальном случае осуществляется по изоэнтропийному процессу, тогда .
Энтальпия с учетом влияния коэффициента полезного действия турбины будет найдена по следующей формуле:
.
Температура в точке с учетом влияния неидеального процесса расширения в турбине будет найдена по найденным ранее параметрам давления и энтальпии.
Расход рабочего тела верхнего каскада можно найти из уравнения массового баланса испарителя-конденсатора:
.
Мощность турбины и насоса будут найдены по следующим формулам:
;
;
;
.
Мощность цикла определим как разницу между работой, вырабатываемой турбиной и потребляемой насосом:
.
Технико-экономическое обоснование выбора схемы оценки стоимости компонентов энергетической установки
Рассмотрим теплообменник, в котором происходит подвод тепла к рабочему телу нижнего каскада от рабочего тела верхнего каскада.
Теплота, подводимая на участке (2 – 3), соответствует нагреву рабочего тела:
.
На следующем этапе расчета требуется определить коэффициенты теплопередачи в теплообменном аппарате. В данном расчете не рассчитываются непосредственно теплообменные аппараты, используемые в криогенной силовой установке. Коэффициент теплопередачи для жидкости находится в диапазоне значений 500…4500 , в данном расчете для жидкости условно примем его равным 1000 , для воздушной среды он находится в диапазоне 50…270 , условно примем его равным 200 .
Участок нагрева газа (2–3):
.
Среднетемпературный напор по участкам найден по следующим формулам:
.
Необходимая площадь наружной поверхности теплообмена на участках определяется по формуле
.
Рассмотрим участок (4–1), отвод теплоты в теплообменном аппарате от газообразного воздуха с последующим его ожижением.
Формулы расчета параметров теплоты, теплопередачи, среднетемпературного логарифмического напора и площади теплообмена для охладителя рабочего тела аналогичны формулам расчета процесса (2–3):
.
Участок охлаждения газа до начальной температуры (4 –1):
.
Среднетемпературный напор:
.
Площадь теплообмена найдем по формуле
.
Рассмотрим участок теплообменика, в котором к рабочему телу верхнего каскада подводится тепло от окружающего воздуха.
Теплота, подводимая на участке (2d–3d), будет равна
.
На следующем этапе расчета требуется определить коэффициенты теплопередачи в теплообменном аппарате. В данном расчете не рассчитываются непосредственно теплообменные аппараты, используемые в криогенной силовой установке. Коэффициент теплопередачи для жидкости находится в диапазоне значений 500…4500 , в данном расчете для жидкости условно примем его равным 1000 , для воздушной среды он находится в диапазоне 50…270 , условно примем его равным 200 .
Участок нагрева газа (2–3):
.
Среднетемпературный напор по участкам найден по следующим формулам:
.
Необходимая площадь наружной поверхности теплообмена на участках определяется по формуле
.
Зависимость стоимости оборудования от расчетных значений определена по модели Ozen, предложенной в [10].
Стоимость «горячего» и «холодного» теплообменных аппаратов:
;
;
.
Стоимость насоса и турбины будут определены по формулам ниже:
;
;
;
.
Общая стоимость криогенной установки:
.
Термический КПД двухкаскадного цикла Ренкина:
.
Из рис. 4 видно, что установка с наименьшей стоимостью (порядка 650 тыс. ) вырабатывает около 80 кВт, а наиболее рентабельной установкой является установка стоимостью порядка 1000 тыс. и вырабатывающая мощность около 140 кВт.
Рис. 4. Распределение совокупности полученных значений мощности и стоимости в результате расчета в программно-аналитическом комплексе и распределение данных значений по эффективности Парето для двойного цикла Брайтона
Анализ популяции фронта Парето. При анализе популяции фронта Парето особый интерес представляет тип рабочего тела, которое циркулирует в парето-эффективных конфигурациях контура.
Фронт Парето с указанием рабочих тел нижнего и верхнего каскадов представлен на рис. 5, 6.
Рис. 5. Фронт Парето с указанием рабочих тел нижнего каскада
Рис. 6. Фронт Парето с указанием рабочих тел верхнего каскада
Из анализа рис. 5 и 6 можно сделать вывод, что подавляющее большинство парето-эффективных установок используют в качестве рабочего тела как верхнего, так и нижнего каскадов азот или неон при небольшом присутствии установок, работающих на водороде и гелии. Анализ общего количества установок представлен на рис. 7 и 8.
Рис. 7. Соотношение парето-эффективных конфигураций по рабочим телам нижнего каскада
Рис. 8. Соотношение парето-эффективных конфигураций по рабочим телам верхнего каскада
Из диаграммы видно, что наиболее часто представленным рабочим телом верхнего и нижнего каскада является азот.
Как было указано выше, величина срока окупаемости будет пропорциональна отношению стоимости установки к ее мощности. Аналогичным образом можно оценить рентабельность установки, которая, в свою очередь, будет пропорциональна отношению мощности к стоимости. В таком случае установка, у которой это отношение будет максимальным, и будет наиболее рентабельной. Анализ рентабельности установок по данному отношению представлен на рис. 9–10.
Рис. 9. Рентабельность установок в зависимости от типа рабочего тела нижнего каскада
Рис. 10. Рентабельность установок в зависимости от типа рабочего тела верхнего каскада
Результаты анализа
Анализ рентабельности показывает, что наиболее эффективными установками являются установки, работающие на азоте R728 и неоне R720 в качестве рабочего тела нижнего каскада и азоте (R728) в качестве рабочего тела верхнего каскада. При этом конфигурацией с наибольшей рентабельностью является конфигурация, использующая в качестве рабочего тела нижнего каскада азот с повышением давления в компрессоре в 2 раза, использующая в качестве рабочего тела верхнего каскада водород (R702) с повышением давления в компрессоре в 4 раза с минимальным температурным напором в теплообменниках 1 К и с температурой нижнего каскада, равной 190 К.
Заключение
В результате исследования был проведен расчет повышения эффективности установки, работающей по двухкаскадному циклу Брайтона.
На основании полученных данных был построен фронт Парето, отображающий распределение совокупности полученных значений по параметрам мощности и стоимости.
При проведении анализа было выявлено, что наиболее эффективными будут являться установки, работающие на азоте R728 и неоне R720 в качестве рабочего тела нижнего каскада и азоте (R728) в качестве рабочего тела верхнего каскада.
Об авторах
Евгений Валерьевич Благин
Самарский национальный исследовательский университет им. академика С.П. Королёва
Автор, ответственный за переписку.
Email: blagin.ev@ssau.ru
кандидат технических наук, доцент кафедры теплотехники и тепловых двигателей
Россия, 443086, Самара, Московское шоссе, 244Дмитрий Александрович Угланов
Самарский национальный исследовательский университет им. академика С.П. Королёва
Email: uglanov.da@ssau.ru
доктор технических наук, профессор кафедры теплотехники и тепловых двигателей
Россия, 443086, Самара, Московское шоссе, 244Елизавета Павловна Кузнецова
Самарский национальный исследовательский университет им. академика С.П. Королёва
Email: Lange.elizaveta@yandex.ru
студент
Россия, 443086, Самара, Московское шоссе, 244Наталья Викторовна Галкина
Самарский национальный исследовательский университет им. академика С.П. Королёва
Email: galkina.nv@ssau.ru
старший преподаватель кафедры инженерной графики
Россия, 443086, Самара, Московское шоссе, 244Игорь Васильевич Кудинов
Самарский государственный технический университет
Email: igor-kudinov@bk.ru
доктор технических наук, профессор, заведующий кафедрой физики
Россия, 443100, Самара, ул. Молодогвардейская, 244Список литературы
- РЭА Минэнерго России. Сценарии развития мировой энергетики до 2050 года. М., 2024. С. 17.
- Zhang L. Effectiveness-NTU Methods for Heat and Mass Transfer Processes // Conjugate Heat and Mass Transfer in Heat Mass Exchanger Ducts. 2013. P. 309–334. doi: 10.1016/B978-0-12-407782-9.00011-3.
- Ireneusz S. Thermodynamical analysis of a mirror gas turbine cycle for LNG cryogenic exergy recovery // Energy. 2025. V. 324. P. 135718. doi: 10.1016/j.energy.2025.135718.
- Mohamed S. Assessment of a sustainable multigeneration system integrating supercritical CO₂ Brayton cycle and LNG regasification: Thermodynamic and exergoeconomic evaluation // Case Studies in Thermal Engineering. 2024. V. 56. P. 104205. doi: 10.1016/j.csite.2024.104205. EDN: YYSNKB.
- Bhalchandra S. Enhancing energy efficiency: Design and simulation of air fractionation unit integrated through LNG cold energy and two-stage organic Rankine cycles // The Canadian Journal of Chemical Engineering. 2025. V. 103. P. 2018–2038. doi: 10.1002/cjce.25482. EDN: YDJORT.
- Roberto B. A novel system based on a series of ORCs to recover cryogenic energy from the LNG regasification process for power and freshwater production // Journal of Cleaner Production. 2024. V. 469. P. 143172. doi: 10.1016/j.jclepro.2024.143172. EDN: QHPDEN.
- Довгялло А.И., Лукачев С.В., Романов И.Г., Россеев Н.И., Цыбизов Ю.И. Топливный баллон: пат. 2163699 Рос. Федерация: МПК F17C9/02. № 99114577/06; заявл. 02.07.1999; опубл. 27.02.2001. 7 с.
- Довгялло А.И., Угланов Д.А., Цапкова А.Б., Шиманов А.А. Низкотемпературная энергетическая установка на основе емкости с криогенной заправкой // Наука и образование: научное издание МГТУ им. Н.Э. Баумана. 2014. № 6. С. 354–363. doi: 10.7463/0614.0716978. EDN: STARGJ.
- Угланов Д.А., Филинова А.С. Выбор оптимального способа накопления и хранения электроэнергии // Проблемы и перспективы развития двигателестроения: сб. докл. Междунар. науч.-техн. конф. В 2 т. Самара, 23–25 июня 2021 г. Т. 2. Самара: Самарский университет, 2021. С. 223–224. EDN: QNDQYK.
- Özen D., Koçak B. Advanced exergy and exergo-economic analyses of a novel combined power system using the cold energy of liquefied natural gas // Energy. 2022. V. 248. P. 123531. doi: 10.1016/j.energy.2022.123531. EDN: JRPROO.
Дополнительные файлы













