Analysis of existing types of protection against single-phase earth faults and their application conditions
- Authors: Andreev A.A.1
-
Affiliations:
- Togliatti State University
- Issue: Vol 29, No 4 (2021)
- Pages: 56-70
- Section: Electrical Engineering
- URL: https://journals.eco-vector.com/1991-8542/article/view/72147
- DOI: https://doi.org/10.14498/tech.2021.4.5
- ID: 72147
Cite item
Full Text
Abstract
Currently, the problem of determining a single-phase earth fault in networks with isolated and compensated neutral mode is still relevant. According to the existing data, according to the time of elimination of these technological violations, the conclusion arises, according to which the effectiveness of existing protections is called into question. This issue is particularly acute for electric grid companies that serve urban electric networks, since the mass of lines laid next to each other and the heterogeneous nature of the load makes the network mode not suitable for the use of modern protections. Therefore, as a definition of damage, the method of sequential disconnection and the method of dividing the network into sections, which were used half a century ago, are used. Therefore, the analysis of the existing earth fault protection will help to identify the existing problem more clearly, as well as set the direction for further scientific research in this area. The methodological basis, in this article, is the analysis. The information for this method is taken from the theoretical and empirical information of previously published works. In particular, the existing types of protection against single-phase earth faults are considered. Their analysis and conditions of applicability for the electric economy of urban electric networks are made. In the course of the analysis, it was found that the existing protection against single-phase earth faults can reduce the search range of OZZ, but, so far, they can not provide absolute selectivity for the conditions of urban electrical networks made by cable lines. Since such electrical networks are typical for densely populated areas, the above problem is relevant and requires a quick solution.
Full Text
Introduction and literary review
The operation of electrical equipment can be accompanied and is accompanied by emergency shutdowns resulting from technological failures and planned shutdowns resulting from ongoing repairs. According to statistical data on the damage to electrical equipment, the most vulnerable element of the network is cable lines [1, 2]. The causes of damage to this network element are aging insulation, electrical and mechanical corrosion, factory defects, the human factor during excavation, cable overload. Based on long-term observations of the damage of medium-voltage cable networks, given by the author [3], it is known that damage occurs with some cyclicity. This is due to seasonal fluctuations in natural conditions. Thus, consumers of urban electric networks are most vulnerable to such power supply interruptions, since their main performance is cable. This is confirmed based on statistical data on the damage to the main elements of the power grid (table 1)
Table 1
Statistical data on the damage of elements of the city power grid
According to the data presented [3], the damage to cable lines increases and increases due to single-phase earth faults. Therefore, according to existing factors, the number of outages in urban electric networks depends on the branching of the networks, the nature of the load, as well as the selectivity of relay protections against ground fault.
In medium-voltage distribution networks, the neutral of the transformer is isolated from the ground, or grounded through special arc-extinguishing devices. According to the well-known generally accepted provisions, the isolated (compensated) neutral mode has an undeniable advantage – there is no short-circuited circuit through the ground and the neutral of the EMF source, with single-phase short circuits. Therefore, a small earth fault current allows the network to continue operating without disconnecting consumers. These consequences not only indirectly increase the reliability of power supply to consumers, reducing the interruption of power consumption during single-phase earth faults (OZZ), but also thereby increase the resource of power switches and reduce the requirements for grounding devices [4]. However, the operation mode of the network with an isolated neutral has a number of disadvantages: increased requirements for interfacial isolation, ferroresonance phenomena, arc overvoltages and the complexity of constructing selective protections. The predominance of disadvantages over the advantages of this neutral mode is noted by many authors [5-8]. These disadvantages arise from the possibility of the network operating in the OZZ mode, since their physical characteristics are random. The transients that occur during the OPC depend both on the location of the circuit and on the duration of arc burning [9].Gorenje, the arc is not a single one. Therefore, in some cases, the most common solution to the problem is to compensate for the capacitive earth fault current using an arc-extinguishing reactor (DGR). The use of DGR allows you to limit the emerging overvoltages on the undamaged phases of the network and eliminate voltage surges after the arc is extinguished. With automated adjustment of the inductance and the absence of asymmetry in the neutral, the probability of overvoltage is several times less than in networks with isolated [4]. But, despite this, the problem of determining outgoing connections with the OPZ remains.
Based on the experience of operation, as well as the study of theoretical information about the existing types of protections, the assumption is strengthened that, at the moment, there are no protections against OPZ that have proper selectivity. The works of many authors describe the possibilities and prospects for the use of resistive neutral grounding [10-12], the use of which will increase the selectivity of protections and, subsequently, automate the process of searching for a damaged connection. But the advantages of this mode are contrasted with an increase in the OZZ current and thereby electrical safety [13, 14]. In general, the issue of the use of resistive and combined neutral grounding is poorly developed and there are no official documents, and the All-Russian standard regulating the use of this grounding. Therefore, the problem of increasing selectivity is recognized, but it is solved by introducing and combining several types of protections. These methods do not solve the formed problem, but only smooth out its consequences.
Materials and methods
Urban electricity supply is a system of interconnected elements of generation, transmission, conversion and consumption of electric energy. As is known, any distribution network is characterized by its mass character and branching. These features are characteristic of urban electric networks. They also include the division of networks by affiliation to the organizations served, the predominance or complete implementation of networks by cable lines, different methods of laying cable lines, and so on [15]. These properties can negatively affect the operation and maintenance of these networks, especially when factors such as technological equipment failures and emergency situations are superimposed [16].
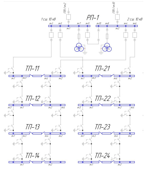
In the distribution schemes of urban electricity supply, the power supply centers are most often district step-down substations that receive electricity directly from the power plant (Fig. 1).
Fig. 1. Simplified scheme of the district step-down substation
As can be seen in Figure 1, the power transformers (C1T, C2T) are made with a split low-voltage winding. This type of transformer is typical for urban electric networks, since it is necessary to limit short-circuit currents. Also, the advantage of schemes with several bus systems is greater maneuverability, which is important for medium-voltage distribution networks. After the voltage is transformed, the electricity is distributed over four sections of the tires. Each section of the tires corresponds to its own distribution points (RP), which receive power through two inputs. This scheme is given in a simplified form, in order to limit its clutter with other elements of the power grid, as well as to focus on the configuration of such schemes.
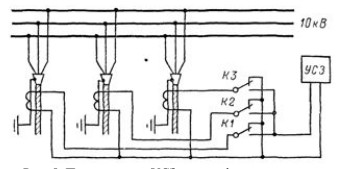
Further, the chains of transformer substations are powered from the RP. This level of power supply is also shown in the corresponding simplified form (Fig. 2).
Fig. 2. Simplified RP scheme with TP chains
The configuration of this network is made according to a two-beam trunk scheme, which provides independent power supply to consumers via two bus sections. This structure is typical for consumers of the first and second categories. Thus, TP is powered from each RP, according to the corresponding sections of tires. In turn, these two-transformer TP carry out voltage transformation up to 0.4 kV and distribution of electricity between consumers. In these schemes, the electrical parameters are designed with the condition that there is a possibility of parallel operation of transformers both at the district step-down substation and at each TP. All power transmission lines, according to the conditions of reliability and aesthetics of megacities, are made with cable lines. In case of power loss on one of the sections, it is possible to transfer the load from one section of the tires to another.
Also, the structure of the distribution network can be of a ring configuration. In this case, a chain of sequentially connected TP is powered from one section of the distribution point tires and the second end is connected to the other section of the RP tires. In normal mode, the ring has a gap on any TP in the chain. This gap is necessary to ensure the selectivity of the protections and for the separate operation of each part of the circuit. This scheme is used for consumers of the third category. Therefore, the main two-beam configuration has priority when choosing a scheme in the projected urban power supply systems.
As it was noted earlier, the most common mode of operation of the neutral in urban electric distribution networks is the compensated neutral mode. This type of grounding allows you to continue the operation of the network in the single-phase earth fault mode, without disconnecting consumers. The operation of compensation devices provides operational personnel with more time to search and locate a single-phase earth fault. However, the determination of the damaged cable section can not always be selectively carried out by existing protections against OPZ, therefore, methods of sequential disconnection of consumers are used. Thus, in such cases, the whole point of continuous operation of the network in the single-phase earth fault mode is lost. Therefore, the object of the study is the existing protection against OPZ in the conditions of urban distribution cable networks operating in the compensated neutral mode.
The analysis in combination with the study and generalization of relevant information is chosen as a method of studying the described issue. The use of this methodological framework is most appropriate for considering the positive and negative aspects of existing protections against OZZ and for their subsequent assessment in specific conditions. The research uses information from the theoretical and empirical information of previously published works.
About the authors
Anton A. Andreev
Togliatti State University
Author for correspondence.
Email: bikurina@yandex.ru
Postgraduate Student
Russian Federation, 14, Belorusskaya st., Tolyatti, 445020References
- Kashevarov S.G. Damage to power transmission lines and review of new technical and organizational solutions for their limitation // The current state and prospects for the development of technical sciences: A collection of articles of the International Scientific and Practical Conference. Ufa: RIO MTII Omega Sciences, 2015. p. 58
- Shalin A.I. Earth closures in 6–35 kV networks. Advantages and disadvantages of various protections // News of Electrical Engineering. 2005. № 3 (33).
- Nevretdinov Yu.M., Fasti G.P., Danilin A.N., et al. Studies of the danger of single-phase short circuits in the 35 kV network of the Murmansk region // Proceedings of the Kola Scientific Center of the Russian Academy of Sciences. Power engineering. 2016. Issue 12. p. 7–15.
- Shalin A.I., Tselebrovsky Yu.V., Shcheglov A.M. Features of resistive grounding in urban networks of 10 kV // Limiting overvoltage and modes of grounding neutral networks of 6–35 kV: Proceedings of the Second All-Russian Scientific and Technical Conference. Novosibirsk, 2002. p. 63–68.
- Obabkov V.K. Multicriteriality of the indicator of the efficiency of the functioning of networks of 6–35 kV and the problem of optimizing the modes of neutral grounding // Modes of neutral grounding of 3–6–10–35 kV networks: Reports of the scientific and technical conference. Novosibirsk, 2000. pp. 33–41.
- Zhang H.A. Segmented Network Method Based Faulted Line Selection Strategy for Single-Phase Earth Fault in Small Current Grounding Distribution Network. 2017 International Conference on Computer Systems, Electronics and Control (ICCSEC), Dalian, 2017, pp. 1582–1588.
- Burkhardt E., Hilbrich D., Offermann N., et al. The Short-term Isolated Star Point Grounding to Detect Earth Faults in Compensated Networks. The Concept. 2020. 55th International Universities Power Engineering Conference (UPEC), Torino, Italy, 2020, pp. 1–5.
- Nazarychev A.N., Titenkov S.S., Pugachev A.A. Complex innovative solutions for neutral grounding in networks of 6–35 kV // Electric Power. Transmission and distribution. 2016. No. 3(36). pp. 40–46.
- Filippov S.P., Dilman M.D., Ilyushin P.V. Distributed Generation of Electricity and Sustainable Regional Growth // Thermal Engineering. 2019. V. 66 (12), pp. 869–880.
- Abdullin L.I., Vagapov G.V., Chernova N.V., et al. Effect of parallel feeders on the resonant frequencies of the overhead line during a single-phase ground fault // News of higher educational institutions. Energy problems. 2018. Vol. 20. no. 1–2. pp. 54–61.
- Kulikova N.A., Titorenko O.M., Tyapkina V.A. Resistive neutral grounding – a method for improving the reliability of electrical networks of 6–35 kV // Power plants and Technologies. 2018. vol. 4. No. 2.
- Ryzhkova E.N., Kudrin B.I., Fomin M.A. Economic efficiency of transferring 6–35 kV power supply networks to the controlled resistive grounding mode. Bulletin of the MEI. No. 3. 2013.
- Tselebrovsky Yu.V. Normative support of the neutral mode in electric networks // Modes of grounding of the neutral of networks 3–6–10–35 kV: Reports of the scientific and technical conference. Novosibirsk, 2000. p. 3–6.
- Borukhman V.A. On the operation of selective earth fault protection in 6–10 kV networks and measures for their improvement // Energetik. 2000. No. 1. pp. 20–22.
- Fedotov A.I., Vagapov G.V., Abdullazyanov A.F., Sharipov A.M. Digital system for monitoring damage on power transmission lines // Izvestiya vysshikh uchebnykh zavedeniy. Energy problems. 2021. No. 23(1). Р. 146–155.
- Myshkina L.S. Malaya generatsiya – a means of increasing the survivability of the energy system. Izvestiya vysshnykh uchebnykh zavedeniy. Energy problems. 2017. Vol. 19, no. 1–2. p. 23–30.
- Bouziane B., Elmaouhab A., et al. Smart Grid Reliability Using Reliable Block Diagram Case Study: Adrar’s Isolated Network of Algeria // 2019 International Conference on Power Generation Systems and Renewable Energy Technologies (PGSRET): proc. Istanbul, Turkey 26–27 august 2019. IEEE, 2019. https://doi.org/10.1109/PGSRET.2019.8882711.
- Guillen D., Olivares-Galvan J.C., Escarela-Perez R. at al. Diagnosis of interturn faults of single-distribution transformers under controlled conditions during energization // Measurement. 2019. V. 141. pp. 24–36.
- Mejia-Barron A., Valtierra-Rodriguez M., Granados-Lieberman D. at al. The application of EMD-based methods for diagnosis of winding faults in a transformer using transient and steady state currents // Measurement. 2018. V. 117. pp. 371–379.
- Manilov A.M. A method for ensuring the sensitivity of protections against single-phase earth faults in a 6–10 kV network // Energoexpert. 2011. No. 4.
- Shalin A.I. Earth closures in 6–35 kV networks. Cases of incorrect actions of protection // News of Electrical Engineering. 2005. № 2 (32).
- Titenkov S.S., Pugachev A.A. Neutral grounding modes in 6–35 kV networks and the organization of relay protection against single-phase earth faults // Energoexpert. 2010. No. 2.
- Zakaryukin V.P., Kryukov A.V., Alekseenko E.A. Analysis of the applicability of simplified models of the external network for determining short-circuit currents in traction power supply systems of railways. Energy problems. 2017. No. 19 (11–12). Р. 12–20.
- Lykin A.V., Utkin E.A. Distribution electric networks of 10/0. 4 kV with the maximum approximation of transformer substations to consumers // News of higher educational institutions. Energy problems. 2019. No. 21(3). Р. 46–54.
- Powering. Reliable. Future. Yesterday, today and tomorrow. RWE Annual Report (2017). Essen, Germany: RWE Aktiengesellschaft.
- Minullin R.G., Piskovatskiy Y.V., Kasimov V.A. Model and Experimental Detection of Single Phase-to-Earth Faults of Overhead Conductors in 6–10 Kv Distribution Circuits by a Location Method. 2020 International Ural Conference on Electrical Power Engineering (UralCon), Chelyabinsk, Russia, 2020, pp. 411–415.
- Goryunov V.A. Single-phase earth fault. Is it possible to solve the problem? // Electrical Engineering News. 2017. No. 2 (104).
Supplementary files








