Коррекция статической характеристики частотного преобразователя для уменьшения амплитуд резонансных колебаний вибростола
- Авторы: Ведерников А.С.1, Дунаев Д.И.2
-
Учреждения:
- Самарский государственный технический университет
- ФГУП «Российский федеральный ядерный центр — Всероссийский научно-исследовательский институт экспериментальной физики
- Выпуск: Том 29, № 2 (2021)
- Страницы: 117-128
- Раздел: Электротехника
- URL: https://journals.eco-vector.com/1991-8542/article/view/79134
- DOI: https://doi.org/10.14498/tech.2021.2.8
- ID: 79134
Цитировать
Полный текст
Аннотация
Известно, что вибрационные системы направленных колебаний на базе асинхронных вибродвигателей в настоящее время широко применяются на практике, но при этом имеют существенный недостаток – резкое увеличение амплитуд колебаний при прохождении зоны резонанса в момент разгона и торможения вибродвигателей, что отрицательно сказывается на их работе. В статье рассматривается вибрационный стол с двумя дебалансными асинхронными вибродвигателями. Приведена расчетная схема и уравнения движения такой вибрационной системы. Показано, что вибрационный стол как объект управления представляет колебательное звено с ярко выраженной резонансной частотой. Приведены уравнения движения асинхронных вибродвигателей при скалярном частотном управлении. Разработана структурная схема вибрационного стола с дебалансными возбудителями, моделирование которой позволило определить амплитуды резонансных колебаний. Предложено для уменьшения резонансных амплитуд применить коррекцию статической характеристики частотного преобразователя, связывающей действующее значение выходного напряжения с частотой. Приведены уравнения желаемой статической характеристики инвертора и аналитические зависимости для расчета необходимых коэффициентов для ее реализации. Разработана расчетная модель, позволяющая учитывать влияние скорректированной статической характеристики частотного преобразователя на работу вибрационного стола на этапах разгона и торможения. Приведены результаты компьютерного моделирования, убедительно показывающие, что коррекция статической характеристики инвертора является эффективным средством снижения амплитуд резонансных колебаний. Показано, что современные частотные преобразователи обладают функциональными возможностями, позволяющими легко осуществлять коррекцию зависимости действующего значения выходного напряжения от частоты. Отмечена необходимость подстройки статической характеристики инвертора под конкретный тип испытуемого на вибрационном столе изделия.
Полный текст
Вибрационные стенды находят широкое применение в научных лабораториях, производящих испытания на динамическую прочность изделий радиоэлектроники, точного приборостроения, средств автоматизации, самолетостроения и ракетостроения. Интерес к изучению вибрационных систем и процессов, протекающих в них, прослеживается как у отечественных, так и зарубежных ученых [1–5].
Одним из видов вибрационных испытательных стендов являются вибростолы инерционного действия, в которых для создания вынуждающей силы применяются асинхронные дебалансные вибродвигатели (АДВД), работающие в зарезонансной зоне частотной характеристики стенда [6]. Один из недостатков стендов с АДВД заключается в резком увеличении амплитуд колебаний (в 2–3 раза) в момент прохождения зоны резонанса при разгоне и торможении, что недопустимо с точки зрения нормальной эксплуатации [7]. Большие амплитуды колебаний при резонансе сокращают ресурс вибростенда и могут привести к выходу из строя вибрационной системы.
Проблеме снижения амплитуд колебаний при прохождении зоны резонанса в момент разгона и торможения вибродвигателя посвящено множество работ [8–11]. Результатом таких исследований является использование вибродвигателей с автоматически или вручную регулируемым статическим моментом дебалансов, применение последовательно подключенных конденсаторов к обмоткам статора, использование двигателей со значительным резервом мощности, что обеспечивает форсированный запуск вибродвигателей. Также исследования посвящены и снижению амплитуд колебаний в процессе торможения. При этом используются конденсаторное торможение асинхронного вибродвигателя, торможение конденсаторным противовключением, торможение пульсирующим током [12–15]. Однако каждый из перечисленных способов имеет свой существенный недостаток: например, конденсаторное торможение и запуск весьма ограничено и может не совпадать с зоной резонанса, а резерв мощности ухудшает энергетические показатели (КПД и коэффициент мощности в рабочем режиме) и т. д. Таким образом, применение новых эффективных способов разгона и торможения вибродвигателя с целью сокращения резонансных амплитуд остается актуальным вопросом.
Целью проводимого исследования является уменьшение амплитуд резонансных колебаний вибростола за счет коррекции статической характеристики частотного преобразователя.
Расчетная схема вибрационной системы с АДВД представлена на рис. 1.
Рис. 1. Расчетная схема вибрационной системы
Движение вибрационного стенда с дебалансными возбудителями описывается системой нелинейных дифференциальных уравнений [16]
(1)
где – масса вибростола;
– масса испытуемого изделия;
y – смещение вибростола по оси Y;
– суммарный коэффициент демпфирования колебаний;
– суммарный коэффициент жесткости;
и – проекции центробежных сил дебалансов на ось Y;
и – массы дебалансов, установленных на первом и втором вибродвигателе соответственно;
и – эксцентриситеты дебалансов (расстояния от осей вращения до центров масс дебалансов);
и – скорости вращения дебалансов (вибродвигателей);
+ и – углы поворота дебалансов относительно оси Y.
Главная особенность вибрационного стола как объекта управления заключается в том, что он в соответствии с первым уравнением системы (1) описывается колебательным звеном с ярко выраженной резонансной частотой:
. (2)
Из формулы (2) вытекает, что значение резонансной частоты переменно и будет зависеть как от массы стола , так и массы испытуемого изделия. Как правило, соотношение коэффициента жесткости и масс таково, что резонансная частота лежит внутри рабочего диапазона частот вибростола.
Для того чтобы производить исследование испытуемого изделия на разных частотах, скорость вибродвигателей регулируется с помощью частотного преобразователя со скалярным управлением. Математическая модель каждого асинхронного вибродвигателя, например первого, при скалярном частотном управлении описывается следующей системой нелинейных уравнений [17–19]:
(3)
где и – проекции вектора потокосцепления статора на оси ортогональной системы координат 0xy, вращающейся со скоростью магнитного поля;
и – проекции изображающего вектора напряжения на ту же систему координат;
и – соответствующие проекции вектора потокосцепления ротора;
и – индуктивность и активное сопротивление цепи статора;
и – приведенные индуктивность и активное сопротивление цепи ротора;
– взаимная индуктивность;
– угловая скорость вращения магнитного поля;
– угловая частота вращения ротора первого вибродвигателя;
– приведенный момент инерции ротора этого двигателя;
– число фаз электродвигателя;
– число пар полюсов;
– момент сопротивления на валу электродвигателя;
;
– частота питающего напряжения;
– коэффициент пропорциональности;
– напряжение на нулевой частоте.
Система уравнений (3) составлена в предположении, что в инверторе используется линейный закон регулирования напряжения в функции частоты. Частотный преобразователь производит разгон и торможение вибродвигателей с определенным темпом. Это связано с необходимостью ограничения на определенном уровне пусковых токов и перенапряжения в линии постоянного тока преобразователя.
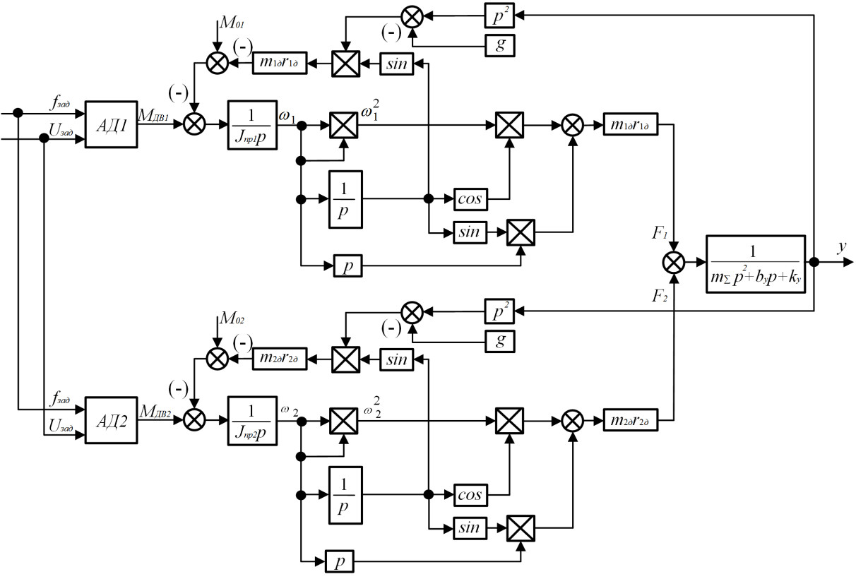
Большой интерес представляет исследование процесса прохождения вибродвигателями резонансной частоты как при пуске, так и при торможении. Поэтому с помощью систем уравнений (1) и (3) разработана структурная схема вибростола с дебалансными вибродвигателями, которая позволяет исследовать работу установки при пуске, вращении с постоянной скоростью и торможении вибродвигателей (рис. 2).
Рис. 2. Структурная схема электромеханической вибрационной системы
Например, вибрационный стенд с массой стола кг, жесткостью опор Н/м и коэффициентом демпфирования Нс/м имеет резонансную частоту рад/с, что соответствует 2,838 Гц. Стол приводится в движение двумя вибродвигателями АД1 и АД2 типа ИВ-105-2,2 со следующими техническими характеристиками: номинальная мощность кВт; номинальное фазное напряжение В; Гц; приведенный момент инерции ротора кгм2; ; ; ; Ом; Гн; Ом; Гн; Гн; кг; м. В соответствии с ГОСТ Р ИСО 10813-1-2011 такой вибрационный стенд должен обеспечивать диапазон частот колебаний стола от 5 до 80 Гц [20]. Поэтому асинхронные двигатели приводятся во вращение с помощью инвертора с линейным законом регулирования напряжения в функции частоты.
Моделирование в программе Matlab Simulink структурной схемы, приведенной на рис. 2, показывает, что на этапе разгона при темпе изменения задающего воздействия 5 Гц/с максимальная амплитуда колебаний при прохождении резонанса составляет мм, что в 2,97 раза превышает установившуюся амплитуду вибраций (рис. 3).
Рис. 3. График колебаний вибрационного стола при прохождении резонансной частоты
При торможении амплитуда колебаний при прохождении резонанса несколько уменьшается и становится равной мм.
Большинство современных частотных преобразователей обладают функцией обхода резонансных частот, и применение ее в вибрационных стендах дает положительный эффект [21]. Однако при этом одновременно сужается диапазон рабочих частот вибрационной машины.
Поэтому для уменьшения амплитуд резонансных колебаний предлагается применить коррекцию статической характеристики частотного преобразователя, а именно зависимости от (рис. 4). В соответствии с формулой (2) резонансу соответствует частота формируемого инвертором напряжения
. (4)
Рис. 4. Предлагаемый график зависимости от для уменьшения амплитуд резонансных колебаний
Задаваясь некоторой величиной , можно сформировать характеристику частотного преобразователя при скалярном управлении асинхронными двигателями , которая определяется следующими аналитическими выражениями:
(5)
где ;
– желаемая величина фазного напряжения на резонансной частоте.
Следует отметить, что на рис. 4 изображен случай, когда . Для рассматриваемого вибрационного стола В/Гц при , поэтому, выбирая, например, Гц, можно рассчитать необходимую величину коэффициента , который будет равен 6,24 В/Гц.
При этом расчетная модель задающего воздействия, формирующего требуемую статическую характеристику частотного преобразователя, принимает вид, приведенный на рис. 5.
Рис. 5. Модель задающего воздействия, формирующего требуемую статическую характеристику частотного преобразователя
Моделирование показывает, что при прохождении резонансной частоты наблюдается изменение напряжения на статорных обмотках вибродвигателей по требуемому закону и значительное уменьшение амплитуды колебаний (рис. 6).
Рис. 6. График колебаний вибрационного стола при прохождении резонансной частоты при Гц
На этапе разгона при темпе изменения задающего воздействия 5 Гц/с максимальная амплитуда колебаний при прохождении резонанса составляет мм, а при торможении – мм.
Очевидно, что на амплитуды резонансных колебаний вибростола будут влиять темп разгона и торможения, величина и масса испытуемого изделия . Результаты компьютерного моделирования показывают зависимость максимальных амплитуд резонансных колебаний вибростола при разгоне и торможении от величины и (см. таблицу).
Зависимость максимальных амплитуд резонансных колебаний вибростола при разгоне и торможении от величины и
, Гц/с | , Гц | мм | , мм |
5 | 1,5 | 5,03 | 3,2 |
2 | 4,85 | 3.49 | |
2,5 | 4,47 | 3,87 | |
10 | 1,5 | 4,23 | 3,7 |
2 | 4,23 | 3,27 | |
2,5 | 4,23 | 2.77 | |
20 | 1,5 | 4,06 | 2,61 |
2 | 4.02 | 2,62 | |
2,5 | 4 | 2,65 |
Следует отметить, что приведенные в таблице данные получены при минимальной массе вибростола, поскольку в этом случае наблюдаются наибольшие амплитуды колебаний.
Анализ результатов компьютерного моделирования позволяет сделать вывод, что предлагаемый способ коррекции статической характеристики частотного преобразователя является эффективным средством уменьшения амплитуд резонансных колебаний вибростола с АДВД. Действительно, если выбрать темп разгона задающего воздействия 10 Гц/с и Гц, то амплитуды резонансных колебаний снижаются в 1,37 раза.
Техническая реализация коррекции зависимости от в соответствии с выражениями (5) легко осуществляется в современных инверторах за счет использования функции свободного программирования этой кривой по точкам, причем достаточно иметь всего три таких точки. Однако из формулы (4) следует, что значение резонансной частоты зависит от массы испытуемого изделия. Поэтому необходимо проводить подстройку зависимости инвертора под фактическое значение резонансной частоты.
Выводы
Анализ полученных результатов позволяет сделать следующие выводы:
- Применение коррекции статической характеристики частотного преобразователя снижает максимальные амплитуды колебаний вибрационного стола, что благоприятно сказывается на работе вибрационной системы в целом.
- Предлагаемая коррекция зависимости выходного напряжения от частоты может быть реализована на любом современном инверторе.
- Необходимо производить настройку статической характеристики частотного преобразователя под конкретный вид испытуемого изделия.
Об авторах
Александр Сергеевич Ведерников
Самарский государственный технический университет
Автор, ответственный за переписку.
Email: vest_teh@samgtu.ru
к.т.н., доцент, декан Электротехнического факультета
Россия, 443100, г. Самара, ул. Молодогвардейская, 244Дмитрий Иванович Дунаев
ФГУП «Российский федеральный ядерный центр — Всероссийский научно-исследовательский институт экспериментальной физики
Email: vest_teh@samgtu.ru
инженер
Россия, 607188, Нижегородская область, г. Саров, пр-т Мира, 37Список литературы
- Быховский И.И. Основы теории вибрационной техники. – М.: Машиностроение, 1968. – 362 с.
- Пановко Г.Я., Шохин А.Е., Еремейкин С.А. Управление резонансным режимом работы вибромашины с приводом от асинхронного электродвигателя // Проблемы машиностроения и надежности машин. – 2015. – № 2. – С. 3–8.
- Еремейкин С.А., Крестниковский К.В., Пановко Я.Г., Шохин А.Е. Экспериментальный анализ работоспособности системы управления колебаниями механической системы с автосинхронизирующимися вибровозбудителями // Журнал машиностроения и надежности. – 2016. – Т. 45, № 6. – С. 553–558.
- Cieplok G. Estimation of the resonance amplitude in machines with inertia vibrator in the coast-down phase. Mechanics & Industry. 2018. Vol. 19, No. 1. P. 9.
- Lanets O.S., Dmytriv V.T., Borovets V.M., Derevenko I.A., Horodetskyy I.M. Analytical Model of the Two-Mass Above Resonance System of the Eccentric-Pendulum Type Vibration Table. International Journal of Applied Mechanics and Engineering. 2020. Vol. 25, No. 4. Pp. 116–129.
- Блехман И.И. Теория вибрационных процессов и устройств. Вибрационная механика и вибрационная техника. – СПб.: Руда и металлы, 2013. – 640 с.
- Гаврилов Е.Н. Динамические процессы зарезонансных вибрационных машин // Вестник Казанского технологического университета. – 2013. – Т. 16, № 12.– С. 87–90.
- Дмитриев В.Н., Горбунов А.А., Гаврилов Е.Н. Исследование пусковых режимов асинхронного дебалансного вибродвигателя в зарезонансную зону // Известия высших учебных заведений. Проблемы энергетики. – 2012. – № 1–2. – С. 128–132.
- Дмитриев В.Н., Горбунов А.А., Гаврилов Е.Н., Хахалева Н.А. Вибрационный электропривод на базе дебалансов с переходным статическим моментом // Вопросы теории и проектирования электрических машин. Моделирование электромеханических процессов: сборник научных трудов. – Ульяновск: УлГТУ, 2010. – С. 130–135.
- Дмитриев В.Н., Лунина Н.А., Дунаев Д.И. Математическое моделирование асинхронного вибрационного электропривода // Труды VIII Международной (XIX Всероссийской) конференции по автоматизированному электроприводу АЭП-2014. – Саранск: Изд-во Мордов. ун-та, 2014. – Т 1. – С. 312–315.
- Петров Л.П. Управление пуском и торможением асинхронных двигателей. – М.: Энергоиздат, 1981. – 184 с.
- Гаврилов Е.Н. Исследование тормозных режимов зарезонансных вибрационных транспортирующих машин // Вестник Казанского технологического университета. – 2013. – Т. 16, № 12. – С. 84–87.
- Кислицин А.Л., Дунаев Д.И., Жирнов С.Н. Исследование конденсаторного противовключения в режиме торможения асинхронного вибродвигателя // Электротехнические системы и комплексы. – 2018. – № 4 (41). – С. 11–16.
- Дмитриев В.Н., Дунаев Д.И., Жирнов С.Н., Лунина Н.А., Бабин А.Н. Тормозные режимы асинхронного двигателя // Сборник материалов 48-й научно-технической конференции «Вузовская наука в современных условиях». – Ульяновск, 2014. – С. 9–12.
- Кашкалов В.И. Кондесанторное торможение асинхронных двигателей. – М.: Энергия, 1977. – 120 с.
- Дубовик Д.В. Обоснование рациональных динамических параметров вибрационных установок с асинхронным электроприводом для работы в зоне резонанса: дис. …канд. техн. наук / Д.В. Дубовик. – СПб.: СПбГЭТУ «ЛЭТИ», 2014. – 176 с.
- Системы управления электроприводом: Учебник для студ. высш. учеб. заведений / В.М. Терехов, О.И. Осипов; под ред. В.М. Терехова. – М.: Академия, 2005. – 304 с.
- Михайлов О.П. Автоматизированный электропривод станков и промышленных роботов. – М.: Машиностроение, 1990. – 302 с.
- Кузнецов В.А., Мигачев А.В., Стариков А.В., Титов А.Р. Особенности математической модели асинхронного электродвигателя аппаратов воздушного охлаждения масла // Вестник Самарского государственного технического университета. Сер. Технические науки. – 2011. – № 3 (31). – С. 171–179.
- ГОСТ 32144-2013. Вибрация. Руководство по выбору вибростендов. Ч. 1. Оборудование для испытаний на воздействие вибрации. – М.: Стандартинформ, 2019. – 35 с.
- Alexander Starikov, Dmitry Dunaev. Research of the Effect of the Inverter Resonance Frequency Skip Function on the Operation of a Vibration Stand in Acceleration and Braking Modes // 2020 International Multi-Conference on Industrial Engineering and Modern Technologies (FarEastCon) IEEE Xplore, 2020. – P. 1–5. doi: 10.1109/FarEastCon50210. 2020.9271223.
Дополнительные файлы









