Синтез финитного регулятора для следящего электропривода с синхронным исполнительным двигателем
- Авторы: Стариков А.В.1, Кирдяшев В.А.1
-
Учреждения:
- Самарский государственный технический университет
- Выпуск: Том 29, № 2 (2021)
- Страницы: 145-157
- Раздел: Электротехника
- URL: https://journals.eco-vector.com/1991-8542/article/view/79222
- DOI: https://doi.org/10.14498/tech.2021.2.10
- ID: 79222
Цитировать
Полный текст
Аннотация
Статья посвящена синтезу финитного регулятора для цифрового следящего электропривода с синхронным исполнительным двигателем, а также определению возможности и сферы его применения. Рассмотрена структурная схема одноконтурного следящего электропривода, содержащая цифровой финитный регулятор, обеспечивающий завершение переходных процессов за строго определенное количество тактов периода дискретизации. Предложен вид дискретной передаточной функции финитного регулятора. Найдена передаточная функция замкнутого электропривода с предложенным типом регулятора. Составлена и решена система уравнений, позволяющая определить параметры настройки финитного регулятора для следящего электропривода с синхронным исполнительным двигателем. Приведены результаты компьютерного моделирования, показывающие, что переходные процессы по управляющему и возмущающему воздействию в следящем электроприводе завершаются за 6 тактов периода дискретизации. Получена формула для расчета выходного сигнала финитного регулятора при цифровой технической реализации на микроконтроллере. Разработана расчетная модель рассматриваемого цифрового электропривода, учитывающая ограничение тока и напряжения в силовом преобразователе. Показано, что при малых периодах дискретизации следящий электропривод с финитным регулятором требует ограничения тока на уровне 16 номинальных значений. При малых значениях ограничения привод становится неустойчивым. Для обеспечения работоспособности электропривода с финитным регулятором предложено увеличить период дискретизации. Показано, что при этом следящий электропривод сохраняет устойчивость во всем диапазоне перемещений даже при ограничениях тока и напряжения на уровне номинальных значений. Результаты моделирования позволили сделать вывод о том, что разрабатываемый электропривод обладает высоким быстродействием, поскольку при отработке управляющего воздействия вход в зону ±1 дискрета от заданного значения составляет 0,022 с. Показано, что отрицательным эффектом от применения финитного управления в следящем электроприводе с синхронным исполнительным двигателем является наличие статической ошибки позиционирования, которая возрастает с увеличением периода дискретизации. Предложено дополнить рассматриваемый электропривод еще одним контуром положения с интегральным регулятором, позволяющим скомпенсировать статическую ошибку позиционирования.
Полный текст
Быстродействие следящего электропривода при отработке управляющих и возмущающих воздействий является одной из важных характеристик следящего электропривода. Повышение быстродействия приводит к увеличению производительности и динамической точности оборудования, в котором применяются такие электроприводы. Поэтому увеличение быстродействия следящих электроприводов является актуальной задачей. Для ее решения применяют различные методы и подходы. Например, для повышения быстродействия следящего электропривода с синхронным исполнительным двигателем, построенного по принципам систем подчиненного регулирования, используют статическую коррекцию характеристик двигателя [1–3]. При этом достижимое быстродействие определяется временем переходного процесса порядка 1 с. Другой подход в повышении быстродействия следящих электроприводов заключается в применении структурного построения многоконтурных систем с одной измеряемой координатой и соответствующей методики синтеза регуляторов, учитывающей дискретный характер передачи управляющих воздействий при цифровой технической реализации [4–12]. В этом случае достигается время переходного процесса, не превышающее 0,07 с. Однако давно известно так называемое финитное управление, позволяющее за определенное количество тактов периода дискретизации перевести объект цифровой системы из одного состояния в другое [13]. Причем следует отметить, что количество тактов определяется только порядком знаменателя дискретной передаточной функции системы. Очевидно, что при малых значениях периода дискретизации финитное управление должно привести к очень высокому быстродействию системы.
Целью исследования является синтез финитного регулятора для цифрового следящего электропривода с синхронным исполнительным двигателем и определение возможности и сферы его применения.
Для решения поставленной задачи прежде всего предположим, что в следящем электроприводе используется только отрицательная обратная связь по перемещению (положению) исполнительного механизма. Тогда линеаризованная структурная схема цифровой системы управления следящим электроприводом будет выглядеть следующим образом (рис. 1).
Рис. 1. Линеаризованная структурная схема цифрового следящего электропривода с синхронным исполнительным двигателем и финитным регулятором
На структурной схеме приняты следующие обозначения: – дискретная передаточная функция регулятора, обеспечивающего финитное управление; – дискретная передаточная функция непрерывной части системы (силового преобразователя, синхронного двигателя и исполнительного механизма) с учетом экстраполятора нулевого порядка; – коэффициент передачи датчика положения; – изображение задающего воздействия; – изображение перемещения ротора; и – изображения сигналов на входе и выходе финитного регулятора; на ; – комплексная переменная; – период дискретизации по времени.
Для синтеза финитного регулятора для рассматриваемого цифрового следящего электропривода необходимо знать дискретную передаточную функцию . Предположим, что силовой преобразователь в рассматриваемом следящем электроприводе будет одновременно выполнять функцию экстраполятора, то есть запоминать на такт периода дискретизации по времени выходной сигнал финитного регулятора . Тогда передаточную функцию непрерывной части цифрового электропривода можно представить следующим образом [14, 15]:
, (1)
где – коэффициент передачи силового преобразователя;
– коэффициент передачи объекта управления (синхронного двигателя совместно с исполнительным механизмом);
и – постоянная времени и коэффициент демпфирования колебательного звена, которым может быть представлена передаточная функция синхронного двигателя.
Непрерывной части, описываемой формулой (1), с учетом экстраполятора нулевого порядка соответствует дискретная передаточная функция [14, 15]
, (2)
где ; ; ;
;
;
; ; .
Дискретную передаточную функцию цифрового регулятора, обеспечивающего финитное управление в рассматриваемом следящем электроприводе, будем искать в виде
. (3)
Для определения неизвестных коэффициентов , , , , , и найдем дискретную передаточную функцию замкнутого следящего электропривода. С учетом формул (2) и (3) и структурной схемы, приведенной на рис. 1, она будет выглядеть следующим образом:
, (4)
где ; ; ; ; ; ; ; ; ; ; .
Финитное управление требует, чтобы знаменатель передаточной функции (4) имел только нулевые корни, то есть необходимо, чтобы
. (5)
Для обеспечения выполнения этого условия приравняем нулю все коэффициенты знаменателя (4) при степенях ниже шестой. В результате получим систему шести уравнений, связывающих между собой параметры регулятора с коэффициентами дискретной передаточной функции объекта управления:
(6)
Система (6) имеет шесть уравнений и семь неизвестных , , , , , и , что дает нам определенную свободу выбора одного из параметров синтезируемого регулятора. Именно поэтому сделан выбор передаточной функции финитного регулятора в виде формулы (3).
Приравняем коэффициент единице, в результате система уравнений (6) примет следующий вид:
(7)
Решение системы уравнений (7) позволяет найти настройки цифрового регулятора, обеспечивающего финитное управление следящим электроприводом с синхронным исполнительным двигателем, причем параметры регулятора могут быть последовательно вычислены по следующим формулам:
(8)
Для проверки адекватности полученных формул (3) – (8) найдем коэффициенты дискретных передаточных функций для конкретного вида следящего электропривода поворотного стола, оснащенного синхронным исполнительным двигателем 1FK7060-5AF71. Математическая модель двигателя может быть описана колебательным звеном с параметрами с и . Исполнительный механизм и двигатель имеют общий коэффициент передачи дискрет/Вс. Для управления скоростью синхронного двигателя используется цифровой силовой преобразователь с коэффициентом передачи В/дискрет. Расчет показывает, что при периоде дискретизации с непрерывный объект с учетом экстраполятора нулевого порядка описывается дискретной передаточной функцией (2) с коэффициентами: ; ; ; ; ; . Отсюда следует, что в соответствии с формулами (8) финитный регулятор должен иметь следующие параметры: ; ; ; ; ; ; . Тогда дискретная передаточная функция (5) замкнутого следящего электропривода с финитным регулятором будет выглядеть следующим образом:
. (9)
Моделирование в программе Matlab Simulink передаточной функции (9) показывает, что в следящем электроприводе с синхронным исполнительным двигателем действительно наблюдается финитное управление (рис. 2). Переходный процесс завершается за 0,012 с, то есть за 6 тактов периода дискретизации. Однако следует обратить внимание на очень большое перерегулирование, которое составляет 366 %. Аналогичный результат получается, если моделировать следящий электропривод в виде композиции дискретного финитного регулятора, экстраполятора нулевого порядка и синхронного двигателя с исполнительным механизмом, охваченных обратной связью по положению (рис. 3).
Рис. 2. Переходный процесс по управляющему воздействию в следящем электроприводе с финитным регулятором, построенный по передаточной функции (9)
Рис. 3. Расчетная модель следящего электропривода в виде композиции дискретного финитного регулятора, экстраполятора нулевого порядка и синхронного двигателя с исполнительным механизмом, охваченных обратной связью по положению
В расчетной модели выделена цепь статора синхронного двигателя, которая представлена апериодическим звеном с постоянной времени 0,0102 с, коэффициент передачи двигателя по моменту, равный 86,413 Нм/АГн, приведенный момент инерции ротора 0,001788 кгм2 и коэффициент передачи исполнительного механизма 326 дискрет/рад. Такая расчетная модель позволяет также построить переходный процесс по отношению к возмущающему воздействию – моменту нагрузки двигателя (рис. 4). Анализ графика показывает, что переходный процесс по возмущению также заканчивается за 6 тактов периода дискретизации, при этом динамический провал составляет порядка 2,7 дискрет датчика положения. Отрицательным результатом следует считать появление статической ошибки позиционирования, равной 1,1 дискрет датчика при набросе момента нагрузки в 1 Нм (21 % от номинального значения).
Рис. 4. Переходный процесс по возмущающему воздействию в следящем электроприводе с финитным регулятором
Техническую реализацию синтезированного финитного регулятора можно осуществить на программируемом микроконтроллере. При этом нужно определить алгоритм работы рассматриваемого регулятора. Для этого прежде всего из формулы (3) найдем уравнение, связывающее выходную переменную с рассогласованием на входе регулятора:
. (10)
Разделив левую и правую часть уравнения (10) на , получим
(11)
С учетом того, что умножению на соответствует смещение решетчатой функции на тактов периода дискретизации, из (11) следует алгоритм функционирования финитного регулятора, обеспечивающего отработку управляющих и возмущающих воздействий в следящем электроприводе за 6 тактов:
(12)
где – текущий такт вычислений.
Выражение (12) позволяет сделать вывод, что выходной сигнал синтезированного финитного регулятора должен вычисляться по формуле
(13)
Анализ (13) показывает, что для технической реализации финитного регулятора для следящего электропривода с синхронным двигателем необходимо хранить в памяти микроконтроллера значения рассогласования и выходного сигнала, взятые в моменты времени , и .
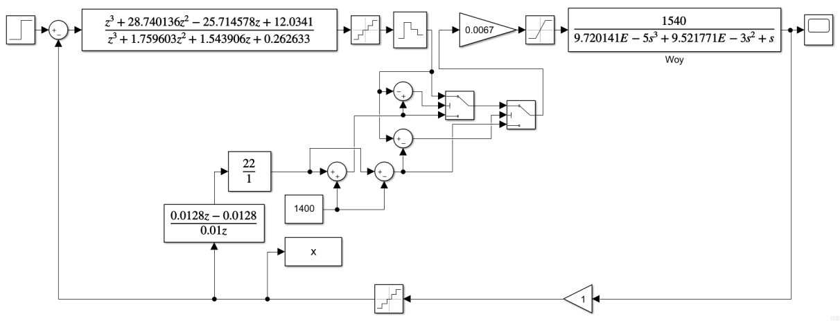
Большой интерес представляет исследование влияния ограничений сигналов двигателя на работу следящего электропривода с финитным регулятором. Действительно, в силовом преобразователе имеется естественное ограничение максимальной величины напряжения. Кроме того, ни один электропривод не может функционировать без ограничения тока. Расчетная модель цифрового следящего электропривода с учетом дискретизации сигналов по уровню и ограничения напряжения силового преобразователя и упреждающего токоограничения представлена на рис. 5.
Рис. 5. Расчетная модель цифрового следящего электропривода с синхронным исполнительным двигателем с учетом ограничений тока и напряжения силового преобразователя при периоде дискретизации с
С ее помощью построен график перемещения исполнительного механизма на 3 дискреты датчика положения (рис. 6).
Рис. 6. График перемещения исполнительного механизма на 3 дискреты с учетом ограничений тока и напряжения силового преобразователя при с
Анализ графика показывает, что время входа в зону ±1 дискрета от заданного значения составляет 0,0105 с. Однако результаты моделирования позволяют сделать вывод, что устойчивое движение наблюдается только при ограничении тока на уровне 16 номинальных значений и выше.
Анализ причин этих явлений показывает, что финитное управление требует больших коэффициентов передачи регулятора. И это совершенно логично, поскольку высокое быстродействие требует кратковременного применения больших энергетических затрат. Кроме того, потеря устойчивости электропривода при относительно малых значениях токов двигателя объясняется неустойчивостью собственно финитного регулятора. Действительно, анализ корней знаменателя дискретной передаточной функции (3) при с показывает, что два корня имеют модуль больше 1. Устойчивым синтезированный финитный регулятор для рассматриваемого электропривода становится лишь при с.
Следовательно, для решения возникшей проблемы можно предложить снижение быстродействия следящего электропривода до некоторого предела, когда при ограничении тока и напряжения на уровне номинальных значений будет наблюдаться устойчивое движение во всем диапазоне перемещений.
Поскольку при выбранном типе финитного регулятора переходные процессы в «малом» всегда заканчиваются за 6 тактов периода дискретизации, то для снижения быстродействия следящего электропривода увеличим период до величины с. Тогда в соответствии с формулами (8) дискретная передаточная финитного регулятора примет следующие численные значения:
. (14)
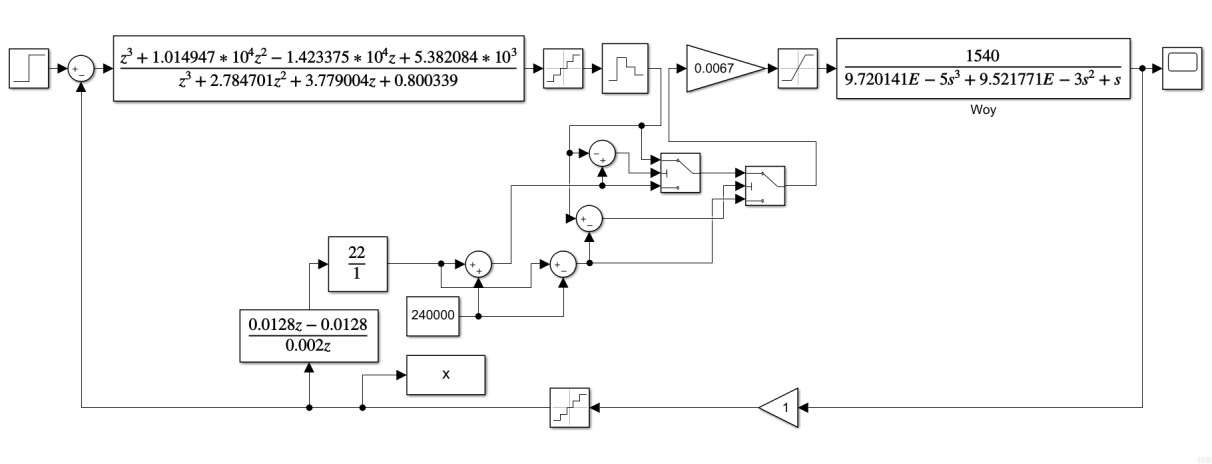
Расчетная модель следящего электропривода с регулятором (14) и ограничением тока синхронного двигателя на уровне 1,5 номинальных значений приведена на рис. 7.
Рис. 7. Расчетная модель цифрового следящего электропривода с синхронным исполнительным двигателем с учетом ограничений тока и напряжения силового преобразователя при периоде дискретизации с
Она позволяет построить графики переходных процессов при различных значениях и видах задающих воздействий. В частности, расчет показывает, что отработка управляющего воздействия в 3 дискреты датчика положения завершается за 0, 022 с (рис. 8). Следовательно, и при периоде дискретизации с наблюдается очень высокое быстродействие следящего электропривода. При этом значительно уменьшается перерегулирование выходной координаты, которое составляет 27 %. Однако отрицательным является тот факт, что при увеличении периода дискретизации значительно возрастает статическая ошибка слежения при действии моментов нагрузки двигателя. Этим ограничивается сфера применения рассматриваемого следящего электропривода с финитным регулятором, например в станках по набивке печатных плат выводными элементами. Тем не менее если снабдить рассматриваемый следящий электропривод дополнительным контуром с интегральным регулятором, то проблема статической ошибки слежения исчезнет, позволяя расширить область применения привода в прецизионном оборудовании.
Рис. 8. График перемещения исполнительного механизма на 3 дискреты с учетом ограничений тока и напряжения силового преобразователя при с
Результаты проведенного исследования позволяют сделать следующие выводы:
- Применение финитного управления в следящем электроприводе с синхронным исполнительным двигателем позволяет достичь высокого быстродействия.
- Ограничением в применении финитного регулятора в следящих электроприводах является наличие статической ошибки и перерегулирование.
- Для исключения статической ошибки позиционирования необходимо введение дополнительного контура с соответствующим регулятором, например интегральным.
Об авторах
Александр Владимирович Стариков
Самарский государственный технический университет
Автор, ответственный за переписку.
Email: vest_teh@samgtu.ru
д.т.н., проф., заведующий кафедрой «Электропривод и промышленная автоматика»
Россия, 443100, г. Самара, ул. Молодогвардейская, 244Виктор Александрович Кирдяшев
Самарский государственный технический университет
Email: vest_teh@samgtu.ru
аспирант
Россия, 443100, г. Самара, ул. Молодогвардейская, 244Список литературы
- Мустафа М.Н. Исследование вентильных двигателей со статической коррекцией характеристик для электроприводов малой мощности: дис. … канд. техн. наук / М.Н. Мустафа. – СПб.: СПбГЭТУ «ЛЭТИ», 2001. – 201 с.
- Джанхотов В.В. Исследование и разработка следящих электроприводов на базе вентильных двигателей с управлением от сигнального процессора для шагающего робота: дис. … канд. техн. наук / В.В. Джанхотов. – СПб.: СПбГЭТУ «ЛЭТИ», 2004. – 245 с.
- Самохвалов Д.В. Коррекция статических характеристик электропривода с вентильным двигателем малой мощности и микропроцессорным устройством управления: дис. … канд. техн. наук / Д.В. Самохвалов. – СПб.: СПбГЭТУ «ЛЭТИ», 2010. – 267 с.
- Галицков С.Я., Галицков К.С. Многоконтурные системы управления с одной измеряемой координатой: Монография. – Самара: СГАСУ, 2004. – 140 с.
- Лисин С.Л. Структурно-параметрический синтез быстродействующего следящего электропривода с синхронным исполнительным двигателем: дис. … канд. техн. наук / С.Л. Лисин. – Самара: СамГТУ, 2016. – 179 с.
- Лисин С.Л. Повышение быстродействия следящего электропривода с синхронным исполнительным двигателем // Вестник Самарского государственного технического университета. Серия: Технические науки. – 2012. – № 4 (36). – С. 173–181.
- Стариков А.В. Новые технические решения в современных следящих электроприводах: Учеб. пособие по дисциплине «Системы управления электроприводов» / А.В. Стариков, С.Л. Лисин, В.А. Арефьев, Д.Н. Джабасов. – Самара: Самарский государственный технический университет, 2018. – 93 с.
- Патент России № 2499351. Следящий электропривод / А.В. Стариков, С.Л. Лисин (Россия). – Опубл. 20.11.2013, Бюл. № 32.
- Патент России № 2605948. Следящий электропривод / А.В. Стариков, С.Л. Лисин (Россия) // Опубл. 10.01.2017, Бюл. № 1.
- Патент России № 2695804. Следящий электропривод с синхронным исполнительным двигателем / С.Л. Лисин, А.В. Стариков (Россия) // Опубл. 29.07.2019, Бюл. № 22.
- Starikov A.V. Increasing of the Response Speed of the Rotary Table Servo Drive / A.V. Starikov, S.L. Lisin, D.Yu. Rokalo // 2018 International Multi-Conference on Industrial Engineering and Modern Technologies (FarEastCon), IEEE Xplore, 2019. Pp. 1–5.
- Starikov A.V. Technical Implementation of the High-Speed Response Servo Drive at the Programmable Logic Device / A.V. Starikov, S.L. Lisin, D.Yu. Rokalo // 2019 International Conference on Electrotechnical Complexes and Systems (ICOECS), IEEE Xplore, 2020. – P. 1–6.
- Цыпкин Я.З. Основы теории автоматических систем. – М.: Наука, 1977. – 560 с.
- Лысов М.С. Дискретная математическая модель цифровой системы управления поворотным столом // Вестник Самарского государственного технического университета. Серия: Технические науки. 2009. № 1 (23). С. 160–166.
- Лисин С.Л., Стариков А.В. Дискретная математическая модель цифрового следящего электропривода с синхронным исполнительным двигателем // Вестник Самарского государственного технического университета. Серия: Технические науки. 2013. № 1 (37). С. 203–208.
Дополнительные файлы











