Влияние параметров сети оперативного постоянного тока на работу системы контроля изоляции на землю
- Авторы: Скрипачев М.О.1, Ведерников А.С.1
-
Учреждения:
- Самарский государственный технический университет
- Выпуск: Том 30, № 1 (2022)
- Страницы: 130-142
- Раздел: Электротехника
- URL: https://journals.eco-vector.com/1991-8542/article/view/89956
- DOI: https://doi.org/10.14498/tech.2022.1.9
- ID: 89956
Цитировать
Полный текст
Аннотация
Система постоянного оперативного тока представляет совокупность электротехнических приборов и устройств, включающих источники энергии, необходимые для функционирования основных технологических комплексов предприятий. Особенностями систем постоянного тока являются значительная пространственная распределенность, подверженность сильным электромагнитным наводкам и помехам. Частой неисправностью в системах постоянного оперативного тока, изолированных от земли, является повреждение изоляции одного полюса на землю. Данная неисправность не сопровождается большими токами, однако может вызвать ложную работу электротехнического комплекса. В данной работе рассматривается метод поиска поврежденного участка, проводится анализ возникновения помех в работе системы поиска. Усовершенствованная система поиска, основанная на методе наложения внешнего опорного напряжения, подтвердила свою работоспособность в реальных объектах.
Полный текст
Введение
Используемая в электротехнических комплексах система постоянного тока представляет собой систему двух изолированных друг от друга и относительно земли проводников. Проводники имеют разность потенциалов, которую определяет номинальное напряжение. Это устройство носит название «щит постоянного тока» (ЩПТ). Также в состав ЩПТ входят стандартные ячейки, жесткая ошиновка, коммутационная и защитная аппаратура. Главным достоинством системы постоянного тока является высокая надежность источников питания [1, 2]. Стандартами определены напряжения питания ЩПТ 24, 48, 110, 220 В. Наибольшее распространение получило оперативное напряжение 220 В.
От щита отходят присоединения, от которых питаются устройства релейной защиты, автоматики, привода выключателей [3]. Эти цепи имеют значительную протяженность и разветвленность. Вероятность снижения сопротивления изоляции на землю одного из полюсов достаточно высока [4]. Под термином «полюс» понимается один из изолированных относительно земли проводников, имеющих связь через коммутационный аппарат с полюсом аккумуляторной батареи.
В последнее время получила развитие альтернативная энергетика. Так, расположенные на большой территории солнечные элементы вырабатывают электроэнергию на постоянном токе, связываясь с энергосистемой через инверторы [5]. Вероятность понижения изоляции на землю в разветвленной сети постоянного тока, соединяющей инверторы с солнечными элементами, возрастает под воздействием атмосферных условий.
Согласно требованиям ПТЭ для оперативных цепей 220 В сопротивление изоляции не должно быть ниже 20 кОм на полюс. При снижении ниже 20 кОм оперативный персонал обязан как можно скорее обнаружить место снижения изоляции и устранить неисправность. При этом производство других работ, кроме поиска места повреждения, запрещается.
Пути совершенствования системы контроля изоляции
Помочь персоналу в поиске повреждения может описанная авторами система пофидерного контроля сопротивления изоляции, работающая по методу наложения внешнего опорного напряжения. Достоинством данного метода, в отличие от метода с использованием системных параметров ЩПТ [6, 7], является независимость работы системы контроля изоляции от системных параметров ЩПТ. Описываются достоинства комбинации методов использования системных параметров с методами наложения [8, 9].
Применение метода наложения к ЩПТ подробно описано авторами в трудах [10, 11]. Особенностью применения является наложение внешнего опорного сигнала через емкостную развилку, состоящую из двух конденсаторов. Контроль переменной составляющей потенциала шин осуществлен также через емкостную развилку. В работах показано, что применение емкостной развилки в качестве инжекционной и измерительной имеет ряд преимуществ по сравнению [12] с резистивными развилками – отсутствие тепловыделения на элементах схемы.
Схема ЩПТ с подключением цепей наложения приведена на рис. 1.
Рис. 1. Схема наложения опорного сигнала на сеть постоянного тока
В основу работы системы положено выделение активной составляющей тока (рис. 1), контролируемого на данном интервале времени фидера относительно переменной составляющей напряжения шин относительно земли . Эта величина вытекает из скалярного произведения векторов [13] и , отнесенного к конечному интервалу наблюдения, и описывается выражением
, (1)
где – интервал времени наблюдения, кратный периоду опорного сигнала.
Частота опорного сигнала принята 20 Гц. Максимальное значение амплитуды синусоидального напряжения шин, определяемое работой источника опорного сигнала, – 20 В. Эти значения величин не будут создавать помех в сети постоянного тока, способных вызвать ложную работу цифровых и электромеханических реле и устройств автоматики.
Величина PS пропорциональна активной мощности, создаваемой током относительно напряжения . Если контролируемый фидер не имеет повреждения изоляции на землю, то значение интеграла в выражении (1) будет близко нулю и ток будет носить емкостной характер, сопротивление утечки велико. Состояние изоляции контролируемого участка соответствует норме. Под сопротивлением утечки понимаем образование паразитной цепи из активного сопротивления между полюсом ЩПТ и землей с любой причиной происхождения [8]. В случае появления повреждения величина будет больше нуля. Величина в случае постоянства будет являться функцией от сопротивления утечки . Но при работе системы контроля изоляции возможно изменение схемы щита – например вывод присоединений в ремонт. В результате значение величины в выражении (1) будет изменяться вследствие изменения амплитуды .
Чтобы избежать влияния системных параметров, в работах [7] показано, что сопротивление изоляции на землю определяется выражением
. (2)
Числитель выражения (2) представляет квадрат нормы [13] переменной составляющей напряжения шин щита относительно земли. Отношение нормы сигнала напряжения к скалярному произведению является сопротивлением утечки в зоне контролируемого фидера и не зависит от системных параметров сети постоянного тока.
Разработанное авторами устройство производит замеры и фильтрацию величин инжектируемого в сеть постоянного тока , предназначенных для определения сопротивления утечки в зоне контролируемого фидера. Устройство содержит аналоговый тракт, состоящий из трех независимых каналов (рис. 2), и цифровой модуль, управляющий каналом обработки сигнала тока и производящий вычисления в соответствии с выражением (2). При производстве вычислений интегралы в числителе и знаменателе заменены интегральными суммами.
Рис. 2. Структурная схема устройства контроля изоляции на землю щита оперативного постоянного тока
Модуль MCU (рис. 2) осуществляет переключение внешних усилителей таким образом, что подключенным в любой момент может быть только один. Внешние усилители выполняются в виде отдельных устройств по числу контролируемых фидеров. Каждое такое устройство содержит электромагнитный датчик тока и электронный модуль.
Электромагнитная часть непосредственно контролирует переменную составляющую тока фидера, изготавливается разъемной [14]. Сконструированный авторами датчик описан в работе [15]. Датчик тока обязательно выполняется компенсационного типа [16].
Конструктивно датчик тока представляет собой два ферритовых полукольца, на которые намотаны сфазированные между собой рабочие полуобмотки W21раб и W22раб (рис. 3), формирующие ЭДС e21(t) и e22(t).
Рис. 3. Конструкция электромагнитной части датчика тока системы контроля изоляции на землю: 1 – разъемный магнитопровод; 2 – рабочие полуобмотки; 3 – проводники первичной обмотки; 4 – компенсационная обмотка; 5 – стык магнитопроводов
Сигналы с полуобмоток подаются на вход измерительного усилителя на ОУ [17].
Выход усилителя подключен через емкость к низкоомному входу преобразователя ток – напряжение. Выход внешнего усилителя – токовый для уменьшения влияния наводимых помех и уменьшения влияния длины соединительного кабеля с основным устройством.
Передаточная функция датчика тока описывается выражением:
. (3)
Датчик тока представляет собой звено второго порядка.
Сигнал с токового выхода внешнего усилителя подается на селектор каналов (рис. 2), далее проходит через тракт канала тока фидера IF, после чего поступает на вход АЦП, входящий в состав цифрового модуля.
Канал IF (рис. 2) имеет следующую структурную схему (рис. 4).
Рис. 4. Структурная схема канала тока: 1 – входной усилитель; 2 – фильтр низких частот; 3 – режекторный фильтр; 4 – выходной буферный каскад
Канал тока фидера IF выполняет функции неселективной фильтрации сигнала с датчика тока. Фильтр 2-го порядка 2 (рис. 4) имеет частоту среза 25 Гц. Передаточная функция фильтра нижних частот 2 (рис. 4) имеет описание [17, 18]:
, (4)
где KU0 – коэффициент усиления в полосе пропускания; wLP – частота среза; QLP – добротность фильтра, характеризующая крутизну АЧХ в полосе задержки.
Подставляя значения для KU0=1,wLP=157c-1, QLP=1, получим выражение
. (5)
Режекторный фильтр 3 имеет центральную частоту подавления 50 Гц. Описывается режекторный фильтр [17] выражением
, (6)
где KPJ – коэффициент усиления в полосах пропускания; wFJ – центральная частота полосы подавления. Для частоты 50 Гц она равна 314с-1.
Подставив в выражение (6) значения, получим описание режекторного фильтра:
. (7)
У соединенных каскадно звеньев 2 и 3 (рис. 4) в соответствии с выражениями (5) и (7) имеем:
. (8)
Выражение (8) представляет передаточную функцию канала тока фидера IF. Полином знаменателя ограничен третьей степенью ввиду пренебрежимо малого коэффициента при s4. Несложно подсчитать, что нулем функции (8) будет значение .
Назначение канала тока фидера – подавление помех и согласование уровня сигнала частотой 20 Гц до уровня, необходимого для цифровой обработки.
Канал U контроля переменной составляющей потенциала шин имеет сходную структуру с каналом IF тока контролируемого фидера (рис. 4). Отличием являются наличие в канале каскада фазового фильтра первого порядка, включенного между режекторным фильтром 3 и буферным каскадом 4.
Канал контроля налагаемого тока I1 (рис. 2) служит для обеспечения работоспособности устройства контроля изоляции при металлических замыканиях на землю одного полюса в цепях щита постоянного тока. В этом случае числитель и знаменатель выражения (2) могут принять нулевые значения, что создаст неопределенность.
Для устранения неопределенности цифровая часть системы вычисляет скалярное произведение векторов тока контролируемого фидера и потребляемого от опорного генератора тока .
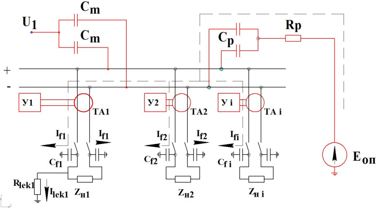
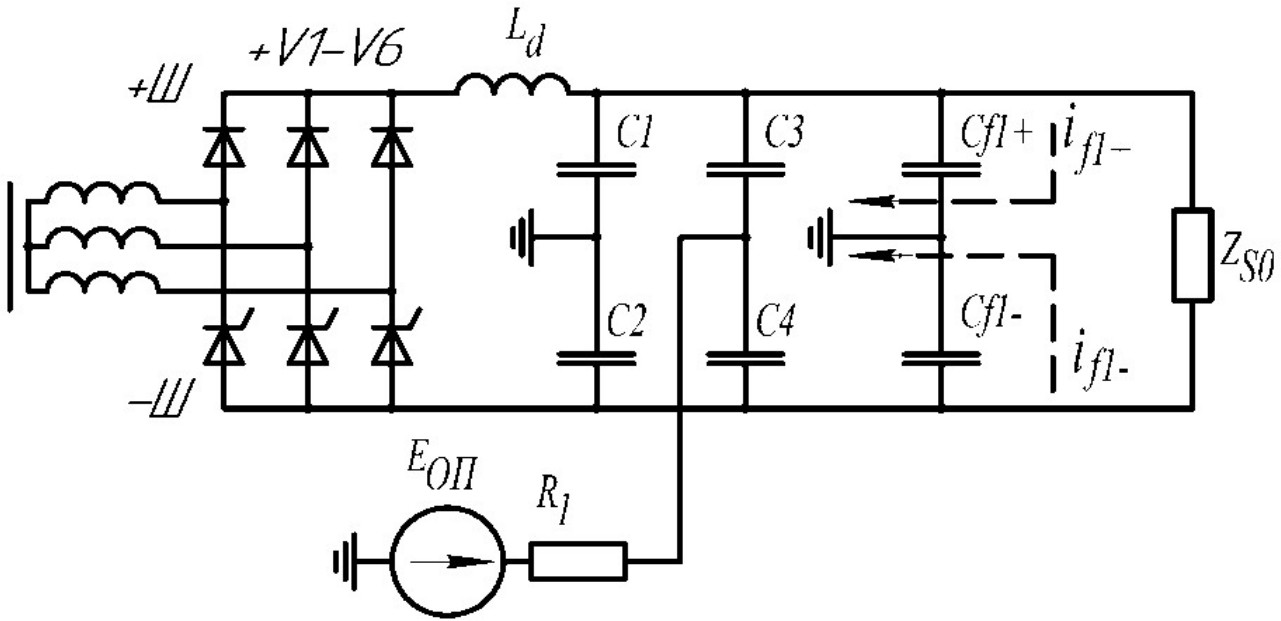
В сигнале на выходе датчика тока будет составляющая, обусловленная не только опорным сигналом, сигналом помех промышленной частоты 50 Гц, но и составляющими 300 Гц. Она вызвана неравными емкостями относительно земли у полюсов контролируемого фидера. Схему питания ЩПТ совместно со схемой наложения опорного сигнала, вытекающую из схемы на рис. 1, рассмотрим в виде, представленном на рис. 5.
Рис. 5. Схема наложения контрольного опорного напряжения совместно с работой ВАЗП
Емкости С1, С2 (рис. 2) отражают наличие блокировочных емкостей на полюсах выпрямителя и собственную емкость полюсов щита постоянного тока относительно земли. Емкости C3, C4 представляют емкость инжекционной развилки [10, 11] системы контроля изоляции на землю. Емкости Cf+ и Cf– отражают емкости контролируемого фидера. В общем случае они не равны между собой.
На схеме показаны вентили V1–V6 трехфазного управляемого выпрямителя схемы Ларионова. Этот выпрямитель, работая от сети промышленной частоты 50 Гц, на выходе имеет основную частоту пульсаций 300 Гц. На работу оперативных цепей эта составляющая не будет влиять при равенстве . Но на практике такое условие трудновыполнимо. Это обосновано как самой схемой вторичных оперативных цепей, так и возможными изменениями системных параметров – например, цепи питания защит какого-либо присоединения отключены, а идентичность цепей фидеров не обеспечена.
При работе трехфазного выпрямителя в спектре выпрямленного напряжения преобладает постоянная составляющая. Разложение в ряд Фурье показывает, что амплитуда первой гармоники выпрямленного напряжения составляет 1/18 от величины средневыпрямленного значения.
Был проведен физический эксперимент воздействия работы трехфазного мостового выпрямителя, работающего от источника трехфазной ЭДС с фазным напряжением 6В, на сигнал, получаемый на выходе канала IF.
Осциллограммы напряжений аналоговых выходов каналов напряжения U и канала тока фидера IF приведены на рис. 6. На напряжение с выхода выпрямителя проводилось наложение опорного напряжения частотой 20 Гц.
Рис. 6. Осциллограммы выходов аналоговых каналов системы контроля изоляции при воздействии источника опорного напряжения и работе трехфазного выпрямителя: а – при отсутствии утечки в зоне контролируемого фидера; б – при сопротивлении цепи 20 кОм в зоне контролируемого фидера, где 1 – выход канала IF, 2 – выход канала U
При отсутствии влияния работы трехфазного выпрямителя кривые канала тока фидера IF (кривые 1 рис. 6) будут синусоидальными без высших гармонических составляющих. Из рис. 6 видно, что при наличии разницы емкостей полюсов на землю осциллограммы выходов аналоговых каналов для случаев наличия замыкания в контролируемой зоне и случая отсутствия замыкания визуально неразличимы. Но обработка оцифрованных сигналов аналоговых каналов согласно выражению (2) дает устойчивый результат в вычислении значения активного сопротивления утечки в зоне контролируемого фидера.
Осциллограммы, представленные на рис. 6, получены при протекании выпрямленного тока с выхода трехфазного выпрямителя, имеющего фазное напряжение на входе 6 В, и тока от источника опорного напряжения. Согласно расчетам величина ЭДС с частотой 300 Гц на стороне постоянного тока будет составлять 0.78 В реальном ЩПТ, для достижения средневыпрямленного значения 220 В необходимо 94 В фазного напряжения. При этом в спектре выпрямленного напряжения будет присутствовать составляющая 12.7 В с частотой 300 Гц.
Полученные в реальном электротехническом комплексе осциллограммы выходных аналоговых сигналов приведены на рис. 7 [10].
Рис. 7. Сигналы с выходов аналоговых каналов тока фидера IF и напряжения шин U: а – при работе системы контроля изоляции на землю; б – спектр сигнала канала тока IF
Как видно из спектра сигнала выхода канала тока фидера IF (рис. 7, б), преобладающим является сигнал с частотой опорного источника 20 Гц. Наводки с частотой 50 Гц практически подавлены. Но несмотря на низкую частоту среза фильтра 2 (рис. 4) частоты, кратные 50 Гц, в диапазоне до 350 Гц имеют значительную амплитуду.
Чтобы ослабить влияние этих составляющих на результат работы системы контроля изоляции, сигналы с выхода аналоговых каналов подвергаются дополнительной селективной цифровой фильтрации.
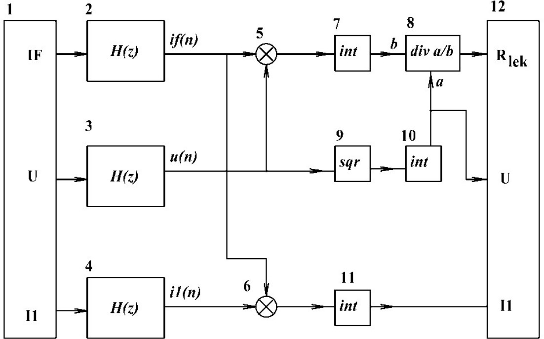
Рис. 8. Функциональная схема цифрового модуля системы контроля изоляции на землю: 1 – аналоговый модуль; 2, 3, 4 – цифровые фильтры; 5, 6 – перемножители; 7, 10, 11 – интеграторы; 8 – делитель; 9 – возведение в квадрат; 12 – устройство отображения
Селективная фильтрация предназначена для выделения из сигналов с выходов аналоговых фильтров синусоидальных составляющих, частота которых равна 20 Гц. В основу положен цифровой фильтр прямой формы [19]. Частота дискретизации сигнала принята 100 Гц. Принятие такой низкой частоты дискретизации обусловлено низкой частотой опорного сигнала и кривой АЧХ, имеющей нуль при нормированной частоте, равной 1. Эта частота соответствует 50 Гц. Дополнительным плюсом будет запас процессорного времени для вычисления выходных отсчетов фильтра.
Фильтр синтезирован по аналоговому полосовому прототипу. Были заданы параметры: центральная частота 20 Гц (), добротность , усиление на центральной частоте . Передаточная функция полосового фильтра-прототипа описывается выражением
.
При подстановке получаем выражение
.
Применяя инвариантное импульсное преобразование с частотой дискретизации 100 Гц, получим передаточную функцию цифрового фильтра:
. (9)
Цифровые фильтры с передаточной функцией (9) представляют звенья 2, 3, 4 на функциональной схеме цифрового модуля. Для сокращения времени вычислений и упрощения машинного расчета коэффициенты числителя приняты равными 1.
После проведения фильтрации цифровые последовательности с фильтров 2 и 3 поступают на перемножитель 5. С перемножителя 5 данные поступают на интегратор 7, на выходе которого по истечении времени наблюдения формируется скалярное произведение векторов и .
Сигнал с выхода цифрового фильтра 3 возводится в квадрат звеном 9 и поступает на интегратор 10, на выходе которого по истечении времени наблюдения формируется квадрат нормы сигнала . Делитель 8 находит отношение квадрата нормы к скалярному произведению и . Эта величина будет представлять сопротивление утечки в зоне контролируемого фидера сети постоянного тока.
Вывод
При установке в реальный щит постоянного тока устройства контроля изоляции, работающего по методу наложения внешнего опорного напряжения, нужно принять меры по сведению к минимуму разницы емкостей полюсов на землю. Это позволит уменьшить влияние на работу устройства контроля изоляции пульсаций, созданных выпрямительно-подзарядным агрегатом.
При работе устройства в целом наличие емкостной составляющей токовой помехи на частоте 300 Гц величиной до 20 мА не оказывало влияния на ток контролируемого фидера, т. к. наличие компенсационной обмотки электромагнитной части датчика тока компенсировало это воздействие, сохраняя линейность датчика тока, и позволяло работать системе устойчиво.
Об авторах
Михаил Олегович Скрипачев
Самарский государственный технический университет
Email: michael-ss@yandex.ru
старший преподаватель кафедры «Электрические станции»
Россия, 443100, Самара, ул. Молодогвардейская, 244Александр Сергеевич Ведерников
Самарский государственный технический университет
Автор, ответственный за переписку.
Email: michael-ss@yandex.ru
заведующий кафедрой «Электрические станции», декан электротехнического факультета, кандидат технических наук, доцент
Россия, 443100, Самара, ул. Молодогвардейская, 244Список литературы
- Солуянов Ю.И., Ахметшин А.Р., Солуянов В.И. Актуализация удельных электрических нагрузок помещений общественного назначения, встроенных в жилые здания // Известия высших учебных заведений. Проблемы энергетики. 2021. Т. 23. № 3. С. 47–57. doi: 10.30724/1998-9903-2021-23-3-47-57
- Солуянов Ю.И., Ахметшин А.Р., Солуянов В.И. Энерго-ресурсосберегающий эффект в системах электроснабжения жилых комплексов от актуализации нормативов электрических нагрузок // Известия высших учебных заведений. Проблемы энергетики. 2021. Т. 23. № 1. С. 156–166. doi: 10.30724/1998-9903-2021-23-1-156-166
- Суслов К.В., Солонина Н.Н., Солонина З.В., Ахметшин А.Р. Повышение точности определения места повреждения в линиях электропередачи // Вестник Казанского государственного энергетического университета. 2020. Т. 12. № 3(47). С. 3–13.
- Солуянов Ю.И., Федотов А.И., Ахметшин А.Р., Халтурин В.А. Энергосберегающие решения в распределительных электрических сетях на основе анализа их фактических нагрузок // Электроэнергия. Передача и распределение. 2020. № 5(62). С. 68–73.
- Куликов А.Л., Ваняев В.В., Дарьенков А.Б., Шахов А.В. Источник резервного электропитания с водородным топливным элементом и литий-железо-фосфатной аккумуляторной батареей // Интеллектуальная электротехника. 2021. № 3(15). С. 107–124. DOI 10.46960 / 2658-6754_2021_3_107
- Гуревич В.И. Оперативные цепи постоянного тока. Проблемы контроля изоляции // Новости ЭлектроТехники. 2012. № 1(73). С. 30–32.
- Алимов Ю.Н., Галкин И.А., Шаварин Н.И. Система контроля изоляции и поиска поврежденного фидера в цепях оперативного постоянного тока 220 В «ЭКРА-СКИ» // Новое в российской электроэнергетике. 2011. № 1. С. 44–52.
- Савельев В.А., Словесный С.А. Контроль состояния изоляции цепей постоянного оперативного тока с компенсацией тока утечки // Повышение эффективности работы энергосистем. Труды ИГЭУ. М.: Энергоатомиздат, 2002. С. 418–429.
- Савельев В.А., Словесный С.А. Способ контроля состояния изоляции цепей постоянного оперативного тока электростанций и подстанций // Повышение эффективности работы энергосистем. Труды ИГЭУ. М.: Энергоатомиздат, 2004. С. 466–478.
- Скрипачев М.О., Ведерников А.С. Контроль изоляции присоединений цепей постоянного тока без отключения // Электрооборудование: эксплуатация и ремонт. 2015. № 7. С. 47–50.
- Патент № 2612751 C1 Российская Федерация, МПК G01R 31/11. Способ поиска присоединений с пониженным сопротивлением изоляции на землю в цепях постоянного оперативного тока электрических станций и подстанций: № 2015148293: заявл. 10.11.2015: опубл. 13.03.2017 / А.С. Ведерников, М. О. Скрипачев; заявитель Федеральное государственное бюджетное образовательное учреждение высшего профессионального образования «Самарский государственный технический университет».
- Патент № 2310211 C1 Российская Федерация, МПК G01R 31/11. Способ поиска элемента с пониженным сопротивлением изоляции в разветвленной электрической сети постоянного оперативного тока: № 2006126946/28: заявл. 24.07.2006: опубл. 10.11.2007 / Р.А. Вайнштейн, В.В. Шестакова, И.С. Исаев, С.М. Юдин; заявитель Государственное образовательное учреждение высшего профессионального образования «Томский политехнический университет».
- Баскаков С.И. Радиотехнические цепи и сигналы. М.: Высшая школа, 1983. 536 с.
- Патент на полезную модель № 203217 U1 Российская Федерация, МПК G01R 19/32. Первичный преобразователь тока: № 2020123285: заявл. 14.07.2020: опубл. 26.03.2021 / А.А. Яблоков, В. Д. Лебедев, А. В. Наумов [и др.]; заявитель Публичное акционерное общество «Межрегиональная распределительная сетевая компания Центра и Приволжья».
- Вахромов А.С., Ведерников А.С., Скрипачев М.О. Моделирование электромагнитного датчика тока с компенсационной обмоткой // Известия высших учебных заведений. Электромеханика. 2016. № 6. С. 72–76. doi: 10.17213/0136-3360-2016-6-72-76
- Лейтман М.Б., Мелик-Шахназаров А.М. Компенсационные измерительные преобразователи электрических величин. М.: Энергия, 1978. 224 с.
- Пейтон А.Дж., Волш В. Аналоговая электроника на операционных усилителях. М.: Бином, 1994. 352 с.
- Макаров И.М., Менский Б.М. Линейные автоматические системы. М.: Машиностроение, 1982. 501 с.
- Лайонс Р. Цифровая обработка сигналов. М.: Бином, 2007. 656 с.
Дополнительные файлы











