The diagnostics of windings of vehicle alternator units
- Authors: Randin D.G.1, Tulupov P.V.1
-
Affiliations:
- Samara State Technical University
- Issue: Vol 16, No 3 (2022)
- Pages: 265-272
- Section: Electrotechnical facilities and systems
- URL: https://journals.eco-vector.com/2074-0530/article/view/106909
- DOI: https://doi.org/10.17816/2074-0530-106909
- ID: 106909
Cite item
Abstract
INTRODUCTION: An alternator unit is a necessary unit in a vehicle, as it provides all the consumers with electricity. Therefore, the operation capability of the whole vehicle depends on the alternator unit’s operational state. The issue of the diagnostics of a vehicle alternator unit by means of determination of alternator phases’ windings active resistance is addressed.
AIM: Improvement of diagnostics informativity by means of voltage controllers with a self-diagnostic function.
METHODS: It is proposed to perform the alternator unit diagnostics without dismantling or disassembly by means of plugging to the diagnostic points.
RESULTS: The existing and known methods of vehicle alternator unit diagnostics with embedded diagnostic tools and with use of external diagnostic tools were analyzed. The method of diagnostics of phase winding active resistance with use of reference resistance was proposed. The algorithm of implementation of the proposed method was suggested. The recommendations for use of the proposed method were given.
CONCLUSIONS: The proposed diagnostics method can be used in engine control units or by technicians of maintenance stations during the alternator unit maintenance without dismantling or disassembly.
Full Text
ВВЕДЕНИЕ
Генераторная установка является необходимым агрегатом в транспортном средстве, поскольку обеспечивает электрической энергией всех потребителей. Поэтому, от ее исправного состояния зависит работоспособность всего транспортного средства.
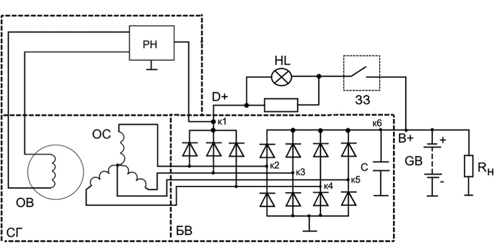
На рис. 1 представлена электрическая схема автотранспортной генераторной установки, в которую входят интегрированные в общую конструкцию электрический генератор на базе синхронной электрической машины с электромагнитным возбуждением (СГ), выпрямительный блок (БВ) и регулятор напряжения (РН).
Рис. 1. Конструкция автотранспортной генераторной установки.
Fig. 1. The layout of a vehicle alternator unit.
Аккумуляторная батарея (GB) обеспечивает питанием электроэнергией потребителей в нерабочем состоянии генераторной установки. Эквивалентная нагрузка обозначена сопротивлением Rн.
Генераторная установка имеет два контакта: D+ для подачи питания к обмотке возбуждения (ОВ) генератора через полупроводниковый регулятор напряжения (РН), ключ замка зажигания (ЗЗ) и контрольную лампу заряда (НL); контакт В+ служит для отдачи энергии на зарядку аккумуляторной батареи (GB) и питание потребителей Rн.
Агрессивные дорожные условия в совокупности с предельными режимами работы могут приводить к ускоренному выходу из строя генераторной установки. Причем, выход из строя редко происходит мгновенно. Как правило, характер отказов является постепенным. В этих условиях, желательно водителю иметь инструмент контроля за параметрами генераторной установки.
Наиболее простым встроенным средством контроля генераторной установки является лампа заряда HL, погашенное состояние которой свидетельствует об исправности генераторной установки. Однако, характер работы такого инструмента контроля близок к релейному элементу: либо горит – присутствует неисправность, либо не горит – все исправно.
В современных автотранспортных средствах имеются встроенные средства диагностики [1, 2]. Такие системы отслеживают уровень напряжения в бортовой сети и если он опускается ниже заданного предела, то система информирует водителя через контрольную лампу на щитке приборов о неисправности в системе электроснабжения.
Известно [3–6] несколько методов диагностики генераторных установок.
Первый метод базируется на анализе осциллограммам выходного напряжения. Однако, такой метод не применим в эксплуатации автомобиля из-за технической сложности реализации режима осциллографа в системе управления двигателем.
Второй метод связан с измерение разности потенциалов между контактом «масса» и клеммами «В+» и «D+» генератора. К недостаткам, этого метода следует отнеси невозможность локализации неисправности.
Третий метод связан с измерением сопротивления фаз и обмотки возбуждения в снятом генераторе.
Повышение информативности диагностирования может быть осуществлено за счет применения регуляторов напряжения с функцией самодиагностики.
Предлагается осуществлять диагностику генераторной установки без ее демонтажа или разборки за счет подключения к диагностическим точкам к1, к2, к3, к4, к5 и к6 (см. рис. 1). Расположение указанных диагностических точек в генераторной установки Г9402.3701 показано на рис. 2.
Рис. 2. Расположение диагностических точек на выпрямительном блоке генераторной установки Г9402.3701.
Fig. 2. The location of diagnostic points at the rectifier of the G9402.3701 alternator unit.
Указанные точки располагаются в непосредственной близости от регулятора напряжения и поэтому могут быть подключены к регулятору напряжения с функцией диагностики.
В таблице 1 представлены диагностические возможности контрольных точек.
Таблица 1. Диагностические возможности контрольных точек
Table 1. Diagnostic abilities of the test points
Контрольные точки | Функциональная возможность |
к1, к2, к3, к4 | Проверка исправности диодов дополнительного блока возбуждения |
к2, к3, к4, к5, к6 | Проверка исправности блока основных диодов |
к2, к5 | Проверка исправности обмотки фазы А |
к3, к5 | Проверка исправности обмотки фазы В |
к4, к5 | Проверка исправности обмотки фазы С |
РАЗРАБОТКА МАТЕМАТИЧЕСКОЙ МОДЕЛИ
Электрическая схема синхронного генератора автомобильной генераторной установки показана на рис. 3.
Рис. 3. Электрическая схема синхронной генератора автомобильной генераторной установки.
Fig. 3. The electrical circuit of a synchronous alternator of a vehicle alternator unit.
Происходящие в рабочем режиме, электромагнитные процессы в электрической машине описываются системой дифференциальных уравнений [7]
где Ua , Ub , Uc – мгновенные значения фазных напряжений; Uf – напряжение возбуждения; Ψa, Ψb, Ψc – потокосцепление с соответствующими обмотками статора; Ψf – потокосцепление с обмоткой возбуждения; ia, ib , ic – мгновенные значения токов статора; if – значение тока статора.
При проведении диагностики, для определения параметров обмоток генератора питание на обмотки фаз подается от источника постоянного тока, как это показано на рис. 4.
Рис. 4. Электрическая схема для диагностики обмоток автомобильного синхронного генератора.
Fig. 4. The electrical circuit for diagnostics of vehicle synchronous alternator’s windings.
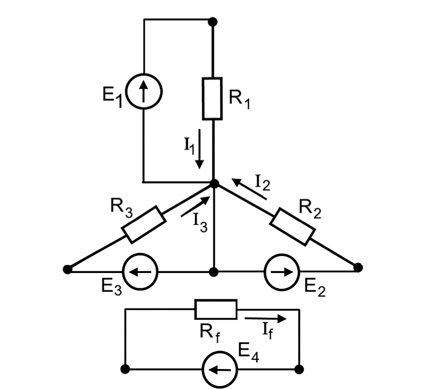
Электрическая схема замещения по постоянному току для диагностики синхронного генератора показана на рис. 5.
Рис. 5. Схема замещения для расчета сопротивлений обмоток.
Fig. 5. The equivalent electrical circuit for calculation of windings resistance circuit for calculating winding resistances.
Уравнения электрического баланса, составленные по законам Кирхгофа для электрической цепи генератора при диагностике, получается в следующем виде
(1)
(2)
(3)
(4)
(5)
Для определения неизвестного сопротивления обмоток в уравнениях (1) – (5) при проведении диагностики, необходимо иметь информацию о величине протекающего тока. При использовании интегральных микросхем такая задача осложняется невозможностью размещения приборов измерения тока в ограниченных пространствах, особенно в автомобильных генераторных установках.
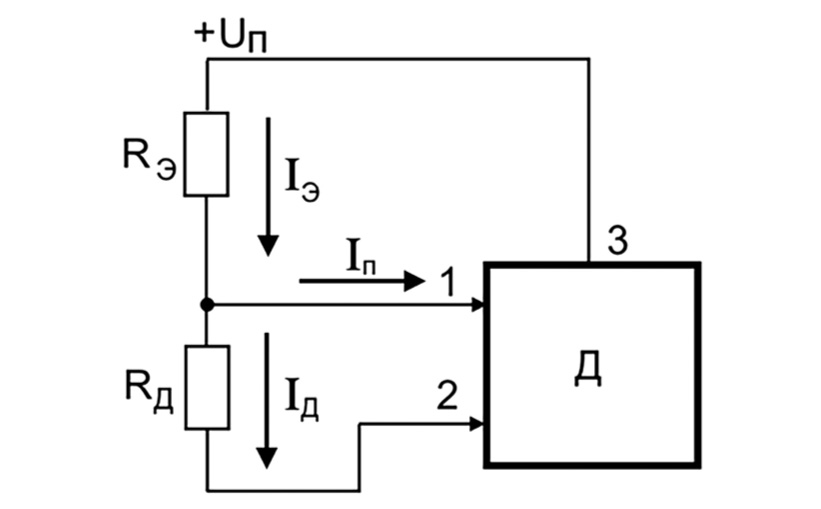
Для определения величины тока предлагается использовать способ измерения тока по падению напряжения на эталонном резисторе. Электрическая схема для измерения показана на рис. 6.
Рис. 6. Схема для определения неизвестного сопротивления обмоток.
Fig. 6. The circuit for determination of unknown windings resistance.
При использовании эталонного резистора напряжение питания Uп, подаваемое с вывода 3, диагностического устройства Д уравновешивается падением напряжения UЭ на эталонном резисторе и падением напряжения UД на диагностируемой катушке, т.е.
При отсутствии тока потребления (т.е. ) диагностическим устройством ток в цепи равен или выражая через падение напряжения на резисторах:
(5)
Решая (5) относительно RД, получим:
(6)
По выражению (6) можно рассчитать неизвестное сопротивление RД. Для этого достаточно знать величины и на эталонном резисторе RЭ.
Причем, необходимости измерять падение напряжения не так как оно может быть определено, как разность:
(7)
Последовательность действий при проведении диагностики согласно рассмотренному способу показана в виде блок-схемы алгоритма диагностики, представленного на рис. 7.
Рис. 7. Блок-схема алгоритма диагностики.
Fig. 7. The flow chart of the diagnostics algorithm.
Предложенный способ диагностирования довольно простой в реализации, что не потребует серьезных конструктивных преобразований в генераторной установке. Недостатками предложенного способа являются нелинейность характеристики эталонного резистора.
МОДЕЛИРОВАНИЕ
Для проверки математических моделей использована специализированная программа для моделирования электротехнических схем Multisim.
Имитационная схема для проверки полученных расчетных формул представлена на рис. 8.
Рис. 8. Имитационная схема.
Fig. 8. The simulation circuit.
Величина активного сопротивления обмотки фазы статора определена согласно расчетным данным по известным методикам [8] и составляет 0,3 Ом.
Как следует из анализа полученных результатов моделирования – расчетные соотношения подтверждают эффективность предложенного способа.
ЭКСПЕРИМЕНТАЛЬНОЕ ИССЛЕДОВАНИЕ
В качестве экспериментального образца взята автомобильная генераторная установка Г9402.3701.
На рис. 9 показана электрическая цепь для экспериментального измерения величины сопротивления обмотки фазы статора.
Рис. 9. Экспериментальное исследование обмотки.
Fig. 9. Experimental study of a winding.
В качестве измерительного устройства использован обычный цифровой мультиметр, имеющий класс точности 1.
Величина сопротивления эталонного резистора взята равной 4,7 Ом с рассеиваемой мощностью 5 Вт и точностью ±5%.
При проведении эксперимента, на электрическую цепь подавалось напряжение постоянного тока +5 В.
Измерительный прибор (мультиметр) показал напряжение на диагностируемой фазной обмотке 0,29 В.
Используя формулу (7) определено значение падение напряжения , которое составило 4,71 В.
Подстановкой найденных значений в формулу (6) рассчитано значение сопротивление RД, которое составило 0,289 Ом.
Экспериментальные измерения показали согласованность полученных данных с помощью рассмотренного способа с реальными параметрами электрической цепи.
ВЫВОДЫ
Предложенный способ диагностирования довольно прост в реализации, что не потребует серьезных конструктивных преобразований в генераторной установке. Величину сопротивления диагностируемой обмотки статора автомобильного генератора возможно измерить с приемлемой точностью и по этому значению судить о техническом состоянии всего агрегата. Тем не менее, предложенному способу присуще некоторые недостатки, связанные с нелинейностью характеристик эталонного резистора. Предлагаемый способ диагностики может быть использован в системах управления двигателем или специалистами станций технического обслуживания при проведении технического обслуживания без демонтажа и разборки генераторной установки.
ДОПОЛНИТЕЛЬНАЯ ИНФОРМАЦИЯ
Вклад авторов. Д.Г. Рандин ― постановка проблемы и поиск публикаций по теме, разработка математической модели технической диагностики, экспертная оценка, утверждение финальной версии; П.В. Tулупов ―математическая модель синхронной машины, применительно к диагностике; проведение эксперимента. Все авторы подтверждают соответствие своего авторства международным критериям ICMJE (все авторы внесли равноправный вклад в разработку концепции, проведение исследования и подготовку статьи).
Конфликт интересов. Авторы декларируют отсутствие явных и потенциальных конфликтов интересов, связанных с публикацией настоящей статьи.
Источник финансирования. Авторы заявляют об отсутствии внешнего финансирования при проведении исследования.
ADDITIONAL INFORMATION
Authors’ contribution. D.G. Randin ― statement of the problem and search for publications on the topic, development of a mathematical model of technical diagnostics, expert opinion, approval of the final version; P.V. Tulupov ― a mathematical model of a synchronous machine, in relation to diagnostics; conducting an experiment. All authors confirm that their authorship meets the international ICMJE criteria (all authors have made an equal contribution to the development of the concept, research and preparation of the article).
Competing interests. The authors declare the absence of obvious and potential conflicts of interest related to the publication of this article.
Funding source. The authors state that there is no external funding for the study.
About the authors
Dmitriy G. Randin
Samara State Technical University
Email: randin.dg@samgtu.ru
ORCID iD: 0000-0002-8644-2584
SPIN-code: 3757-7566
Associate Professor, Cand. Sci. (Tech.), Associate Professor of the Electromechanics and Automotive Electrical Equipment Department
Russian Federation, 244 Molodogvardeiskaya street, 443100, SamaraPavel V. Tulupov
Samara State Technical University
Author for correspondence.
Email: em@samgtu.ru
ORCID iD: 0000-0002-7890-3520
SPIN-code: 3095-5690
Associate Professor, Cand. Sci. (Tech.), Associate Professor of the Electromechanics and Automotive Electrical Equipment Department
Russian Federation, 244 Molodogvardeiskaya street, 443100, SamaraReferences
- Denton T. Automotive electronics. Moscow: NT Press; 2008. (in Russ).
- Yutt VE. Vehicle electrical equipment. Moscow: Goryachaya Liniya – Telekom; 2006. (in Russ).
- Yutt VE, Sergeev AG. Diagnosis of electrical equipment of cars. Moscow: Transport; 1987. (in Russ).
- Timofeev YuL, Ilyin NM, Timofeev GV. Electrical equipment of cars: elimination and prevention of malfunctions. Moscow: Transport; 1994. (in Russ).
- Nabokikh VA. Diagnostics of electrical equipment of cars and tractors: a tutorial. Moscow: FORUM; NITs INFRA-M; 2013. (in Russ).
- Smirnov YuA. Electronic and microprocessor control systems for vehicles. Moscow: Lan’; 2021. (in Russ).
- Kopylov IP. Mathematical modeling of electrical machines. Moscow: Vysshaya shkola; 2001.
- Balagurov VA. Design of special AC electrical machines. Moscow: Vysshaya shkola; 1982. (in Russ).
Supplementary files












