Influence of switching sequences on the neutral point voltage balance in a three-level voltage source invertor
- 作者: Shishkov A.N.1, Dudkin M.M.2, Le V.1
-
隶属关系:
- Moscow Polytechnic University
- South Ural State University (National Research University)
- 期: 卷 17, 编号 2 (2023)
- 页面: 195-206
- 栏目: Electrotechnical facilities and systems
- URL: https://journals.eco-vector.com/2074-0530/article/view/125204
- DOI: https://doi.org/10.17816/2074-0530-125204
- ID: 125204
如何引用文章
详细
BACKGROUND: Ensuring the voltage balance of the neutral point of the DC link within acceptable limits is one of the mandatory requirements during the operation of a three-level autonomous neutral point clamped voltage source inverter. It is known that neutral point voltage imbalance can adversely affect the operation of the inverter and the load at all, lead to the failure of both power switches and capacitors in the DC link. Neutral point voltage imbalance mostly often occurs due to the asymmetry of the nominal values of DC capacitors, inconsistent properties of switching devices, asymmetric three-phase load, and also due to the imperfection of the converter control algorithm.
AIMS: Selection of the optimal switching sequence that ensures the smallest deviation of the neutral point voltage and the number of switching of power switches in a three-level voltage source inverter.
METHODS: For an objective comparison of the considered switching sequences and their influence on the neutral point voltage balance, a simulation model of a three-level neutral point clamped voltage source inverter was developed in the MATLAB/Simulink software. To control this inverter, a space vector modulation method was used with three different switching sequences: five-segment, seven-segment and standard.
RESULTS: The topology of a three-level neutral point clamped voltage source inverter is presented. The experimental dependencies of the neutral point voltage deviation error was taken with a change in the modulation coefficient, the frequency of the fundamental harmonic at the inverter output, and load characteristics for three different switching sequences.
CONCLUSIONS: In this paper, the influence of the basic vectors and the influence of switching sequences on the neutral point voltage balance are studied. Combinations of states of large and zero basic vectors do not affect the neutral point voltage. For the medium basic vectors, the neutral point voltage can increase or decrease depending on the operating conditions of the inverter. The small basic vectors significantly affect the neutral point voltage. Considering the abovementioned, the seven-segment sequence that ensures both the optimal balance of the neutral point voltage and the level of switching losses should be considered as the best switching sequence for a three-level inverter.
全文:
Введение
В последние годы многоуровневые инверторы напряжения находят все большее и большее применение в системах высоковольтных электроприводов переменного тока [1–4]. На рынке встречаются различные типы инверторов с разными уровнями напряжения и мощности, которые подразделяются на три основные топологии [5]: многоуровневые инверторы с фиксированной нейтральной точкой, многоуровневые инверторы с плавающими конденсаторами, каскадные многоуровневые инверторы. Среди них трёхуровневый автономный инвертор напряжения с фиксированной нейтральной точкой (3У АИН с ФНТ) получил наибольшее распространение благодаря своим достоинствам [6]: 1) требования к конденсаторам сведены к минимуму, поскольку все фазы используют общий источник постоянного тока; 2) возможность предварительной зарядки всех конденсаторов в группе; 3) высокий КПД. По сравнению с традиционным двухуровневым инвертором 3У АИН с ФНТ улучшает гармонический состав выходного напряжения и тока, что приводит к снижению массогабаритных показателей выходных фильтров. Кроме того, напряжение на силовых полупроводниковых ключах снижено вдвое, что увеличивает срок их службы.
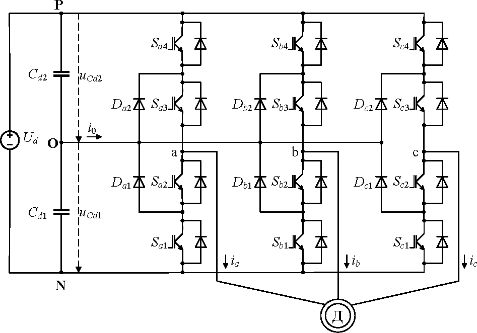
Рис. 1. Силовая схема электропривода на базе 3У АИН с ФНТ.
Fig. 1. Power circuit of the electric drive based on a three-level autonomous neutral point clamped voltage source inverter.
На рис. 1 приведена топология 3У АИН с ФНТ в простой схеме электропривода. Трёхуровневый автономный инвертор состоит из 12 IGBT-транзисторов со встречно включёнными диодами (Sa1…Sa4, Sb1…Sb4, Sc1…Sc4) и 6 дополнительных фиксирующих диодов (Da1, Da2, Db1, Db2, Dc1, Dc2). В звене постоянного тока подключены два одинаковых конденсатора Cd1 и Cd2, обеспечивающих разделение напряжения источника питания Ud на три промежуточных уровня относительно О нейтральной точки (НТ): -Ud/2, 0, Ud/2 [7]. Однако распределение напряжения между конденсаторами на стороне постоянного тока происходит неравномерно, вызывая дисбаланс напряжения НТ. Этот важный недостаток может привести к преждевременному выходу из строя коммутационных приборов, а значение THD выходного напряжения и тока инвертора увеличивается по мере того, как преобладают низкие гармоники [8]. Дисбаланс напряжения НТ чаще всего происходит по следующим причинам [9]: несимметрия номинальных величин конденсаторов постоянного тока из-за производственных допусков, несогласованные свойства коммутационных силовых приборов, несимметричная трёхфазная нагрузка, а также из-за несовершенства алгоритма управления 3У АИН, например, из-за последовательностей переключения базовых векторов в пространственно-векторной ШИМ. Поэтому в статье производится анализ влияния базовых векторов напряжений и различных последовательностей переключения силовых ключей с целью выбора оптимальной последовательности, обеспечивающей наименьшее отклонение напряжения НТ и число переключений силовых ключей в схеме 3У АИН с ФНТ.
Влияние базовых векторов на баланс напряжения НТ
В настоящее время для управления 3У АИН с ФНТ наибольшее применение получил метод пространственно-векторной ШИМ [7–9]. Как известно, в трёхуровневом АИН выходные шины при помощи силовых ключей могут быть соединены с одной из трёх точек источника пинания P, O, N (рис. 1). Поэтому 3У АИН с ФНТ имеет 27 различных комбинаций переключений силовых ключей [10]. В табл. 1 совокупность 27 данных комбинаций соответствует 19 пространственным базовым векторам, которые включают в себя 6 больших, 6 средних, 6 малых векторов и 1 нулевой. Малый вектор формируется из одной из 12 комбинаций, включая 6 комбинаций P-типа (без состояний N) и 6 комбинаций N-типа (без состояний P).
Таблица 1. Базовые векторы напряжения 3У АИН с ФНТ
Table 1. Basic voltage vectors of a three-level autonomous neutral point clamped voltage source inverter
Базовый вектор | Обозначение и комбинация состояний | |||||
Большой | ŪБ1 | ŪБ2 | ŪБ3 | ŪБ4 | ŪБ5 | ŪБ6 |
[PNN] | [PPN] | [NPN] | [NPP] | [NNP] | [PNP] | |
Средний | Ū С1 | Ū С2 | ŪС3 | ŪС4 | ŪС5 | ŪС6 |
[PON] | [OPN] | [NPO] | [NOP] | [ONP] | [PNO] | |
Малый | ŪМ1 | ŪМ2 | ŪМ3 | ŪМ4 | ŪМ5 | ŪМ6 |
[POO] [ONN] | [PPO] [OON] | [OPO] [NON] | [OPP] [NOO] | [OOP] [NNO] | [POP] [ONO] | |
Нулевой | Ū0 | |||||
[PPP], [OOO], [NNN] | ||||||
Влияние базовых векторов на баланс напряжения НТ оценивается на основе направления и величины тока НТ i0 и напряжения НТ u0·(u0 = uCd1) в двух режимах работы: двигательном и генераторном. За положительное направление тока i0 принимается направление от клеммы О звена постоянного тока к стороне нагрузки (рис. 2). Если значение тока i0 ˃ 0, то конденсатор Cd1 разряжается, а Cd2 заряжается, т. е. напряжение НТ u0 уменьшается. И наоборот, если i0 ˂ 0, то конденсатор Cd1 заряжается, а разряжается, т. е. напряжение НТ u0 увеличивается. Величина напряжения заряда и разряда конденсаторов составляет с Cd1= Cd2 = C. В обоих этих случаях возникает дисбаланс напряжения НТ.
Рис. 2. Действие тока НТ на напряжение звена постоянного тока.
Fig. 2. Influence of neutral point current on voltage of a DC link.
Упрощённые схемы подключения различных базовых векторов напряжений для описания работы обмена электроэнергией в 3У АИН с ФНТ приведены на рис. 3–5. В случае больших базовых векторов (например, комбинация [PNN]) выводы нагрузки подключаются только к положительным и отрицательным клеммам (P и N) источника питания, а нейтральная точка О не имеет соединения с нагрузкой (рис. 3 а). Следовательно, ток i0 не возникает, а значения напряжений uCd1, uCd2 стабилизируются. Это означает, что на напряжение НТ не влияют коммутации состояний больших базовых векторов.
При работе инвертора с нулевыми базовыми векторами (комбинации [PPP], [OOO], [NNN]) все три вывода нагрузки подключаются только к одной из трёх клемм P, или O, или N звена постоянного тока, как показано на рис. 3 b для комбинации [OOO]. Обмена электроэнергией также не происходит. Следовательно, как и в случае больших базовых векторов, нулевые базовые вектора не оказывают влияние на баланс напряжения НТ.
Рис. 3. Влияние большого и нулевого базовых векторов на баланс напряжения НТ.
Fig. 3. Influence of large and zero basic vectors on the neutral point voltage balance.
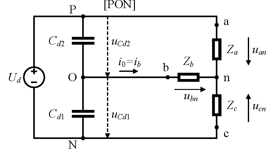
Учитывая средний базовый вектор, например, с комбинацией [PON], изображенной на рис. 4, видим, что три выхода нагрузки одновременно подключаются к клеммам P, O и N звена постоянного тока. Применяя 1-й и 2-й законы Кирхгофа, например, при работе электродвигателя в двигательном режиме, с учётом принятых обозначений на рис. 4, запишем систему уравнений для фазных напряжений и токов нагрузки:
. (1)
Здесь uan, ubn, ucn, — фазные напряжения на нагрузке; ia, ib, ic, — фазные токи нагрузки.
Рис. 4. Влияние среднего базового вектора на баланс напряжения НТ.
Fig. 4. Influence of medium basic vectors on the neutral point voltage balance.
В случае симметричной нагрузки () из системы (1) можно вывести формулу для расчёта тока НТ:
. (2)
Если напряжение между двумя конденсаторами разбалансированно, т. е. uCd1 ≠ uCd2, то это вызывает ток в нейтральной точке i0, знак которого зависит от отклонения напряжений двух конденсаторов. Следовательно, напряжение u0 может повышаться или понижаться в зависимости от условий работы инвертора. Однако на практике эксплуатации инвертора необходимо сбалансировать напряжение НТ, что обычно приводит к очень небольшим отклонениям напряжения ∆uC = uCd1 - uCd2. Тогда влияние среднего базового вектора на напряжение НТ незначительно. Аналогичные результаты получаются для генераторного режима.
На рис. 5 приведены упрощённые схемы инвертора при использовании малого базового вектора ŪМ1 с комбинацией состояний P-типа и N-типа для двигательного и генераторного режимов работы. В первую очередь необходимо рассмотреть работу инвертора в двигательном режиме. Для комбинаций состояния Р-типа один или два вывода нагрузки подключаются к клемме Р источника питания, а остальные выводы – к клемме O (рис. 5 а). В результате ток НТ i0 течёт в клемму O (i0 ˂ 0), вызывая повышение напряжения uCd1 и снижение напряжения uCd2. На примере комбинации [POO] получено значение тока .
Рис. 5. Влияние малых базовых векторов на баланс напряжения НТ.
Fig. 5. Influence of small basic vectors on the neutral point voltage balance.
Напротив, для комбинаций состояния N-типа один или два вывода нагрузки подключаются к клемме N источника питания, а остальные выводы — к клемме О. В результате ток НТ i0 вытекает из клеммы O (i0 ˃ 0), вызывая снижение напряжения uCd1 и повышение напряжения uCd2. На примере комбинации [ONN] получено значение тока . По аналогии, в генераторном режиме влияние комбинаций состояний P-типа и N-типа противоположно тому, что в двигательном режиме.
Влияние последовательностей переключений базовых векторов на баланс напряжения НТ
Как уже отмечалось, для управления 3У АИН с ФНТ используется метод пространственно-векторной ШИМ (ПВШИМ), при котором формирование заданного пространственного вектора основано на принципе «вольт-секундного баланса». Это значит, что за период квантования Тшим пространственный вектор синтезируется из трёх ближайших базовых векторов [11]. На примере сегмента 2 (рис. 6) пространственный вектор напряжения может быть представлен в виде следующей системы уравнений
, (3)
где t1, t2, t3 — время включения ближайших базовых векторов во втором сегменте соответственно.
Рис. 6. Векторная диаграмма сектора 1 для 3У АИН с ФНТ.
Fig. 6. Vector diagram of the sector 1 for a three-level autonomous neutral point clamped voltage source inverter.
На сегодняшний день формирование пространственного вектора напряжения в ПВШИМ осуществляется с использованием трёх наиболее распространённых последовательностей переключений базовых векторов: пятиступенчатой, семиступенчатой и стандартной [12–14]. Данные три варианта отражают разные распределения длительностей включения комбинаций состояний P-типа и N-типа малых базовых векторов.
В [12] предложена пятиступенчатая последовательность переключения (рис. 7), в которой только один из двух типов (P или N) комбинаций состояний малых базовых векторов используется в периоде квантования. Например, для данной последовательности в секторе 1 (рис. 6) и сегментах 1, 3 используется только комбинация состояний N-типа малых базовых векторов; а в сегментах 2 и 4 – только P-типа (рис. 7). Следовательно, в пятиступенчатой последовательности дисбаланс напряжения НТ будет проявляться наиболее явно, а количество переключений базовых векторов за один период квантования будет наименьшим и равным 4.
Рис. 7. Пятиступенчатая последовательность переключения для сектора 1.
Fig. 7. The five-segment switching sequence for the sector 1.
На рис. 8 приведена семиступенчатая последовательность переключения, подробно рассмотренная в работе [13]. Здесь в сегментах 2 и 4 используется равномерное распределение между комбинациями состояний P-типа и N-типа малый базовый вектор, а в сегментах 1 и 3 равномерное распределение комбинаций состояний P-типа и N-типа обеспечивается только для векторов с большей длительностью включения в течение одного периода квантования. Подобный вектор называется доминирующим малым базовым вектором. Так, например, если пространственный вектор напряжения попадает в область «а» 1-го или 3-го сегментов (рис. 6), то в качестве доминирующего малого базового вектора выбирается вектор ŪМ1, а в области b — вектор ŪМ2. По сравнению с пятиступенчатой последовательностью переключения данный вариант позволяет улучшить баланс напряжения НТ, но увеличивает количество переключений базовых векторов с 4 до 6.
В последовательности переключения, предложенной в работе [14], осуществляется равномерное распределение комбинаций состояний P-типа и N-типа всех малых базовых векторов (рис. 9). Данный вариант последовательности получил наиболее широкое применение при управлении трёхуровневыми инверторами и считается стандартной последовательностью. В ней используются все избыточные комбинации состояний малых и нулевого базовых векторов, что приводит к увеличению коммутационных потерь. Так, например, в 1 сегменте количество переключений базовых векторов достигает 12, что в два раза выше, чем для семиступенчатой последовательности, и в 3 раза — чем для пятиступенчатой.
Рис. 8. Семиступенчатая последовательность переключения для сектора 1.
Fig. 8. The seven-segment switching sequence for the sector 1.
Рис. 9. Стандартная последовательность переключения для сектора 1.
Fig. 9. The standard switching sequence for the sector 1.
Принимая во внимание анализ, проведённый в предыдущем разделе, можно показать, что по сравнению с пятиступенчатой и семиступенчатой последовательностями, стандартная последовательность обеспечивает наилучший баланс напряжения НТ за счёт равномерного распределения комбинаций состояний P- и N-типов малых базовых векторов в любом из сегментов.
Практическая часть и результаты моделирования
Для объективного сравнения рассмотренных последовательностей переключения базовых векторов и их влияния на баланс напряжения НТ в программе Matlab & Simulink была разработана компьютерная модель 3У АИН с ФНТ. В модели для питания инвертора использовался источник постоянного напряжения 400 В с малым внутренним сопротивлением. Все исследования проводились при активно-индуктивном характере нагрузки с активным сопротивлением 40 Ом и с возможностью изменения cosφ нагрузки в диапазоне от 0,5 по 1,0. Частота ШИМ пространственного вектора напряжения была принята равной 2 кГц.
На рис. 10 приведены временные диаграммы тока НТ i0 и напряжений конденсаторов звена постоянного тока uCd1 и uCd2 за один период выходного напряжения инвертора при коэффициенте модуляции μ=0,8, частоте первой гармоники на выходе АИН ƒ(1) = 50 Гц и cosφ нагрузки 0,8. Из диаграмм видно, что при i0 ˃ 0 напряжение uCd1 уменьшается, а uCd2 увеличивается, и наоборот, при i0 ˂ 0 напряжение uCd1 увеличивается, а uCd2 уменьшается. Это объясняется разрядкой зарядкой конденсаторов (см. рис. 2).
Рис. 10. Временные диаграммы тока i0 и напряжений uCd1, uCd2 при коэффициенте модуляции μ=0,8; f(1)=50 Гц; cosφ=0,8 для пятиступенчатой (а), семиступенчатой (b) и стандартной (c) последовательностей переключений.
Fig. 10. Time-domain diagrams of current i0 and voltages uCd1, uCd2 at the modulation coefficient μ = 0.8; f(1) = 50 Hz; cos φ = 0.8 for the five-segment (a), the seven-segment (b) and the standard (c) switching sequences.
Для пятиступенчатой последовательности (рис. 10 а) отрицательная и положительная части тока i0 несимметричны относительно горизонтальной оси и чётко разделены во временной области, что приводит к увеличению интервалов времени с непрерывным разрядом или зарядом каждого из конденсаторов. В результате этого происходит наиболее резкий дисбаланс напряжения НТ.
Для семиступенчатой и стандартной последовательностей переключений (рис. 10 b, c) отрицательная и положительная части тока i0 почти симметричны относительно горизонтальной оси и чередуются в течение очень короткого промежутка времени. В результате этого конденсаторы попеременно разряжаются и заряжаются быстро, частично компенсируя друг друга, что позволяет поддерживать баланс напряжения НТ. Это объясняется тем, что в данных последовательностях переключений применяются комбинации состояний как P-, так и N-типов малых базовых векторов.
Рис. 11. Зависимость δuC.max от коэффициента μ при f(1)=50Гц, cosφ=0,8 для пятиступенчатой (1), семиступенчатой (2) и стандартной (3) последовательностей переключений.
Fig. 11. Dependence of δuC.max on the coefficient μ at f(1) = 50 Hz, cos φ = 0.8 for the five-segment (1), the seven-segment (2) and the standard (3) switching sequences.
На рис. 11–13 представлены зависимости относительной ошибки максимального отклонения напряжения НТ δuC.max от коэффициента модуляции μ, частоты основной гармоники на выходе инвертора и cosφ нагрузки для различных последовательностей переключений базовых векторов. Здесь относительная ошибка максимального отклонения δuC.max от заданного значения на конденсаторе 0.5Ud рассчитывалось по формуле:
, (4)
где Ud — напряжение источника питания на входе инвертора напряжения.
Рис. 12. Зависимость δuC.max от частоты f(1) при μ=0,8, cosφ=0,8 для пятиступенчатой (1), семиступенчатой (2) и стандартной (3) последовательностей переключений.
Fig. 12. Dependence of δuC.max on the frequency f(1) at μ = 0.8, cos φ = 0.8 for the five-segment (1), the seven-segment (2) and the standard (3) switching sequences.
Рис. 13. Зависимость δuC.max от cosφ при μ=0,8, f(1)=50 Гц для пятиступенчатой (1), семиступенчатой (2) и стандартной (3) последовательностей переключений.
Fig. 13. Dependence of δuC.max on cos φ at μ = 0.8, f(1) = 50 Hz for the five-segment (1), the seven-segment (2) and the standard (3) switching sequences.
Анализ зависимостей δuC.max, приведенных на рис. 11–13, позволяет сделать следующие выводы.
- При изменении коэффициента модуляции максимальное значение относительной ошибки по отклонению δuC.max для пятиступенчатой последовательности достигло максимального значения 0,1, для семиступенчатой — 0,078, а для стандартной — 0,076. Это однозначно указывает на то, что оптимальный баланс напряжения НТ достигается в семиступенчатой и стандартной последовательностях переключения, а наихудший — в пятиступенчатой.
- При изменении коэффициента модуляции в диапазоне от 0 до 0,5 в стандартной последовательности переключений относительная ошибка δuC.max близка к нулю, что достигается за счёт равномерного распределения комбинаций состояний P- и N-типов малых базовых векторов при работе инвертора в любом из сегментов. Для семиступенчатой последовательности ошибка δuC.max достигает значения 0,025 при μ = 0,5. Это объясняется тем, что здесь равномерное распределение комбинаций состояний P-типа и N-типа обеспечивается только для векторов с большей длительностью включения (доминантные вектора) в течение периода квантования. Для пятиступенчатой последовательности эта же ошибка составляет 0,06 при μ = 0,5; т. к. здесь в любом из сегментов используется только одна комбинация состояний N-типа или P-типа малых базовых векторов на каждом периоде квантования.
- При изменении коэффициента модуляции в диапазоне от 0,5 до 1,0 в стандартной последовательности переключений относительная ошибка δuC.max достигает значения 0,076 при μ=1,0, что объясняется использованием средних базовых векторов при формировании пространственного вектора напряжения во 2, 3 и 4 сегментах (см. рис. 6).
- При уменьшении частоты основной гармоники f(1) на выходе инвертора относительная ошибка δuC.max резко увеличивается для всех последовательностей переключения, что объясняется увеличением времени работы в любом из сегментов, когда наблюдается эффект накапливания ошибки звена постоянного тока из-за дисбаланса напряжения НТ.
- При увеличении cosφ нагрузки относительная ошибка δuC.max уменьшается для всех последовательностей переключения. При чисто активной нагрузке уровень ошибка δuC.max резко уменьшается, что объясняется снижением реактивного тока, замыкающего через обратные и фиксирующие диоды инвертора и, как следствие, приводящего к меньшей загрузке конденсаторов звена постоянного тока.
Заключение
Дисбаланс напряжения НТ может неблагоприятно повлиять на работу инвертора и нагрузки, привести к выводу из строя, как силовых ключей, так и конденсаторов в звене постоянного тока. Поэтому выяснение причин дисбаланса, связанного с коммутацией силовых ключей, является основой для выбора наиболее оптимальной последовательности переключения базовых векторов в системе управления 3У АИН с ФНТ.
В данной работе проанализировано влияние базовых векторов и последовательностей переключения силовых ключей на баланс напряжения НТ и сделаны следующие выводы.
- Комбинации состояний больших и нулевых базовых векторов не влияют на напряжение НТ.
- Для средних базовых векторов напряжение НТ может повышаться или понижаться в зависимости от условий работы инвертора.
- Малые базовые векторы значительно влияют на напряжение НТ. В двигательном режиме комбинации P-типа повышают напряжение uCd1 и снижают напряжение uCd2, а комбинации N-типа действуют в противоположном направлении. В генераторном режиме влияние комбинаций состояний P-типа и N-типа противоположно двигательному режиму.
- Стандартная последовательность переключения базовых векторов, получившая наибольшее применение для управления трёхуровневых инверторов, обеспечивает оптимальный баланс напряжения НТ, но приводит к росту коммутационных потерь в силовых ключах за счёт использования большего количества переключения базовых векторов на каждом периоде ШИМ.
- Семиступенчатая последовательность позволяет не только уменьшить коммутационные потери, но и обеспечить приемлемый баланс напряжения нейтрали за счёт распределения длительностей комбинаций включений состояний P-типа и N-типа доминирующего малого базового вектора.
- Пятиступенчатая последовательность переключения обеспечивает минимальные коммутационные потери, но вызывает наибольший дисбаланс напряжения НТ.
- С учётом всего вышесказанного наилучшей последовательностью переключения для трёхуровневого инвертора следует считать семиступенчатую последовательность, обеспечивающую как оптимальный баланс напряжения НТ, так и уровень коммутационных потерь в силовых ключах.
ДОПОЛНИТЕЛЬНО
Вклад авторов. А.Н. Шишков ― написание текста рукописи, экспертная оценка, утверждение финальной версии; М.М. Дудкин ― редактирование текста рукописи, моделирование; В.К. Ле ― поиск публикаций по теме статьи, создание изображений, моделирование. Авторы подтверждают соответствие своего авторства международным критериям ICMJE (все авторы внесли существенный вклад в разработку концепции, проведение исследования и подготовку статьи, прочли и одобрили финальную версию перед публикацией).
Конфликт интересов. Авторы декларируют отсутствие явных и потенциальных конфликтов интересов, связанных с публикацией настоящей статьи.
Источник финансирования. Авторы заявляют об отсутствии внешнего финансирования при проведении исследования.
ADDITIONAL INFORMATION
Authors’ contribution. A.N. Shishkov ― writing the text of the manuscript, expert opinion, approval of the final version; M.M. Dudkin ― editing the text of the manuscript, modeling; V.K. Le ― search for publications on the topic of the article, creating images, modeling . Authors confirm that their authorship complies with the international ICMJE criteria (all authors made a significant contribution to the development of the concept, research and preparation of the article, read and approved the final version before publication).
Competing interests. The authors declare that they have no competing interests.
Funding source. This study was not supported by any external sources of funding.
作者简介
Alexander Shishkov
Moscow Polytechnic University
Email: shan1982@mail.ru
ORCID iD: 0000-0001-9851-8745
SPIN 代码: 5099-9286
Scopus 作者 ID: 43861781400
Researcher ID: A-4517-2014
Cand. Sci. (Tech.), Head of the Electrical Equipment and Industrial Electronics Department
俄罗斯联邦, 38 Bolshaya Semenovskaya street, 107023 MoscowMaxim Dudkin
South Ural State University (National Research University)
Email: dudkinmax@mail.ru
ORCID iD: 0000-0003-4876-8775
SPIN 代码: 5703-3117
Scopus 作者 ID: 55755728100
Dr. Sci. (Tech.), Professor of the Electric Drives, Mechatronics and Electromechanics Department
俄罗斯联邦, 76, V.I. Lenin Ave., Ural Federal District, 454080 ChelyabinskVan Kan Le
Moscow Polytechnic University
编辑信件的主要联系方式.
Email: canhlv.mta@gmail.ru
ORCID iD: 0009-0007-5183-6077
Postgraduate of the Electrical Equipment and Industrial Electronics Department
俄罗斯联邦, 38 Bolshaya Semenovskaya street, 107023 Moscow参考
- Gorozhankin AN, Dudkin MM. Algorithms and Control Systems for Electric Drives of Cold Pipe-Rolling Mills. Russian Electrical Engineering. 2020;91(7):440–446. doi: 10.3103/s1068371220070068
- Dudkin MM. Energy-saving technologies in test benches using single-phase reversible converters. Vestnik YuUrGU. Seriya «Energetika». 2013;13(1):5–18. (in Russ.)
- Khramshim RR, Khramshin TR, Khramshina EA, et al. Multilevel high-voltage frequency converter for electric drive. Izvestiya Tulskogo gosudarstvennogo universiteta. Tekhnicheskie nauki. 2010:191-196. (in Russ.)
- Donskoy N, Ivanov A, Matison V, et al. Multilevel autonomous inverters for electric drive and electric power industry. Silovaya Elektronika. 2008;1:43-46. (in Russ.)
- Makarov VG, Khaybrakhmanov RN. Multilevel voltage inverters. Topology overview and application. Vestnik tekhnologicheskogo universiteta. 2016;19(22):134-138. (in Russ.)
- Lazarev SA. Application of voltage inverters in high-voltage electric drive. Ekspozitsiya Neft Gaz. 2013:31-35. (in Russ.)
- Peddapelli SK. Pulse Width Modulation: Analysis and Performance in multilevel inverter. Oldenbourg: De Gruyter Oldenbourg; 2017.
- Holmes GD, Lipo TA. Pulse Width Modulation for Power Converters: Principles and Practice. New York: Wiley-IEEE Press; 2003.
- Choi U-M, Lee K-B. Neutral-Point Voltage Balancing Method for Three-Level Inverter Systems with a Time-Offset Estimation Scheme. Journal of Power Electronics. 2013;13(2):243–249. doi: 10.6113/JPE.2013.13.2.243
- Abulveleev IR, Khramshin TR, Kornilov GP, et al. Principles of constructing vector pulse-width modulation for a three-level inverter. Elektrotekhnicheskie sistemy i kompleksy. 2016;4(33):72-77. (in Russ.)
- Busquets-Monge S, Bordonau J, Boroyevich D, et al. The nearest three virtual space vector PWM - a modulation for the comprehensive neutral-point balancing in the three-level NPC inverter. IEEE Power Electronics Letters. 2004. Vol. 2, N 1. doi: 10.1109/LPEL.2004.828445
- Gelman MV, Dudkin MM. Valve converters of direct and alternating current. Chelyabinsk: Izd. tsentr Yuzhno-Uralskogo gosudarstvennogo universiteta; 2013. (in Russ.)
- Lewicki A, Krzeminski Z, Abu-Rub H. Space-Vector Pulse width Modulation for Three-Level NPC Converter With the Neutral Point Voltage Control. IEEE Transactions on Industrial Electronics. 2011;58(11):5076-5086. doi: 10.1109/TIE.2011.2119453
- Koyama M, Fujii T, Uchida R, et al. Space voltage vector-based new PWM method for large capacity three-level GTO inverter. In: Proceedings of the 1992 International Conference on Industrial Electronics, Control, Instrumentation, and Automation. San Diego: IEEE; 1992:271-276. doi: 10.1109/IECON.1992.254621.
补充文件















