Definition of parameters of loading modes of the test bench for tractor cabin’s vibration isolators
- Authors: Gozhaev Z.A.1, Shekhovtsov V.V.2, Potapov P.V.2, Iskaliev A.I.2, Yarkina M.S.2, Evseeva A.V.2
-
Affiliations:
- Federal Scientific Agroengineering Center VIM
- Volgograd State Technical University
- Issue: Vol 17, No 3 (2023)
- Pages: 241-249
- Section: Transport and transport-technological facilities
- URL: https://journals.eco-vector.com/2074-0530/article/view/311413
- DOI: https://doi.org/10.17816/2074-0530-311413
- ID: 311413
Cite item
Abstract
BACKGROUND: During the operation, tractor cabin’s vibration isolators are under the simultaneous load vertical, longitudinal- and lateral-angular vibrations of the cabin. These vibrations have different amplitudes, frequencies and time-domain behavior. It is possible to simulate comprehensive operational loads on vibration isolators only with bench testing.
AIMS: Within this study, the trial to define parameters of loading modes for bench testing of tractor cabin’s vibrational isolators and to define corresponding parameters of drives of the bench loading devices was made.
METHODS: This paper presents explanation and the results of calculation of loading modes parameters for testing of tractor cabin’s vibration isolator at the bench capable of producing loads from vertical, longitudinal- and lateral-angular vibrations of a tractor cabin simultaneously, as well as the results of calculation of corresponding parameters of drives of this bench. The procedure of preparation for testing was developed. This procedure includes estimation of values of operational loads amplitudes and frequencies, the range of change of necessary velocities and torques of electric drives of the bench loading devices and identification of adequate drives with required properties, determination of behavior of force and kinematic excitation reproduced by the test bench. Exemplary calculation of parameters of vertical loading at the considered bench was performed for the AKSS-400M rubber-metal vibration isolator used in cabin suspension of the K-708.4 wheeled tractor. A number of assumptions were made in the calculation. Nominal values of velocity and torque of the electric motor drive of the vertical loading device of the bench were obtained as the results. Thus, the electric motor with the reduction gear made by TRANSTECNO was selected. Characteristics of force and kinematic excitations reproduced by the bench using electric motor frequency control were built.
RESULTS: Analysis of graphs helped to define acceptable range of frequencies reproduced by the bench for operational loads in vertical direction limited by abilities of the selected electric drive.
CONCLUSIONS: The results of calculation of electric drive parameters can be used in design of the considered bench for testing of tractor cabin’s vibration isolators, particularly in the development of loading devices (cam eccentrics, pushers, return springs).
Keywords
Full Text
ВВЕДЕНИЕ
В эксплуатации виброизоляторы кабины трактора одновременно испытывают нагрузки от вертикальных, продольно- и поперечно-угловых колебаний кабины, которые отличаются амплитудами, частотами и характером изменения во времени [3, 4, 7]. Сымитировать сложное эксплуатационное нагружение виброизолятора можно в стендовых испытаниях.
Испытания виброизоляторов на стендах должны отличаться высокой стабильностью характеристик задаваемых и поддерживаемых нагружающих факторов, точностью регулирования, измерения и регистрации их параметров. Предложенное авторами техническое решение стенда [3] позволяет выполнять испытания виброизолятора кабины трактора, имитируя эксплуатационные режимы его нагружения.
ЦЕЛЬ
Определение расчётным путём параметров нагрузочных режимов стендовых испытаний виброизоляторов кабины трактора, а также соответствующих параметров приводов нагружателей стенда.
МЕТОДЫ
Разработанный на кафедре «Техническая эксплуатация и ремонт автомобилей» ВолгГТУ стенд для испытаний виброизоляторов кабины транспортного средства (рис. 1) [3, 7] обеспечивает:
- возможность одновременного воспроизведения на испытуемом виброизоляторе нагрузок эксплуатационного характера от вертикальных, продольно- и поперечно-угловых колебаний кабины трактора;
- возможность регулирования частот нагружающих воздействий в соответствии с эксплуатационным спектром нагрузок;
- возможность реализации законов нагружения с различными амплитудами и характером изменения во времени.
Рис. 1. Стенд для испытаний виброизоляторов кабины транспортного средства: 1 — электрические приводы нагружателей стенда; 2 — нагрузочная платформа; 3 — испытуемый виброизолятор; 4 — крышка; 5 — стойки; 6 — платформа.
Fig. 1. The bench for testing of a vehicle cabin’s vibration isolator: 1 — electric drives of bench loaders; 2 — a loading platform; 3 — a tested vibration isolator; 4 — a cap; 5 — gas lifts; 6 — a platform.
На этапе подготовки к испытаниям необходимо:
- определить значения амплитуд и частот эксплуатационных возмущений, действующих на виброизоляторы кабины трактора в вертикальном, продольно-осевом и поперечно-осевом направлениях и определяющих в основном эксплуатационную нагруженность виброизоляторов;
- определить диапазон изменения необходимых частот вращения и крутящих моментов на валах электрических приводов нагружателей стенда;
- осуществить подбор электрических приводов с необходимыми характеристиками;
- определить характер воспроизводимых стендом в вертикальном, продольно-осевом и поперечно-осевом направлениях силовых и кинематических возмущений.
В данной статье в качестве примера представлены результаты определения параметров нагрузочных режимов для воздействия на испытуемый виброизолятор в вертикальном направлении.
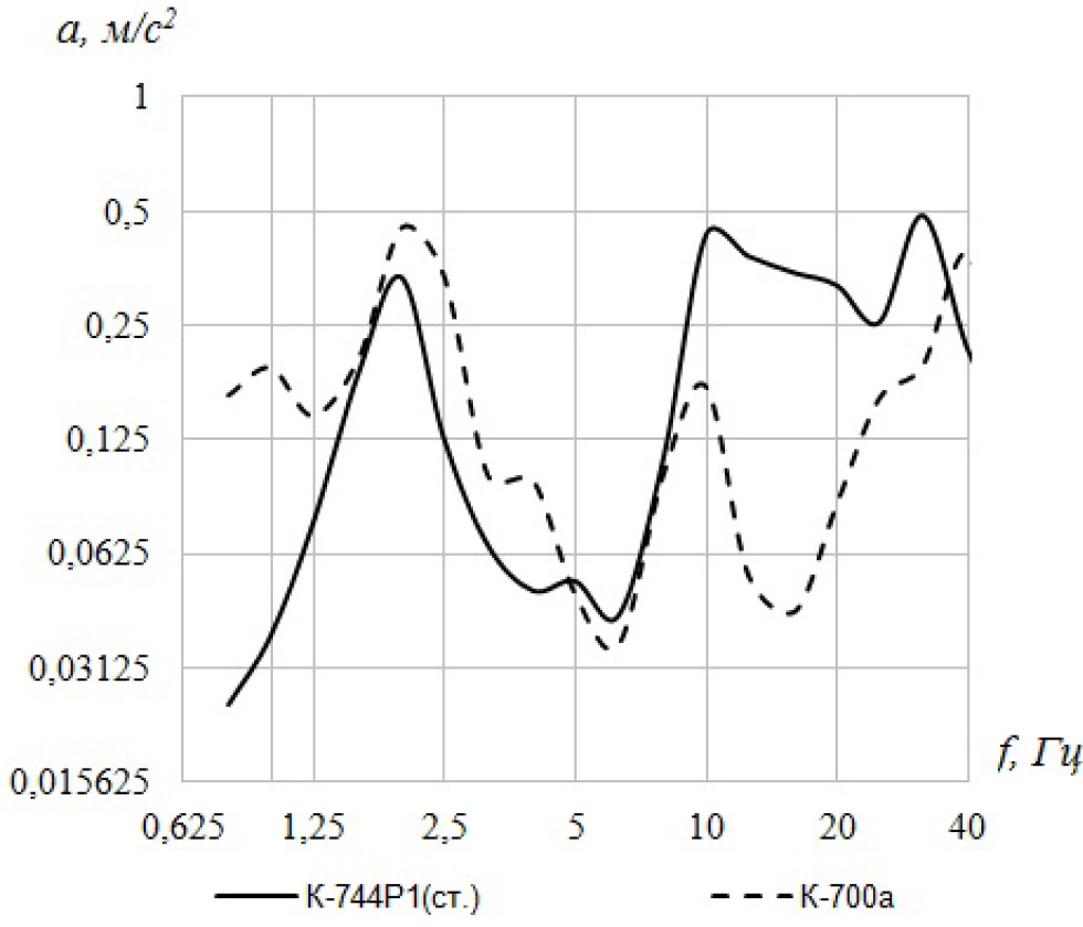
На рис. 2 представлены экспериментальные частотные спектры вертикальных ускорений кабин колёсных тракторов К-744Р1 (ст.) и К-700а [1], полученные в режиме движения по полю, подготовленному под посев зерновых культур, поперек борозд с помощью вибро- и шумоизмерительного комплекса «Ассистент».
Рис. 2. Экспериментальные частотные спектры вертикальных ускорений кабин колёсных тракторов К-744Р1 (ст.) и К-700а.
Fig. 2. Experimental frequency spectra of vertical accelerations of cabins of the K-744R1 (st.) and the K-700a wheeled tractors.
В спектрах (рис. 2) выделяются третьоктавные полосы со среднегеометрическими частотами 2 и 10 Гц и с пиковыми значениями ускорений в диапазоне 0,173–0,455 м/c2. Другие полосы с пиковыми значениями в данном случае не рассматривались, так как их показатели выходят за диапазон частот колебаний, влияющих на плавность хода (более 25 Гц). Кроме того, согласно результатам исследований, представленным в работе [4], основная часть энергии вертикальных колебаний кабины приходится на частотный диапазон возмущений от 1 Гц до 10 Гц (80–90% от всей энергии процесса). Максимальные амплитуды вертикальных колебаний кабин при этом имеют место в низкочастотной области. В последующих расчётах в качестве основной частоты возмущений примем 2 Гц.
В работе [2] приведён диапазон (0,003–0,006 м) экспериментально определённых амплитуд вертикальных перемещений в эксплуатации кабины колёсного трактора К-708.4, подрессоренной четырьмя резинометаллическими виброизоляторами АКСС-400М (рис. 3). В последующих расчётах будем использовать среднюю величину диапазона — 0,004 м.
Рис. 3. Резинометаллический виброизолятор АКСС-400М.
Fig. 3. The AKSS-400M Rubber-metal vibration isolator.
Необходимая номинальная частота вращения вала электрического привода стенда, об/мин, определяется по формуле (1):
, (1)
где — частота возмущений, Гц, реализуемых электрическим приводом стенда в вертикальном направлении.
Для определения значения крутящего момента на приводе рассмотрим расчётную схему самого электрического привода стенда (рис. 4).
Рис. 4. Расчётная схема электрического привода стенда: — крутящий момент электрического привода стенда; — максимальное вертикальное перемещение толкателя при взаимодействии с кулачковым эксцентриком; — усилие упругого сопротивления возвратных пружин жёсткостью (примем =4500000 H/м); — усилие воздействия на испытуемый виброизолятор; — усилие упругого сопротивления испытуемого виброизолятора жёсткостью .
Fig. 4. Analytical scheme of electric drive of the bench: — torque of the electric drive of the bench; — maximal vertical displacement of a push-rod in interaction with a cam eccentric; — elastic resistance force of return springs with the stiffness (assume that = 4500000 H/м); — force acting on the tested vibration isolator; — elastic resistance force of the tested vibration isolator with stiffness .
Принятые в расчёте допущения:
- модель плоская;
- инерция толкателя не учитывается;
- толкатель обладает достаточной жёсткостью для исключения учёта его продольного изгиба;
- величины жёсткостей возвратных пружин и испытуемого виброизолятора постоянны;
- жёсткости упругих элементов платформы (см. рис. 1, поз. 6), к которой крепится нижняя часть испытуемого виброизолятора, и стоек (см. рис. 1, поз. 5), расположенных между опорным основанием и нагрузочной платформой (см. рис. 1, поз. 2), не учитываются;
- рассматривается только вертикальная составляющая нагрузки на испытуемый виброизолятор.
Выражение, описывающее характеристику электрического привода стенда, имеет вид (2):
. (2)
На рис. 5 представлены кривые характеристик электрического привода стенда, полученные для испытаний различных виброизоляторов. Исходные данные для расчёта взяты из работ [2, 6].
Рис. 5. Характеристика электрического привода стенда для виброизоляторов: 1 — АКСС-400М; 2 — гидроопоры VL 03618704 фирмы Simrit; 3 — SCHWINGMETALL 48694.1-6 фирмы Continental ContiTech; 4 — 923-6700200 фирмы Freudenberg-Megulastik.
Fig. 5. Characteristic curves of the electric drive of the bench for vibration isolators: 1 — the AKSS-400М; 2 — the VL 03618704 hydraulic support produced by Simrit; 3 — the SCHWINGMETALL 48694.1-6 produced by Continental ContiTech; 4 — the 923-6700200 produced by Freudenberg-Megulastik.
Результаты расчёта частоты вращения и крутящего момента на валу электрического привода стенда для испытаний виброизолятора АКСС-400М приведены в табл. 1.
Таблица 1. Результаты расчёта параметров электропривода
Table 1. Results of calculation of electric drive’s parameters
, Гц | , м | , об/мин | , Н·м |
2 | 0,004 | 120 | 200 |
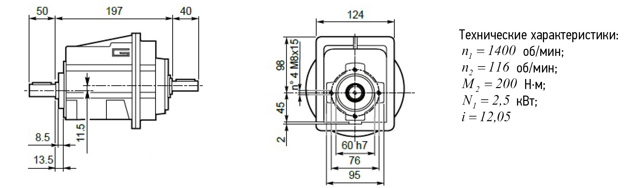
По этим результатам (см. табл. 1) выбран асинхронный электродвигатель в составе с редуктором CMGIS 022 (рис. 6) фирмы TRANSTECNO [5]. На рис. 7 представлена его характеристика.
Рис. 6. Редукторная часть CMGIS 022: — номинальная частота вращения вала электродвигателя; — номинальная частота вращения выходного вала редуктора; — номинальный крутящий момент на выходном валу редуктора; — номинальная мощность электродвигателя; — передаточное число редуктора.
Fig. 6. The CMGIS 022 reduction gear: — electric motor nominal velocity; — reduction gear nominal output velocity; — reduction gear nominal output torque; — electric motor nominal power; — reduction gear ratio.
Рис. 7. Характеристика асинхронного электродвигателя в составе с редуктором CMGIS 022.
Fig. 7. Characteristic curve of the asynchronous electric motor coupled with the CMGIS 022 reduction gear.
В дальнейшем будем учитывать только участок характеристики (рис. 7), отражающий область устойчивой работы электродвигателя.
РЕЗУЛЬТАТЫ
Расчёт характеристик силовых и кинематических возмущений, создаваемых стендом для испытаний виброизолятора АКСС-400М в вертикальном направлении, произведён с учётом расчётной схемы, представленной на рис. 4, и зависимостей (1) и (2).
Результаты расчёта отображены в табл. 2 и на рис. 8.
Таблица 2. Результаты расчёта характеристик возмущений
Table 2. The results of calculation of excitation characteristics
Напряжение питания асинхронного электродвигателя/частота напряжения | |||||||||
228 В/30 Гц | 304 В/40 Гц | ||||||||
, об/мин | , Н·м | , Гц | , кН | , м | , об/мин | , Н·м | , Гц | , кН | , м |
74,689 | 0 | 1,245 | 0 | 0 | 99,585 | 0 | 1,660 | 0 | 0 |
68,465 | 153,333 | 1,141 | 38,333 | 0,004 | 93,361 | 153,333 | 1,556 | 38,333 | 0,004 |
66,390 | 199,993 | 1,106 | 49,998 | 0,004 | 91,286 | 199,993 | 1,521 | 49,998 | 0,004 |
62,241 | 282,374 | 1,037 | 70,594 | 0,005 | 87,137 | 282,374 | 1,452 | 70,594 | 0,005 |
49,793 | 428,862 | 0,830 | 107,215 | 0,006 | 74,689 | 428,862 | 1,245 | 107,215 | 0,006 |
38,465 | 459,372 | 0,641 | 114,843 | 0,006 | 63,361 | 459,372 | 1,056 | 114,843 | 0,006 |
380 В/50 Гц | 380 В/60 Гц | ||||||||
, об/мин | , Н·м | , Гц | , кН | , м | , об/мин | , Н·м | , Гц | , кН | , м |
124,48 | 0 | 2,075 | 0 | 0 | 149,38 | 0 | 2,490 | 0 | 0 |
118,26 | 153,333 | 1,971 | 38,333 | 0,004 | 143,15 | 106,481 | 2,386 | 26,620 | 0,003 |
116,18 | 199,993 | 1,936 | 49,998 | 0,004 | 141,08 | 138,884 | 2,351 | 34,721 | 0,003 |
112,03 | 282,374 | 1,867 | 70,594 | 0,005 | 136,93 | 196,093 | 2,282 | 49,023 | 0,004 |
99,585 | 428,862 | 1,660 | 107,215 | 0,006 | 124,48 | 297,821 | 2,075 | 74,455 | 0,005 |
88,257 | 459,372 | 1,471 | 114,843 | 0,006 | 113,15 | 319,008 | 1,886 | 79,752 | 0,005 |
380 В/70 Гц | |||||||||
, об/мин | , Н·м | , Гц | , кН | , м | |||||
174,274 | 0 | 2,905 | 0 | 0 | |||||
168,050 | 78,231 | 2,801 | 19,558 | 0,003 | |||||
165,975 | 102,037 | 2,766 | 25,509 | 0,003 | |||||
161,826 | 144,068 | 2,697 | 36,017 | 0,003 | |||||
149,378 | 218,807 | 2,490 | 54,702 | 0,004 | |||||
138,050 | 234,374 | 2,301 | 58,593 | 0,004 | |||||
Рис. 8. Характеристики возмущений, создаваемых стендом для испытаний виброизолятора АКСС-400М в вертикальном направлении: а) диапазон усилий вертикального воздействия привода стенда на испытуемый виброизолятор при s = 0,004 м; b) диапазон возможных перемещений толкателя.
Fig. 8. Characteristic curves of excitation generated by the bench for testing of the AKSS-400М in the vertical direction: а) the range of vertical forces of the bench drive impact on the tested vibration isolator at s = 0,004 m; b) the range of possible displacements of the push-rod.
Зависимости на графике (рис. 8,а) позволяют определить возможный диапазон частот возмущений (1,1–2,5 Гц), который можно реализовать на номинальном режиме работы электродвигателя привода стенда с учётом его регулирования частотным преобразователем. Регулирование частотным преобразователем осуществляется по напряжению питания асинхронного электродвигателя и его частоте (30–70 Гц). При превышении значения частоты напряжения питания 50 Гц ухудшаются эксплуатационные возможности асинхронного электродвигателя. Поэтому диапазон необходимых усилий вертикального воздействия привода стенда на испытуемый виброизолятор уменьшается (при 60 Гц — на 54%, при 70 Гц — на 87%). Величины диапазона усилий в определённой полосе частот возмущений использованы при расчёте возвратных пружин (рис. 4).
Данные графика (рис. 8,b) необходимы при подборе кулачковых эксцентриков (рис. 4) соответствующего профиля. Диапазон возможных перемещений толкателя для выбранного электрического привода стенда в диапазоне частот возмущений 1,1–2,9 Гц составляет до 0,004 м. В режиме работы с максимальным крутящим моментом на валу электродвигателя он может достигать до 0,006 м (частота напряжения питания асинхронного электродвигателя 30–50 Гц).
ЗАКЛЮЧЕНИЕ
По итогам работы следует отметить следующее:
- разработана методика определения параметров расчётных нагрузочных режимов стенда для испытаний виброизоляторов кабины трактора, обеспечивающего возможность одновременного воспроизведения на испытуемом виброизоляторе нагрузок эксплуатационного характера от вертикальных, продольно- и поперечно-угловых колебаний кабины;
- на примере электрического привода стенда, осуществляющего воздействие на испытуемый виброизолятор АКСС-400М в вертикальном направлении, проведено расчётное определение параметров данного привода и реализуемых с его использованием нагрузочных режимов.
ДОПОЛНИТЕЛЬНО
Вклад авторов. З.А. Годжаев, В.В. Шеховцов — написание текста рукописи, редактирование текста рукописи; П.В. Потапов, А.И. Искалиев — постановка задач и проведение исследования, создание изображений; М.С. Яркина, А.В. Евсеева — проведение расчётов и обработка результатов. Авторы подтверждают соответствие своего авторства международным критериям ICMJE (все авторы внесли существенный вклад в разработку концепции, проведение исследования и подготовку статьи, прочли и одобрили финальную версию перед публикацией).
Конфликт интересов. Авторы декларируют отсутствие явных и потенциальных конфликтов интересов, связанных с проведённым исследованием и публикацией настоящей статьи.
Источник финансирования. Исследование и публикация осуществлены при поддержке Российского научного фонда (Соглашение № 23-29-00289, от 13.01.2023, https://rscf.ru/project/23-29-00289/).
ADDITIONAL INFORMATION
Authors’ contribution. Z.A. Godzhaev, V.V. Shekhovtsov — writing and editing the text of the manuscript; P.V. Potapov, A.I. Iskaliev — formulating the study tasks and conducting the study, creating images; M.S. Yarkina, A.V. Evseeva — calculations and data processing. All authors made a substantial contribution to the conception of the work, acquisition, analysis, interpretation of data for the work, drafting and revising the work, final approval of the version to be published and agree to be accountable for all aspects of the work.
Competing interests. The authors declare that they have no competing interests.
Funding source. Research and publication were supported by Russian Scientific Foundation (Agreement № 23-29-00289, from 13.01.2023, https://rscf.ru/project/23-29-00289/).
About the authors
Zakhid A. Gozhaev
Federal Scientific Agroengineering Center VIM
Author for correspondence.
Email: fic51@mail.ru
ORCID iD: 0000-0002-1665-3730
SPIN-code: 1892-8405
Professor, Dr. Sci. (Tech.), Corresponding Member of the Russian Academy of Sciences, Deputy Director for Innovational and Implemental Activities
Russian Federation, MoscowViktor V. Shekhovtsov
Volgograd State Technical University
Email: shehotsov@vstu.ru
ORCID iD: 0000-0002-5207-8972
SPIN-code: 1173-2370
Professor, Dr. Sci. (Tech.), Professor of the Technical Operation and Service of Automobiles Department
Russian Federation, VolgogradPavel V. Potapov
Volgograd State Technical University
Email: ts@vstu.ru
ORCID iD: 0000-0001-6645-6033
SPIN-code: 7042-2560
Associate Professor, Cand. Sci. (Tech.), Associate Professor of the Technical Operation and Service of Automobiles Department
Russian Federation, VolgogradAzamat I. Iskaliev
Volgograd State Technical University
Email: ts@vstu.ru
ORCID iD: 0000-0002-4054-5481
SPIN-code: 2709-6602
Cand. Sci. (Tech.), Lecturer of the Heat Engineering and Hydraulic Department
Russian Federation, VolgogradMalika S. Yarkina
Volgograd State Technical University
Email: ts@vstu.ru
ORCID iD: 0009-0009-0747-7358
Postgraduate at the Technical Operation and Service of Automobiles Department
Russian Federation, VolgogradApollinariya V. Evseeva
Volgograd State Technical University
Email: ts@vstu.ru
ORCID iD: 0009-0006-9832-8304
SPIN-code: 9308-2008
Student at the Technical Operation and Service of Automobiles Department
Russian Federation, VolgogradReferences
- Godzhaev ZA, Ljashenko MV, Shehovtsov VV, et all. Vibration levels on operator’s workplace and vibration protection characteristics of seat suspensions. Izvestia MGTU MAMI. 2021;1(47):2–11. (In Russ). doi: 10.31992/2074-0530-2021-47-1-2-11
- Kuzmin VA. Obosnovanie parametrov sistemy podressorivaniya kolesnogo sel’skokhozyaistvennogo traktora klassa 4 [dissertation]. Moscow, 2018.
- Patent RUS № 203608/14.04.21. Byul. № 11. Shehovtsov VV, Ljashenko MV, Potapov PV, et all. Stend dlya ispytanii vibroizolyatorov kabiny transportnogo sredstva. (In Russ). Accessed: 02.03.2023. Available from: https://yandex.ru/patents/doc/RU203608U1_20210414
- Lebedinskiy IYu, Sirotin PV, Chernenko AB, et al. Principles of creating of suspension systems for transport-technological self-propelled machines cabin. Sovremennye naukoemkie tekhnologii. 2019. 2:105–109 (In Russ).
- Motorreductores a engranajes cilíndricos Helical in-line gearmotors. Transtecno. [internet] Accessed: 02.03.2023. Available from: https://www.transtecno.com/wordpress/wp-content/uploads/2017/10/B_NEMA-60-Hz_Helical-in-line-gearmotors-CMG_210507-2_0521-1.pdf
- Pronina YuO. Sovershenstvovanie sistemy vibrozashchity operatora promyshlennogo traktora pri proektirovanii na osnove modelirovaniya protsessa nizkochastotnogo vozdeistviya so storony gusenichnogo dvizhitelya [dissertation]. Chelyabinsk, 2017.
- Godzhaev ZA, Ljashenko MV, Shehovtsov VV, et all. Test stand for vibration isolators of vehicle cabin suspension. Fundamentalnye i prikladnye problemy tekhniki i tekhnologii. 2021;5(349):165–173. (In Russ). doi: 10.33979/2073-7408-2021-349-5-165-173
Supplementary files










