Оценка технико-экономической эффективности управляемого распределения мощности в трансмиссиях полноприводных грузовых автомобилей
- Авторы: Келлер А.В.1,2, Попов А.В.3, Окольнишникова И.Ю.4
-
Учреждения:
- Социоцентр
- Московский политехнический университет
- Центральный научно-исследовательский автомобильный и автомоторный институт (НАМИ)
- Государственный университет управления
- Выпуск: Том 17, № 3 (2023)
- Страницы: 251-260
- Раздел: Транспортные и транспортно-технологические комплексы
- URL: https://journals.eco-vector.com/2074-0530/article/view/568179
- DOI: https://doi.org/10.17816/2074-0530-568179
- ID: 568179
Цитировать
Полный текст



Аннотация
Обоснование. Условия эксплуатации полноприводных грузовых автомобилей определяют вероятность движения в условиях неравномерного распределения сцепления и сопротивления качению под ведущими колесами различных мостов и бортов, что актуализирует перераспределение крутящего момента от двигателя к ведущим колесам. Для повышения эффективности полноприводных автомобилей особенно важно рациональное распределение мощности между ведущими мостами и колесами.
Цель работы — оценка технико-экономической эффективности управляемого распределения мощности в трансмиссиях полноприводных грузовиков с гидравлически управляемыми фрикционными муфтами.
Методы. Проведена серия экспериментов на базе КАМАЗ-65222 с системой управления блокировкой дифференциалов фрикционными муфтами с гидравлическим приводом и измерительно-регистрирующим комплексом. Техническая эффективность управления дифференциалами при движении в различных дорожных условиях оценивалась по времени разгона автомобиля, средней скорости прямолинейного движения и при выполнении маневра, параметрам опорной проходимости, топливной экономичности и сравнительной нагруженности привода ведущих колес.
Результаты. Эксперимент подтвердил эффективность алгоритма автоматического управления блокировкой дифференциалов в трансмиссии автомобиля с точки зрения проходимости, нагруженности и топливной экономичности. Зафиксировано повышение до 16,7% средней скорости движения в сложных дорожных условиях, снижение удельной работы, затрачиваемой на преодоление сопротивления качению, а также сокращение на 7–8% расхода топлива.
Заключение. Оценка эффективности решений по управлению дифференциалами в трансмиссии полноприводного грузового автомобиля показала существенное увеличение скоростных свойств, проходимости и топливной экономичности. Автоматическое изменение степени блокировки дифференциалов в трансмиссии при движении по криволинейной траектории и по неровной поверхности оказало положительное влияние на надежность трансмиссии и топливную экономичность, обеспечив сохранение базовых параметров устойчивости и маневренности. Ожидаемый экономический эффект — более 206, 3 тыс. руб. в год на 1 автомобиль.
Полный текст
ВВЕДЕНИЕ
Особенностью применения грузовых автомобилей в России является невысокая плотность дорожной сети и недостаточная доля дорог с твердым покрытием [1, 2]. В результате более половины автоперевозок осуществляется по грунтовым дорогам и автозимникам, которые в распутицу становятся труднопроходимыми. Как следствие, в России около 17% всего парка грузовиков составляют полноприводные грузовые автомобили [3]. Они активно используются во всех ключевых отраслях экономики и сферах государственного управления, имеют важное значение в перевозке грузов и выполнении технологических операций в районах Арктики, Дальнего Востока и Сибири [4–6].
Анализ условий эксплуатации полноприводных грузовых автомобилей показывает высокую вероятность их движения в условиях неравномерного распределения сцепления и сопротивления качению под ведущими колесами как различных мостов, так и бортов [7]. Это определяет необходимость постоянного перераспределения крутящего момента, подводимого от двигателя к ведущим колесам. Для достижения необходимого и достаточного уровня эффективности полноприводных автомобилей во всем диапазоне природно-климатических и дорожных условий важно дальнейшее развитие схемы полного привода, в том числе, путем рационального распределения мощности между ведущими мостами и колесами автомобиля [8].
ЦЕЛЬ
Перспективным направлением управления блокировкой дифференциалов полноприводных грузовиков является использование дифференциалов с гидравлически управляемыми фрикционными муфтами [9, 10]. Вместе с тем, для эффективного и безопасного применения в трансмиссиях полноприводных грузовых автомобилей дифференциалов с гидравлически управляемыми фрикционными муфтами необходимы исследования, обосновывающие технико-экономическую эффективность управляемого распределения мощности в трансмиссиях полноприводных грузовых автомобилей. Это и стало целью настоящего исследования.
ОБЪЕКТ И МЕТОДЫ ИССЛЕДОВАНИЯ
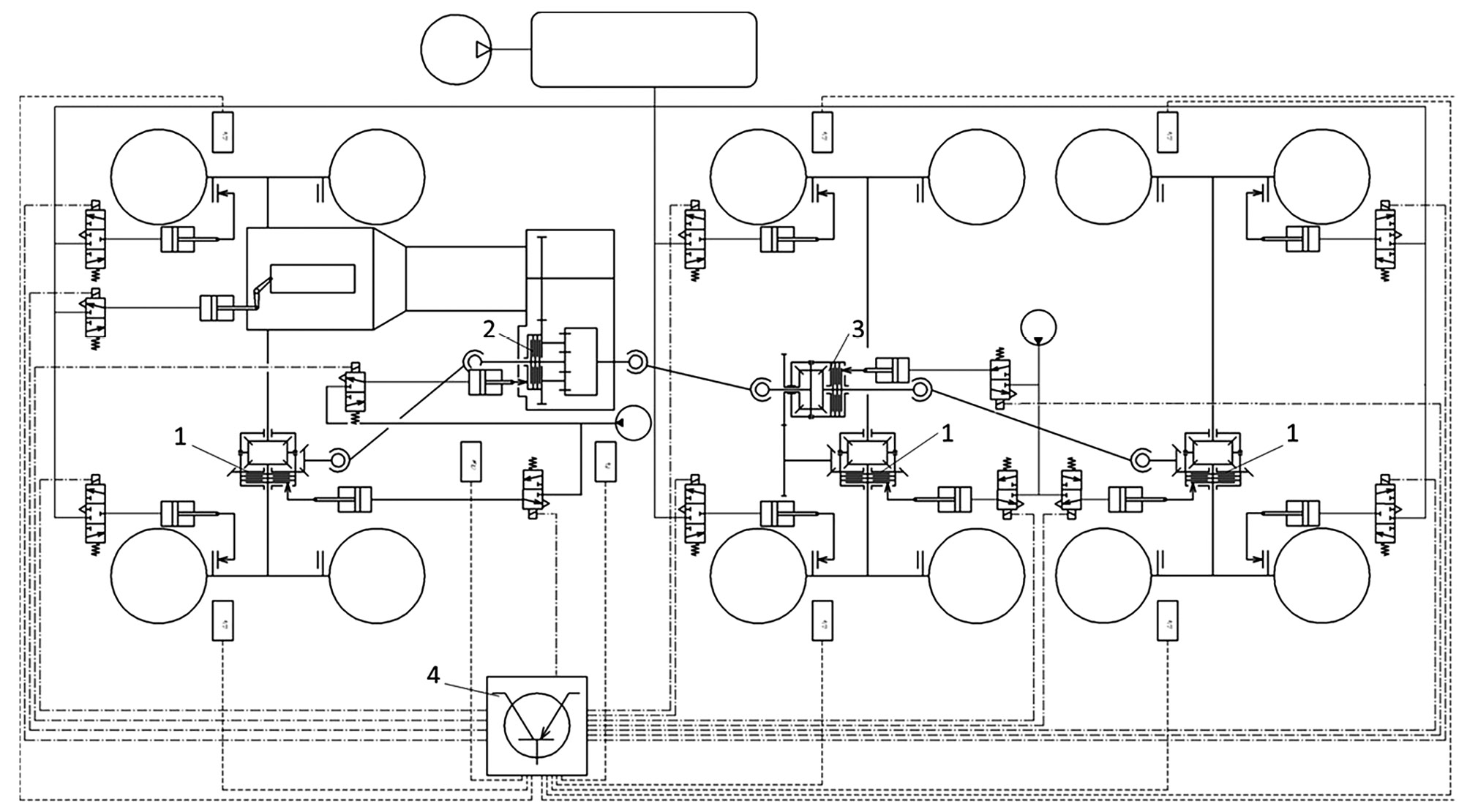
Для достижения цели исследования на базе автомобиль КАМАЗ-65222 был изготовлен экспериментальный образец автомобиля c системой управления блокировкой дифференциалов на основе фрикционных муфт с гидравлическим приводом. Автомобиль был оснащен системой управления блокировкой дифференциалов фрикционными муфтами с гидравлическим приводом и измерительно-регистрирующим комплексом (рис. 1).
Рис. 1. Принципиальная схема экспериментальной системы управления распределением мощности: 1 — фрикционные муфты блокировки межколесных дифференциалов с гидравлическим приводом; 2 — фрикционная муфта блокировки межосевого дифференциала с гидравлическим приводом; 3 — фрикционная муфта блокировки межтележечного дифференциала с гидравлическим приводом; 4 — система управления с измерительно-регистрирующим комплексом.
Fig. 1. Schematic diagram of the experimental power distribution control system: 1 — friction clutches for blocking interwheel differentials with a hydraulic drive; 2 — a friction clutch blocking the interaxial differential with a hydraulic drive; 3 — a friction clutch for blocking the intercarrier differential with a hydraulic drive; 4 — a control system with measuring and recording facility.
Экспериментальная система управления распределением мощности в трансмиссии представляет собой систему гидромеханических и программно-аппаратных элементов, реализующих автоматическое управление распределением мощности между ведущими колесами грузового автомобиля на основе блокирования дифференциалов трансмиссии (рис. 2).
Рис. 2. Гидромеханическая часть системы управления распределением мощности.
Fig. 2. The hydromechanical part of the power distribution control system.
Для непосредственной блокировки дифференциалов трансмиссии на экспериментальном автомобиле были установлены фрикционные муфты с гидравлическим приводом для:
- блокировки межколесных дифференциалов переднего, среднего и заднего мостов;
- блокировки межосевого дифференциала раздаточной коробки;
- блокировки межтележечного дифференциала среднего моста.
В качестве программно-аппаратной платформы системы распределения мощности была использована микроконтроллерная система. Функционируя совместно со штатной системой АБС/ПБС, она дала возможность подключения дополнительных датчиков и исполнительных элементов, а также позволила обмениваться информацией с другими электронными устройствами при помощи CAN-шины [11]. Контроллер системы управления обрабатывал полученные с датчиков значения, производил их анализ и осуществлял управление электропневматическими модуляторами давления в тормозной системе, а также электрогидравлическими клапанами гидропривода блокировки дифференциала.
Для решения задач экспериментального исследования испытания проводились в различных дорожных условиях на КАМАЗ-65222 в штатной комплектации и оснащенном экспериментальной системой управления распределением мощности. Техническая эффективность управления дифференциалами при движении в различных дорожных условиях оценивалась с учетом рекомендаций работ [12–14] по времени разгона автомобиля на заданной передаче, средней скорости маневра при повороте с радиусом 25 м, параметрам опорной проходимости, топливной экономичности и сравнительной нагруженности привода ведущих колес.
Оценка эксплуатационных свойств автомобиля при движении в различных дорожных условиях проводилась в два этапа.
На первом этапе оценивались время разгона автомобиля на третьей передаче до максимальной скорости, средняя скорость маневра при повороте с радиусом 25 м, а также среднее время преодоления участка разбитой грунтовой дороги протяженностью 1,5 км.
На втором этапе проводились испытания при движении по труднопроходимым участкам снежной целины, оттаявшего суглинка, сухого сыпучего песка и грунтовым дорогам различного состояния.
Дорожные испытания в зимних условиях проходили при движении по труднопроходимым участкам снежной целины с проложенными в ней колеям, на замкнутых маршрутах длиной 3–4 км, при прямолинейном и круговом движении по снежной целине с глубиной снежного покрова 0,30–0,35 м с подстилающим слоем суглинистой пахоты, а также по заснеженной грунтовой дороге на полигоне в Сосновском районе Челябинской обл.
Исследование эффективности автоматической блокировки дифференциалов в условиях песчаной местности приводилось на участке сухого сыпучего песка влажностью около 4%, плотностью 1,6 г/см3 в районе п. Кременкуль Челябинской обл. Общая глубина залегания песка составляла более 2 м.
Кроме того, эффективность автоматической блокировки дифференциалов оценивалась при движении по размокшей грунтовой дороге протяженностью 6 км.
Оценке подвергались опорная проходимость автомобиля, его топливная экономичность и сравнительная нагруженность привода колес. В процессе испытаний определялись пройденный путь, скорость и траектория движения, соответствующие им угловые скорости колес, крутящие моменты на карданных валах привода переднего и среднего мостов, а также расход топлива при движении с 3 вариантами включения блокировки дифференциалов в приводе колес и осей:
- 1-й вариант — движение без блокировки дифференциалов;
- 2-й вариант — движение с автоматической системой управления блокировкой дифференциалов;
- 3-й вариант — движение со всеми заблокированными дифференциалами.
В качестве основного показателя эффективности движения в различных условиях была принята удельная работа, затрачиваемая на преодоление сопротивления качению и приходящаяся на единицу проходимого пути и единицу веса при прямо- и криволинейном движении [15]. Она вычислялась по формуле (1):
, (1)
где Мкi — подведенные к колесам (осям) крутящие моменты, кН·м; S — пройденный при измерениях путь, м; nкi — соответствующее Мкi и S число оборотов колес.
Топливная экономичность автомобиля определялась по расходу топлива в л/100 км на одном и том же маршруте заснеженного поля и разбитой грунтовой дороги. Нагруженность привода колес с различными вариантами блокировки дифференциалов оценивалась по значениям крутящих моментов на валах привода переднего моста и задней тележки.
Дополнительно эффективность управления блокировкой дифференциалов при движении по размокшей грунтовой дороге оценивалась числом застреваний и среднетехнической скоростью.
РЕЗУЛЬТАТЫ ИСПЫТАНИЙ
Значения максимальной скорости на третьей передаче и времени разгона до нее автомобиля с экспериментальной системой управления блокировкой дифференциалами и штатного автомобиля, представлены в табл. 1. На основании анализа данных из табл. 1 можно сделать вывод, что в заданных условиях испытываемый грузовой автомобиль с автоматической блокировкой дифференциалов в трансмиссии разгоняется более интенсивно, чем автомобиль в штатной комплектации. Разница по времени разгона составляет 5,3%. Это можно объяснить тем, что при разгоне происходит перераспределение нормальных реакций между передним мостом и задней тележкой. Колеса задних мостов воспринимают большую вертикальную реакцию, чем колёса переднего моста. При этом колёса задней тележки по условиям сцепления могут создать большую тяговую силу, чем колеса переднего моста. Реализовать большую тяговую силу на колёсах заднего моста и, следовательно, получить лучшую динамику можно при заблокированных межосевом и межтележечном дифференциалах.
Таблица 1. Время разгона до максимальной скорости на третьей передаче
Table 1. Duration of acceleration to maximum speed at the third gear
Наименование показателя | Блокировка | № заезда | Результаты испытаний | |
Результат заезда | Среднее | |||
Максимальная скорость на третьей передаче, км/ч | Ручная | 1 | 10,4 | 9,8 |
2 | 9,9 | |||
3 | 9,1 | |||
Автоматическая | 1 | 10,9 | 10,2 | |
2 | 10,4 | |||
3 | 9,2 | |||
Время ускорения до максимальной скорости на третьей передаче, с | Ручная | 1 | 4,3 | 3,8 |
2 | 3,8 | |||
3 | 3,3 | |||
Автоматическая | 1 | 4,1 | 3,6 | |
2 | 3,5 | |||
3 | 3,3 |
Значение средней скорости маневра, при повороте с радиусом 25 м, найденное в процессе испытаний, приведено в табл. 2.
Таблица 2. Значение средней скорости маневра при повороте с радиусом 25 м
Table 2. The value of the average maneuver velocity when turning with a radius of 25 m
Наименование показателя | Блокировка | Результаты испытаний, км/ч |
Средняя скорость маневра | Ручная | 37 |
Автоматическая | 37,7 |
Представленные данные свидетельствуют, что автоматическое управление дифференциалами в трансмиссии полноприводного грузового автомобиля практически не влияет на параметры криволинейного движения за счет автоматического разблокирования дифференциалов при повороте рулевого колеса на угол более 15 град. Это положительно сказывается на устойчивости криволинейного движения грузового автомобиля и сохранении ее на уровне серийного транспортного средства.
Значения времени прохождения участка грунтовой дороги с тяжелым дорожным покрытием в автоматическом и ручном режимах, полученные в процессе эксперимента, представлены в табл. 3.
Таблица 3. Значения времени прохождения участка грунтовой дороги с тяжелым дорожным покрытием
Table 3. The values of time for passing a section of a soil road with a severe road surface
Время прохождения участка грунтовой дороги с тяжелым дорожным покрытием | № заезда | Результаты испытаний, с | |
Результат | Среднее значение | ||
В автоматическом режиме | 1 | 231 | 260 |
2 | 292 | ||
3 | 256 | ||
В ручном режиме | 1 | 288 | 312 |
2 | 367 | ||
3 | 281 |
Данные табл. 3 свидетельствуют о значительном (до 16,7%) повышении средней скорости движения в сложных дорожных условиях при автоматическом управлении распределения мощности. Это связано с тем, что блокировка дифференциалов в трансмиссии позволяет автомобилю более полно использовать свои сцепные свойства, а автоматическое включение и выключение блокировки обеспечивает своевременную реакцию привода на изменяющиеся дорожные условия. Кроме того, использование фрикционных гидравлически управляемых муфт позволяет исключить возникновение циркуляции мощности, что положительно отражается на энергетических затратах, связанных с движением автомобиля.
Результаты испытаний в зимних условиях при движении по труднопроходимым участкам снежной целины, а также по заснеженной грунтовой дороге представлены в табл. 4, 5.
Таблица 4. Оценка эффективности движения по проложенным в снежной целине колеям на замкнутых маршрутах длиной 3–4 км с различными вариантами включения блокировок дифференциалов
Table 4. Evaluation of the motion efficiency along the tracks laid in virgin snow on closed routes 3–4 km long with various options for switching on differential locks
Определяемые параметры | Варианты включения блокировок дифференциалов | ||
1 | 2 | 3 | |
Средняя скорость движения, км/ч | 16,35 | 18,20 | 17,60 |
Расход топлива, л/100 км | 123,00 | 109,00 | 113,50 |
Таблица 5. Удельная работа, затрачиваемая на преодоление сопротивления качению и приходящаяся на единицу проходимого пути и единицу веса при прямо- и криволинейном движении в различных дорожных условиях с различными вариантами включения блокировок дифференциалов
Table 5. Specific work expended on rolling resistance overcoming and given per unit of traveled distance and per unit of weight at straight-line and curvilinear motion in various road conditions with various options for switching on differential locks
Условия испытаний | Вариант включения блокировок дифференциалов | ||
1 | 2 | 3 | |
Прямолинейное движение по снежной целине с глубиной снежного покрова 0,30–0,35 м | 0,223 | 0,204 | 0,213 |
Круговое движение по снежной целине с глубиной покрова 0,30–0,35 м | 0,286 | 0,294 | 0,426 |
Движение по заснеженной грунтовой дороге | 0,0485 | 0,0483 | 0,0487 |
Прямолинейное движение по сухому сыпучему песку | 0,105 | 0,097 | 0,098 |
Круговое движение по сухому сыпучему песку | 0,198 | 0,205 | 0,240 |
Испытания показали, что автоматическая система управления блокировкой дифференциалов с переменным коэффициентом блокировки обеспечивает автомобилю лучшие показатели. Так, при движении по проложенной колее на извилистых маршрутах по варианту № 2 получены наибольшая средняя скорость движения и наименьший расход топлива (18,2 км/ч и 109 л/100 км соответственно). Полная блокировка всех дифференциалов (вариант № 3) из-за худшей вписываемости автомобиля в извилистую траекторию имеет рассматриваемые показатели по скорости (17,6 км/ч) и расходу топлива (113 л/100 км). Несмотря на то, что она существенно лучше варианта № 1.
При прямолинейном движения грузового автомобиля по снежной целине со снежным покровом глубиной 0,30–0,35 м, автоматическое управление блокировкой дифференциалов и изменение степени их блокирования в зависимости от условий движения позволяет снизить удельную работу, затрачиваемую на преодоление сопротивления качению на 8,5% (по сравнению с полностью дифференциальным приводом) и на 4,5% (по сравнению с полностью блокированной трансмиссией).
При движении на повороте наличие системы автоматического управления блокированием лишь незначительно увеличивает энергозатраты по сравнению с дифференциальным приводом (рост fа на 2,8%), при этом значительно превосходя автомобиль с блокированной трансмиссией (fа меньше на 44%).
При движении автомобиля по заснеженной грунтовой дороге удельная работа сопротивления качению меняется незначительно в зависимости от варианта включения блокировки – от 0,0483 при управлении системой блокировки дифференциалов до 0,0487 при полностью блокированном приводе, то есть практически не зависит от способа управления блокировкой. При этом нагруженность привода колес и диапазон колебаний крутящих моментов значительно меньше при управляемой степени блокирования дифференциалов, что положительно сказывается на нагруженности трансмиссии.
Результаты, полученные при движении автомобиля на сухом сыпучем песке, свидетельствуют о преимуществах управляемой переменной блокировки дифференциалов при прямолинейном движении и при поворотах с минимальным радиусом. Так, при прямолинейном движении удельная работа на преодоление сопротивления качению снижается от 0,105 до 0,097 (на 8%). При криволинейном круговом движении с минимальным радиусом и включением блокировок в тех же вариантах fа, напротив, возрастает всего на 3,5% по сравнению с дифференциальным приводом.
Эффективность управления блокировкой дифференциалов при движении по размокшей грунтовой дороге протяженностью 6 км оценивалась числом застреваний и среднетехнической скоростью (табл. 6).
Таблица 6. Движение по разбитой грунтовой дороге на пути 6 км
Table 6. Motion at a broken soil road on a 6 km path
Определяемые параметры | Варианты включения блокировок дифференциалов | ||
1 | 2 | 3 | |
Число застреваний | 9 | 1 | 1 |
Скорость, км/ч | 18,8 | 21,0 | 20,3 |
Из представленных результатов следует, что при прямолинейном движении по сырому суглинку и разбитой, размокшей в период многодневных дождей дороге налицо преимущества автомобиля с управляемой блокировкой дифференциалов.
Оценка топливной экономичности показала, что во всех дорожных условиях автоматическое управление блокировкой дифференциалов с переменной степенью блокирования обеспечивало снижение расхода топлива на 7–8%. Таким образом, с точки зрения проходимости, нагруженности, топливной экономичности нами была подтверждена эффективность предложенного алгоритма автоматического управления блокировкой дифференциалов в трансмиссии автомобиля, реализующего обоснованные закономерности распределения мощности.
Проведенная авторами технико-экономическая оценка результатов работы показала, что в совокупности параметров, определяющих себестоимость серийного и предлагаемого автомобиля, а также расходов, связанных с его эксплуатацией и ремонтом, экономический эффект от реализации предлагаемых решений составил более 200 000 рублей на один грузовой автомобиль в год.
ЗАКЛЮЧЕНИЕ
Проведенная оценка эффективности предлагаемых решений по управлению дифференциалами в трансмиссии полноприводного грузового автомобиля показала существенное увеличение показателей скоростных свойств, проходимости и топливной экономичности. Так, при разгоне на 3-й передаче было обеспечено снижение времени разгона до максимальной скорости на 5,3%. При преодолении участка разбитой грунтовой дороги время прохождения участка было сокращено на 17%, а по труднопроходимым участкам снежной целины с проложенными колеям – на 11,3%. Установлено, что автоматическое управление блокировкой дифференциалов позволяет на 8–8,5% снизить удельную работу на преодоление сопротивления качению при прямолинейном движении по снежной целине и сухому сыпучему песку.
Экспериментально подтверждено, что автоматическое изменение степени блокировки дифференциалов в трансмиссии при движении по криволинейной траектории, а также по неровной опорной поверхности позволяет минимизировать нагруженность привода колес и диапазон колебаний крутящих моментов, что положительно влияет на надежность трансмиссии и топливную экономичность автомобиля, обеспечивает сохранение базовых параметров его устойчивости и маневренности.
Оценка топливной экономичности показала, что во всех дорожных условиях автоматическое управление блокировкой дифференциалов с переменной степенью блокирования обеспечивает снижение расхода топлива на 7–8%. На основе выполненных экспериментальных исследований установлено, что предложенная автором автоматическая система управления блокировкой дифференциалов с переменным коэффициентом блокировки обеспечивает автомобилю лучшие показатели. Технико-экономическая оценка результатов эксперимента показала, что в совокупности параметров, определяющих себестоимость серийного и предлагаемого автомобиля, а также расходов, связанных с эксплуатацией и ремонтом, экономический эффект от реализации предлагаемых решений составляет 200 000 рублей на один грузовой автомобиль в год. Таким образом, эффективность блокировки дифференциалов управляемыми фрикционными муфтами можно считать подтвержденной.
ДОПОЛНИТЕЛЬНО
Вклад авторов. А.В. Келлер ― научное руководство, участие в изготовлении экспериментального образца и проведении экспериментальных исследований, редактирование текста рукописи; А.В. Попов ― разработка программы и методик экспериментального исследования, проведение и обработка результатов эксперимента, подготовка рабочих материалов текста рукописи; И.Ю. Окольнишникова ― обзор литературы, сбор и анализ литературных источников, технико-экономическая оценка эффективности предлагаемых решений, написание текста и редактирование статьи. Авторы подтверждают соответствие своего авторства международным критериям ICMJE (все авторы внесли существенный вклад в разработку концепции, проведение исследования и подготовку статьи, прочли и одобрили финальную версию перед публикацией).
Конфликт интересов. Авторы декларируют отсутствие явных и потенциальных конфликтов интересов, связанных с проведенным исследованием и публикацией настоящей статьи.
Источник финансирования. Работа выполнялась при финансовой поддержке Минобрнауки РФ рамках проекта «Разработка научно-технических решений по управлению распределением мощности в трансмиссиях грузовых автомобилей для повышения их энергоэффективности и топливной экономичности» по соглашению № 14.574.21.0106 (уникальный идентификатор прикладных научных исследований RFMEFI57414X0106).
ADDITIONAL INFORMATION
Authors’ contribution. A.V. Keller — scientific leadership, participation in the manufacture of the experimental sample and conducting experimental studies, editing the text of the manuscript; A.V. Popov — development of the program and methods of experimental research, conducting and processing the results of the experiment, preparation of working materials for the text of the manuscript; I.Yu. Okolnishnikova — literature review, collection and analysis of literary sources, technical and economic evaluation of the effectiveness of the proposed solutions, writing the text and editing the article. The authors confirm that their authorship complies with the international ICMJE criteria (all authors made a significant contribution to the development of the concept, research and preparation of the article, read and approved the final version before publication).
Competing interests. The authors declare that they have no competing interests.
Funding source. The work was conducted with the financial support of the Ministry of Education and Science of the Russian Federation in the framework of the “Development of scientific and technical solutions for power distribution control in transmission of trucks for increasing their energy efficiency and fuel efficiency” project according to the contract No. 14.574.21.0106.
Об авторах
Андрей Владимирович Келлер
Социоцентр; Московский политехнический университет
Автор, ответственный за переписку.
Email: andreikeller@rambler.ru
ORCID iD: 0000-0003-4183-9489
SPIN-код: 4622-5727
профессор, д-р техн. наук, заведующий кафедрой «Наземные транспортные средства», и.о. директора
Россия, Москва; МоскваАндрей Вячеславович Попов
Центральный научно-исследовательский автомобильный и автомоторный институт (НАМИ)
Email: popov.andrey@gmail.com
ORCID iD: 0009-0006-3266-9464
аспирант научно-образовательного центра
Россия, МоскваИрина Юрьевна Окольнишникова
Государственный университет управления
Email: okolnishnikova.i@mail.ru
ORCID iD: 0000-0002-4958-8189
SPIN-код: 6286-0401
профессор, д-р эконом. наук, заведующая кафедрой маркетинга услуг и бренд-менеджмента
Россия, МоскваСписок литературы
- Транспорт в России. 2022: Стат. сборник. М.: Росстат, 2022. [дата обращения: 17.07.2023] Режим доступа: https://rosstat.gov.ru/storage/mediabank/Transport_2022.pdf
- Плотность автодорог с твердым покрытием в России по регионам // Миркарт. [дата обращения: 17.07.2023] Режим доступа: https://миркарт.рф/%D0%BA%D0%B0%D1%8=126
- Сколько в России полноприводных грузовиков? // Маркетинговое агентство НАПИ. [дата обращения: 17.07.2023] Режим доступа: https://napinfo.ru/infographics/skolko-v-rossii-polnoprivodnykh-gruzovikov/
- Загарин Д.А., Козловская М.А., Дзоценидзе Т.Д. Анализ потребности и спроса на машины сельскохозяйственного назначения в условиях структурного кризиса в экономике // Автомобильная промышленность. 2020. № 9. С. 1–7.
- Дерюженко С.А. Ушнурцев С.В. Автоматизация управления движением военных гусеничных и колесных машин. Омск: Омский автобронетанковый инженерный институт, 2023.
- Котиев Г.О., А.С.С.А. О необходимости создания производства специальной колёсной и гусеничной техники для эксплуатации в условиях арктической зоны РФ // Журнал автомобильных инженеров. 2018. № 4(111). С. 27–29.
- Котляренко В.И. Исторический обзор основных направлений повышения проходимости традиционных колёсных транспортных средств // Труды НАМИ. 2022. № 3 (290). С. 45–62. doi: 10.51187/0135-3152-2022-3-45-62
- Пирковский Ю.В., Шухман С.Б. Теория движения полноприводного автомобиля (прикладные вопросы оптимизации конструкции шасси). М.: ЮНИТИ-ДАНА, 2001.
- Лещинский Д.Ю., Смирнов А.А., Ягубова Е.В. Анализ перспективных конструкций ведущих мостов транспортных средств на примере патентов мировых производителей // Инженерный журнал: наука и инновации. 2013. № 12 (24). С. 24.
- Keller A., Aliukov S. Effectiveness of Methods of Power Distribution in Transmissions of All-Wheel-Drive Trucks // SAE Technical Papers. 2015. Vol. 2015-September. doi: 10.4271/2015-01-2732
- Dygalo V., A.A. Principles of application of virtual and physical simulation technology in production of digital twin of active vehicle safety systems // Transportation Research Procedia : 14, Saint Petersburg, 21–24 октября 2020 года. Saint Petersburg, 2020. P. 121–129. doi: 10.1016/j.trpro.2020.10.015
- Белоусов Б.Н., Попов С.Д. Колесные транспортные средства особо большой грузоподъемности. Конструкция. Теория. Расчет. М.: МГТУ им. Н.Э. Баумана, 2006.
- Чистов М.П., Ковалев В.В. Армейские автопоезда и дорожные условия // Автомобильная промышленность. 2001. № 11. С. 18–20.
- Ларин В.В. Методы прогнозирования и повышения опорной проходимости многоосных колесных машин на местности: Автореф. дисс. докт. техн. наук. Москва, 2007.
- РТМ 37.001.053-2000 Военная автомобильная техника. Методы определения показателей проходимости автомобилей.
Дополнительные файлы
