Математическая модель для расчёта частотных характеристик двухтактного преобразователя постоянного напряжения c ПИ–регулятором
- Авторы: Андриянов А.И.1
-
Учреждения:
- Брянский государственный технический университет
- Выпуск: Том 18, № 4 (2024)
- Страницы: 338-348
- Раздел: Электротехнические комплексы и системы
- URL: https://journals.eco-vector.com/2074-0530/article/view/636921
- DOI: https://doi.org/10.17816/2074-0530-636921
- ID: 636921
Цитировать
Полный текст
Аннотация
Обоснование. Анализ частотных характеристик импульсных преобразователей напряжения необходим на этапе их проектирования с целью обеспечения их устойчивости. Наиболее точные результаты могут быть достигнуты с применением нелинейных динамических математических моделей таких систем. На сегодняшний день построение частотных характеристик импульсных преобразователей напряжения ведётся с применением моделей, созданных в существующем программном обеспечении, использующем для расчёта электромагнитных процессов численные методы решения систем дифференциальных уравнений, что ведёт к накоплению ошибки при расчёте временных зависимостей, а также требует существенных затрат машинного времени для получения результата, так что разработка математической модели, использование которой устраняет указанные недостатки, является актуальной задачей.
Цель работы — разработка нелинейной динамической математической модели преобразователя постоянного напряжения с замкнутой системой автоматического управления с обратной связью по выходному напряжению при воздействии на него измерительных сигналов от анализатора частотных характеристик.
Материалы и методы. Использовались методы математического моделирования электронных цепей, теория дифференциальных уравнений. Расчёт частотных характеристик производился с использованием программы, написанной с использованием языка С++. Также проводилось сравнение результатов, получаемых с использованием предлагаемой математической модели, с результатами, получаемыми с использованием модели в MatLab Simulink и с использованием аналитических выражений.
Результаты. Приведено математическое описание электромагнитных процессов в двухтактном мостовом преобразователе напряжения на интервале неизменности структуры силовой части в аналитической форме. Также приведены нелинейные трансцендентные уравнения, позволяющие рассчитать моменты коммутации вентилей схемы. Рассчитаны частотные характеристики с использованием предлагаемой математической модели и проведён сравнительные анализ с частотными характеристиками, полученными с помощью других методов, подтверждена корректность разработанной модели. Так показано, что скорость расчёта увеличилась более чем в пять раз по сравнению с расчётом, проводимым с использованием модели MatLab Simulink.
Заключение. Результаты, полученные в данной работе, позволяют проводить масштабные исследования частотных характеристик двухтактных преобразователей постоянного напряжения при приемлемой скорости расчёта. Программа расчёта на основе разработанной модели может быть реализована на любом языке высокого уровня, а также на встроенном языке MatLab.
Полный текст
Введение
Импульсные системы электропитания постоянного напряжения широко применяются в промышленности, на транспорте и могут строиться как агрегатированные системы, состоящие из нескольких модулей питания, каждый из которых является полноценным стабилизированным источником питания (ИП) и может работать автономно [1, 2].
При проектировании как источников питания постоянного напряжения, так и агрегатированных систем электропитания (АСЭ) возникает задача анализа их устойчивости [1–5]. Известно, что импульсные преобразователи напряжения (ИПН) являются нелинейными динамическими системами [5–12], характеризующимися сложным поведением. Здесь можно выявить ряд особенностей. Во-первых, при работе преобразователя с широтно-импульсной модуляцией (ШИМ) структура силовой части периодически изменяется за счёт коммутации вентилей. Во-вторых, такие преобразователи являются неавтономными колебательными системами с внешним периодическим воздействием с частотой ШИМ, так что в основном режиме их работы на выходе наблюдаются колебания с указанной частотой. В-третьих, при изменении параметров системы на выходе могут наблюдаться колебания с частотой кратно меньшей, чем частота ШИМ, или даже хаотические колебания [5–12], что обусловлено динамическими нелинейностями системы.
Указанные особенности осложняют анализ таких систем и приводят к появлению ряда подходов: анализ ИПН как линейных динамических (для чего производится линеаризация и усреднение в малой окрестности рабочей точки [1–3]), анализ ИПН как линейных импульсных систем [4], анализ ИПН как нелинейных динамических систем с применением метода точечных отображений [6].
Если рассматривать ИПН как линейные динамические системы (производится усреднение и линеаризация нелинейной импульсной системы в малой окрестности рабочей точки), то для анализа их устойчивости можно использовать частотные методы, например, критерий Найквиста [1–3], где анализируется частотная зависимость комплексного петлевого коэффициента усиления (ПКУ). При объединении ИПН в АСЭ нужно учесть, что даже если все входящие в её состав ИПН устойчивы, сама АСЭ может быть неустойчива в связи с неудачным сочетанием параметров ИПН в её составе. В [1] показано, что анализ устойчивости АСЭ, состоящей из каскадно включённых ИПН, также может быть проведён с помощью частотных методов, но в данном случае анализируются частотные зависимости комплексного входного сопротивления и комплексного выходного сопротивления каскадов преобразования. При этом указанные выше частотные зависимости при таком подходе можно получить в аналитической форме [3].
Стоит заметить, что усреднение с последующей линеаризацией системы приводит к потере информации о свойствах системы, что вносит погрешность в конечные результаты. Для частичной компенсации этого недостатка в [1] предлагается строить малосигнальные частотные зависимости с использованием нелинейной динамической модели. В этом случае на определённые входы этой модели подаются малые возмущающие воздействия с последующим анализом отклика на определённом выходе системы. Для этого можно использовать существующее программное обеспечение типа MatLab Simulink, LTSpice, FastMean [13] и т. п. При этом стоит отметить, что в указанных программных пакетах для решения систем дифференциальных уравнений, описывающих электромагнитные процессы в ИПН, используются численные методы (хотя в FastMean используется оригинальный, более быстрый метод интегрирования), что при реализации масштабных исследований, связанных с множественными расчётами частотных характеристик, может привести к заметным временным затратам, особенно при малом шаге интегрирования.
При исследовании ИПН как нелинейных динамических систем широко используется метод точечных отображений [6, 7]. Для его реализации используются так называемые кусочно-линейные математические модели, которые относятся к классу нелинейных динамических моделей. Как упоминалось ранее, силовая часть преобразователя в процессе работы постоянно меняет свою структуру из-за коммутации силовых транзисторов и диодов. При этом существуют временные интервалы, на которых структура остаётся неизменной и электромагнитные процессы в ИПН описываются системой линейных дифференциальных уравнений, решение которой может быть записано в аналитической форме. При этом моменты переключения вентилей ИПН описываются нелинейными трансцендентными уравнениями, которые могут быть решены численными методами. При таком подходе накопление ошибки интегрирования выражено намного меньше, чем при использовании численных методов.
В данной работе для построения частотных характеристик двухтактного мостового ИПН предлагается использовать кусочно-линейную модель двухтактного мостового ИПН с источниками измерительных воздействий, которая позволяет рассчитывать динамические процессы в стабилизированном двухтактном ИПН в условиях влияния на него измерительных воздействий от анализатора частотных характеристик. Это позволит существенно повысить скорость построения частотных характеристик ИПН за счёт исключения применения численных методов интегрирования на этапе расчёта, которые используются в существующем программном обеспечении.
Описание объекта исследования
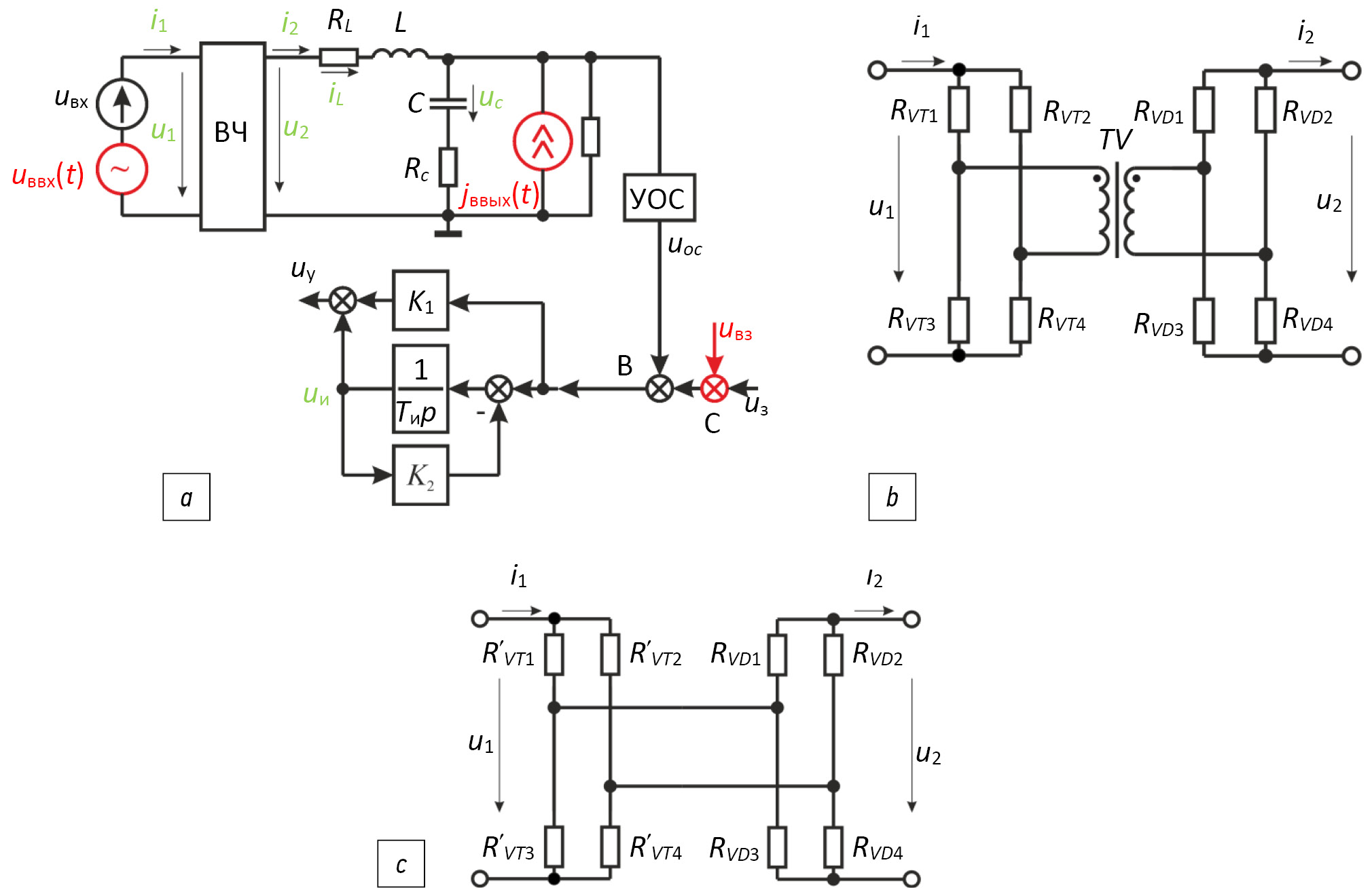
Объектом исследования в данной работе является двухтактный мостовой ИПН с ШИМ [3, 5]. Структурная схема данного преобразователя приведена на рис. 1, а временные диаграммы, поясняющие его работу, — на рис. 2.
Рис. 1. Структурная схема преобразователя напряжения с источниками возмущающих воздействий.
Fig. 1. Structural diagram of the DC-DC converter with excitation sources.
Рис. 2. Временные диаграммы электромагнитных процессов в двухтактном преобразователе напряжения.
Fig. 2. Time-domain graphs of electromagnetic processes in a push-pull DC-DC converter.
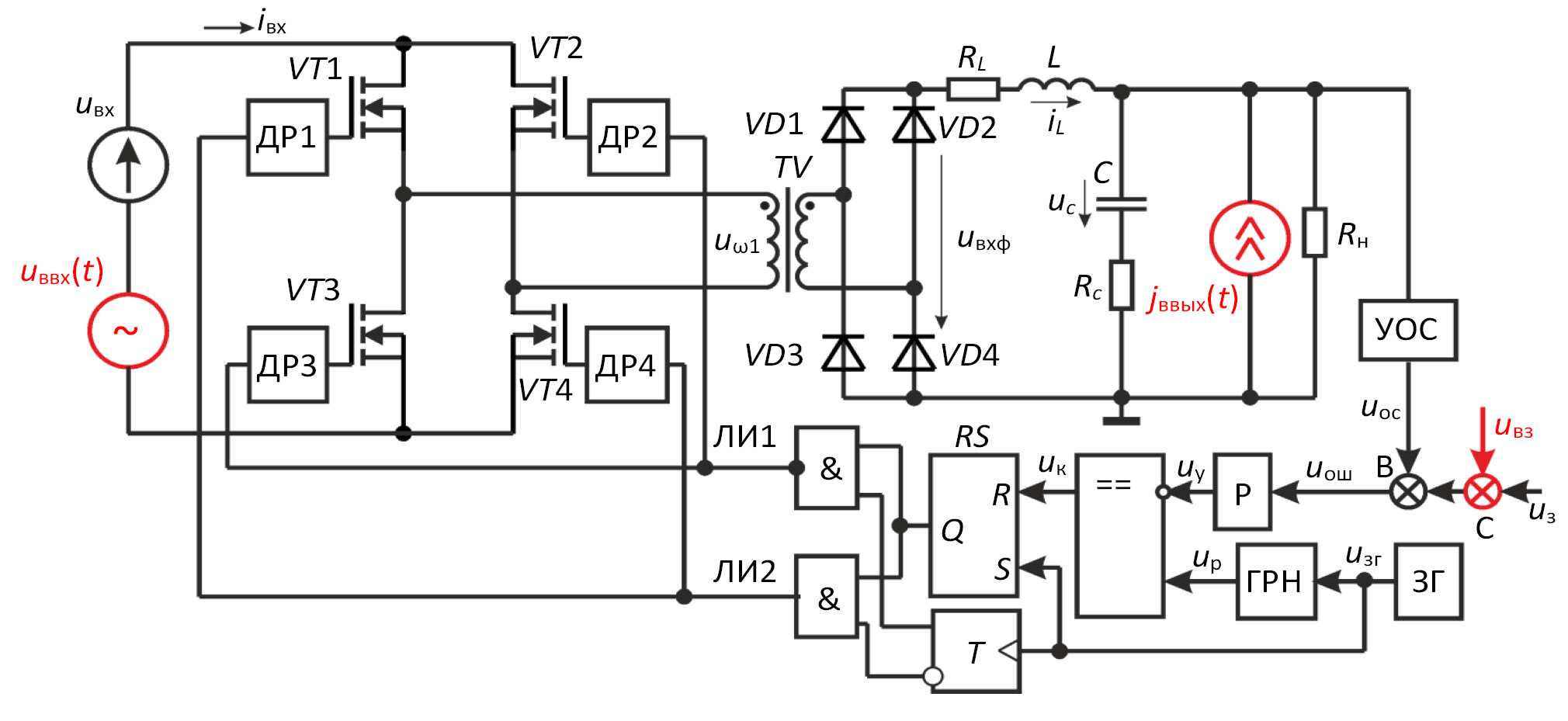
Рассматриваемый преобразователь совершает двойное преобразование электроэнергии. Инвертор на транзисторах VT1–VT4 преобразует входное постоянное напряжение uвх в высокочастотное переменное (uω1 на рис. 2), которое подаётся на первичную обмотку высокочастотного трансформатора, который изменяет его уровень и гальванически развязывает цепи первичной и вторичной обмоток. К выходу трансформатора подключён двухполупериодный выпрямитель на диодах VD1–VD4, на выходе которого присутствуют однополярные импульсы uвхф с амплитудой uвх/Kтр, где Kтр — коэффициент трансформации трансформатора.
Однополярные импульсы после выпрямителя поступают на Г-образный фильтр (состоит из дросселя с индуктивностью L и активным сопротивление RL и конденсатора с ёмкостью C и активным сопротивлением Rc), на выходе которого присутствует постоянное напряжение с заданной амплитудой пульсаций (uвых на рис. 2).
Длительность полного цикла преобразования в двухтактных преобразователях равна двум тактовым интервалам ШИМ [5]. На рис. 2 рассматриваются два тактовых интервала с номерами k и k+1. При этом k-й тактовый интервал начинается в момент времени (k–1)T, а k+1-й тактовый интервал начинается в момент времени kT.
Моменты коммутации в пределах тактового интервала будут обозначаться как tk,n где k — номер тактового интервала (k=1, 2, 3…), а n — номер коммутации в пределах k-го тактового интервала (n=0, 1, 2…). При этом стоит отметить, что tk,0 соответствует началу k-го тактового интервала (tk,0=(k–1)T). Рассмотрим подробнее рис. 2. На k-м тактовом интервале (k–1)T...kT на прямом ходу ((k–1)T...tk,1) открыты транзисторы VT1, VT3 и на вход фильтра подаётся напряжение uвх/Kтр. Энергия от источника входного напряжения передаётся в нагрузку (резистор Rн на рис. 1). На обратном ходу (tk,1…kT) первого такта (пауза ШИМ) все транзисторы закрыты и на входе фильтра наблюдается нулевое напряжение. На втором тактовом интервале (kT...(k+1)T) на прямом ходу (kT…tk+1,1) открыты транзисторы VT2, VT3.
Регулируя длительность интервала прямого хода, можно регулировать выходное напряжение. Также стоит отметить, что временные диаграммы на рис. 2 характеризуют режим прерывистого тока дросселя, который в моменты tk,2 и tk+1,2 падает до нуля. Так что можно сделать вывод, что каждый тактовый интервал состоит в общем случае из трёх подынтервалов неизменности структуры силовой части. Более подробно работа схемы описана в литературе [5].
Система управления преобразователем (см. рис. 1) решает задачу формирования управляющих импульсов и состоит из задающего генератора ЗГ, генератора развёртывающего напряжения ГРН, компаратора «==», регулятора Р, триггера-защёлки RS, счётного триггера T, элементов «И» ЛИ1 и ЛИ2, драйверов ДР1–ДР4, усилителя сигнала обратной связи УОС. Передаточная функция регулятора имеет вид [11]:
,
где Kи — коэффициент передачи пропорционального звена ПИ-регулятора; Tи — постоянная времени интегратора; K — коэффициент, учитывающий неидеальность интегратора.
Также на рис. 1 приняты обозначения: uу — сигнал управления после регулятора Р, uзг — тактовые импульсы с задающего генератора, uк — выходной сигнал компаратора, uр — развёртывающее напряжение с амплитудой uрm, uос — сигнал на выходе усилителя сигнала обратной связи, uош — сигнал ошибки, iвх — входной ток преобразователя, В — вычитатель, С — сумматор.
Вернёмся к рассмотрению схемы на рис. 1. На этой схеме красным цветом выделены элементы, подающие возмущающие (измерительные) воздействия на входы схемы. Так, источник uввх(t) подаёт возмущающие воздействия на энергетический вход схемы с целью изменения входной комплексной проводимости (Yвх). Источник тока jввых(t) подаёт возмущающее воздействие на выход схемы с целью измерения выходного комплексного сопротивления (Zвых). Источник uвз(t) подаёт возмущающее воздействие в замкнутый контур с целью измерения петлевого коэффициента усиления (Kпу). Стоит обратить внимание, что возмущающее воздействие, необходимое для построения частотной характеристики петлевого коэффициента усиления, подаётся в систему путём суммирования с задающим сигналом uз, что расширяет возможности анализа более сложных систем управления [14].
Возмущающие воздействия описываются выражениями
; ; , (1)
где ωв — частота возмущающего воздействия.
Измеряемые показатели рассчитываются как
; ; ,
где s — оператор Лапласа.
Считаем, что при измерении какого-либо показателя подаётся только одно возмущающее воздействие, а два остальных равны нулю.
Таким образом, схема на рис. 1 соответствует двухтактному мостовому ИПН в условиях поступления на его входы гармонических измерительных воздействий с выхода анализатора частотных характеристик (АНЧХ). Создание математической модели системы (см. рис. 1) и её программная реализация позволят имитировать работу АНЧХ совместно с преобразователем и строить малосигнальные частотные характеристики двухтактного ИПН как нелинейной системы.
Математическая модель объекта исследования
Математическая модель объекта исследования, представленная в данной статье, является кусочно-линейной и относится к классу нелинейных динамических моделей. Она состоит из линейной системы дифференциальных уравнений и двух нелинейных трансцендентных уравнений, описывающих моменты переключения ключа. Для составления системы дифференциальных уравнений была получена схема замещения преобразователя, на различных подынтервалах тактового интервала ШИМ, представленная на рис. 3, а.
Рис. 3. Схемы замещения объекта исследования на различных подынтервалах неизменности структуры в пределах k-го тактового интервала: а — части системы с динамическими элементами; b — вентильной части преобразователя (ВЧ); c — модифицированной вентильной части.
Fig. 3. Equivalent circuit diagrams of the study object at various subintervals of the structure invariance within the k-th clock interval: а — the system part with dynamic elements; b — the valve part of the converter; c — the modified valve part.
Она отражает только те части объекта исследования, которые могут быть описаны дифференциальными уравнениями, и не отражает полностью логику работы системы управления. Каждый i-й подынтервал неизменности структуры силовой части характеризуется набором сопротивлений транзисторов и диодов (табл. 1). При этом используются обозначения: — сопротивление транзистора VTl (l=1, 2…4) на i-м подынтервале k-го тактового интервала, — сопротивление диода VDl (l=1, 2…4) на i-м подынтервале k-го тактового интервала. Указанные сопротивления в открытом и закрытом состояниях транзисторов и диодов различаются. Так, транзисторы в открытом состоянии будут характеризоваться сопротивлением RVTon, а в закрытом — RVToff. Диоды в открытом состоянии характеризуются сопротивлением RVDon, а в закрытом — RVDoff.
Таблица 1. Параметры схемы замещения вентильной части на различных подынтервалах цикла преобразования
Table 1. Parameters of equivalent circuits of the valve part at various subintervals of the converting cycle
Номер тактового интервала k | Номер тактового подыинтервала i | Параметры схемы замещения силовой части | |||||||
|
|
| RVT4,k,i | RVD1,k,i | RVD2,k,i | RVD3,k,i | RVD4,k,i | ||
1 | 1 | RVTon | RVToff | RVToff | RVTon | RVDon | RVDoff | RVDoff | RVDon |
1 | 2 | RVToff | RVToff | RVToff | RVToff | RVDon | RVDon | RVDon | RVDon |
1 | 3 | RVToff | RVToff | RVToff | RVToff | RVDoff | RVDoff | RVDoff | RVDoff |
2 | 1 | RVToff | RVTon | RVTon | RVToff | RVDoff | RVDon | RVDon | RVDoff |
2 | 2 | RVToff | RVToff | RVToff | RVToff | RVDon | RVDon | RVDon | RVDon |
2 | 3 | RVToff | RVToff | RVToff | RVToff | RVDoff | RVDoff | RVDoff | RVDoff |
Схема замещения на рис. 3, b после приведения параметров цепей в первичной обмотке трансформатора ко вторичной обмотке трансформатора может быть представлена в виде пассивного четырёхполюсника (см. рис. 3, c) (на рисунке RꞌVTl — сопротивление транзистора VTl, приведенное ко вторичной обмотке трансформатора), который на i-м подынтервале k-го тактового интервала описывается системой уравнений
где a — параметры четырёхполюсника, имеют вид
; ;
; ,
Где
; ;
; ;
; ;
; ,
где — приведённые ко вторичной обмотке трансформатора сопротивления транзисторов инвертора на i-м подынтервале k-го тактового интервала (l=1, 2, ...4). Также в схеме на рис. 3, b u1=uвх/Kтр.
На следующем этапе запишем систему дифференциальных уравнений, описывающую схему замещения на рис. 3, а на i-м подынтервале k-го тактового интервала
где
При этом выходное напряжение рассчитывается как
. (2)
СДУ в матричной форме на i-м подынтервале k-го тактового интервала имеет вид
, (3)
где Ak,i — системная матрица,
,
Bпвk,i — матрица управления, отражающая влияние постоянных управляющих воздействий; Bперk,i — матрица управления, отражающая влияние переменных управляющих воздействий
, .
Векторы управляющих воздействий имеют вид
;
,
где Uпв — вектор постоянных управляющих воздействий, Uпер(t) — вектор переменных управляющих воздействий.
Решение (3) на i-м подынтервале k-го тактового интервала запишем в векторно-матричной форме:
(4)
где , tk(i–1) — момент коммутации в начале i-го подынтервала k-го тактового интервала, X0,k,i — вектор переменных состояния в начале i-го подынтервала на k-м тактовом интервале.
Перед началом расчёта электромагнитных процессов на k-м тактовом интервале необходимо предварительно рассчитать моменты коммутации на основе трансцендентных уравнений.
Момент коммутации силовых ключей соответствует моменту совпадения сигнала управления после регулятора и пилообразного развёртывающего напряжения, т. е. справедливо уравнение
, (5)
где с1=(1 0 0), с2=(0 1 0), с3=(0 0 1) — векторы-строки выборки заданной фазовой переменной из вектора переменных состояния X. При этом X(t) — это уравнение (4) с параметрами схемы замещения на 1-м подынтервале k-го тактового интервала.
Пилообразное напряжение описывается функцией вида
,
где функция вида E1(x) — целочисленная функция Антье.
Момент пересечения током дросселя нуля может быть рассчитан на основе уравнения
, (6)
где X(t) — это уравнение (4) с параметрами схемы замещения на 2-м подынтервале k-го тактового интервала.
Уравнения (5) и (6) решаются с помощью одного из численных методов решения нелинейных трансцендентных уравнений.
Математическое моделирование частотных характеристик объекта исследования
В данном разделе с использованием разработанной модели двухтактного преобразователя напряжения с источниками измерительных воздействий были получены три набора частотных характеристик, в каждый из которых входят амплитудно-частотная (АЧХ) и фазочастотная (ФЧХ) характеристики определённого параметра преобразователя. Расчёты выполнялись с помощью программы, реализованной на языке С++ с использованием предлагаемой математической модели.
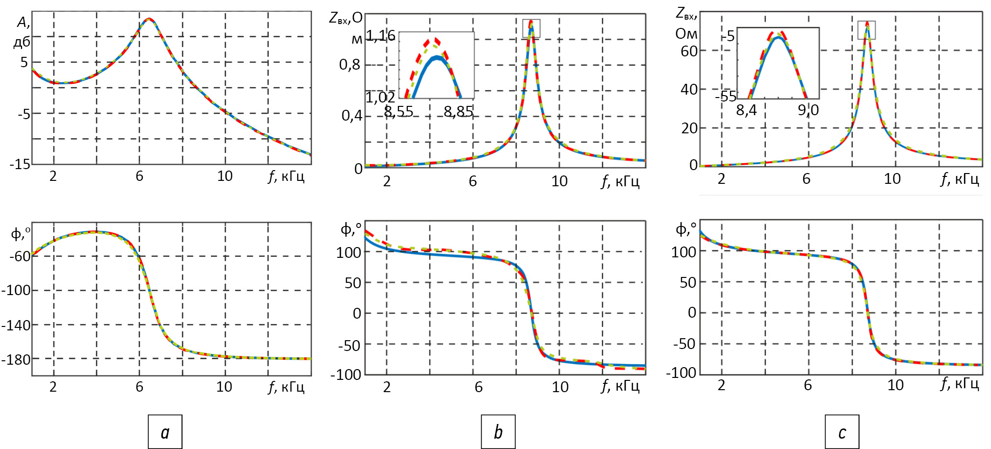
Параметры исследуемой системы: RL=0,01 Ом, L=0,00012 Гн, Rc=0,01 Ом, C=5 мкФ, Rн=28,8 Ом, Uвх=40 В, Kи=2, Tи=50 мкс, K=0,003, β=0,1, Uрm=10 В, Uз=2,4 В, T=10 мкс. Амплитуды вводимых измерительных воздействий: uвхm=0,53 В, jвыхm=0,01 А, uзm=0,0001 В.
На рис. 4 приведены частотные характеристики, полученные с использованием различных методов построения и отмеченные разными цветами, а именно: с использованием предлагаемой математической модели (красные линии), с использованием модели в MatLab Simulink и программного модуля [15] (зелёные линии), а также с использованием аналитических выражений [3] (синие линии). Упомянутые аналитические выражения справедливы для усреднённой, линеаризованной динамической модели преобразователей I-рода, к которым относится рассматриваемый преобразователь. Здесь они не приводятся из-за их громоздкости.
Рис. 4. Амплитудно-частотная (вверху) и фазочастотная (внизу) характеристики двухтактного преобразователя напряжения (красная штриховая линия — полученные с помощью разработанной математической модели, синяя сплошная линия — полученные с помощью аналитических выражений, зелёная штриховая линия — полученные с помощью MatLab Simulink): a — петлевой коэффициент усиления; b — входное сопротивление; c — выходное сопротивление.
Fig. 4. Bode magnitude plot (top) and Bode Phase plot (bottom) of the push-pull DC-DC converter (red dash line — obtained using the developed mathematical model; blue solid line — obtained using the analytical expressions; green dash line — obtained using the MATLAB/Simulink): a — loop gain coefficient; b — input resistance; c – output resistance.
Как упоминалось ранее, частотные характеристики, полученные с помощью аналитических выражений [3] и построенные с использованием нелинейной динамической модели, могут отличаться (в ряде случаев существенно), а могут и не отличаться [1]. При проверке корректности созданной математической модели целесообразно использовать наборы параметров, где нелинейность несильно влияет на частотные характеристики и результаты, полученные с использованием аналитических выражений, и результаты, полученные с использованием нелинейных динамических моделей, максимально совпадают. Именно такие параметры системы были использованы при проведении исследований.
Для начала сравним результаты, полученные с использованием аналитических выражений (синие линии на рис. 4), и результаты, полученные с использованием предлагаемой модели (красные линии на рис. 4). Как видно из рис. 4, наблюдается хорошее совпадение частотных характеристик, полученных с использованием двух упомянутых подходов. Как следует из рис. 4, а, наблюдается практически идеальное совпадение АЧХ и ФЧХ петлевого коэффициента усиления. При анализе частотных характеристик входного и выходного сопротивлений (см. рис. 4, b, c) обнаружены небольшие расхождения АЧХ и ФЧХ. Как следует из рис. 4, b, c (см. также детализации АЧХ), в процентном отношении расхождение красной и синей линий АЧХ на резонансной частоте не превышают 5%, что является приемлемым результатом с точки зрения практики. У ФЧХ входного сопротивления (см. рис. 4, b) при сравнении красной и синей линий максимальное расхождение составляет не более 1%. Сравнение результатов, полученных с использованием предлагаемой математической модели (красные линии на рис. 4) и результатов, полученных с использованием модели MatLab Simulink 2009 и программного модуля [15] (зелёные линии на рис. 4), показывает высокую степень совпадения, и обнаруженная на рис. 4 максимальная относительная погрешность в этом случае не превысила 0,5% (см. рис. 4, с).
На следующем этапе целесообразно сравнить скорость расчёта частотных характеристик при использовании предлагаемой математической модели и при использовании модели MatLab Simulink 2009. При расчётах использовался персональный компьютер с процессором Cire i9-13900K в режиме многопоточных вычислений, когда задействованы все ядра микропроцессора. При использовании программы, реализующей расчёты на основе предлагаемой модели, время расчёта составило 6 минут 26 секунд, а при использовании модели Matlab Simulink 2009 с применением программного модуля [15] время расчёта составило 37 минут 11 секунд, т. е. скорость расчёта возросла в 5,77 раза, что является хорошим результатом.
Заключение
Исследование частотных характеристик импульсных преобразователей постоянного напряжения в общем случае является сложной задачей, требующей использования специфических подходов. Ситуация осложняется динамическими нелинейностями стабилизированных ИПН, которые в ряде случаев могут существенно влиять на их частотные характеристики. В данной работе предложена быстродействующая математическая модель двухтактного преобразователя постоянного напряжения с источниками измерительных воздействий в составе схемы, которая позволяет имитировать работу преобразователя в условиях воздействия на него АНЧХ. Анализ отклика преобразователя на такие воздействия позволяет рассчитывать заданные частотные характеристики. Предлагаемая математическая модель позволяет более чем в пять раз увеличить скорость расчёта частотных характеристик, что расширяет возможности анализа на этапе проектирования таких устройств.
Выбранная точка ввода измерительного воздействия для построения частотной зависимости петлевого коэффициента усиления позволяет в будущем после незначительной модификации использовать предлагаемую математическую модель для исследования частотных характеристик с более сложными системами управления [15].
Дополнительная информация
Вклад автора. Автор подтверждает соответствие своего авторства международным критериям ICMJE (автор внёс существенный вклад в разработку концепции, проведение исследования и подготовку статьи, прочёл и одобрил финальную версию перед публикацией).
Конфликт интересов. Автор декларирует отсутствие явных и потенциальных конфликтов интересов, связанных с проведённым исследованием и публикацией настоящей статьи.
Источник финансирования. Автор заявляет об отсутствии внешнего финансирования при проведении исследования.
Additional information
Author’s contribution. The author confirms the compliance of his authorship with the ICMJE international criteria (the author has made a significant contribution to the conceptualization, research and preparation of the article, read and approved the final version before publication
Competing interests. The authors declares that he has no competing interests.
Funding source. This study was not supported by any external sources of funding.
Об авторах
Алексей Иванович Андриянов
Брянский государственный технический университет
Автор, ответственный за переписку.
Email: mail@ahaos.ru
ORCID iD: 0000-0002-4083-040X
SPIN-код: 9109-4866
д-р техн. наук, доцент, профессор кафедры «Электронные, радиоэлектронные и электротехнические системы»
Россия, 241035, Брянск, б-р 50 лет Октября, д. 7Список литературы
- Dmitrikov VF, Shushpanov DV. Stability and electromagnetic compatibility of devices and power supply systems. Moscow: Hotline-telecom Publ; 2019. (in Russ.)
- Dmitrikov VF, Shushpanov DV, Petrochenko AY, et al. Stability Problems in Designing Aggregated and Distributed Systems of Secondary Power Supplies, Russian Electrical Engineering. 2020;(2):108–114. doi: 10.3103/S1068371220020030
- Severns RP, Bloom G. Modern DC-to-DC Switchmode Power Converter Circuits, New York, Van Nostrand Reinhold Company; 1985.
- Belov GA. Theory of pulse converters. Cheboksary: Chuvash State University Publ.; 2016. (in Russ.)
- Meleshin VI. Transistor conversion technology. Moscow: Tekhnosfera Publ.; 2016. (in Russ.)
- Zhusubaliyev ZhT, Mosekilde E. Bifurcations and chaos in piecewise-smooth dynamical systems. Singapore: World Scientific Publishing Co. Pte. Ltd; 2003:376.
- Chen L, He Y, Zhu Y, et al. Research on Stroboscopic Mapping Modeling and Bifurcation Characteristics of Grid-Connected Inverter Considering PWM Saturation. IEEE Transactions on Power Electronics. 2024;39(7):8667–8685. doi: 10.1109/TPEL.2024.3386608
- Mihal'chenko SG, Mihal'chenko GYa, Semenov SM, et al. Bifurcation phenomena in a frequency-pulse controlled voltage converter for a wind turbine. Bulletin of the Tomsk Polytechnic University. Geo Assets Engineering. 2020;12:215–225 (in Russ.) doi: 10.18799/24131830/2020/12/2957
- Li S, Fahimi B. On the Period-doubling Bifurcation in PWM controlled Buck Converter. 2018 IEEE Transportation Electrification Conference and Expo (ITEC). 2018:589–594. doi: 10.1109/ITEC.2018.8450097
- Ma C, Gao Z, Zhou X, et al. Bifurcation of Buck converter in discontinuous conduction mode Optimal control. 2022 IEEE International Conference on Mechatronics and Automation (ICMA). 2022:225–230. doi: 10.1109/ICMA54519.2022.9855915
- Said SB, Saad M, Benrejeb M. On Bifurcation and Inputs Influence Studies of Buck. 2023 IEEE International Conference on Advanced Systems and Emergent Technologies (IC_ASET). 2023:1–6. doi: 10.1109/IC_ASET58101.2023.10151282
- Andriyanov AI. Development of the theory of control of nonlinear dynamic processes of pulsed power supply systems. diss. doct. of tech. Sci. Bryansk. 2022:515. (in Russ.)
- Artym AD, Filin VA, Espolov KZh. New method for calculating processes in electrical circuits. Saint Petersburg: Elmore Publ. 2001:515. (in Russ.)
- Andriyanov AI. To the calculation of the input and output operator resistance of a dc voltage converter with a control system based on delayed feedback. Electrotechnical Systems and Complexes. 2024; 2(63):90–97 (in Russ.)
- Andriyanоv AI, Zhigaltsov DA. Program for calculating the frequency characteristics of a pulse voltage converter. The Certificate on Official Registration of the Computer Program in Russia 2023665397. 2023. doi: 10.18503/2311-8318-2024-2(63)-90-97
Дополнительные файлы







