Compensating combined working body of road roller
- Authors: Saveliev S.V.1, Mikheev V.V.2, Poteryaev I.K.1
-
Affiliations:
- The Siberian State Automobile and Highway University
- Omsk State Technical University
- Issue: Vol 19, No 1 (2025)
- Pages: 391-400
- Section: Transport and transport-technological facilities
- URL: https://journals.eco-vector.com/2074-0530/article/view/640817
- DOI: https://doi.org/10.17816/2074-0530-640817
- EDN: https://elibrary.ru/UISFIL
- ID: 640817
Cite item
Abstract
Background: The issue of using vibratory machines for compaction of road construction materials is that during the vibration process, the energy of the vibratory drum is spent on useful compaction work only in the half-period of oscillations when the vibratory drum moves «downward». In the second half of the period, the oscillating vibratory drum moves «upward» and does not produce useful compaction work on the material. Thus, more than half of the energy spent on excitation of vibration is wasted, which increases energy costs and reduces the share of useful work of the vibratory machine.
Aim: Increasing the efficiency of using the vibration exciter energy for useful work.
Methods: From the point of view of increasing the share of energy expended by the roller on the work of compacting the material, it is necessary to reduce the «idle» component of the work on the «upward» motion of the vibratory drum. This principle is implemented in the following design: a vibratory roller contains a frame and a working element consisting of two rollers, the main vibratory roller and the additional compensating roller, articulated by means of a double-arm lever through a support and rotary device. During the compaction process, during that half-period of oscillations, when the vibratory roller moves upward, the force is transmitted by means of a double-arm lever, through a support and rotary unit, to the compensating roller, which moves downward and has a useful effect on the compacted material and compensates for part of the lost energy of the main vibratory roller.
Results: A scheme for modeling the impact on the supporting surface has been designed. Taking into account the constructed scheme, reasonable weight-and-dimensional characteristics of the original compensating combined working body of the road roller have been determined.
Conclusion: Based on the results of the dynamic analysis conducted in the study, the design features of the original working body of the road machine were determined, allowing identification of its reasonable weight-and-dimensional characteristics. The obtained results make it possible to analyze, in the first approximation, the design parameters for the development and production of domestic high-performance road equipment for the construction of highways and other transport facilities.
Keywords
Full Text
Обоснование
Для развития машиностроительной и дорожной отраслей необходимо разрабатывать, проектировать и выпускать современную высокопроизводительную технику. Дорожные катки являются востребованными машинами в транспортном строительстве. Они предназначены для уплотнения технологических слоёв автодорог с целью придания прочности и устойчивости всей дорожной конструкции.
В результате анализа характеристик уплотняющей техники российских и зарубежных производителей были выявлены достоинства и недостатки дорожных катков. Один из недостатков существующих катков — это холостая составляющая работы, когда вибровалец движется вверх и не производит полезной работы уплотнения на материал.
Новая конструкция вибрационного катка содержит раму и рабочий орган с двумя вальцами: основной — вибрационный и дополнительный — компенсирующий. Вальцы шарнирно связаны между собой через опорно-поворотное устройство. В процессе уплотнения компенсирующий валец движется вниз и компенсирует часть потерянной энергии основного вибровальца.
В статье выполнен предварительный расчёт параметров представленной новой конструкции катка. Динамическая схема катка учитывает характер связи его вальцов с рамой. Упругие и вязкие свойства специальных элементов и устройств подвески рассмотрены в комплексе с упруго-вязкими свойствами вальцов и шарнира.
В статье определены рациональные массогабаритные характеристики оригинального рабочего органа дорожной машины. Полученные результаты позволяют в первом приближении рассмотреть конструктивные параметры для создания и производства отечественной высокопроизводительной дорожной машины для уплотнения технологических слоёв при устройстве автодорог и других транспортных объектов.
В настоящее время существует высокая конкуренция среди производителей дорожных катков. Модели таких производителей, как HAMM, BOMAG (Германия), DINAPAK (Швеция), SAKAI (Япония) достаточно хорошо зарекомендовали себя на рынке, надёжны и обладают высокими эксплуатационными характеристиками, но имеют достаточно высокую стоимость. В ценовом диапазоне лучшие предложения выдвигают китайские производители, такие как XCMG, Sany, LiuGong, однако надёжность и эксплуатационные характеристики и у них несколько ниже. В России известны отечественные производители дорожных катков: «Рыбинский завод Дорожных машин» (марка DM) и завод «Раскат» (марка RW) г. Рыбинск, которые по эксплуатационным характеристикам сопоставимы с китайской техникой, но могут конкурировать по цене. Здесь актуальна задача увеличения эксплуатационных характеристик выпускаемой техники до характеристик ведущих зарубежных производителей с сохранением стоимости отечественной дорожной техники. В условиях высокой конкуренции и программы импортозамещения необходимо обеспечить дорожно-строительные организации отечественными средствами механизации и загрузить мощности наших машиностроительных предприятий.
Цель
Повышение эффективности использования энергии вибровозбудителя на полезную работу.
Методы
С точки зрения увеличения доли энергии, затрачиваемой катком на работу по уплотнению материала, необходимо уменьшение «холостой» составляющей части работы по движению вибровальца вверх. Этот принцип реализован в следующей конструкции: вибрационный каток содержит раму и рабочий орган, состоящий из двух вальцов основного вибрационного и дополнительного компенсирующего вальца, шарнирно связанных между собой при помощи двуплечего рычага через опорно-поворотное устройство.
Результаты
Построена схема для моделирования воздействия на опорную поверхность. С учётом построенной схемы определены рациональные массогабаритные характеристики оригинального компенсирующего комбинированного рабочего органа дорожного катка.
По результатам анализа характеристик всей номенклатуры уплотняющей техники как российских, так и зарубежных производителей дорожных катков были выявлены их достоинства и недостатки [1–3]. Одним из недостатков широко используемых для уплотнения дорожно-строительных материалов вибрационных машин является то, что в процессе вибрирования энергия вибрационного вальца затрачивается на полезную работу уплотнения только в том полупериоде колебаний, когда вибровалец движется вниз. Во второй половине периода колеблющийся вибровалец движется вверх и не производит полезной работы уплотнения на материал. Таким образом, более половины энергии, затрачиваемой на возбуждение вибрации, тратится вхолостую, что повышает энергозатраты и снижает долю полезной работы вибрационной машины [1, 4].
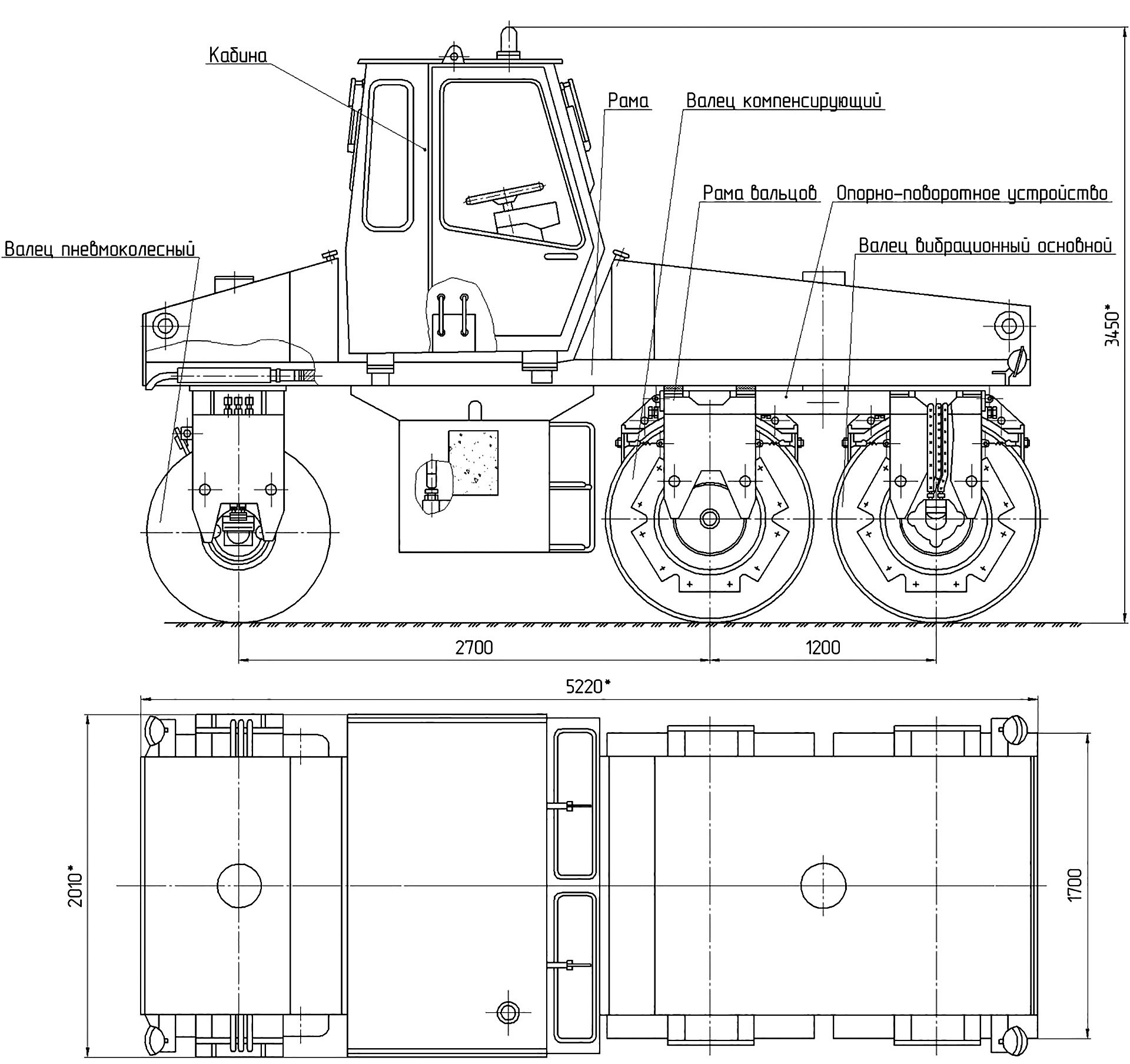
Дорожный каток с увеличенной долей энергии, затрачиваемой на работу по уплотнению материала, представлен на рис. 1. В процессе уплотнения на том полупериоде колебаний, в течение которого движение вибрационного вальца происходит вверх посредством двуплечего рычага через опорно-поворотный узел (рис. 2), усилие передаётся компенсирующему вальцу, который движется вниз и осуществляет полезное воздействие на уплотняемый материал и компенсирует часть потерянной энергии основного вибровальца.
Рис. 1. Общий вид дорожного катка.
Fig. 1. General view of the road roller.
Рис. 2. Опорно-поворотное устройство.
Fig. 2. Slewing bearing.
Новая конструкция требует предварительного расчёта параметров представленной машины. Динамическая схема катка должна учитывать характер связи его вальцов с рамой. В случае использования специальных элементов и устройств подвески их упругие и вязкие свойства должны быть рассмотрены в комплексе с упруго-вязкими свойствами вальцов и шарнира.
Однако, поскольку данная конструкция с помощью математического аппарата исследуется впервые, был принят ряд упрощающих допущений, оправданный на первоначальном этапе расчётов:
- в рассматриваемой модели взаимодействие рабочего органа катка с присоединённой массой уплотняемого материала описывается силой реакции (сопротивления) активной области грунтовой среды деформированию, также не учитывает наличие амортизаторов, которые обычно устанавливаются на дорожных катках;
- математическая модель рассматривает только безотрывные колебания, соответственно, полученные результаты и рекомендации применимы только для машин, реализующих относительно невысокие значения амплитуды вынуждающей силы.
Построение динамической модели дорожной машины должно вестись с учётом описанных выше факторов. Принимая во внимание отсутствие пластических деформаций (износа) элементов катка, подверженных силовым воздействиям, и неизменность их формы и размеров при наличии упругих и вязких свойств, моделирование можно проводить в рамках Лагранжева формализма классической механики [6, 7]. Все элементы схемы катка представляются линейными, обладающими упругими и вязкими свойствами, взаимодействующими массивными телами, рассматриваемые в рамках подхода сосредоточенных параметров. Включение сил взаимодействия узлов катка во внешнюю периодическую силу воздействия машины на уплотняемую поверхность не вызывает трудностей. Моделирование процесса деформирования уплотняемого материала при взаимодействии с уплотнителем должно проводится с учётом взаимодействия узлов катка между собой и реакции уплотняемой поверхности на рабочие органы катка.
Комбинированный рабочий орган представленной машины сочетает в себе возможность более эффективного использования энергии колебаний вибрационного вальца с повышением производительности машины.
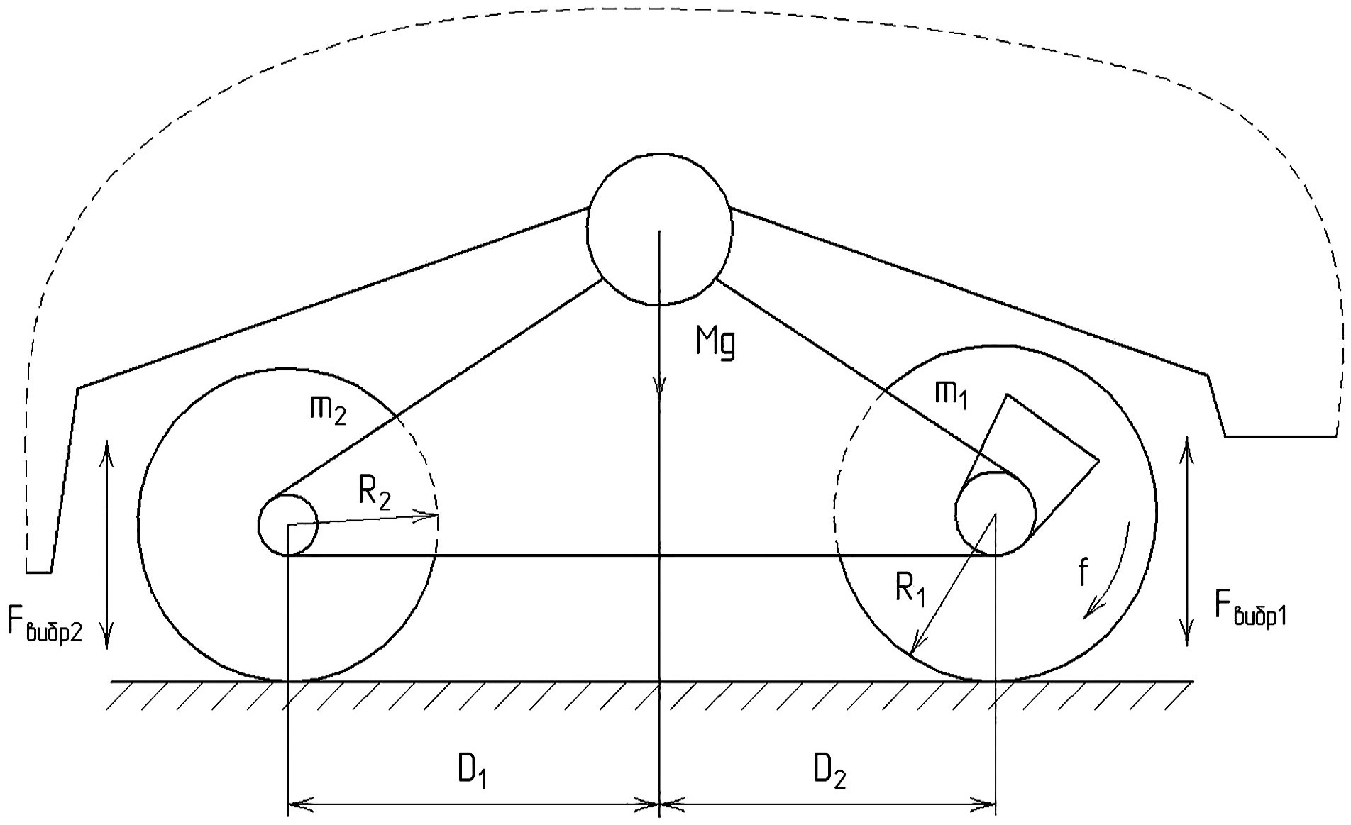
Схема для моделирования воздействия на опорную поверхность приведена на рис. 3.
Рис. 3. Расчётная схема: D1 — расстояние от центра масс основного (вибрационного) вальца до точки закрепления на раме катка; D2 — расстояние от центра масс компенсирующего вальца до точки закрепления на раме катка; z — вертикальное смещение рамы катка за счёт движения вальцов; z1 — вертикальное смещение основного (вибрационного) вальца; z2 — вертикальное смещение компенсирующего вальца; R1(z1) — сила реакции (сопротивления) активной области грунтовой среды, уплотняемой основным (вибрационным) вальцом; R2(z2) — сила реакции (сопротивления) активной области грунтовой среды, уплотняемой компенсирующим (статическим) вальцом; F(t) — периодическая вынуждающая сила, реализующая динамическое воздействие на грунт со стороны основного (вибрационного) вальца.
Fig. 3. Calculation scheme.
Уравнение движения системы строится из соображений, что под действием периодической силы рабочий орган может совершать вращательное движение вокруг центра масс системы и поступательное движение как единое целое — вместе с рамой катка [8–10].
Найдём уравнение движения из основных уравнений динамики:
(1)
где — равнодействующая сил, действующих на систему,
,
— полный вращательный момент сил, действующих на систему относительно её центра масс; — момент инерции системы при вращении относительно центра масс, . Здесь и , соответственно, расстояния от центра масс системы до основного (вибрационного) и компенсирующего (статического) вальцов.
.
При условии небольших значений смещений по отношению к радиусам вращения при движении рабочего органа запишем окончательный вид уравнений движения:
(2)
Решение этого уравнения совместно с уравнениями движения позволяет выявить влияние расстояний центров масс вальцов друг от друга на накопление пластической деформации уплотняемой средой.
— доля массы рамы катка, приходящегося на ось вальца; — масса вальца; — радиус вальца; — периодическая сила воздействия.
Дальнейшее рассмотрение задачи проводилось численно в среде компьютерной алгебры Maple.
В качестве примера приведём результаты интегрирования системы (2) для разработанного оригинального рабочего органа с параметрами, соответствующими среднему вибрационному грунтовому катку.
=3000 кг, =1000 кг, =6000 кг, 2,5 м, =0,7 м, =0,5 м.
Участки грунтовой среды, взаимодействующие с вальцами рабочего органа, будем рассматривать как линейные элементы Кельвина-Фойгта с постоянными жёсткостями , и вязкостями , соответственно:
=35 МН/м, =20 МН/м, =100000 Н·с/м, =50000 Н·с/м.
Параметры периодического силового воздействия выбирались также в соответствии с рекомендациями и техническими характеристиками средних гладковальцовых вибрационных катков:
=80000 Н, =25Hz.
Иллюстрацией того, как параметры нового рабочего органа оказывают влияние на амплитуды вынужденных колебаний, могут служить графические зависимости, приведённые на рис. 4 для смещения центра масс системы, в рабочем режиме вибрационного катка, оснащённого оригинальным рабочим органом, рассчитанные при различных положениях опорно-поворотного механизма .
Рис. 4. Смещения рамы катка zM, м за время воздействия периодической силы 0,5 с при: a: D1/D2 = 0,25; b: D1/D2 = 0,5; c: D1/D2 = 1.
Fig. 4. Roller frame displacements zM, м during exposure to periodic force during 0.5 s at: a: D1/D2 = 0,25; b: D1/D2 = 0,5; c: D1/D2 = 1.
Амплитуда смещения центра масс системы указывает на величину кинетической энергии, передаваемой раме катка, по сути определяющей потери и нежелательное воздействие на оператора.
Видно, что амплитуда этого смещения изменяется, завися от положения опорно-поворотного узла. Дальнейшие численные эксперименты для различных значений параметров катка позволили построить схему определения рациональных параметров перспективного рабочего органа со следующими расчётными величинами:
— расстояние между центрами вальцов;
— масса основного вальца 1;
— масса компенсирующего вальца 2;
— масса рамы, приходящаяся на валец 1;
— масса рамы, приходящаяся на валец 2;
— амплитуда периодической силы вальца 1;
— радиус основного вальца 1;
— радиус вспомогательного вальца 2.
Линеаризованная расчётная схема параметров перспективного рабочего органа вибрационного катка представлена в табл. 1.
Таблица 1. Линеаризованная расчётная схема параметров перспективного рабочего органа вибрационного катка
Table 1. Linearized analytical scheme of parameters of the advanced working body of a vibratory roller
Расчётные формулы для параметров основного вальца (вибрационного) | Расчётные формулы для параметров вспомогательного вальца (компенсирующего) | ||
| |||
Параметры расчётной схемы | |||
Для тяжёлых катков (18–22 т) | Для средних катков (12–18 т) | Для лёгких катков (9–12 т) | |
= 3000 кг = 10000 кг = 100000 Н = 0,7 м | = 2000 кг = 7500 кг = 60000 Н = 0,6 м | = 1200 кг = 5000 кг = 40000 Н = 0,4 м | |
Заключение
В результате анализа проведённых исследований была выявлена системная проблема энергопотерь у вибрационных машин с вибровозбудителями гармонического типа. Результатом данного анализа стала новая, предложенная авторами конструкция вибрационного катка. Каток оснащен компенсирующим вибровальцом и опорно-поворотным устройством, позволяющими снизить потери вибрационной энергии и повысить эффективность использования дорожного катка при строительстве автомобильных дорог.
Основной нерешённой проблемой в предложенном техническом решении является усложнение конструкции, что может сказаться на увеличении стоимости производства машины, что может быть компенсировано повышением её производительности.
Предложенная конструкция дорожного катка снижает энергопотери при вибрационном уплотнении дорожно-строительных материалов, увеличивает эффективность использования новой дорожной машины.
Проведены численные эксперименты для различных значений параметров предложенного катка. Выявлен характер влияния параметров нового катка на амплитуды вынужденных колебаний рабочего органа. Практическим результатом применения катка является увеличение производительности работ по уплотнению технологических слоёв при устройстве автодорог. Научным результатом являются полученные зависимости перемещения рамы катка от времени процесса виброуплотнения и результаты расчётов рациональных значений параметров машины.
Научная работа проводится в рамках гранта Российского научного фонда (РНФ) и Министерства промышленности и научно-технического развития Омской области по теме № 23-29-10010 «Разработка дорожных катков для повышения эффективности транспортного строительства с учётом региональных условий Омской области».
Дополнительная информация
Вклад авторов. С.В. Савельев ― написание текста рукописи, утверждение финальной версии; В.В. Михеев ― написание текста рукописи, поиск публикаций по теме статьи; И.К. Потеряев ― редактирование текста рукописи, редактирование изображений. Все авторы одобрили рукопись (версию для публикации), а также согласились нести ответственность за все аспекты работы, гарантируя надлежащее рассмотрение и решение вопросов, связанных с точностью и добросовестностью любой её части.
Этическая экспертиза. Неприменимо.
Источники финансирования. Научная работа проводится в рамках гранта Российского научного фонда (РНФ) и Министерства промышленности и научно-технического развития Омской области по теме № 23-29-10010 «Разработка дорожных катков для повышения эффективности транспортного строительства с учётом региональных условий Омской области».
Раскрытие интересов. Авторы заявляют об отсутствии отношений, деятельности и интересов за последние три года, связанных с третьими лицами (коммерческими и некоммерческими), интересы которых могут быть затронуты содержанием статьи.
Оригинальность. При создании настоящей работы были использованы фрагменты собственного текста, опубликованного ранее ([Михеев, В.В. Развитие теории проектирования дорожных катков для энергоэффективного уплотнения грунтов : специальность 05.05.04 «Дорожные, строительные и подъемно-транспортные машины»: диссертация на соискание учёной степени доктора технических наук / Михеев Виталий Викторович, 2022. – 386 с.], распространяется на условиях лицензии CC-BY 4.0).
Доступ к данным. Редакционная политика в отношении совместного использования данных к настоящей работе не применима, новые данные не собирали и не создавали.
Генеративный искусственный интеллект. При создании настоящей статьи технологии генеративного искусственного интеллекта не использовали.
Рассмотрение и рецензирование. Настоящая работа подана в журнал в инициативном порядке и рассмотрена по обычной процедуре. В рецензировании участвовали два внешних рецензента, член редакционной коллегии и научный редактор издания.
Additional information
Author contributions: S.V. Saveliev: writing the text of the manuscript, approval of the final version; V.V. Mikheev: writing the text of the manuscript, searching for publications on the topic of the paper; I.K. Poteryaev: editing the text of the manuscript, editing images. All the authors approved the version of the manuscript to be published and agreed to be accountable for all aspects of the work, ensuring that issues related to the accuracy or integrity of any part of the work are appropriately investigated and resolved.
Ethics approval: N/A.
Funding sources: The research work is carried out within the framework of a grant from the Russian Science Foundation (RSF) and the Ministry of Industry and Scientific and Technical Development of the Omsk Region on topic No. 23-29-10010 «Development of road rollers to improve the efficiency of transport construction, taking into account the regional conditions of the Omsk Region».
Disclosure of interests: The authors have no relationships, activities or interests for the last three years related with for-profit or not-for-profit third parties whose interests may be affected by the content of the article.
Statement of originality: In preparing the paper, parts of the own text, published earlier, were used ([Mikheev VV. Development of the theory of designing road rollers for energy-efficient soil compaction: specialty 05.05.04 «Road, construction and lifting-and-transport machines»: dissertation for the degree of Doctor of Engineering. Mikheev Vitaly Viktorovich; 2022. 386 p.], available in accordance with the CC-BY 4.0 License).
Data availability statement: The editorial policy regarding data sharing does not apply to this work as no new data was collected or created.
Generative AI: No generative artificial intelligence technologies were used to prepare this article.
Provenance and peer review: This paper was submitted unsolicited and reviewed following the standard procedure. The peer review involved two external reviewers, a member of the editorial board, and the in-house scientific editor.
About the authors
Sergey V. Saveliev
The Siberian State Automobile and Highway University
Email: saveliev_sergval@mail.ru
ORCID iD: 0000-0002-4034-2457
SPIN-code: 4135-8370
Dr. Sci. (Engineering), Professor, Professor of the Operation of Oil and Gas and Construction Equipment Department
Russian Federation, OmskVitaly V. Mikheev
Omsk State Technical University
Email: vvm125@mail.ru
ORCID iD: 0000-0001-8881-5404
SPIN-code: 2272-6944
Dr. Sci. (Engineering), Assistant Professor, Professor of the Comprehensive Information Security Department
Russian Federation, OmskIlya K. Poteryaev
The Siberian State Automobile and Highway University
Author for correspondence.
Email: poteryaev_ik@mail.ru
ORCID iD: 0000-0002-4350-2495
SPIN-code: 3684-9850
Cand. Sci. (Engineering), Assistant Professor, Head of the Operation of Oil and Gas and Construction Equipment Department
Russian Federation, OmskReferences
- Mikheev VV. Development of the theory of designing road rollers for energy-efficient soil compaction : specialty 05.05.04 “Road, construction and lifting-and-transport machines”: dissertation for the degree of Doctor of Technical Sciences / Mikheev Vitaly Viktorovich; 2022. 386 p. (In Russ.) EDN: NETROC
- Saveliev SV, Permyakov VB, Mikheev VV, Poteryaev IK. Innovative compaction equipment and recommendations for its use for resource-saving technologies in road construction. Siberian State Automobile and Highway University (SibADI); 2019. 193 p. ISBN 978-5-00113-124-3. (In Russ.) EDN: TBDDLU
- Kustarev GV, Pavlov SA, Zhartsov PE. Analysis of factors affecting the quality of the compaction process. Mechanization of construction. 2013(4(826)):6–10. (In Russ.) EDN: PYUWDZ
- Nosov SV. Mathematical modeling of the process of compaction of road-building materials by a rigid drum of a road roller. Bulletin of the Belgorod State Technological University named after V.G. Shukhov. 2013(4):31–35. EDN: QCEJOT
- Emelianov AN, Babenko DB. On the issue of promising designs of road rollers for compaction of roadbed soils. Fundamental and applied research of young scientists: Collection of materials of the IV International scientific and practical conference of students, graduate students and young scientists, Omsk, February 06–07, 2020. Omsk: Siberian State Automobile and Highway University (SibADI). 2020:4–7. (In Russ.) EDN: QQMGXZ
- Tyuremnov IS. Analysis of technical characteristics of various types of shock-vibration soil compaction machines. Bulletin of the Siberian State Automobile and Highway University. 2023;20(6(94)):706–716. doi: 10.26518/2071-7296-2023-20-6-706-716 (In Russ.) EDN: IGOKXE
- Ivanova YuP. On the Issue of Soil Compaction Problems with Road Rollers // Fundamental and Applied Research of Young Scientists: Collection of Materials of the VI International Scientific and Practical Conference of Students, Postgraduates and Young Scientists, Omsk, February 10–11, 2022. Omsk: Siberian State Automobile and Highway University (SibADI); 2022:12–15. (In Russ.) EDN: HQNNNK
- Kligunova ZA, Shishkin EA, Kligunov ES. Mathematical Modeling of the Stress-Strain State of Soil during Compaction with a Road Roller. Transport, Mining and Construction Engineering: Science and Production. 2024(25):67–72. doi: 10.26160/2658-3305-2024-25-67-72 (In Russ.) EDN: SGRHRN
- Shishkin EA, Smolyakov AA. Modeling the interaction of a vibratory drum of a road roller with compacted soil. Transport, mining and construction engineering: science and production. 2024(26):60–67. doi: 10.26160/2658-3305-2024-26-60-67 (In Russ.) EDN: LAOAAY
- Patent No. 2572478 C1 Russian Federation, IPC E01C 19/28. Self-propelled vibratory roller: No. 2014130611/03: declared. 22.07.2014: publ. 10.01.2016. Mikheev VV, Saveliev SV, Permyakov VB.; applicant Federal State Budgetary Educational Institution of Higher Professional Education “Omsk State Technical University”. (In Russ.) EDN: TPTLGI
- Landau LD, Lifshits EM. Theoretical Physics. Science; 1988. 216 p. (In Russ.)
- Timoshenko SP. Oscillations in Engineering. URSS, 2006. 439 p. ISBN 5-484-00599-X. (In Russ.) EDN: QMEVJH
- Balovnev VI. Modeling of Processes of Interaction with the Environment of Working Parts of Road Construction Machines: Textbook for Universities. Mechanical Engineering; 1994. 432 p. (In Russ.)
- Smith W, Peng H. Modeling of wheel–soil interaction over rough terrain using the discrete element method. Journal of Terramechanics. 2013;50(5–6):277–287. doi: 10.1016/j.jterra.2013.09.002 EDN: SSLIKT
- Pippard A, Matveyev AN. Physics of Oscillations. Higher school; 1985. 456 p. (In Russ.)
Supplementary files







